Диплом ПЗ (1051941), страница 13
Текст из файла (страница 13)
При разработке проекта были выполнены следующие разделы:
1. Рассмотрены исходные данные о существующем мосту;
2. Изучен климат, рельеф, почва, физико механические свойства грунтов, неблагоприятные физики-геологические процессы и явления;
3. Разработаны 6 вариантов моста с обоснованием и принимаемых решений эскизными расчетами;
4. Детально разработан рекомендуемый к строительству вариант моста;
5. Рассмотрены и решены вопросы технологии работ и организации строительства по рекомендуемому варианту моста;
6. Изучены вопросы БЖД и охраны окружающей среды.
При разработке проекта были освоены программы: «Опора Х», «MS Project».
Список используемых источников
1. СП 131.13330.2012 Актуализированная редакция СНиП 23-01-99 «Строительная климатология» /Минрегион России. – М., 2012. – 120 с.
2. СП 35.13330.2011 Актуализированная редакция СНиП 2.05.03-84* - «Мосты и трубы»/Минстрой России. – М.:ГП ЦПП,2011.–214 с.
3. Копыленко В.А. , Переселенкова И.Г. Проектирование мостового перехода на пересечении реки трассой железной дороги: Пособие по курсовому и дипломному проектированию: - Москва, 2003 – 153 с.
4. СП 24.13330.2011 Свайные фундаменты. Актуализированная редакция СНиП 2.02.03-85.
5. Архивные данные ОАО «РЖД» по ЗабЖД.
6. Топеха А.А. Составление и сравнение вариантов железобетонного моста: Методические указания к курсовому и дипломному проектированию – Хабаровск: ДВГУПС, 1999 – 42 с.
7. СТО 136-2009 разработан ОАО «Институт Гипростроймост» - М., 2009.
8. Кручинкин А.В., Белый В.К. Монтаж стальных пролетных строений мостов. – М.: Транспорт, 1978. – 296 с.
9. Бобриков Б.В., Русаков И.М., Царьков А.А Строительство мостов. – М.: Транспорт 1978. – 296 с.
10. Инструкция по применению и проектированию безбалластного мостового полотна на железобетонных плитах металлических пролетных строений железнодорожных мостов. – М.: Транспорт, 1995. – 39 с.
11. Технические указания по устройству и конструкции мостового полотна на железнодорожных мостах ОАО «РЖД». – М.: Транспорт, 2011.
12. СТО-ГК «Трансстрой»-004-2007 Стандарт организации. Металлические пролетные строения. Навесной и полунавесной монтаж. – М., 2007.
13. ГЭСН 81-02-30-20001 «Сборник 30. Мосты и трубы»/ОАО «Гипротрнасмост». – М., 2002.
14. ГОСТ 12.0.003-74. ССБТ. Опасные и вредные производственные факторы. Классификация.
15. СН 2.2.4/2.1.8.562-96 Санитарные нормы «Шум на рабочих местах, в помещениях жилых, общественных зданий и на территории жилой застройки»
16 .Р 2.2.2006-05 Руководство по гигиенической оценке факторов рабочей среды и трудового процесса. Критерии и классификация условий труда
17 .СП 52.13330.2011. Актуализированная редакция СНиП 23-05-95. Естественное и искусственное освещение. Минстрой России 02.08.95.
18 .ОСТ Р 54984-2012 Освещение наружное объектов железнодорожного транспорта
19 .ГОСТ 12.1.005-88. ССБТ. Общие санитарно-гигиенические требования к воздуху рабочей зоны.
20. ГОСТ 12.1.004-91. ССБТ. Пожарная безопасность. Общие требования.
21 .ГОСТ 12.1.010-76. ССБТ. Взрывобезопасность. Общие требования.
22. Правила пожарной безопасности на железнодорожном транспорте. МПС России 11.11.92 ЦУО/112.
23 .Методические рекомендации по профилактике производственного травматизма с тяжелыми последствиями для монтеров дистанций пути и ПМС. ОАО РЖД, 2007
24. ГОСТ Р 52033-2003, Автомобили с бензиновыми двигателями. Выбросы загрязняющих веществ с отработавшими газами [Текст]/Нормы и методы контроля при оценке технического состояния. М.: Госстандарт России.
25. Охрана труда в грузовом хозяйстве железных дорог (с примерами решения задач) / В.И. Бекасов, Н.Е. Лысенко, В.А. Муратов и др. – М.: Транспорт, 1984.
26. 2. Бобин, Е.В. Борьба с шумом и вибрацией на железнодорожном транспорте – 3-е изд., перераб. и доп. / Е.В. Бобин. – М.: Транспорт, 1973.
27. СП 2.2.1.1312-03 "Гигиенические требования к проектированию вновь строящихся и реконструируемых промышленных предприятий"
28. ГОСТ 113 18 014-87 Система стандартов безопасности труда. Работы погрузочно-разгрузочные. Общие требования безопасности
29. Правила безопасности опасных производственных объектов, на которых используются подъемные сооружения с изменениями на 12 апреля 2016 года.
30. ПУЭ-Правила устройства электроустановок От 08.07.2012 № 204.
31. Единые правила по охране труда в строительстве, № 336н.
32. Богданов Г.И., Владимирский С.Р., Козьмин Ю.Г., Кондратов В.В. Проектирование мостов и труб. Металлические мосты: Учебник для вузов ж.-д. транспорта / Под редакцией Ю. Г. Козьмина. – М.: Маршрут, 2005. – 460с.
Приложение А
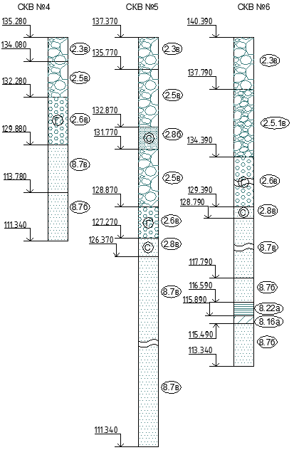
Литологический разрез по скважинам
Рисунок А.1 – Геологическое строение скважин №1,2,3
Рисунок А.2 – Геологические строение скважин №4,5,6
Рисунок А.3 – Геологическое строение скважин №7,8,9,10
Условные обозначения грунтов:
1.3а – Галечниковый грунт малой степени водонасыщения. Заполнитель – песок средней крупности (32.9%);
1.5а – Гравийный грунт малой степени водонасыщения. Заполнитель песок средней крупности (32.9%);
1.6а – Песок гравелистый, желтовато-серый, малой степени водонасыщения;
1.11а – Супесь твердая песчаннистая;
2.3в – Галечниковый грунт неоднородный, насыщенный водой. Заполнитель песок средней крупности;
2.5в – Гравийный грунт с прослойками и линзами песка гравелистого, супеси серой пластичной, насыщенный водой;
2.5.1 – Гравийный грунт с песчаным заполнителем:
б) средней степени водонасыщения;
в) насыщенный водой;
2.6 – Песок гравелистый с прослойками супеси серой пластичной:
б) средней степени водонасыщения;
в) насыщенный водой;
2.8в – Песок средней крупности, с прослойками супеси серой пластичной, насыщенной водой;
2.16.1б – Суглинок пылеватый, полутвердый;
2.22.1а – Глина легкая пылеватая, плотная, твердая
5.11а – Супесь песчанистая, с прослойками песка пылеватого малой степени водонасыщения. По показателю текучести – твердая.
5.16.1 – Суглинок от легкого песчанистого до легкого пылеватого.
По показателю текучести:
а) твердый;
б) полутвердый;
в) тугоплпстичный;
8.7 – Песок средней крупности плотный каолининизированный, с прослойками песка крупного, насыщенного водой, с гнездами супеси и глины твердой консистенции. Грунт:
б) средней степени водонасыщения;
в) насыщенный водой;
8.16 а – суглинок тяжелый, песчанистый, очень плотный, твердый;
8.22а – Глина легкая пылеватая, очень плотная, твердая.
Приложение Б
Расчёт отверстия моста
Расчёт по определению отверстия моста произведен в соответствии с методикой, описанной в учебном пособии под редакцией Копыленко[1].
Расход водотока определяется суммированием расходов воды на всех выделенных участках морфоствора:
(Б1)
где m – число характерных участков, выделенных на морфостворе;
wji– площадь живого сечения, м2,
-го участка морфоствора при уровне
;
– средняя скорость течения воды, м/с, на -м участке при уровне
.
Рисунок Б.1 – Профиль морфоствора в месте расположения моста
Среднюю скорость течения определяют по формуле:
(Б2)
где
– коэффициент шероховатости –го участка морфоствора;
– параметр (коэффициент);
– уклон водной поверхности реки (в долях единицы) при рассматриваемом уровне
(
;
– угол, град., между направлением течения на данном участке морфоствора и нормалью к морфотвору (поправку на косину потока учитывают при
6 ̊).
Среднюю глубину воды, м, на –м участке морфоствора при рассматриваемом уровне
определяется по формуле:
(Б3)
где
– ширина разлива воды, м, в пределах
–го участка при уровне
.
Расчёт зависимости Q(H) выполняется в табличной форме (табл 8)
Таблица 8 – Расчет отверстия моста
| Часть живого сечния | Коэфф шероховатости, nj | Ширина разлива В, м | Площадь живого сечния, м^2 | Средняя глубина воды, hj | Коэффициент Y | Уклон водной поверхности, i | Средняя V течения | Расход воды Q, м/с |
| Лев. П | 0.08 | 89.92 | 437.49 | 5.7 | 0.339 | 0.00008 | 0.40 | 177.12 |
| Русло | 0.035 | 405.19 | 4621.55 | 12.8 | 0.335 | 0.00008 | 1.87 | 8655.97 |
| Прав.П | 0.08 | 396.66 | 2207.08 | 6.7 | 0.3383 | 0.00008 | 0.45 | 998.83 |
ΣQ=9831.91
С учётом вероятности превышения расчётного
и наибольшего
расходов, определяются требуемые расходы, учитывая, что модульные коэффициенты, соответствующие этим вероятностям превышения, равны:
k1%=2.987;
k0.33%=3.894;
Максимальные расходы воды требуемой вероятности превышения соответственно равны:
(Б4)
(Б5)
Определение отверстия моста по Копыленко [3]:
(Б6)
Определение отверстия моста по формуле Богданова[4]:
(Б7)
Принимается максимальное значение L0=865 м.
Расчет линии общего размыва (ЛОР) [6]
Величина линии общего размыва в i-ой точке водотока определяется по формуле:
(Б.4)
Где
– глубина воды в I – ой точке сечения водотока до размыва, м
Кр=1.25 – коэффициент общего размыва.
Полученные значения размывов сведены в табл. В.1
Таблица В.1 – Значения размывов в сечении реки, м
| № точки |
|
| № точки |
|
| № точки |
|
| № точки |
|
|
| 1 | 1.66 | 1.74 | 12 | 7.15 | 7.51 | 23 | 11.11 | 11.67 | 34 | 12.15 | 12.76 |
| 2 | 1.66 | 1.74 | 13 | 7.49 | 7.86 | 24 | 12.78 | 13.42 | 35 | 12.12 | 12.73 |
| 3 | 1.18 | 1.24 | 14 | 8.06 | 8.46 | 25 | 12.81 | 13.45 | 36 | 11.75 | 12.34 |
| 4 | 1.1 | 1.16 | 15 | 8.72 | 9.16 | 26 | 13 | 13.65 | 37 | 11.65 | 12.23 |
| 5 | 1.37 | 1.44 | 16 | 8.79 | 9.23 | 27 | 13.38 | 14.05 | 38 | 10.84 | 11.38 |
| 6 | 1.61 | 1.69 | 17 | 9.26 | 9.72 | 28 | 13.68 | 14.36 | 39 | 10.9 | 11.45 |
| 7 | 4.76 | 5.00 | 18 | 9.38 | 9.85 | 29 | 13.49 | 14.16 | 40 | 11.18 | 11.74 |
| 8 | 5.21 | 5.47 | 19 | 9.38 | 9.85 | 30 | 12.89 | 13.53 | 41 | 10.88 | 11.42 |
| 9 | 5.71 | 6.00 | 20 | 9.63 | 10.11 | 31 | 12.84 | 13.48 | 42 | 10.53 | 11.06 |
| 10 | 6.21 | 6.52 | 21 | 9.52 | 10.00 | 32 | 12.52 | 13.15 | 43 | 10.21 | 10.72 |
| 11 | 6.79 | 7.13 | 22 | 10.25 | 10.76 | 33 | 12.29 | 12.90 | 44 | 10.11 | 10.62 |
| № точки |
|
| № точки |
|
| № точки |
|
| № точки |
|
|
| 45 | 10.06 | 10.56 | 58 | 8.39 | 8.81 | 71 | 5.82 | 6.11 | 84 | 1.71 | 1.80 |
| 46 | 9.57 | 10.05 | 59 | 8.87 | 9.31 | 72 | 2.35 | 2.47 | 85 | 2.11 | 2.22 |
| 47 | 9.57 | 10.05 | 60 | 9.42 | 9.89 | 73 | 2.21 | 2.32 | 86 | 2.69 | 2.82 |
| 48 | 9.21 | 9.67 | 61 | 9.82 | 10.31 | 74 | 1.95 | 2.05 | 87 | 2.63 | 2.76 |
| 49 | 8.79 | 9.23 | 62 | 9.91 | 10.41 | 75 | 2.59 | 2.72 | 88 | 2.37 | 2.49 |
| 50 | 8.21 | 8.62 | 63 | 10 | 10.50 | 76 | 2.59 | 2.72 | 89 | 3.21 | 3.37 |
| 51 | 7.72 | 8.11 | 64 | 10.08 | 10.58 | 77 | 1.76 | 1.85 | 90 | 2.8 | 2.94 |
| 52 | 7.72 | 8.11 | 65 | 9.92 | 10.42 | 78 | 1.61 | 1.69 | 91 | 2.08 | 2.18 |
| 53 | 10.53 | 11.06 | 66 | 9.75 | 10.24 | 79 | 1.71 | 1.80 | 92 | 1.21 | 1.27 |
| 54 | 7.65 | 8.03 | 67 | 9.67 | 10.15 | 80 | 1.74 | 1.83 | 93 | 1.21 | 1.27 |
| 55 | 7.71 | 8.10 | 68 | 10.21 | 10.72 | 81 | 1.76 | 1.85 | 94 | 1.48 | 1.55 |
| 56 | 8.11 | 8.52 | 69 | 9.1 | 9.56 | 82 | 2.16 | 2.27 | 95 | 1.48 | 1.55 |
| 57 | 8.21 | 8.62 | 70 | 7.65 | 8.03 | 83 | 1.71 | 1.80 |
Приложение В
Выбор пролетных строений и опор















