ВчУ (1039362), страница 6
Текст из файла (страница 6)
В очередном такте работы, УК выдаст в КШУ сигнал ПрС, по которому, при отсутствии сигнала Сб ЗУ триггер Т4 по СИС-1 устанавливается в «единичное» состояние (условия для срабатывания этого триггера были подготовлены триггером Т3 - единичное состояние). С прямого выхода триггера Т4 высокий уровень поступает через схему «ИЛИ» на вход К триггера Т3 и по СИС-4 устанавливает его в «нулевое» состояние. Если обращение на запись осуществлялось к ОР, то Т3 сбрасываются сигналом Пр.КОМ из устройства управления ВчУ.
Со второго (инверсного) выхода триггера сигнал ТрОбр-2 низкого уровня выдается по КШУ-1 в УК. В ответ на него УК выдает сигнал ВдС, который по СИ-4 устанавливает в «единичное» состояние триггер Т5.
Сигнал с выхода Т5 по следующему СИС-1 сбрасывает Т4 в «нулевое» состояние, сигнал ТрОбр-2 становиться равным единице, тем самым предотвращает повторное обращение к ЗУ.
На этом работа схемы в режиме записи заканчивается.
В общем случае работа схемы взаимодействия с ЗУ происходит следующим образом:
При любом обращении к памяти на запись или чтение, устройство управления ВчУ (УУ ВчУ) выдает сигнал Обр. Схема взаимодействия с ЗУ (Сх ВЗУ) постоянно производит анализ обращения (к ОР или к ЗУ) и формирует адрес блока ЗУ (АМ). Если обращение осуществляется к ЗУ, то по сигналу Обр схема взаимодействия с ЗУ (Сх ВЗУ) вырабатывает сигнал ТрОбр-1. В ответ УК выдает сигналы ВдА, управляющий выдачей адреса в магистраль адреса (МА) и завершающий формирование ТрОбр-1. Далее УК вырабатывает сигнал ПрС, сопровождающий число из магистрали чтения (МЧт) на ВР. Так происходит работа схемы взаимодействия с ЗУ (Сх ВЗУ) при считывании информации из внешней памяти.
При записи устройство управления ВчУ дополнительно к сигналу Обр выдает сигнал ПрЗп (признак записи информации). В ВчУ осуществляется только модифицированная запись, то есть сначала вся информация считывается из ячейки, а лишь затем производится запись в нее нужной информации. При записи информации во входной регистр (ВР) по сигналу ПрС в схеме взаимодействия с ЗУ формируется сигнал ТрОбр-2. В ответ УК выдает сигнал ВдС, по которому вновь сформированное слово передается в магистраль записи (МЗп) и завершается формирование сигнала ТрОбр-2.
3.8. Схема прерывания программ (Сх Пр).
Схема прерывания программ (Сх Пр) предназначена для:
-
приема и хранения заявок на внешние (по заявкам от абонентов), внутренние (от схем аппаратного контроля) и программные прерывания;
-
программного маскирования принятых заявок;
-
выработки сигнала Подм. АВР, управляющего прерыванием;
-
прерывания выполняемой программы и организации выполнения вклинивающейся подпрограммы, соответствующей сигналу, вызвавшему данное прерывание;
-
сброса заявок на прерывание по окончании их обслуживания.
В ВчУ выполнена одноуровневая система прерываний (то есть прерывание в прерывании не происходит) с линейным приоритетом обслуживания. Часть функций прерывания программ выполняются аппаратными, а часть программными средствами.
Схема прерывания программ (рис. 13) состоит из:
-
регистра заявок (РЗ);
-
регистра масок (РМ);
-
схемы сборки;
-
схемы формирования сигнала Подм.АВР;
-
схемы подмены адреса;
-
схемы поразрядного сравнения.
Р
ис. 13. Функциональная схема прерывания программ.
16-разрядный регистр заявок (РЗ) служит для приема и хранения запросов на прерывания. Собран РЗ на JК-триггерах. Канальные (внутренние и внешние) заявки синхронизируются (СИ-4) и поступают на единичные установочные входы соответствующих (согласно установленному приоритету) разрядов регистра. Для установки и исключения программных заявок на вход регистра заявок заведены 16…31-й разряды регистра РР1. Запись на РЗ управляется сигналами установки заявок (УЗ) и сигналами исключения заявок (ИЗ). Размещен регистр заявок в ТЭЗе ЛУС-0-032.
Регистр масок (РМ). В схеме прерывания программ предусмотрена возможность программно управлять (разрешать или запрещать) прерыванием от каких-либо запросов. Для этой цели существует специальный 16-разрядный регистр масок (РМ). Каждому разряду РЗ соответствует свой разряд РМ. На вход РМ заведены также разряды с 16 по 31-й первого регистра результата (РР1) для установки и исключения маски соответственно. Размещен РМ в ТЭЗе ЛУС-0-032.
Запись на РМ и РЗ осуществляется по СИ2 при наличие управляющих сигналов Упр.б РМ/РЗ, УЗ, ИЗ, УМ и ИМ. Данные сигналы формируются в дешифраторе кода записи (ТЭЗы ЛУС-2-060 и ЛУС-0-032) в командах загрузка оперативных регистров (ЗОР) при значениях кода конфигурации записи КфЗ = 001, 010, 011 и 100 соответственно.
Обобщенный управляющий сигнал Упр.б. РП/РЗ вырабатывается в ТЭЗе ЛУС-2-080 во всех командах загрузки регистров заявок и масок.
Схема поразрядного сравнения, размещенная в ТЭЗе ЛУС-0-032, выполняет поразрядную конъюнкцию каждого разряда РЗ с соответствующим ему разрядом РМ. Схема имеет 16 выходов (0…15р РМ/РЗ), которые заводятся в 3,4 байты ВР.
Схема сборки (ТЭЗ ЛУС-0-032) осуществляет поразрядное сравнение содержимого РЗ и РМ с последующим объединением незамаскированных заявок. При наличии хотя бы одной незамаскированной заявки на РЗ на выходе схемы сборки будет единичный сигнал.
Схема формирования сигнала необходимости авторазрыва, конструктивно выполненная в ТЭЗе ЛУС-0-032, вырабатывает сигнал Подм.АВР при наличии незамаскированных заявок на РЗ, если текущая команда не относится к классу команд, требующих индексирования следующей команды (ДШЗ, ИЗА, ЗНПИ) и команд выполняемого перехода.
Работа схемы прерывания происходит следующим образом. Сигнал заявки на прерывание принимается на регистр заявок. При наличии единицы в соответствующем разряде регистра масок сигнал заявки поступает со схемы сборки на вход схемы формирования сигнала подмены при авторазрыве. Если команды, выполняемые в данный момент, не являются командами ДШЗ, ИЗА, ЗНПИ и выполняемого перехода, то сигнал подмены вызывает подмену адреса следующей команды на адрес команды ЭКСТРАКОД (ЭК), являющейся начальным адресом подпрограммы анализа авторазрыва. Факт осуществления прерывания фиксируется в 7-ом разряде ССП, который сбрасывает сигнал Подм. АВР, а схему выработки этого сигнала устанавливает в заблокированное состояние, предотвращая тем самым возможность прерывания в прерывании.
Команда ЭКСТРАКОД (ЭК), вызванная к исполнению, запоминает по адресу А1 прерванное словосостояние процессора и передает управление команде ДШЗ, размещенной по второму адресу (А2). Команда ДШЗ определяет номер самой старшей заявки и по следующей за ней команде БПЯ управление передается на начальный адрес программы обслуживающей данную заявку. По окончании выполнения вклинивающейся программы на РЗ сбрасывается заявка, вызвавшая прерывание команды ИЗ, и управление передается по ячейке, в которую было записано прерванное словосостояние. В 7-ом разряде этой ячейки записана единица и при восстановлении регистра словосостояния процессора схема прерывания программ разблокируется.
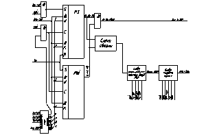
3.9. Схема взаимодействия с ПОУ (Сх ВПОУ).
Схема взаимодействия с ПОУ (Сх ВПОУ) (рис. 14) предназначена для:
-
приема информации с ПОУ и передачи ее в СВ;
-
формирования управляющих импульсов;
-
и
ндикации состояния основных регистров ВчУ.
Рис. 14. Схема взаимодействия с ПОУ.
Для решения возложенных на нее задач в состав схемы взаимодействия с ПОУ входят:
-
схема приема информации;
-
схема формирования контрольных разрядов;
-
схема сравнения и анализа;
-
схема формирования управляющих импульсов;
-
схема управления индикацией.
Схема приема информации производит прием информации от ПОУ через 52 RС-цепочки и инверторы на микросхемах 1ЛБ333.
RС-цепочки используются для сглаживания пульсаций сигналов, поступающих с ПОУ.
Инверторы предназначены для получения сигналов заданной полярности. Высокий уровень потенциалов, поступающих с ПОУ, соответствует нажатому положению клавиши, низкий уровень - отжатому положению клавиши. Часть потенциалов, пройдя RC-цепочки и инверторы, поступает в различные схемы и узлы ВчУ.
К ним относятся:
-
потенциалы 32-разрядного клавишного регистра ИНФОРМАЦИОННОЕ ПОЛЕ;
-
потенциалы 4-разрядного клавишного регистра АДРЕС ОР, - поступающие на РР1;
-
потенциал клавиша ОСТ, называемый ОСТ-1, - поступающий в УУ ВчУ и осуществляющий останов ВчУ;
-
потенциал клавиша НУ, - производящий установку в исходное состояние основных регистров устройств СВ, и поступающий на ВР, ССП, РР1, Схему прерывания программ, в УУ ВчУ;
-
потенциал клавиша АВТОМ, - поступающий в УУ ВчУ.
Потенциалы 32-разрядного клавишного регистра ИНФОРМАЦИОННОЕ ПОЛЕ поступают на вход оперативных регистров ВчУ и на схему формирования контрольных разрядов.
Кроме того, 2, 3, и 4 байты клавишного регистра ИНФОРМАЦИОННОЕ ПОЛЕ поступают на регистр ССП для занесения адреса пуска программы.
12…31 разряды этого регистра поступают на схему сравнения и анализа для формирования останова или авторазрыва по заданному номеру команды, по чтению из заданной ячейки или по записи в заданную ячейку.
Высокий уровень вышеперечисленных потенциалов (кроме потенциала АВТОМ) соответствует нажатому положению клавиши, низкий уровень - отжатому положению клавиши.
Потенциал клавиша АВТОМ поступает в УУ ВчУ и обеспечивает автоматический или однокомандный режим работы ВчУ. Высокий уровень потенциала соответствует нажатому положению клавиши, низкий - отжатому.
Остальные потенциалы поступают на схему управления индикацией.
Схема формирования контрольных разрядов состоит из четырех схем сверток по mod2 на 8 разрядов каждая. Контрольные разряды с выхода схем сверток поступают вместе с информационными разрядами в ВчУ на ОР, РР1, ССП.
С помощью клавиш под общей гравировкой ОСТАНОВ, расположенных на ПОУ, можно производить останов или прерывание программы СВ по одному из следующих условий:
-
по номеру команды (ПО КОМАН);
-
по заданному адресу ячейки при считывании информации (ЧИС СЧТ);
-
по заданному адресу ячейки при записи информации (ЧИС ЗАП).
Сигнал, обеспечивающий прерывание программы, называется авторазрыв - АВР.
Схема сравнения и анализа предназначена для формирования сигналов АВР и ОСТ-2.
С ПОУ на схему сравнения поступают 12…31-й разряды клавишного регистра ИНФОРМАЦИОННОЕ ПОЛЕ. В 12…15-м разрядах этого регистра содержится информация о блоке ЗУ (адрес блока), а в 16…31-м разрядах содержится информация о номере команды, на которой необходимо остановиться (в случае останова или авторазрыва по номеру команды) или же адрес ячейки (в случае останова или авторазрыва по чтению ячейки или записи в ячейку).
Останов или авторазрыв по чтению из ячейки или записи в нее осуществляется в том случае, когда необходимо узнать, какая информация находится в ячейке с заданным адресом.
Информация, поступающая с ПОУ на схему сравнения сравнивается с 16…31 разрядами РР1, в которых содержится номер выполняемой команды, и с 4-разрядным адресом блока ЗУ. При совпадении информации срабатывает схема сравнения, и результат сравнения поступает на две микросхемы 133ЛА6. При наличии всех сигналов на входе одной из схем вырабатывается потенциал ОСТ-2 или АВР.
Схема анализа определяет условия, по которым происходит останов или авторазрыв (по номеру команды, по чтению из ячейки, по записи в ячейку).
Схема формирования управляющих импульсов предназначена для выработки управляющих сигналов 9АВР, ОСТ-2, ЗАП ССП, ТР ОПЕР, ЗАП ОР, ПУСК), к которым предъявляются жесткие требования по синхронизации.
Схема управления индикацией предназначена для управления 36 индикаторными лампочками СМН-6,3-20 на ПОУ. Из ВчУ на схему управления индикацией поступает 36-разрядная информация с ОР, ВР, 16-разрядная информация с РР1, 8-разрядная информация с РР2 и первый байт ССП.
Со схемы приема информации поступают три потенциала: ИНДИК ОР, ИНДИК ВР, ИНДИК РР, которые являются управляющими сигналами для индикации информации, поступающей из ВчУ. В положении переключателя индикации ВР - в поле ИНДИКАЦИЯ отображается содержимое 36-разрядного регистра ВР. В положении переключателя индикации ОР - в поле ИНДИКАЦИЯ отображается содержимое любого из 16-ти 36-разрядный оперативных регистров, адрес которого задан клавишами АДРЕС ОР. В положении переключателя индикации РР - в поле ИНДИКАЦИЯ отображается:
-
в первом байте - содержимое первого байта регистра ССП,
-
во втором байте - содержимое РР2, а
-
в третьем и четвертом байтах - содержимое РР1.
Все сигналы со схемы управления индикацией поступают на ПОУ.
















