ПОУ (1039365)
Текст из файла
1. Назначение и состав ПОУ СВ.
ПОУ СВ предназначен для ручного управления работой СВ при выполнении рабочих и тестовых программ, контроля за ходом выполнения программ при наладке аппаратуры и программ и оценки технического состояния СВ, а также для оперативного вмешательства в работу программ СВ при решении рабочих задач.
ПОУ СВ позволяет обеспечить:
-
установку в исходное состояние регистров ВчУ и УО, занесение на регистр словосостояния процессора (ССП) начального адреса программы, пуск и останов ВчУ;
-
выполнение программ ВчУ в автоматическом и покомандном режимах;
-
управление остановом или прерыванием программ по условиям, набираемым на ПОУ (по заданному номеру команды, по записи в заданную ячейку ОЗУ или считыванию из заданной ячейки памяти);
-
загрузку оперативных регистров ВчУ информацией, набранной на клавишах ИНФОРМАЦИОННОГО ПОЛЯ, с использованием адресации ОР либо в форматах команд программы, либо с использованием клавишного регистра АДРЕС ОР;
-
выработку одиночного сигнала по требованию оператора, который может использоваться для прерывания рабочих программ;
-
индикацию состояния основных регистров ВчУ.
По функциональному назначению органы управления и индикации ПОУ СВ можно разделить на:
-
клавишные регистры ИНФОРМАЦИОННОЕ ПОЛЕ и АДРЕС ОР;
-
управление индикацией и поле лампочек ИНДИКАЦИЯ;
-
отдельные клавиши оперативного управления;
-
релейная схема управления выработкой сигналов НУ (начальная установка) и ПУСК.
2. Органы индикации и оперативного управления ПОУ СВ.
2.1. Регистры информационного поля.
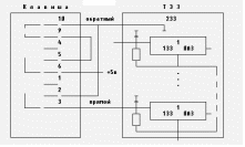
ПОУ СВ электрически связан с блоком ВчУ-1 элементами, воспринимающими изменения положений органов управления на ПОУ. Входами этих элементов в ВчУ-1 являются выводы микросхем 133-й серии, расположенные в двух ТЭЗах ЛУС-233. К каждому из этих входов через высокоомный резистор подается напряжение +5 В, питающее схему ТЭЗа. Каждый функциональный вход ТЭЗа связан с ПОУ двумя проводами, которые называются прямым и обратным: прямой провод соединяется непосредственно со входом микросхемы, а обратный - с шиной ЗЕМЛЯ данного ТЭЗа.
В ПОУ СВ прямой и обратный провода подаются на контакты клавиш или реле, обеспечивающих либо короткое замыкание между прямым и обратным проводом, либо их размыкание. Некоторые обратные провода соединяются в ПОУ вместе и управляются специальной схемой, определяющей режим работы ПОУ СВ.
Клавишный регистр ИНФОРМАЦИОННОЕ ПОЛЕ состоит из 32 автономных клавишей, а регистр АДРЕС ОР - из четырех. При нажатии любой клавиши происходит замыкание магнитоуправляемыми контактами цепей прямого и обратного проводов; другая пара контактов обеспечивает подключение лампочки индикации клавиши к цепи питания +5 В (соответствует состоянию клавиши «1») и лампочка загорается. В регистрах используются клавиши с фиксацией положения. Для изменения положения необходимо повторное нажатие.
Рис. 1. Подключение клавишей ПОУ СВ к ТЭЗам ВчУ-1.
2.2. Средства и органы управления индикацией.
Для управления индикацией служит переключатель, обеспечивающий замыкание соответствующих пар прямых и обратных проводов в трех положениях: ОР, ВР и РР. В положении ОР обеспечивается подключение к схеме индикации выходов оперативных регистров ВчУ, в положении ВР - выходов входного регистра ВчУ и в положении РР - выходов старшего байта ССП (первый байт индикации), регистра результата РР2 (второй байт индикации) и регистра результата РР1 (третий и четвертый байты индикации).
Рис. 2. Содержание регистров индикации.
В положении переключателя ОТКЛ все пары прямых и обратных проводов отключены. Поле ИНДИКАЦИЯ состоит из 36 лампочек, которые через соответствующие цепи подключаются к схеме индикации ВчУ.
2.3. Органы оперативного управления.
В группу органов оперативного управления входят клавишные переключатели:
-
АВТОМ;
-
под общей гравировкой ОСТАНОВ:
-
ЧИС ЗАП (останов по записи числа);
-
ЧИС СЧТ (останов по считыванию числа);
-
ПО КОМ (останов по команде);
-
АВР (авторазрыв);
-
ОСТ;
-
ЗАП ОР (запись в ОР);
-
ЗАП ССП (занесение ССП);
-
ТР (требование оператора).
Обратные провода этих цепей, а также цепей НУ и ПУСК объединены. К этой же группе следует частично отнести и переключатель, управляющий режимом работы ПОУ. Переключатель режима работы ПОУ при поданном напряжении питания -12 В управляет работой реле Р1, Р7 и Р9:
-
в положении переключателя ПОУ эти реле находятся под током,
-
в положении ОТКЛ - обесточены.
Через нормально замкнутые контакты реле Р7 потенциал обратного провода цепи АВТОМ подан к контакту 2, соответствующего клавишного переключателя, обеспечивая таким образом, либо подключение его к прямому проводу (клавиша АВТОМ нажата), либо отключение (клавиша АВТОМ отжата).
Если реле Р7 обесточено, то потенциал цепи обратного провода АВТОМ через контакты реле подан непосредственно в цепь прямого провода, независимо от положения клавиша АВТОМ.
Через нормально замкнутые контакты реле Р9 потенциал цепи обратного провода подан на переключатели клавиш ТР, ОСТ, ЗАП ОР, ЗАП ССП, а также на одну из пар контактов переключателя клавиши ПУСК.
При включенном переключателе ПОУ нажатие клавиша ОСТ вызывает замыкание цепей прямого и обратного проводов. При отключенном переключателе эти цепи не замыкаются независимо от положения клавиша ОСТ.
Рис. 3. Подключение органов оперативного управления ПОУ СВ к релейным схемам ВчУ-1.
2.4. Клавиши НУ и ПУСК.
В зависимости от положения тумблера ПОУ-ОТКЛ и момента включения питания различают 4 случая формирования сигналов НУ и ПУСК:
-
тумблер ПОУ-ОТКЛ находится в положении ПОУ и производится подача напряжения питания. В этом случае сигнал НУ формируется автоматически, а сигнал ПУСК после нажатия одноименной клавиши;
-
тумблер ПОУ-ОТКЛ находится в положении ПОУ и напряжение питания установилось. Для пуска СВ надо нажать вначале клавишу НУ, а затем ПУСК;
-
тумблер ПОУ-ОТКЛ находится в положении ОТКЛ и производится подача напряжения питания на СВ. В этом случае сигналы НУ и ПУСК формируются автоматически.
-
тумблер ПОУ-ОТКЛ находится в положении ОТКЛ и напряжение питания установилось. Для пуска СВ необходимо нажать только клавишу ПУСК. После ее отжатия автоматически формируются вначале сигнал НУ, а затем ПУСК.
3. Режимы и порядок работы ПОУ СВ.
Выполнение программ на СВ может производиться в автоматическом и покомандном режимах. Для установки автоматического режима необходимо клавишный переключатель АВТОМ - нажать, для покомандного - отжать. При этом переключатель ПОУ-ОТКЛ должен находиться в положении ПОУ. При установке переключателя ПОУ-ОТКЛ в положение ОТКЛ, независимо от состояния клавиши АВТОМ, устанавливается автоматический режим функционирования СВ.
В автоматическом режиме запущенная программа исполняется до появления в программе команды ОСТАНОВ или до тех пор, пока оператор не нажмет клавиши ОСТ или НУ.
При покомандном режиме нажатие клавиша ПУСК вызывает исполнение только одной команды программы ВчУ. Работа УО от состояния клавиши АВТОМ не зависит и всегда происходит в автоматическом режиме.
На рис. 4 показаны органы управления и индикации ПОУ СВ (слайд).
3.1. Пуск программ.
Пуск программы может осуществляться несколькими способами.
В режиме ПОУ ОТКЛ при подаче на изделие питания программа запускается автоматически с адреса /100000/8.
Если напряжение питания уже подано на изделие и переключатель ПОУ-ОТКЛ находится в положении ОТКЛ, то пуск программы осуществляется нажатием клавиши ПУСК. При этом программа запускается с адреса /100000/8.
Пуск программы при установлении переключателя ПОУ-ОТКЛ в положение ПОУ осуществляется только с адреса, заданного с клавиш ИНФОРМАЦИОННОЕ ПОЛЕ или с текущего адреса программы.
Пуск с заданного оператором адреса осуществляется следующим образом: клавиш АВТОМ устанавливается в нажатое состояние, если программа будет запускаться в автоматическом режиме, и в отжатое - для покомандного режима; клавиши ОСТАНОВ ПО КОМ, ОСТАНОВ ЧИС СЧТ, ОСТАНОВ ЧИС ЗАП, АВР устанавливаются в отжатое состояние. Набрать на клавишах ИНФОРМАЦИОННОЕ ПОЛЕ адрес первой команды программы (набирается в двух младших байтах - 3 и 4-м. 2-й байт должен быть установлен в нулевое состояние, значение 1-го байта безразлично). Нажимаются последовательно клавиши НУ, ЗАП ССП и ПУСК. В покомандном режиме для исполнения очередной команды программы необходимо нажать клавиш ПУСК. При этом исполняемую команду можно наблюдать на лампочках ИНДИКАЦИЯ, если переключатель индикации установлен в положение ВР.
3.2. Загрузка оперативных регистров.
Загрузка оперативных регистров с ПОУ СВ и контроль их содержимого осуществляется с помощью переключателя индикации, клавиш АДРЕС ОР, ЗАП ОР, ИНФОРМАЦИОННОЕ ПОЛЕ. При этом программа должна быть остановлена, а переключатель ПОУ-ОТКЛ установлен в положение ПОУ.
Для записи команды или числа в ОР, что часто необходимо проводить при поиске неисправностей, установить переключатель индикации в любое положение, кроме ОР (например, ВР). На клавишах ИНФОРМАЦИОННОЕ ПОЛЕ набирается необходимая информация, которая задается в формате команд или чисел. В формате команд информация кодируется в разрядной сетке следующим образом:
| 0, 1 | - старшая триада (неполная) КОП; |
| 2…4 | - младшая триада КОП; |
| 5…7 | - код конфигурации числа (КФЧ); |
| 8…10 | - код индексирования (И); |
| 11, 12 | - старшая триада (неполная) адреса ОР; |
| 13…15 | - младшая триада адреса ОР; |
| 16 | - старший разряд адреса ЗУ; |
| 17…19 | - вторая триада адреса ЗУ; |
| 20…22 | - третья триада адреса ЗУ; |
| 23…25 | - четвертая триада адреса ЗУ; |
| 26…28 | - пятая триада адреса ЗУ; |
| 29…31 | - шестая триада адреса ЗУ. |
В формате чисел информация кодируется, как два 2-байтовых слова (0…15-й разряды и 16…31-й разряды), причем 0-й и 16-й разряды записываются как неполная (одноразрядная) триада, а остальные разряды группируются слева направо в полные восьмеричные триады.
На клавишах АДРЕС ОР набирается номер оперативного регистра, в который производится запись. Запись производится только в 4 байта избранного ОР. Номер ОР кодируется двумя восьмеричными символами: клавиша 0 - старший разряд номера (вес разряда 8), клавиш 1…3 - младшая триада номера. В программах изделия адресация может производиться до полуслова, при этом адрес ОР пятиразрядный, так как имеется 32 16-разрядных оперативных регистра. Причем младший разряд адреса определяет номер полуслова (0 - старшее полуслово, 1 - младшее). При наборе адреса ОР с ПОУ СВ используются только 4 разряда. Таким образом, обращение производится к полному слову, т.е. фактически сразу к двум оперативным регистрам, это могут быть 0-й и 1-й, 2-й и 3-й и так далее до 30-го и 31-го. Следовательно, адрес, набираемый на клавишах АДРЕС ОР, всегда в два раза меньше. Например, если следует обратиться к 31-му оперативному регистру (31 в десятичной системе счисления), то АДРЕС ОР имеет значение 15 в двоичном коде (1111) и набирается не по тетрадам, а информация содержится в младшем полуслове, так как по адресу 15 (1111) обращение идет одновременно к 30-му и к 31-му оперативным регистрам. При этом старшее полуслово отражает содержимое 30-го оперативного регистра, а младшее полуслово 31-го, в эксплуатационной документации адрес ОР указывается в восьмеричном коде и, если необходимо обратиться к 34-му (в восьмеричном коде) оперативному регистру, то 34 следует перевести в десятичную систему, что соответствует 28-му оперативному регистру, разделить на 2 и набрать 14 в двоичном коде. Если использовать при наборе восьмеричную систему, то есть набор по тетрадам, то 14 необходимо перевести в восьмеричную систему и набрать число 16.
Для упрощения этих преобразований можно просто перевести адрес ОР, указанный в восьмеричном коде, в двоичный код. Затем отбросить младший разряд и оставшийся код набрать на клавишах АДРЕС ОР. При этом информация четного ОР будет в старшем полуслове, а младшее полуслово укажет содержимое младшего ОР.
После набора информации на клавишах ИНФОРМАЦИОННОЕ ПОЛЕ и адреса на клавишах АДРЕС ОР нажимается клавиш ЗАП ОР. Для контроля правильности записи информации необходимо перевести переключатель индикации в положение ОР и сравнить информацию, набранную на клавишах ИНФОРМАЦИОННОЕ ПОЛЕ с информацией индицируемой на лампочках ИНДИКАЦИЯ.
Для контроля содержимого оперативных регистров необходимо установить переключатель индикации в положение ОР, набрать на клавишах АДРЕС ОР номер необходимого ОР и нажать клавиш ЗАП ОР. На лампочках ИНДИКАЦИЯ индицируется вызванная информация.
3.3. Контроль содержимого ячеек памяти ЗУ.
Остановить программу, установить клавишу АВТОМ в отжатое состояние, а переключатель ПОУ-ОТКЛ в положение ПОУ. На клавишах ИНФОРМАЦИОННОЕ ПОЛЕ набрать адрес интересующей ячейки (2…4-й байты). Следует помнить, что «1» в 16 разряде означает обращение к ДЗУ, а «0» - к ОЗУ. Установить переключатель индикация в положение ВР и нажать последовательно клавиши НУ, ЗАП ССП и ПУСК. НА ЛАМПОЧКАХ индикация будет индицироваться содержимое заданной ячейки.
3.4. Запись информации в ячейки памяти блока ЗУ-02.
Характеристики
Тип файла документ
Документы такого типа открываются такими программами, как Microsoft Office Word на компьютерах Windows, Apple Pages на компьютерах Mac, Open Office - бесплатная альтернатива на различных платформах, в том числе Linux. Наиболее простым и современным решением будут Google документы, так как открываются онлайн без скачивания прямо в браузере на любой платформе. Существуют российские качественные аналоги, например от Яндекса.
Будьте внимательны на мобильных устройствах, так как там используются упрощённый функционал даже в официальном приложении от Microsoft, поэтому для просмотра скачивайте PDF-версию. А если нужно редактировать файл, то используйте оригинальный файл.
Файлы такого типа обычно разбиты на страницы, а текст может быть форматированным (жирный, курсив, выбор шрифта, таблицы и т.п.), а также в него можно добавлять изображения. Формат идеально подходит для рефератов, докладов и РПЗ курсовых проектов, которые необходимо распечатать. Кстати перед печатью также сохраняйте файл в PDF, так как принтер может начудить со шрифтами.
















