ЦВУ (1039360)
Текст из файла
-
Назначение и состав ЦВУ
Цифровое вычислительное устройство (ЦВУ) рабочего места предназначено для:
- формирования управляющих сигналов разверток для БИО и БИВ;
- пересчета координат из абсолютной системы в относительную и наоборот;
- генерирования знаковой информации (при условии вхождения генератора знаков в состав ЦВУ);
- формирования импульсов подсвета вторичной информации;
- осуществления временной синхронизации и программного управления отображением и обменом информацией;
- формирования управляющих и служебных сигналов;
- приема и выдачи информации РМ.
ЦВУ состоит из:
-
схемы управления и программ;
-
вычислительного узла (ВчУ);
-
узла формирования отображаемой информации (УФОИ).
-
генератора знаков (РМ 8–18).
Рисунок 1 – Состав ЦВУ
2. Схема управления и программ
Весь цикл работы ЦВУ по времени разделен на четыре программы (П1, П2, П3, П4), каждая из которых содержит до четырех подпрограмм и определенное количество команд.
Схема управления и программ конструктивно размещена в шести ТЭЗах.
ЛУС-2-162 – формирователь программ рабочего места предназначен для:
- генерирования программ и подпрограмм;
- формирования заявок;
- исполнения программы выдачи (П2) из РМ;
- выработки сигналов останова по коду программы или подпрограммы.
ЛУС-2-099 – формирователь команд и управляющих сигналов предназначен для формирования команд и управляющих сигналов вычислителя. Генерирует в соответствии с программой и подпрограммой необходимое количество команд, организует циклы сдвига информации, запись ее и опрос регистров.
ЛУС-2-143 – формирователь сигналов управления отображением информации и сигналов подсвета. Осуществляет привязку сигналов ИЗ и ИКД к тактам синхроимпульсов С1,С3,С5,С7.
ЛУС-2-168 – формирователь масштабов по дальности. Предназначен для:
- формирования масштабов по дальности;
- осуществления временной селекции развертки;
- формирования различных видов линий;
- формирования импульсов записи координат в регистры преобразователя координат.
ЛУС-2-187 – имитатор. Осуществляет формирование и коммутацию имитированных сигналов.
3. Вычислительный узел
3.1. Назначение и состав ВчУ
Вычислительный узел (ВчУ) предназначен для:
- подготовки информации для формирования развертки на экранах индикаторов РМ;
- подготовки необходимой информации о режиме работы РМ и о координатах маркера оператора (МО) для выдачи в ЭВМ;
- пересчета координат экстраполяционных точек из полярных координат "ДАЛЬНОСТЬ – АЗИМУТ" в прямоугольные координаты Х, У для режима КР (круговая развертка);
- пересчета координат экстраполяционных точек (ЭТ), машинного маркера (ММ) и вектора из абсолютной системы координат в относительную и анализа попадания координат отображаемых точек в сектор отображения;
- подготовки вторичной информации для отображения ее на экранах индикаторов РМ;
- прием начальных условий РМ от внешних источников;
- выработки меток азимута – МА (5 и 30) и меток дальности- МД (10 км и 50 км);
- кодирования знаковой информации цифровой шкалы и отображения ее на экране;
- формирования начальных условий лупы (Х-НУЛ, У-НУЛ) для блока индикатора вспомогательного (БИВ);
- генерирования знаковых формуляров (для РМ-8...РМ-18).
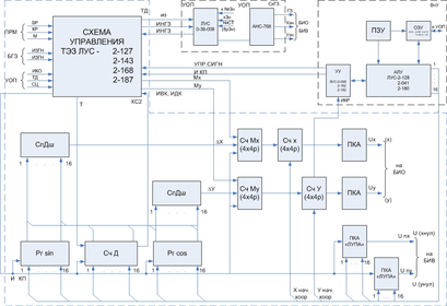
Функциональная схема вычислительного узла включает:
-
три коммутатора, с шести направлений каждый;
-
трехвходовый комбинационный сумматор;
-
комбинационный сдвигатель и регистр масштаба;
-
регистр памяти функций sin1 и sin2;
-
дешифратор функций sin1 и sin2;
-
приемный сдвиговый регистр (ПСР);
-
сдвиговый регистр произведения (СРП);
-
сдвиговый регистр выдачи(СРВ);
-
усилитель - согласователь для блока УОП;
-
регистр хранения экстрополированых координат (Рг Хэт, Рг Уэт);
-
счетчики координат Х и У (Сч Х, Сч У);
-
регистр памяти начала сектора (Рг Хнс, Рг Унс);
-
счетчики координат маркера оператора (Сч Хмо, Сч Умо);
-
счетчик азимута 1;
-
счетчик текущего азимута 2;
-
преобразователь угла наклона вектора (Рг Sin, Рг Cos).
Рисунок 2 – Функциональная схема ВчУ
3.2. Принцип работы вычислительного узла
В соответствии с программами РМ информация, подлежащая обработке, под действием управляющих сигналов через коммутаторы поступает на входы комбинационного сумматора. Комбинационный сумматор по программе производит арифметические операции над принятой информацией. С сумматора координатная информация под действием управляющих сигналов поступает на комбинационный сдвигатель, где происходит умножение информации на выбранный масштаб отображения информации.
С комбинационного сдвигателя информация записывается в соответствующие собственные регистры и через усилитель – согласователь выдается в УОП.
Для решения задач экстраполяции, преобразования и пересчета координат используются значения функции синуса, которые рассчитываются интерполяционным методом по коду угла . Значения функций sin1 и sin2 после дешифрации в двоичном коде поступает в блок УОП и на коммутаторы.
Код координат вектора курса поступает на преобразователь угла наклона вектора, где происходит формирование импульсов, количество которых пропорционально текущему значению синуса и косинуса угла наклона вектора.
В регистр начала сектора записывается информация о начале сектора укрупнения информации, которая через узел формирования отображаемой информации и блок УОП поступает на БИО.
Код координат маркера оператора с КМШ записывается в счетчик маркера оператора и выдается в БИО, а также в спецвычислитель отображения.
4. Узел формирования отображаемой информации (УФОИ)
4.1. Назначение УФОИ
УФОИ предназначен для распределения во времени и выработки сигналов управления отображения на экране ЭЛТ информации, поступающей с вычислительного узла (ВчУ) ЦВУ.
УФОИ вырабатывает:
- напряжения отклонения и подсвета маркера оператора (МО) и машинного маркера (ММ);
- напряжения отклонения и подсвета координатных точек;
- напряжения развертки и подсвета всех типов линий;
- напряжения установки начальных условий режима "Лупа".
Для отображения информации из ВчУ в соответствии с сигналами управления поступают пять шестнадцатиразрядных слов с сигналами записи, которые содержат:
-
коды начальной установки координатной точки Хнач, Унач;
-
коды направления формирования вектора Sin и Cos;
-
код длины (R) формируемой на экране ЭЛТ линии;
-
код начальной установки режима "Лупа".
Одновременно с пятисловным сообщением с ВчУ поступают сигналы "Запись", обеспечивающие запись информации на соответствующие регистры, и другие управляющие сигналы.
4.2. Состав УФОИ
В состав УФОИ входят следующие элементы:
1. Устройство формирования координатных отклоняющих напряжений (Ux, Uy) для БИО и БИВ.
2. Устройство формирования напряжений начальных условий лупы (Ux-НУЛ, Uy-НУЛ) для БИВ.
3. Устройство управления.
4. Генератор знаков (для РМ-8...РМ-18).
Рисунок 2 – Функциональная схема УФОИ
Устройство формирования координатных отклоняющих напряжений (Ux, Uy) обеспечивает отклонение луча на экране БИО и БИВ и включает в свой состав:
-
счетчик дальности (Сч Д);
-
регистры синуса и косинуса направления формируемого вектора (Рг sin и Рг cos);
-
специализированные дешифраторы (Сп Дш) кодов sin и сos;
-
счетчики масштаба по координатам Х и У (Сч Mх, Сч Му);
-
счетчики составляющей координат Х и У (Сч Х, Сч У);
-
два регистра преобразователей "Код-аналог" координатных;
-
два преобразователя "Код-аналог" координатных (ПКА).
Устройство формирования напряжений начальных условий лупы обеспечивает работу БИВ в режиме "Лупа" и включает в свой состав:
-
два регистра преобразователей "Код-аналог" начальных условий лупы;
-
два преобразователя "Код-аналог" начальных условий лупы (ПКА "Лупа").
Устройство управления предназначено для управления процессом отображения информации и формирования импульсов подсвета точек, маркера и линий. Оно включает в свой состав ТЭЗы:
ЛУС-2-127;
ЛУС-2-168;
ЛУС-2-187;
ЛУС-2-143.
Генератор знаков (ГЗ) обеспечивает формирование сигналов и группирование их в формуляры на экранах БИО и БИВ.
В общем виде информационную часть узла формирования отображения можно представить как узел формирования вектора по данным, поступающим из вычислительного узла (ВчУ).
Для формирования вектора из заданной точки в указанном направлении и необходимой длины, информация с вычислительного узла (ВчУ) записывается:
- в счетчики Х и Y (Сч Х, Сч У) - коды начальной точки вектора;
- в регистры синуса и косинуса (Рг sin, Рг cos) – коды направления вектора;
- в счетчик дальности (Сч Д) - код длины вектора.
4.3. Прием информации и формирование координатных напряжений
Информация, необходимая для формирования координатных напряжений, в ходе выполнения программы П4, поступает на обработку в УФОИ из ВчУ 16-ти разрядным кодом и сопровождается сигналами записи. В общем случае информационную долю УФОИ можно представить как узел формирования вектора по данным, поступающим с ВчУ. При наличие соответствующих сигналов записи коды Хнач.коор и Унач.коор поступают на СчХ и СчУ, sin и cos – на Рг sin и Рг cos, а обратный код длины линии (размера) R - на счетчик дальности (Сч Д).
Устройство управления управляет процессом формирования координат.
После выполнения программы П4, т. е. после окончания выдачи исходных данных для формирования вектора, с ВчУ поступает импульс конца пересчета (ИКП). Этот импульс является разрешающим для начала работы УФОИ. По импульсу конца пересчета (ИКП) схемой управления начинают вырабатываться синхроимпульсы (СИ) с тактовой частотой (Т), поступающие на счетчик дальности и начинается счет. Импульсы со счетчика дальности поступают на специальный дешифратор. В результате работы счетчика по текущим данным кодов синуса и косинуса на выходе дешифратора формируется строго пропорциональное этим кодам количество импульсов.
При этом в счетчик дальности записывается в обратном коде величина длины вектора.
Эти синхроимпульсы разрешают также запись координат начала линии (вектора) (Х нач.коор, У нач.коор) со счетчиков Сч X и Сч Y на соответствующие регистры преобразователей "Код-аналог". Состояние счетчиков при этом не изменяется. Регистры ПКА (Х) и ПКА (У) предназначены для хранения и преобразования информации, поступающей на ПКА.
Младшие разряды кода координат (1...9р) принимаются на регистры и выдаются с них без изменений. Старшие разряды кода координат (10...12р) на регистрах ПКА преобразуются из двоичного кода в унитарный.
Принцип преобразования из двоичного кода в унитарный приведен в таблице 1.
Таблица 1
Принцип преобразования двоичного кода в унитарный
Двоичный код Унитарный код
12р 11р 10р 10р 11р 12р 13р 14р 15р 16р
0 0 0 0 0 0 0 0 0 0
Характеристики
Тип файла документ
Документы такого типа открываются такими программами, как Microsoft Office Word на компьютерах Windows, Apple Pages на компьютерах Mac, Open Office - бесплатная альтернатива на различных платформах, в том числе Linux. Наиболее простым и современным решением будут Google документы, так как открываются онлайн без скачивания прямо в браузере на любой платформе. Существуют российские качественные аналоги, например от Яндекса.
Будьте внимательны на мобильных устройствах, так как там используются упрощённый функционал даже в официальном приложении от Microsoft, поэтому для просмотра скачивайте PDF-версию. А если нужно редактировать файл, то используйте оригинальный файл.
Файлы такого типа обычно разбиты на страницы, а текст может быть форматированным (жирный, курсив, выбор шрифта, таблицы и т.п.), а также в него можно добавлять изображения. Формат идеально подходит для рефератов, докладов и РПЗ курсовых проектов, которые необходимо распечатать. Кстати перед печатью также сохраняйте файл в PDF, так как принтер может начудить со шрифтами.
















