ВчУ (1039362), страница 5
Текст из файла (страница 5)
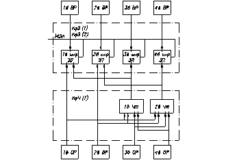
Чтение информации из ОР обеспечивает выходной коммутатор.
Выходной коммутатор представляет собой четыре однобайтовые сборки (ИЛИ), на которые поступает информация с 1 по 4-й байт от 16-ти ОР. Селектирование информации, проходящей от ОР через коммутатор, осуществляется сигналами, вырабатываемыми дешифратором адреса ОР (ДшА ОР 16 вых), на вход которого поступают разряды адреса ОР с главного регистра адреса (ГРА).
При записи информации в ОР участвуют следующие узлы:
-
входной коммутатор;
-
регистр адреса (БРА и ГРА);
-
схема выработки сигналов записи (Зп 1б…3п 4б), расположенная в схеме управления записью в ОР (Сх УОР).
Входной коммутатор представляет собой четыре однобайтовые сборки (ИЛИ) приема информации с десяти направлений. Клапанирование приема информации осуществляется сигналами записи ОР (Зп 1б…3п 4б), поступающими со Сх УОР. Информация на входной коммутатор поступает с ВР, ССП, ПОУ, РР1, РР2, РР3, номера процессора, 1,2 б ОР (для пересылки в 3,4 б ОР).
Запись из запоминающего устройства в ОР осуществляется с конфигурацией. Конфигурирование при записи осуществляется Сх УОР, которая вырабатывает соответствующие сигналы передачи информации с ВР на ОР.
При выработке этих управляющих сигналов участвует код конфигурации кода команды, признак ВР и признак полуслова. Сх УОР вырабатывает 16 управляющих сигналов, которые управляют записью заданного байта ВР в заданный байт ОР.
Запись информации в ОР с ПОУ, ССП, РР1, РР2, РР3, номера процессора, 1,2 б ОР на место 3,4 б ОР осуществляется без конфигурации. Сигналы управления записью информации в данном случае вырабатывает также Сх УОР, используя при этом признаки со схемы управления ВчУ и признак полуслова. Сх УОР вырабатывает также сигналы 3п 1б, 3п 2б, 3п 3б, 3п 4б, которые поступают на схему выработки сигналов записи ОР, на которую по СИ-4 подаются сигналы с дешифратора адреса ОР (Дш0 v…v Дш15).
На выходе схемы выработки сигналов записи в ОР формируются следующие сигналы:
-
С(1б), С(2б), С(3б), С(4б), - поступающие на вход С (вход синхронизации) D-триггеров, на которых собраны ОРы.
-
Инф 1б…Инф 4б, - поступающие на входы Д (информационные входы D-триггеров) ОР с входного коммутатора, обеспечивающего прохождение к регистрам информации для записи.
3.6. Конфигураторы чтения (КфЧ-1, КфЧ-2) и записи (КфЗ).
Схема конфигурирования в ВчУ представлена двумя конфигураторами чтения (КфЧ-1, КфЧ-2) и конфигуратором записи (КфЗ).
Конфигуратор чтения первый (КфЧ-1) конфигурирует информацию, поступающую из оперативных регистров в ячейку памяти ОЗУ. Совместно с конфигуратором записи (КфЗ) он осуществляет конфигурирование информации при записи ее из ОР в ОЗУ.
КфЧ-1 выделяет полуслово выбранной информации по первому адресу А1 (первый операнд), а при выполнении команд пересылок (П2 и П3) конфигурирует информацию по полусловам и байтам.
Конфигуратор чтения второй (КфЧ-2) конфигурирует информацию, поступающую на входной регистр (ВР) из магистрали чтения (МЧт) или из оперативных регистров (ОР) по полусловам и байтам.
КфЧ-2 конфигурирует информацию, выбранную по второму исполнительному адресу команды А’2 (второй операнд).
КфЧ-1 и КфЧ-2 обеспечивают выдачу операнда в сумматор с ВР или ОР в прямом или инверсном коде в зависимости от поступающих сигналов со схемы управления ВчУ (УУ ВчУ).
Конфигураторы чтения не выдают информацию в случае прихода сигнала блокировки (Бл) с УУ ВчУ.
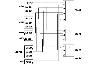
К
онструктивно КфЧ-1 и КфЧ-2 выполнены в одном ТЭЗе ЛУС-0-019. Структурная схема конфигуратора чтения представлена на рис. 9.
Рис. 9. Структурная схема конфигуратора чтения.
Конфигуратор чтения состоит из следующих узлов:
-
схемы выработки управляющих сигналов сдвига информации;
-
коммутатора приёма, сдвига и выдачи информации.
На схему выработки управляющих сигналов сдвига информации поступает признак полуслова (или младший разряд адреса А1, А’2) и код конфигурации 5…7р Кф с регистров конфигураторов чтения РКфЧ-1 и РКфЧ-2, расположенных в ТЭЗе ЛУС-2-056.
3-х разрядный код конфигурации и признаки полуслова обеспечивают выработку восьми управляющих сигналов сдвига информации:
1б1б, 2б1б, 3б1б, 4б1б, 1б2б,2б2б,3б2б,4б2б.
Управляющие сигналы обеспечивают сдвиг информации в зависимости от кода конфигурации и признаков полуслова . Для конфигурирования информации используются коды 000, 001, 010, 011, 110, 111. Код конфигурации 100 используется для передачи полноразрядных не конфигурированных слов. Код конфигурации 101 в конфигурировании информации не участвует, а используется как признак записи информации с ПОУ СВ.
Конфигуратор записи (КфЗ). Запись информации в ОЗУ всегда осуществляется через конфигуратор записи (КфЗ) при участии конфигуратора чтения первого (КфЧ-1) по командам пересылки информации П2 и П3.
Источником информации являются 1…4 байты ОР, а потребителем - ячейка памяти ОЗУ.
Запись осуществляется в три этапа:
-
чтение информации из ячейки на ВР;
-
формирование полноразрядного слова;
-
запись в ОЗУ.
При чтении полноразрядного информационного слова из ячейки памяти на ВР с конфигурацией (кроме случая, когда КфЧ = 4) оно разделяется на пассивную и активную части.
Активная часть при записи заменяется, а пассивная остается без изменения.
Формирование полноразрядного слова для записи в ОЗУ осуществляется конфигуратором записи (КфЗ). Полноразрядное слово состоит из 2-х частей:
-
1-я часть, выделяемая КфЧ-1 (активная);
-
2-я часть, с входного регистра (ВР) (пассивная), - не изменяемая.
Это справедливо для команд, в которых значение кода конфигурации числа (КфЧ) равно 0, 1, 2, 3, 6, 7.
Конфигуратор записи выполнен на 2-х ТЭЗах ЛУС-2-017 (КфЗ-1 и КфЗ-2).
КфЗ-1 формирует 1,3-й байт информации, а КфЗ-2 - 2,4 байт.
Структурная схема конфигурирования информации и формирование полноразрядного слова для записи в память (конфигуратор записи) по командам пересылки П2, П3 представлена на рис. 10.
Рис. 10. Структурная схема конфигурирования информации при записи.
На структурной схеме представлены следующие узлы:
-
конфигуратор чтения (КфЧ-1), конфигурирующий информацию, поступающую из ОР;
-
конфигуратор записи (КфЗ-1, КфЗ-2), формирующий полноразрядное слово в зависимости от кода конфигурации и признака полуслова;
-
регистр ОР, с которого нужно переслать информацию в ОЗУ;
-
регистр ВР (где хранится информация, считанная из ячейки памяти ОЗУ, и которую надо сохранить при записи).
Работу схемы целесообразно рассматривать, задавшись конкретными условиями.
Например, рассмотрим случай записи в ячейку ОЗУ целого не конфигурируемого слова из какого-либо оперативного регистра (при этом код конфигурации - 100 и признак полуслова - в анализе не участвует).
3,4б ОР подаются на КфЗ через КфЧ-1, а 1,2б - непосредственно.
При остальных видах конфигурации активная часть поступает с КфЧ-1, а пассивная с ВР. Конфигуратор чтения при этом выделяет два байта информации 1б Чт и 2б Чт (рис. 43, л.110), поступающие на коммутаторы.
Схемы выработки управляющих сигналов формирования 1,3 б и 2,4 б информации вырабатывают по пять управляющих сигналов, которые также поступают на коммутаторы. Управляющие сигналы вырабатываются в зависимости от значений кода конфигурации (КфЧ) и признака полуслова - 2.
На коммутаторы также подается информация с ОР, ВР и управляющий сигнал с УК - ВдС.
Коммутатор 1,3го байта выделяет на место 1го байта информации, выдаваемой в МЗп (ВМК), 1б Чт v 1б ОР v 1б ВР, на место 3го байта - 1б Чт v 3б ВР под действием соответствующих управляющих сигналов, при клапанировании сигналом ВдС.
Коммутатор 2го и 4го байтов выделяет на место 2го байта информации - 2б Чт v 2б ОР v 2б ВР, а на место 4го байта информации - 2б Чт v 4б ВР.
Таким образом, сформированная 36-разрядная информация через усилители-согласователи СНШ-182-07 выдается в магистраль записи (МЗп) и по признаку модифицированной записи (ПрЗп) поступает в ОЗУ для записи.
3.7. Схема взаимодействия с ЗУ (Сх ВЗУ).
Схема взаимодействия с ЗУ осуществляет:
-
анализ вида обращения (к ЗУ или ОР);
-
формирует адрес блока ЗУ (адрес модуля АМ);
-
формирует сигналы, управляющие обращением к ЗУ;
-
управляет выдачей адреса блока ЗУ в магистраль адреса (МА).
Для решения вышеперечисленных задач в состав Сх ВЗУ входят:
-
схема анализа обращения;
-
схема формирования адреса блока ЗУ;
-
схема формирования сигналов, управляющих обращением к ЗУ;
-
схема выдачи адреса блока ЗУ в магистраль адреса (МА).
Адрес второго операнда (А2) в формате команды 16-разрядный и по нему может осуществляться обращение как к ОР так и к ЗУ. При обращении к ОР с использованием поля А2 команды, его адрес содержится в 27…31-м разрядах, в остальных одиннадцати разрядах должны быть нули.
Схема анализа обращения представляет собой сборку из одиннадцати разрядов и размещается в ТЭЗе ЛУС-2-054. На входы схемы поступают 16…26-й разряды с первого регистра результата (РР1). При наличии хотя бы одной единицы в этих разрядах обращение будет осуществляться к ЗУ.
Схема формирования адреса блока ЗУ вырабатывает 4-разрядный адрес блока, который формируется из приращений баз ДЗУ команд и чисел (Б ДЗУ К, Б ДЗУ Ч), баз ОЗУ команд и чисел (Б ОЗУ К, Б ОЗУ Ч) и значений 16, 17, 18-го разрядов исполнительного адреса второго операнда (А'2), находящегося в РР1.
Логическая схема выработки адреса блока ЗУ представлена на рис. 11.
В качестве сигналов, управляющих получением АМ, используются:
-
информация, содержащаяся в 16-м разряде РР1, - определяющая тип обращения («0» - к ОЗУ, «1» - к ДЗУ), и
-
сигнал Пр КОМ (Пр обращения за командой/числом). Если Пр КОМ = «0» - обращение за числом, если «1» - за командой).
Схема работает только в том случае, если 7-й разряд регистра ССП (признак авторазрыва) равен нулю. В противном случае базы в формировании адреса блока ЗУ не участвуют и считаются равными нулю.
Р
ис. 11 .Логическая схема выработки адреса модуля ЗУ.
Разряды адреса блока ЗУ обозначаются как 13р…16р АМ и выдаются в УК через усилители-согласователи СНШ-182-09 в инверсном коде.
Одновременно АМ выдается на схему приема информации с ПОУ для формирования сигнала ОСТ-2. Конструктивно схема формирования АМ выполнена в ТЭЗе ЛУС-2-083.
Схема формирования сигналов, управляющих обращением к ЗУ, формирует сигналы ТрОбр-1 при чтении из памяти и сигналы ТрОбр-2 и УЗп, управляющие записью в память.
Конструктивно схема формирования сигналов, управляющих обращением к ЗУ, выполнена в ТЭЗе ЛУС-2-083.
Работу схемы целесообразно рассмотреть при записи информации в память.
Временная диаграмма, иллюстрирующая работу схемы, изображена на рис. 12.
Исходное состояние схемы после прихода сигнала НУ следующее:
-
триггер Т2 - в «единичном» состоянии;
-
триггера Т1, Т3, Т5 - в «нулевом» состоянии;
-
триггер Т4 - в неопределенном состоянии до момента поступления сигнала Авх со схемы управления ВчУ, который вырабатывается сразу после пуска (устанавливается в «нулевое» состояние при наличии Авх по СИС-4 и сигнала ТрОбр-2 становится равными единице);
-
сигнал ТрОбр-1 равен единице;
-
сигнал УЗп равен нулю.
Рис. 12. Временная диаграмма управляющих сигналов, обеспечивающих взаимодействие с ЗУ.
При обращении на запись схема управления ВчУ вырабатывает сигналы Обр и ПрЗп, которые поступают на -входы триггеров Т1 и Т3, соответственно, и по СИС-1 устанавливают эти триггеры в «единичное» состояние.
Если обращение осуществляется в ЗУ (т.е. сигнал со схемы анализа обращения в ЗУ/ОР равен единице), то формируется сигнал ТрОбр-1 равный нулю, который по КШУ-1 выдается в УК.
В очередном такте работы УК в ответ на ТрОбр-1 выдает сигнал ВдА, по которому вырабатывается сигнал УЗп равный единице. Состояние триггера Т2 подтверждается.
Единица на выходе триггера Т2 обеспечивает срабатывание триггера Т1 по окончании сигнала ОБР по К-входам (устанавливается в «нулевое» состояние по СИС-1) тем самым сигнал ТрОбр-1 устанавливается в «единицу», запрещая тем самым повторное обращение в данный блок ЗУ. Если данный блок ЗУ занят или есть обращение от более приоритетного процессора, то сигнал ВдА УК не вырабатывает. В этом случае триггер Т2 «обнуляется», сигнал ТрОбр-1 остается в нуле и обращение повторяется.
















