ВчУ (1039362), страница 4
Текст из файла (страница 4)
Схема управления записью в ОР предназначена для:
-
управления записью в оперативные регистры (ОР) ВчУ;
-
конфигурирования информации, считанной из памяти по командам пересылок (П1 и П3).
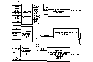
Структурная схема управления записью в ОР представлена на рис. 6 и состоит из следующих узлов:
-
3-х разрядного регистра конфигуратора записи (Р КфЗ);
-
триггера признака полуслова (Т2);
-
регистра признака записи (Р ПрЗ);
-
коммутатора выработки сигналов приема информации с входного регистра (ВР) на оперативный регистр (ОР);
-
схемы выработки сигналов Зп 1б…Зп 4б (0б…3б);
-
с
хемы выработки сигналов управления записью информации в ОР с ПОУ СВ, регистров результатов (РР1, РР2, РР3), регистра словосостояния процессора (ССП); 3,4 б ОР = 1,2 б ОР и номера процессора (№ Пр), запаянного на входном разъеме.
Рис. 6. Схема управления записью в ОР.
Схема управления записью в ОР выполнена в ТЭЗе ЛУС-2-018.
3-х разрядный регистр конфигуратора записи (Р КфЗ) предназначен для приема кода конфигурации из входного регистра (ВР) и хранения его на время конфигурирования считанной из ЗУ информации. Кроме того, он является буферным регистром, запоминающим код конфигурации команды.
На Р КфЗ по СИ-4 поступает признак конфигурации (5…7 разряды кода команды с ВР), и по СИ-1 - сигнал установки кода 100 (УСТ 100) со схемы управления ВчУ.
Признак полуслова (31 разряд РР1 - 2) по СИ-4 поступает на триггер признака полуслова Т(2).
Установка кода конфигурации 100 по сигналу со схемы управления ВчУ нужна при работе команды ЭКСТРАКОД, когда содержимое регистра ССП записывается в блок ОЗУ.
Конфигурирование информации при записи в ОР и ЗУ осуществляется коммутатором выработки управляющих сигналов.
На коммутатор поступают:
-
код конфигурации (5…7 разряды с ВР);
-
признак полуслова 2 (младший разряд адреса А2);
-
признак полуслова 1 (младший разряд адреса А1, поступающего с главного регистра адреса ОР);
-
признак ВР (ПрВР).
Коммутатор вырабатывает шестнадцать управляющих сигналов записи информации из ЗУ в ОР:
1 байт —> 1 байт; 2 байт —> 1 байт; 3 байт —> 1 байт; 4 байт —> 1байт;
1 байт —> 2 байт; 2 байт —> 2 байт; 3 байт —> 2 байт; 4 байт —> 2байт;
1 байт —> 3 байт; 2 байт —> 3 байт; 3 байт —> 3 байт; 4 байт —> 3 байт;
1 байт —> 4 байт; 2 байт —> 4 байт; 3 байт —> 4 байт; 4 байт —> 4 байт;
Управляющие сигналы коммутатора устанавливают однозначное соответствие между номерами информационных байтов пересылаемых из ячеек памяти ЗУ на ОР.
Такую пересылку обеспечивает 3-разрядный код конфигурации.
Старшее (1,2 байт) или младшее (3,4 байт) полуслово, пересылаемое из ЗУ, определяется признаком полуслова 2. При 2 = 0 - пересылается старшее полуслово, при 2 = 1 - пересылается младшее полуслово информации. Место принимаемого из ЗУ на ОР полуслова аналогично определяется признаком полуслова 1. В зависимости от кода конфигурации и признака полуслова выполняется та или другая конфигурация.
Виды 6-ти различных конфигураций представлены на рис. 4.
Признаки со схемы управления ВчУ поступают на регистр признаков по СИ-1.
Схема управления записью в ОР (Сх УОР), используя признаки приема информации и признак полуслова 1, вырабатывает управляющие сигналы приема информации в оперативные регистры (ОР) с РР2, ССП, ПОУ, РР1, РР3, 3,4 байт ОР: = 1,2 байт ОР, N Пр. Запись информации в ОР с этих направлений не конфигурируется.
Схема управления записью в ОР (Сх УОР) вырабатывает следующие сигналы:
1,2 б ОР: = РР3; 3,4 б ОР: = РР3;
1,2 б ОР: = РР1; 3,4 б ОР: = РР1;
1…4 б ОР: = РР2; 1…4 б ОР: = ССП;
1…4 б ОР: = ПОУ; 1…4 б ОР: = 1,2 б ОР,
Признаки полуслов 1 и 2 показывают, с какого полуслова ячейки памяти ЗУ на какое полуслово ОР посылается информация, а признаки приема информации указывают, с каких направлений нужно принять информацию в ОР.
3.5.2. Оперативные регистры.
Оперативные регистры (ОР) предназначены для:
-
хранения результатов выполнения большинства команд;
-
организации индексных регистров и регистров кольцевых зон;
-
хранения команд (при отладке аппаратуры с ПОУ);
-
хранения одного или двух операндов при выполнении арифметических, логических операций и операций пересылки;
-
промежуточного заполнения регистра ССП при выполнении команды ЭКСТРАКОД.
Использование оперативных регистров ВчУ при выполнении программ позволяет сократить количество обращений к ЗУ и тем самым повысить производительность СВ.
В ВчУ шестнадцать 36-разрядных регистров. Обращение к ним осуществляется по полусловам: четный адрес (А1) указывает на старшее полуслово ОР, нечетный - на младшее полуслово. Признаком полуслова является младший разряд адреса ОР (А1).
За некоторыми регистрами закреплены определенные функции, но в то же время любой из регистров ОР (кроме 16-го) может быть использован как ячейка памяти.
Адреса ОР и выполняемые ими функции представлены в табл. 4.
Структурная схема оперативных регистров с регистром адреса ОР представлена на рис. 7, и состоит из следующих узлов:
-
шестнадцати 36-разрядных регистров, собранных на D-триггерах;
-
входного коммутатора;
-
выходного коммутатора;
-
схемы выработки сигналов записи в ОР;
-
буферного регистра адреса ОР (БРА);
-
главного регистра адреса ОР (ГРА);
-
дешифратора адреса ОР на шестнадцать выходов.
Оперативные регистры выполнены на 12 ТЭЗах ЛУС-0-017. В каждом ТЭЗе организовано по три разряда от каждого регистра (рис. 8). Поэтому ОР можно назвать регистровой памятью ВчУ.
Таблица 4.
Состав оперативных регистров
| Номер регистра | Старшее полуслово | Младшее полуслово | ||
| Восьмеричный адрес регистра | Назначение | Восьмеричный адрес регистра | Назначение | |
| 0 | 00 | 01 | СУММАТОР | |
| 1 | 02 | 03 | И1 | |
| 2 | 04 | 05 | И2 | |
| 3 | 06 | 07 | И3 | |
| 4 | 10 | НКР4 | 11 | И4 (КР4) |
| 5 | 12 | НКР5 | 13 | И5 (КР5) |
| 6 | 14 | НКР6 | 15 | И6 (КР6) |
| 7 | 16 | НКР7 | 17 | И7 (КР7) |
| 8 | 20 | 21 | ||
| 9 | 22 | 23 | ||
| 10 | 24 | 25 | ||
| 11 | 26 | 27 | ||
| 12 | 30 | 31 | ||
| 13 | 32 | 33 | ||
| 14 | 34 | 35 | ||
| 15 | 36 | РР ВчУ | 37 | РР ВчУ |
Обозначение:
И1…И7 - индексные регистры;
НКР4…НКР7 - начальные значения индексных регистров кольцевых зон;
КР4…КР7 - индексные регистры кольцевых зон;
РР ВчУ - рабочий регистр (регистр результата) ВчУ (в программах не используется).
Рис. 7. Структурная схема ОР и регистра адреса ОР.
За некоторыми регистрами закреплены определенные функции (см. таблицу 3 и 4) - это индексные регистры (И), регистры кольцевых зон (КР), регистр сумматора (), рабочий регистр (регистр результата) ВчУ (РР ВчУ).
В РР ВчУ записывается содержимое ССП при выполнении команды ЭКСТРАКОД.
Введение этих регистров в состав операционного устройства ВчУ уменьшает состав оборудования процессора СВ и упрощает его схему управления.
В ВчУ предусмотрено несколько типов адресации к регистровой памяти. Это адресация с помощью 5-разрядного адреса ОР (А1) в коде команды и с помощью 16-разрядного адреса (А2) в коде команды. По А2 идет обращение как к ЗУ так и к ОР. Если в адресе А2 команды значения разрядов с 16 по 26 равны 0 (признак адресации к ОР), то это означает, что второй операнд находится в ОР.
| ТЭЗы | 1 | 2 | 3 | … | 12 | |||||||||||||||||||||||||||||||
| Регистры | ОР16 | |||||||||||||||||||||||||||||||||||
| … | … | |||||||||||||||||||||||||||||||||||
| ОР2 | ||||||||||||||||||||||||||||||||||||
| ОР1 | ||||||||||||||||||||||||||||||||||||
| Разряды | 0, 1, 2 р. | 3, 4, 5 р. | 6, 7, 8 р. | … | 34, 35, 36 р. | |||||||||||||||||||||||||||||||
Рис. 8. Распределение разрядов ОР в ТЭЗах.
По адресу, записанному в 3-разрядном коде индексации (8…10 разряды кода команды) происходит обращение к определенным регистрам ОР, которые выполняют функции индексных регистров. (см. табл. 2).
Регистр адреса ОР имеет два уровня.
Первый уровень - буферный регистр адреса (БРА), на него подается адрес А1 (11…15-й разряды ВР). По А1 идет обращение к ОР за вторым операндом.
Второй уровень - главный регистр адреса (ГРА), на него подаются:
-
27…30-й разряды ССП;
-
27…31-й разряды РР1;
-
8…10-й разряды ВР;
-
два фиксированных адреса: 01 (Ад) и 37 (Уст 37).
По адресу, принятому с 27…31-го разрядов РР1, идет обращение в ОР за вторым операндом. По адресу, принятому с 8…10-го разрядов ВР, идет обращение к определенным регистрам ОР, выполняющим функции индексных регистров. По адресу сумматора (Ад∑ = 01) идет обращение к ОР, который выполняет функции накапливающего сумматора. По адресу 37 (Уст 37) записывается в ОР и считывается из ОР содержимое регистра ССП при выполнении команды ЭКСТРАКОД (ЭК).
















