Remont_avtomobiley_i_dvigateley_Petrosov _V_V (1038567), страница 24
Текст из файла (страница 24)
— кузов автомобиля; 2, 6 — цепные тяги, 3 — подставки под автомобиль; 4 — апель (напольная базовая рама); 5— гидродомкрат; 7— установочная пята (быст- росьемная) для базирования гидродомкрата и крепления натяжного каната
эв деталей используется силовая поперечина 4, а также целый абор приспособлений для правки (6— 12).
Устройство работает по векторному принципу приложения сил. узов аварийного автомобиля устанавливают на подставку, сило- ую поперечину закрепляют за ребра жесткости порогов кузова, стройство подкатывают под кузов автомобиля, устанавливают о направлению, в котором нужно приложить усилие правки, и рижимают упором к силовой поперечине. Затем с помощью гид- оцилиндра и набора приспособлений проводят правку деформи- ованных частей кузова.
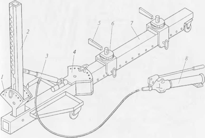
Для выполнения особо сложного ремонта и замены узлов кузо- а автомобиля применяется устройство, приведенное на рис. 4.14. отличие от предыдущего устройства оно имеет рамную конст- укцию, снабженную поворотными колесами для удобства пере- вижения. На верхней поверхности рамы монтируют съемные опор- ые кронштейны, на которые кузов устанавливают его базовыми эчками. Продольная балка имеет большую жесткость. Серьга 1 озволяет устанавливать силовой рычаг 2 под любым углом. Нали- ие поворотной части 4 у продольной балки, а также зажимных риспособлений 6 с клиновыми фиксаторами 5 делает это уст- ойство более универсальным и удобным. Для более точного и лавного выполнения операции правки деталей и узлов автомо-
Рис. 4.13. Устройство и приспособления для правки кузова легкового
автомобиля:
/ — качающийся рычаг; 2 — гидроцнлипдр; 3 — упор (регулируемый); 4 — силовая поперечина; 5 — гидронасос; 6 — кольцевая цепь; 7 — цепь с крюком; 8 — цепь с двумя крюками; 9, 10 — зажимные приспособления; 11 — опорная планка с кольцом; 12 — зажим с кольцом
биля гидронасос 8 имеет ручной привод. Все остальные приспособления для правки, такие же, как и в предыдущем случае.
Представление о ремонте автомобиля на современных универсальных устройствах дает рис. 4.15, на котором изображен универсальный стснд 2, к которому подсоединяются различные подъемные устройства 1 и деформирующие кузов узлы, например силовой элемент J для правки кузова. Здесь же показан комплект оснастки 4, необходимый для восстановления кузова любого легкового автомобиля. Хотелось бы обратить внимание на наличие базовых подвесок,
14
Пзакрепленных на кузове автомобиля, и на то, что их положение совпадает с рсперными точками па обшей базовой плите стенда 2.
Следует отметить, что рассмотренный комплексный стенд для ремонта кузовов легковых автомобилей, по мнению автора, не самый лучший, и студентам следует подумать о том, как оптимизировать каждую ремонтную операцию.
Исправление деформации балки заднего моста легковых автомобилей. Каждый водитель хорошо знает, что с деформированным задним мостом желательно как можно быстрее доехать до ближайшей СТО. В СТО балку заднего моста после соответствующей разборки контролер проверяет па степень деформации. Если она в допустимых пределах, задний мост помешают в специальный стенд (рис. 4.16) на опорные кронштейны J так, чтобы выпуклость была выше осевой линии балки 4 заднего моста. После этого устанавливают две вилки 5, соединив их с подвижной кареткой ], и включают силовой гидравлический механизм 7. Этот механизм, упираясь в силовой каркас 2, оттягивает выпуклую часть заднего моста вниз.
Величину деформации оси балки заднего моста проверяют по двум индикаторам 6. Здесь следует напомнить, что для выпрямления балки заднего моста необходимо приложить такое усилие,
Рис. 4.14. Рамная конструкция устройства для правки кузова легкового
автомобиля:
/ — серьга; 2 — силовой рычаг; 3 — гилроиилшщр; 4 — поворотная часть продольной балки; 5 — клиновой фиксатор; 6 — зажимное приспособление; 7 — балка; 8 — гидронасос с ручным приводо
Рис. 4.15. Комплексный стенд для ремонта кузовов легковых автомобилей: устройство для подъема, перемещения и ппапки кузова; 2 — универсальный стенд с отвесами, закрепляемыми на кузове, и реперными (базовыми) точками на поверочной плите; 3, 4 — силовой элемент для правки кузова
Рис. 4 16, Стендаля правки балки заднего моста:
I — подвижная каретка; 2 — силовой каркас стенда; 3 — опорный кронштейн; 4 — балка заднего моста, 5 — вилка; 6 — индикатор часового типа; 7 — силовой гидравлический механизм
чтобы образовавшийся прогиб в обратную сторону превышал исходный прогиб на 10...20% для компенсации упругопластичес- кой деформации металла балки. Поскольку состав металла балки неизвестен (а следовательно, и унругопластическая характеристика металла), в таких случаях желательно выполнить последующую правку. Однако каждое последующее усилие должно иметь большую величину, чем предыдущее, из-за упрочнения металла в результате его деформации.
Определение вытяжки цепи привода распределительного вала Приспособление для оценки вытяжки цепи (рис. 4.17) включает в себя сварную раму /, ролики 2, натяжное устройство, состоящее из пружины 3, пальца 4 и регулировочной гайки 5, а также противовеса 8с осью 7и планкой 6. Контролируемую цепь 9 надевают на ролики 2 и нагружают противовесом 8, что дает возможность оценить, насколько допустима вытяжка цепи.
Студенту, желающему выполнять СДП, можно порекомендовать установить на раме 1 в зоне контакта с цепью, насаженно
й
Рис. 4.17. Приспособление для оценки вытяжки цепи привода распределительного вала:
/ — рама; 2 — ролики; 3 — пружина; 4 — палец; 5 — регулировочная гайка; 6 — планка; 7 — ось противовеса; 8— противовес; 9— цепь привода распределительного вала
9 8 7 6
Рис. 4.18. Стенд для испытания водяных насосов:
/ — бак для жидкости; 2 — неподвижный кожух; 3 — подвижный кожух; 4 — винт крепления водяного насоса; J— водяной насос; 6 — скоба; 7— поворотное основание; 8 — электродвигатель; 9 — стойка
на ролик 2, приспособление с индикаторной головкой часового типа для точной оценки фактической вытяжки цепи. Если затем измерить вытяжку у нескольких десят ков различных цепей с учетом пробега каждого автомобиля и провести статистическую обработку результатов измерений, то получится хорошая и полезная работа.
Стенд для испытания водяных насосов. Подобные стенды (рис. 4.18) предназначены для испытания водяных насосов на работоспособность, отсутствие подтекания жидкости и шума при работе. Стенд состоит из стойки 9 и поворотного основания 7 со скобой 6 Привод насоса 5 осуществляется электродвигателем 8 через шкив клиноременной передачи, закрытой подвижным 3 и неподвижным 2 кожухами. Электродвигатель и бак для жидкости 1 жестко закреплены на поворотном основании Насос фиксируется на поворотном основании с помощью скобы и винта 4
Чтобы снять или установить насос, нужно отвести его основание вверх на угол 80°. В этом положении уровень жидкости п си-
Рис. 4.19. Гидравлический домкрат: 1 — стрела; 2 — рама; 3 — педали; 4 — возпратная пружина; 5 — гидрсинлнндр
I /К
стсме стенда будет ниже уровня насоса, что исключает потерю жидкости при его снятии или установке. В цепи питания электропривода имеется блокировка, не допускающая включения стенда при открытом подвижном кожухе или отведенном вверх поворотном основании.
Гидравлический домкрат для подъема передней или задней части легкового автомобиля. Передвижной гидравлический домкрат (рис. 4.19) обеспечивает большой объем подъемных работ (подъем передней или задней части легкового автомобиля при ТО, TP и т.д.) и необходим в любой СТО или АТО.
Домкрат состоит из сварной рамы 2, плунжерного насоса с гидроцилиндром 5, педалей 3 и подвижной стрелы /, которая шарнирно соединена со штоком гидроцилиндра, Рама установлена на четырех колесах, два из которых (задние) поворотные, что облегчает маневрирование домкратом во время его перемещения. Подвижная стрела поднимается с помощью гидронасоса плунжерного типа, приводимого в движение качанием педалей, попускается в исходное положение возвратной пружиной 4 Опорная плоскость стрелы при подъеме остается параллельной исходному положению.
4.5 СБОРКА И ИСПЫТАНИЕ АГРЕГАТОВ
Сборка — заключительный этап производственного процесса ремонта изделия, от которого в значительной степени зависит качество, своевременность выпуска, работоспособность и надежность изделия. Технологический процесс сборки при ремонте не отличается от сборки при изготовлении нового изделия. Различие же заключается в степени концентрации и дифференциации операций, уровне механизации и автоматизации процессов, организационной форме осуществления сборочного процесса.
Технологический процесс сборки включает в себя ряд последовательных операций по установу и созданию различных видов соединений составных частей изделия, в том числе операций контроля, регулировки и испытания.
Процессу сборки изделия предшествует этап комплектования, который позволяет сгруппировать различные по качеству детали: восстановленные на АРО, годные (без ремонта, с допустимыми износами) и запасные части. Безусловно, параметры всех этих деталей имеют те или иные отклонения от заданных в рабочих чертежах, но они допускаются к дальнейшей сборке. В целях обеспечения номинальных значений посадок в соединениях рекомендуется в большей степени применять метод групповой сборки.Контроль и сортировку легких и транспортабельных деталей рекомендуется организовывать в комплектовочном отделении на пециализированных постах, крупногабаритных деталей и узлов — ia постах контроля при их восстановлении. Для повышения про- 13водительности труда и эффективности комплектовочных работ [еобходимо использовать краны-штабелеры. При этом доставку борочных комплектов к постам сборки целесообразно осушеств- ятьс помощью подвесных грузонесущих толкающих конвейеров. } условиях крупных АРО эти операции необходимо выполнять с юмошью устройств, обеспечивающих адресование грузов.
Технологический процесс сборки. Этот процесс разрабатывает- я поэтапно на основе ЕСТПП, ЕСТД и других стандартов в та- ;ой последовательности:
-
проводится технологический анализ сборочных чертежей, точненис разбивки изделия на сборочные единицы, оценка уровня ехнологичности и ремонтопригодности изделия и его частей, а акже разработка рекомендаций по их улучшению;
-
анализируются плановые задания и организационные фор- 1Ы сборочного процесса;
-
осуществляется размерный анализ основных соединений и !Ыбор методов сборки и их сочетаний для изделия в целом:
-
уточняются ТТ на сборку соединений, узловую и общую борку изделий, контроль, регулировку и испытание сборочных диниц и изделия в целом;
-
разрабатывается технологическая схема сборки для узла и [зделия. В качестве примера подобная схема сборки ступицы шки- ia приведена на рис. 4,20;
-
оптимизируется состав, содержание и последовательность •пераций и переходов;
-
нормируется технологический процесс;
-
выбирается стандартное оборудование и оснастка и одно- ;ременно заказываются нестандартизованные средства техноло- ического оснащения, включая средства контроля, испытаний и ранспортирования;
-
проектируется поточная линия с обеспечением синхрони- ации сборочных операций и разработкой планировки и органи- ации линии (участка, цеха);
-
выявляются требования техники безопасности, производ- твенной санитарии и охраны окружающей среды;
-
проводится технико-экономический анализ и обоснова- ше принятого варианта технологического процесса сборки изде- 1ия;
-
оформляется технологическая документация.
Для сокращения затрат труда и времени при проектировании ехнологических процессов сборки целесообразно применение ЭВМ.
Механизация и автоматизация сборочных работ. Повышение фоизводительности и качества труда при сборке изделий, сни















