EXT75_DX-RUS (1032058), страница 8
Текст из файла (страница 8)
Вы не можете одновременно управлять работой насоса, используя оба режима работы: параллельный и последовательный. Например, если Вы включили насос, послав команду запуска Start через последовательный интерфейс, Вы не сможете выключить насос используя переключатель вкл/выкл Start/Stop в параллельном интерфейсе. Насос будет игнорировать состояние переключателя вкл/выкл в параллельном интерфейсе. Чтобы выключить насос Вы должны послать команду остановки Stop через последовательный интерфейс. Только после получения команды остановки/выкл / через последовательный интерфейс, насос может управляться командами через параллельный интерфейс.
Аналогично, если Вы включите насос, используя ключ включения Start в параллельном интерфейсе, Вы не сможете выключить насос, послав команду остановки Stop через последовательный интерфейс. Насос будет игнорировать команды вкл/выкл в последовательном интерфейсе. Чтобы выключить насос Вы должны использовать ключ выключения Stop в параллельном интерфейсе. Только после остановки насос через параллельный интерфейс, насос может управляться командами через последовательный интерфейс.
-
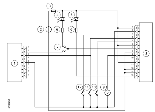
Интерфейс RS232 на управляющей оборудовании
-
Источник питания постоянного тока 24 В
-
Предохранитель
-
Индикатор – система в порядке
-
Индикатор – нормальная скорость
-
Резистор ограничения тока для индикатора
-
Переключатель последовательного режима
-
насос DX
-
Доп. Вольтметр
-
Переключатель опции Serial Enabe
-
Доп. Переключатель холостого хода
-
Переключатель запуска start
Рисунок 11. Схема соединений логического интерфейса
-
Многокомпонентный режим (мульти-режим)
Этот режим используется для подключения нескольких насосов DX к одному компьютеру. каждому насосу DX присваивается свой индивидуальный адрес, перед тем как он устанавливается в многокомпонентную систему (назначение адресов описано в разделе 4.1.10)
Протокол сообщений в этом режиме сильно отличается от описанного для последовательных сообщений в системе с одним насосом. Основные отличия следующие:
-
Все команды, запросы и ответы начинаются с символа #.
-
Все команды, запросы и ответы содержат заголовок с адресом получателя, за которым стоит и адрес отправителя.
-
Существует неограниченный символ – столбец - который разделяет 2 адреса в заголовке.
-
Запрос соответствует запросу в системах с одним насосом.
-
Адрес карты 99 означает «любой» (для всех).
-
Функция напуска, подключение клапана напуска и управление
| МЕРЫ ПРЕДОСТОРОЖНОСТИ Если в насос подается напуск газа, когда он работает на полной скорости вращения, и диапазон повышения давления очень высок, то насос может разрушиться, а его ресурс снизится. Поэтому рекомендуется или ограничивать диапазон повышения давления (см. рис. 3) или открывать клапан напуска только после того, как скорость насоса DX упадет ниже 50% от полной скорости вращения. |
Для поддержания чистоты Вашей вакуумной системы, мы рекомендуем Вам каждый раз при выключении насоса напускать воздух в насос или в вакуумную систему, когда скорость насоса EXT75DX будет находиться в диапазоне 100…50% от полной скорости вращения. В этом диапазоне скорости вращение ротора еще достаточно для подавления обратного потока углеводородного масла от Вашего форвакуумного насоса.
Не устанавливайте клапан напуска в форвакуумный трубопровод. Соедините вход клапана напуска с устройством подачи газа напуска (характеристики напускаемого газа – см. раздел 2.3). Напуск может проводиться одним из следующих методов – см. разделы 3.8.1…3.8.4.
-
Клапан напуска с ручным управлением
Клапан напуска с ручным управлением входит в комплект поставки насоса DX. Но он не обеспечивает точного управления возрастающим давлением. Если Вы используете ручной клапан напуска, то рекомендуется открывать его только после того, как скорость насоса DX упадет до 50 % от полной скорости вращения.
-
Клапаны напуска с электромагнитным управлением TAV5 или TAV6
Клапаны напуска с электромагнитным управлением TAV5 и TAV6 поставляются в качестве дополнительных принадлежностей (см. раздел 7.4). Клапаны с электромагнитным управлением TAV5 и TAV6 можно использовать следующим образом:
-
установить на место клапана напуска с ручным управлением на насосе,
-
подключить к подходящему (удобному) фланцу вакуумной системы.
Если Вы подключать клапан напуска к вакуумной системе, выберите точку выше потока насоса DX для предотвращения попадания обратного потока масла от форвакуумного насоса.
Если Вы используете клапан напуска TAV5, то Вы можете производить напуск через насос, когда он работает на полной скорости, только если объем вакуумной системы равняется 5 литрам и более. Если Вы используете клапан напуска TAV6, то Вы можете производить напуск через насос, когда он работает на полной скорости, только если объем вакуумной системы равняется 10 литрам и более.
Если объем вакуумной системы менее 5 литров при использовании TAV5, или если объем вакуумной системы менее 10 литров при использовании TAV6, Вы можете установить подходящий дроссель напуска и производить напуск в насос, когда он работает на полной скорости. В табл. 17 приведены соответствующие размеры установленного клапана напуска для данного объема вакуумной системы чтобы обеспечить повышение давления в пределах, указанных в разделе 2/ рис. 3.
Замечание: При использовании дросселя, возможно, Вы обнаружите, что время, требуемое для полного напуска вакуумной системы, слишком велико. Вы можете сократить времени напуска, если будете использовать клапан напуска без дросселя после того, как скорость насоса упадет до 50 % от полной скорости напуска.
-
Управляемый напуск
Клапанами с электромагнитным управлением TAV5 и TAV6 можно управлять с помощью встроенного блока управления. Чтобы использовать эту функцию установите электрический разъем, поставляемый с насосом на клапан напуск. Чтобы гарантировать, что кабели подключены правильно, следуйте инструкциям по подключению электрических соединений в руководстве по эксплуатации принадлежности (поставляется с клапанами TAV5 или TAV6) и см. рис. 4 и раздел 2.9. Установите разъем в разъем на встроенном блоке управления (рис. 1 и 2, поз. 1 и 7).
Встроенный блок управления модуль Podule содержит ряд опций напуска – см. табл. 16.
| Option number | Description of vent function |
| 0 | Клапан напуска открывается полностью, когда скорость вращения ниже 50% от полной или получена команда Stop/остановка или Fail/ сбой – это исходная установка опции напуска. |
| 1 | Управляемый напуск при скорости вращения 100…50% от полной; Клапан напуска открывается полностью, когда скорость вращения ниже 50% от полной или получена команда Stop или Fail |
| 2 | Клапан напуска открывается полностью сразу после получения команды Stop; Клапан напуска открывается полностью, когда скорость вращения ниже 50% от полной или получена команда Stop/остановка или Fail/ сбой |
| 3 | Клапан напуска открывается полностью сразу после получения команды Stop. Управляемый напуск при скорости вращения 100…50% от полной; Клапан напуска открывается полностью, когда скорость вращения ниже 50% от полной или получена команда Stop или Fail |
| 4 | Клапан напуска открывается полностью сразу после получения команды сбоя Fail; Клапан напуска открывается полностью, когда скорость вращения ниже 50% от полной или получена команда Stop |
| 5 | Клапан напуска открывается полностью сразу после получения команды сбоя Fail. Управляемый напуск при скорости вращения 100…50% от полной; Клапан напуска открывается полностью, когда скорость вращения ниже 50% от полной или получена команда Stop |
| 6,7 | Клапан напуска открывается полностью, когда скорость вращения ниже 50% от полной или получена команда Stop/остановки или Fail \сбоя |
Таблица 16. Опции напуска
При получении насоса блок управления настроен на опцию 0 (табл. 16). Вы можете перенастроить функции напуска, используя последовательный интерфейс или контроллеры TIC.
Модуль подаст питание на электромагнит клапана TAV (закроет его) при получении команды запуска Start. Перед этим клапан находится в состоянии открыто. Если ваша вакуумная система очень большая, то нужно откачать ее до приемлемого уровня перед включением насоса DX. В этом случае перед тем как послать команду через последовательный интерфейс нужно закрыть клапан напуска перед подачей команды запуска – это называется задержкой запуска.
Если вы управляете насосом DX через контроллер TIC вы можете управлять клапаном TAV через TIC – см. руководство по эксплуатации контроллера TIC.
-
Альтернативное подключение клапана напуска к вакуумной системе
Если Вы используете другой клапан напуска, то Вам следует убедиться в том, что установленный дроссель подходит для Вашей вакуумной системы, по условию ограничения уровня возрастания давления (см. табл. 17). Если Вы не установите подходящий дроссель, то Вы должны открывать клапан напуска только после того, как скорость насоса упадет до 50 % от полной.
| Объем вакуумной систмемы (л) | Диаметр отверстия (мм) |
| < 20 < 10 <5 <2 | 1.0 0.7 0.5 0.35 |
Таблица 17. Диаметр отверстия дросселя
(с атмосферным давлением на входе в клапан напуска)
3.9 Охлаждение
-
Введение
| МЕРЫ ПРЕДОСТОРОЖНОСТИ Вы должны убедиться, что насос не перегревается. Это нужно для предотвращения разрушения смазки подшипников. |
Естественное охлаждение: при небольших газовых нагрузках, при окружающей температуре менее 30 °С и, если температура входного фланца менее 70°С, Вы можете использовать свободную конвекцию для охлаждения насоса.
Принудительное воздушное охлаждение. Если Вы используете принудительное воздушное охлаждение насоса, то убедитесь, что подача охлаждающего воздуха не ограничена, температура 5..35°С.
Водяное охлаждение: нужно использовать водяное охлаждение если окружающая температура > 35 °С, используется прогревающей обод (для моделей с CF фланцами). Температура окружающего воздуха должна быть менее 40оС, а температура воды 10…20 оС.
При любых других условиях работы Вы можете использовать принудительное воздушное охлаждение – см. табл. 3.
-
Принудительное воздушное охлаждение
Вентилятор поставляется в качестве принадлежности (см. раздел 7.4). Установите вентилятор, как описано в его руководстве по эксплуатации. Если Вы используете другой вентилятор для воздушного охлаждения, то убедитесь, что формируемый им поток превышает 70 м3/ч.
Вентилятор может подключаться к внешнему источнику питанию или встроенному блоку управления. Вентилятор нельзя подключить к встроенному блоку управления, если Вы уже подключили к нему клапан напуска TAV. Следуйте инструкциям по выполнению электрических соединений в руководстве по эксплуатации вентилятора при подключении вентилятора к встроенному блоку управления с помощью разъемов, входящих в комплект поставки насоса (рис. 1). Установите разъем в гнезда разъема на верхней панели встроенного блока управления (рис.1 и 2, поз. 1 и 7).
Встроенный блок управления должен быть настроен на управление вентилятором через последовательный интерфейс к контроллеру (см. руководство по эксплуатации контроллера).
-
Водяное охлаждение
| МЕРЫ ПРЕДОСТОРОЖНОСТИ Вы должны отключать воду, когда выключаете насос, чтобы предотвратить конденсацию паров внутри насоса и модуля Podule |
Принадлежность система водяного охлаждения подходит для насосов DX (см. раздел 7.4). Установите систему водяного охлаждения согласно описанию в руководстве по эксплуатации этой принадлежности. Водяное охлаждение должно соответствовать характеристикам, указанным в разделе 2.5. Трубопровод для подачи воды может засориться, если охлаждающая жидкость содержит большое количество карбонада кальция или больших частиц. Если в воде содержится малое количество карбонада кальция и кислорода, то может начаться коррозия трубопровода. Лучше всего использовать хорошего качества питьевую воду. В случае сомнений относительно качества используемой для охлаждения воды, Вам следует проверить ее качество и, если необходимо, провести обработку и фильтрацию.
Соедините концы трубопровода с устройством охлаждения воды на насосе как описано ниже. Каждый из рифленых штуцеров может использоваться как для подачи, так и для слива воды.
Натяните армированный шланг (с внутренним диаметром приблизительно 6 мм) на конец рифленых штуцеров системы водяного охлаждения насоса. Закрепите шланг с помощью зажима и убедитесь в герметичности соединения. В качестве альтернативы Вы можете отвинтить штуцеры и подключать подачу воды прямо в разъем 1/8” BSP.
Если Вы хотите снять насос для проведения технического обслуживания, и не желательно разрушать трубопровод подачи воды, открутите два винта М4 и снимите систему водяного охлаждения с насоса. Убедитесь, что система охлаждения чистая, прежде чем снова установить ее на насос.















