EXT75_DX-RUS (1032058), страница 7
Текст из файла (страница 7)
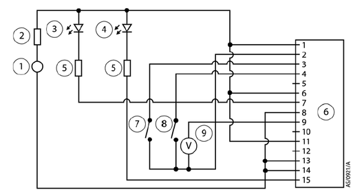
См. табл. 8 (контакты логического интерфейса) при подключении электропитания к разъему.
-
Источник питания постоянного тока 24 В
-
Предохранитель
-
Индикатор – система в порядке
-
Индикатор – нормальная скорость
-
Резистор ограничения тока для индикатора
-
Логический интерфейс насоса DX
-
Переключатель запуска start
-
Доп. Переключатель холостого хода
-
Доп. Вольтметр для мониторинга аналогового выхода
Рисунок 8. Соединения логического интерфейса – параллельный режим
-
Режим параллельного интерфейса
| МЕРЫ ПРЕДОСТОРОЖНОСТИ Если Вы используете линии рабочего сигнала Normal и сигнала неисправности Fail для управления катушкой реле постоянного тока, Вы должны установить диод подавления EMF параллельно каждой катушке реле для защиты насоса DX. |
-
Подключите Ваше управляющее оборудование к контактам входных сигналов управления на Вашей ответной части разъема логического интерфейса. В табл. 8 представлено описание контактов разъема логического интерфейса. Входными сигналами управления являются следующие:
Запуск START, холостой ход STANDBY, последовательное подключение Serial Enable.
Для активации любого из этих входных сигналов управления Вы должны подсоединить контакт входного сигнала управления к линии опорного управления 0В.
Например, для включения насоса соедините контакт 3 (вкл/выкл Start/Stop) с контактом 2 (опорное управление 0В). Для остановки насоса разомкните соединение между контактами 2 и 3.
Замечание: опция последовательного включения Serial Enable является управляющим входом, и не требует работы в только параллельном режиме. Проверьте, что это соединение (контакт 5) не подключено.
-
Для наблюдения за аналоговыми выходными сигналами, подключите Ваше управляющее оборудование к аналоговому выходному сигналу насоса (контакт 9) и к контакту 2 на Вашей ответной части разъема логического интерфейса.
При поставке аналоговый выходной сигнал будет настроен на наблюдение за скоростью вращения насоса. Чтобы наблюдать за другими параметрами, Вы должны перенастроить Ваш насос, используя команды через последовательный интерфейс (см. раздел 3.7).
-
Для наблюдения за выходным сигналом рабочего состояния Normal подключите Ваше управляющее оборудование к выходному сигналу рабочего состояния (контакт 15) и к контакту 2 на Вашей ответной части разъема логического интерфейса. Вы можете использовать выходной сигнал для управления другими устройствами в Вашей системе откачки. Выходной сигнал может управлять реле низкой мощности с катушкой до 24В.
-
Для наблюдения за выходным сигналом состояния неисправности Fail подключите Ваше управляющее оборудование к выходному сигналу состояния неисправности (контакт 7) и к контакту 2 на Вашей ответной части разъема логического интерфейса. Вы можете использовать выходной сигнал для управления другими устройствами в Вашей системе откачки. Выходной сигнал может управлять реле низкой мощности с катушкой до 24В.
-
Режим последовательного интерфейса
Последовательный интерфейс позволяет Вам управлять насосом DX и запрашивать о его состоянии, используя ряд команд. Существует многокомпонентный режим работы, который позволяет Вам подключить несколько насосов DX к одной системе управления.
-
Введение
| МЕРЫ ПРЕДОСТОРОЖНОСТИ При подключении насоса DX к компьютеру PC, помните, что контакт 0 В на разъеме RS232 можно подключить к заземлению через PC. В этом случае проверьте, что провод 0 В питания 24 В не подключен к заземлению в некоторой точке источника питания, иначе провод 0 В питания 24 В подключен к заземлению PC и необходимо будет использовать опто-изолированный интерфейс с PC. |
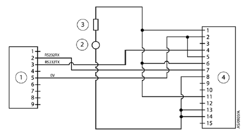
Насос DX можно подключить прямо к последовательному входу RS232 на PC (рис. 9). В этой конфигурации PC является управляющим звеном, а насос DX - подчиненным. Расстояние, на котором последовательное соединение будет работать зависит от разницы напряжения между 0V на концах приема и передачи. Если опорный сигнал 0В на конце приема около 0.3В от управляющего опорного 0В на разъеме управления насоса DX, тогда расстояние, на котором будет работать соединение – около 6. Внешний контур интерфейса насоса DX может работать и на больших расстояниях.
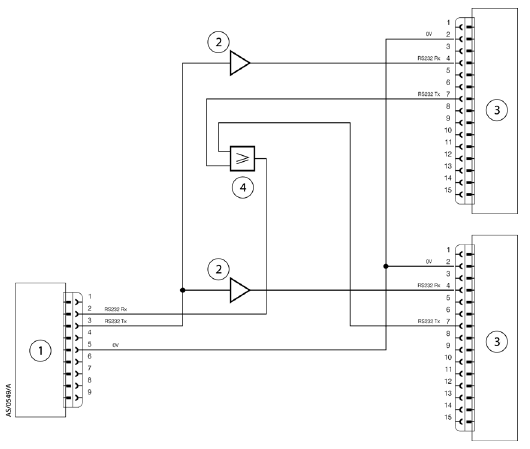
Программа насоса DX позволяет работать с несколькими насосами, подключенными к одному управляющему устройству данного соединения. Это режим мульти – работы. Однако драйвер последовательного интерфейса насоса DX основан на стандартном интерфейсе RS232, который предназначен только для последовательного соединения от точки к точке. Потребуются дополнительные аппаратные средства для подключения нескольких насосов DX к одному управляющему звену (см. рис. 10).
-
Интерфейс RS232 на управляющем
-
Источник питания 24 В постоянного тока
-
Предохранитель
-
Логический интерфейс насоса DX
Рисунок 9. Соединение логического интерфейса – последовательный режим
-
Включение последовательного порта
Чтобы послать сообщение в режиме последовательного управления, Вы должны сначала активировать/включить последовательный порт Serial Enable. Это достигается путем установки связи между входным сигналом включения последовательного порта (контакт 5) и контакта 2 на Вашей ответной части логического интерфейса. Мы рекомендуем Вам установить эту связь на Вашем кабеле последовательного подключения таким образом, чтобы включение последовательного порта осуществлялось только при подключении кабеля последовательного соединения. При случайном отсоединении кабеля последовательный порт Serial Enable отключится.
Ключ Последовательного соединения Serial Enable работает как блокировка для команд, посылаемых через последовательный интерфейс. Если насос работает (послана команда запуска Start через последовательный порт) и последовательное соединение Serial Enable будет случайно отключено, насос перейдет в состояние неисправности Fail и начнется торможение. Для устранения неисправности Вы должны заново подключить Serial Enable и послать команду остановки Serial Stop.
-
Протокол сообщения
Интерфейс последовательного соединения установлен следующим образом: 9600 бод, 1 стоповый бит, 8 бит данных, нечетный. Команды посылаются в виде символов кодовой таблица ASCII. Максимальная длина посылаемого сообщения составляет 80 символов, включая символы начала и конца сообщения.
Замечание: все буквенные символы должны посылаться в указанном выше формате.
Каждое законченное командное сообщение, которое Вы пошлете, будет посылать ответ - код состояния или данные. Насос DX может одновременно работать только с одним сообщением. Доступ к новому сообщению будет получен только тогда, когда будет получен ответ на предыдущее сообщение.
Если насос DX получает символы, не ограниченные начальными и конечными символами, то он проигнорирует их. Сообщения без конечных символов будут оставлены без ответа при получении новых символов начала сообщения. Если насос DX получает нераспознаваемое сообщение с начальными и конечными символами, то в ответ будет послано соответствующее сообщение об ошибке.
Дополнительная информация о работе в многокомпонентном режиме приведена в разделе 3.7.7
-
Интерфейс RS232 на управляющем оборудовании
-
Буфер
-
DX насос
-
Проход или OR
Рисунок 10. Схема подключения при многокомпонентном режиме работы
-
структура сообщения
Чтобы послать сообщение насосу DX Вы должны послать набор символов в специальном порядке. Если сообщение не будет соответствовать правильной структуре, то оно будет проигнорировано, и ответ на него не будет послан.
Корректная структура должна быть следующей:
-
начальный символ: или ! для команды или ? для запроса,
-
команда, которая должна начинаться с Прописной буквы,
-
номер объекта из трех десятизначных цифр,
-
только для некоторых команд поле данных, содержащее набор символов, разделенных пробелами,
-
конечный символ –возврат каретки (ввод)
Протокол сообщений в много компонентном режиме значительно отличается (раздел 3.7.7).
-
Задание команд
В табл. 13 приведены команды для управления и наблюдения за состоянием насоса DX.
В табл. 14 приведены аббревиатуры, которые используются для определения команд в следующих разделах, а в табл. 15 – коды ошибок.
Таблица 13. Команды для управления насосом DX
| Имя объекта | Команда | Диапазон параметра | Начальные установки | Тип данных | Единицы измерения | Пояснение |
| Узел | !S850 ?S850 | 0…99 | - | Десятич-ные | Адрес | Номер в многокомпонентном режиме: 0=режим отключен, 99=группа, используется вместе с ?S |
| Тип насоса | ?S851 | 7, 9, 4 | - | стоковые стоковые стоковые | Символ Символ символ | Тип насоса Номер версии программного обеспечения DSP (D396476х1) Полная скорость об/мин (1500) |
| Управление насосом | ?С852 | 0 1 | - | десятичные | - | Остановка насоса Запуск насоса |
| ?V852 | 0…1800 32-бит. | - | десятичные шестеричные | Об/мин Метка (флаг) | Измерение скорости вращения насоса Слово состояния системы | |
| Управление напуском | !S853 ?S853 | 0 | 0 | Десятичные | - | Грубый напуск когда скорость <50% |
| 1 | Контролируемый напуск, если скорость >50% или Грубый напуск, когда скорость <50% | |||||
| 2 | Грубый напуск при остановке или Грубый напуск когда скорость <50% и при неисправности | |||||
| 3 | Грубый напуск при остановке или контролируемый напуск когда скорость >50% и при неисправности или Грубый напуск когда скорость <50% и при неисправности | |||||
| 4 | Грубый напуск при неисправности или Грубый напуск когда скорость <50% и при неисправности | |||||
| 5 | Грубый напуск при неисправности или контролируемый напуск когда скорость >50% и при остановке или Грубый напуск когда скорость <50% и при остановке | |||||
| 6 | Грубый напуск при неисправности или остановке | |||||
| 7 | ||||||
| 8 | Напуск = постоянно включен (вентилятор) | |||||
| Установка таймера | !S854 ?S854 | 1…30 | 8 | Десятичные | Минуты | Период времени задержки для времени начального разгона и если скорость упадет ниже 50% |
| Установка ограничения мощности | !S855 ?S855 | 50…120 | 80 | Десятичные | Ватт | Установка максимальной мощности |
| Установка рабочей скорости | !S856 ?S856 | 50…100 | 80 | Десятичные | % | Рабочая скорость в процентах от полной скорости вращения |
| Установка скорости холостого хода | !S857 ?S857 | 55…100 | 70 | Десятичные | % | Скорость холостого хода в процентах от полной скорости вращения |
| Показания температуры | ?V859 | 0…100 0…100 | - | Десятичные Десятичные | °С °С | Измеренная темпе-ратура двигателя Измерение темпе-ратуры контроллера |
| Показания параметров связи | ?V860 | 0…500 0…300 0…15000 | Десятичные Десятичные Десятичные | 0,1Вольт 0,1Ам-пер 0,1 Ватт | Измерение напряжения связи Измерение тока связи Измерение мощности связи | |
| Начальные установки | !S867 | 1 | Возвращает всем функциям и параметрам начальные установки | |||
| PIC версия программного обеспечение | ?S868 | 9 | - | Строковые | Символ | PIC Номер версии программного обеспечения D396476х1 |
| Управление скоростью | !С869 | 0 1 | - | Десятичные Десятичные | Устанавливает полную скорость Устанавливает скорость холостого хода | |
| Функции таймера | !S870 ?S870 | 0 1 | 1 | десятичные | - | Таймер=отключен Таймер=включен |
| Функции аналоговых сигналов | !S871 ?S871 | 0 1 2 3 | 0 | Десятичные | - | Выходной сигнал = измерение скорости =измерение мощности =температура двигателя =температура контроллера |
| Функции электронного торможения | !S872 ?S872 | 0 1 | 0 | Десятичные | - | Электронное торможение отключено Электронное торможение включено |
| закрытие клапана напуска | !С875 | 1 | Десятичные | Закрывает клапан напуска для задержки запуска и преобладает текущая функция напуска. Нет никаких команд для открытия клапан напуска кроме команды остановки !C852 0 |
Таблица 13. Команды для управления насосом DX
| Аббревиатура | Значения |
| Cr | Возврат каретки /ввод |
| Chars | Символы |
| D | Десятичные символы ASCII Замечание: поля, отмеченные символом d, имеют обычную длину. Все поля данных имеют максимум 5 десятичных символов (с минусом для отрицательных значений) |
| H | Шестиричные символы ASCII |
| R | Код возврата ошибок см. табл. 10 |
| Sp | Символ пробела |
| String | Может состоять из нескольких символом ASCII |
| X | Многокомпонентный десятичный символ ASCII Замечание: поля, отмеченные символом Х, имеют максимальную, а не фиксированную длину |
Таблица 14. Аббревиатуры команд
| Код ошибки | Значение |
| 0 | Не ошибок |
| 1 | Неверная команда для объекта |
| 2 | Неверный запрос/команда |
| 3 | Попущенный параметр |
| 4 | Параметр вне границ указанного диапазона |
| 5 | Неверная команда в текущем состоянии, т.е. последовательные команды вкл/выкл при работе в режиме параллельного управления |
Таблица 15. Коды ошибок
-
Одновременная работа параллельного и последовательного режимов
Вы можете управлять работой насоса с помощью входных сигналов параллельного интерфейса и в то же время наблюдать за различными параметрами насоса, используя последовательный интерфейс. Или Вы можете управлять работой насоса, используя команды, посылаемые через последовательный интерфейс в то время, как Вы наблюдаете за рабочим сигналом Normal и выходным аналоговым сигналом через параллельный интерфейс (рис. 11).














