Гл4_ (1031644)
Текст из файла
118
Глава 4. ОСНОВЫ ПОСТРОЕНИЯ АППАРАТНОЙ И ПРОГРАММНОЙ ЧАСТИ ЛОКАЛЬНЫХ МК
Специальный локальный микроконтроллер проектируется под конкретный узел (элемент) технологической машины, поэтому его элементная база, архитектура аппаратной части и программное обеспечение, если не целиком, то очень во многом определяются требованиями, предъявляемыми к этому элементу. Мы во второй части учебника будем изучать методы проектирования системы управления в целом и ее отдельных элементов применительно к технологическому оборудованию. Здесь же рассмотрим основы построения локальных МК.
4.1. Элементная база и архитектура построения локальных МК
А. Выбор семейства и типа микроконтроллера
Одним из узловых вопросов является выбор типа микроконтроллера. Мы, на уровне, позволяющем понять суть работы и оценить возможности, рассмотрели микроконтроллеры семейства MCS-51. Но это далеко не единственное современное семейство МК, более того, это сейчас пожалуй эталон–минимум. Краткий обзор выпускаемых микроконтроллеров был приведен в конце раздела 3.1, но прогресс так заметен, что необходимо постоянно следить за новинками рынка МК.
Приведем здесь основные факторы, определяющие выбор того или иного семейства.
-
Соответствие функциональным требованиям автоматизируемого устройства. МК просто должен быть способен выполнить требуемую работу, причем с достаточным запасом по быстродействию и количеству портов ввода-вывода. Аппетит приходит во время еды и, наверняка, Вам захочется еще что-то добавить.
-
Специализация микроконтроллера под автоматизируемое Вами устройство во многом упростит аппаратное и программное обеспечение. Сейчас выпускаются МК для управления асинхронными трехфазными электродвигателями, шаговыми двигателями и т.п. Достаточно появиться какому-либо устройству широкого назначения, как для управления им уже выпускаются специализированные микроконтроллеры.
-
Наличие опыта разработки аппаратной и программной части какого либо семейства естественно стимулирует продолжение работ в этом направлении.
-
Наличие аппаратных и программных средств поддержки разработки является существенным, даже обязательным, фактором выбора того или иного семейства.
-
Обеспечение ремонтопригодности изделия также существенно влияет на выбор семейства микроконтроллера. Прогресс в области микроконтроллерных средств управления сейчас столь быстр и жизненные циклы изделий столь коротки, что может оказаться, что к тому времени, когда ваша разработка вступит в строй, запасных частей (микроконтроллеров) к ней уже не найти. Их уже сняли с производства. Поэтому ориентируйтесь на семейства солидных фирм. Например, семейство MCS-51 и его клоны выпускаются добрым десятком американских, европейских и азиатских фирм и здесь проблем с поставками не будет.
Б. Портовая и шинная архитектура построения локальных МК
Портовой будем называть архитектуру, когда линии связи с объектом начинаются для выдачи дискретного либо аналогового управления (ДУ и АУ) или заканчиваются при дискретном либо аналоговом контроле непосредственно от вывода порта микроконтроллера. Никаких дополнительных регистров для хранения и обработки информации нет. Для проведения ДК Вы непосредственно проверяете ассемблерной командой, на каком уровне установлен вывод порта. Например командами:
JB bit, rel ; переход к метке «rel», если бит равен единице
или
JNB bit, rel ; переход к метке «rel», если бит равен нулю
можно провести дискретный контроль и осуществить по ее результату ветвление в ходе выполнения программы.
Командами битового процессора:
SETB bit ; установка бита
CLR bit ; очистка бита
можно включать и выключать элементы объекта, проводя дискретное управление.
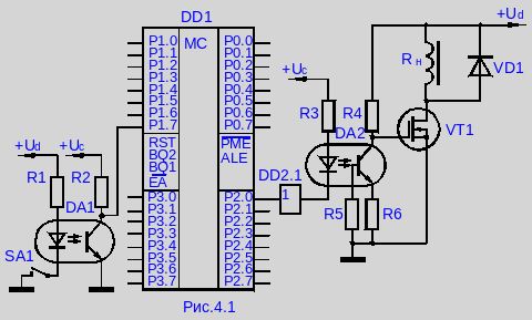
На рис. 4.1. представлен фрагмент портовой архитектуры локального микроконтроллера.
Читая состояние выводу порта Р1.7 можно определить, включен или выключен конечный выключатель SA1, т.е. проводить дискретный контроль объекта. Этот конечный выключатель может быть встроен, например, в вакуумный клапан и указывать нам, открыт он или закрыт.
При шинной архитектуре формируется внешняя шина микроконтроллера и элементы объекта управления подключаются к этой шине
В. Обеспечение надежности функционирования микроконтроллера
Разводка цепей питания
Пассивные методы защиты от помех
Активные методы защиты
Защита от программных сбоев
Сохранение и восстановление исходного состояния объекта
4.2. Основы построения программного обеспечения
Г. Структурное построение программного обеспечения
Д. Основы программирования и отладки программного обеспечения
Глава 4. ОСНОВЫ ПОСТРОЕНИЯ АППАРАТНОЙ И ПРОГРАММНОЙ ЧАСТИ ЛОКАЛЬНЫХ МК 116
4.1. Элементная база и архитектура построения локальных МК 116
А. Выбор семейства и типа микроконтроллера 116
Б. Портовая и шинная архитектура построения локальных МК 116
В. Обеспечение надежности функционирования микроконтроллера 117
4.2. Основы построения программного обеспечения 117
Г. Структурное построение программного обеспечения 117
Д. Основы программирования и отладки программного обеспечения 117
Характеристики
Тип файла документ
Документы такого типа открываются такими программами, как Microsoft Office Word на компьютерах Windows, Apple Pages на компьютерах Mac, Open Office - бесплатная альтернатива на различных платформах, в том числе Linux. Наиболее простым и современным решением будут Google документы, так как открываются онлайн без скачивания прямо в браузере на любой платформе. Существуют российские качественные аналоги, например от Яндекса.
Будьте внимательны на мобильных устройствах, так как там используются упрощённый функционал даже в официальном приложении от Microsoft, поэтому для просмотра скачивайте PDF-версию. А если нужно редактировать файл, то используйте оригинальный файл.
Файлы такого типа обычно разбиты на страницы, а текст может быть форматированным (жирный, курсив, выбор шрифта, таблицы и т.п.), а также в него можно добавлять изображения. Формат идеально подходит для рефератов, докладов и РПЗ курсовых проектов, которые необходимо распечатать. Кстати перед печатью также сохраняйте файл в PDF, так как принтер может начудить со шрифтами.
















