EXT75_DX-RUS (1032058), страница 4
Текст из файла (страница 4)
++ Давление через 48 часов работы после прогрева с форвакуумным давлением <5 мбар (500 Па)
‡Скорость откачки без входного экрана - фильтра (с ним – падение на 10%).
Таблица 3. Технические характеристики насосов DX
| Параметр | EXT75DX | EXT255DX |
| Предельное выпускное давление † | ||
| N2 | 8 мбар | 12 мбар |
| He | 6.5 мбар | 9 мбар |
| H2 | 2.5 мбар | 2.5 мбар |
| Минимальная производительность форвакуумного насоса | 0.6 м3/ч | 0.6 м3/ч |
| Максимальное непрерывное выпускное давление* При предельном входном давлении | ||
| Азот : | ||
| Водяное охлаждение (40°C окр. среды)‡ | 4 мбар | 7 мбар |
| Принудительное воздушное (35°C окр. среды) | 5 мбар | 5 мбар |
| Естественное воздушное (30°C окр. среды) | 2 мбар | 2 мбар |
| Максимальное непрерывное входное давление * При предельном выпускном давлении | ||
| Азот : | ||
| Водяное охлаждение (40°C окр. среды)‡ | 2 x 10-2 мбар | 1 x 10-2 мбар |
| Принудительное воздушное (35°C окр. среды) | 3 x 10-2 мбар | 8 x 10-3 мбар |
| Естественное воздушное (30°C окр. среды) | 8 x 10-3 мбар | 2 x 10-3 мбар |
| Аргон : | ||
| Водяное охлаждение (40°C окр. среды)‡ | 4 x 10-3 мбар | 7 x 10-3 мбар |
| Принудительное воздушное (35°C окр. среды) | 4 x 10-3 мбар | 5 x 10-3 мбар |
| Естественное воздушное (30°C окр. среды) | 1 x 10-3 мбар | 1 x 10-3 мбар |
| Рекомендуемый форвакуумный насос¹ | RV3 | RV12 |
| Рабочее положение | Вертикальное с отклонением от горизонтали ± 2 ° | |
| Номинальная скорость вращения | 90,000 об/мин | 60,000 об/мин |
| Время разгона до 90% скорости² | 110 секунд | 78 секунд |
| Уровень звукового давления (на расстоянии 1 м) | < 50 дБ(A) | < 50 дБ(A) |
† скорость откачки снижается на 90% от исходного значения.
* выше этого давления скорость вращения падает ниже номинала. Значение для макс. непрерывного входного давления получены с форвакуумным насосом RV12. (см. раздел 3.9).
‡ Температура охлаждающей воды при 15°C. поток воды 30 л/ч.
¹ можно использовать подходящий диафрагменный насос с предельным давлением <5 мбар.
² установленный предел мощности 80 Вт (EXT75DX), 160 Вт(EXT255DX).
Таблица 3. Технические характеристики насосов DX
| ВНИМАНИЕ Не превышайте максимальное непрерывное рабочее давление, иначе это может привести к опасному повышению температуры ротора и снижению ресурса насоса. |
2.2 Откачиваемая среда
| ВНИМАНИЕ Соблюдайте осторожность при напуске опасных газов и газовых смесей. Не допускайте контакта людей с опасными газами. Соблюдайте требования безопасности, предписываемые поставщиком газов. |
|
| ВНИМАНИЕ Не используйте насосы DX для откачки взрывоопасных газов и смесей, т.к. они для этого не предназначены. Насос и его соединения не разработаны с учетом взрывов. |
| ВНИМАНИЕ У насосов DX с промежуточным портом окачиваемый через промежуточный порт газ смешивается с газом, откачиваемым через входной фланец насоса. Убедитесь, что смесь этих газов не опасна. |
| МЕРЫ ПРЕДОСТОРОЖНОСТИ Не используйте насосы DX для откачки смесей, содержащих более 20% кислорода в том случае, если не используется продувка. В противном случае смазка полимеризуется, и насос преждевременно выйдет из строя. |
| МЕРЫ ПРЕДОСТОРОЖНОСТИ Не используете насос DX для откачки паров ртути, а также не позволяйте ртути (например, из вакуумметра Мак-Леода) контактировать с насосом. Если это произойдет, то ротор насоса может подвергнуться коррозии и разрушиться. |
Замечание: концентрация газа может изменяться в виду того, что коэффициент компрессии отличается для разных газов.
Насосы предназначены для откачки следующих газов, обычно используемых в высоковакуумных системах:
-
воздух
-
метан
-
пропан
-
бутан
-
монооксид углерода
-
азот
-
диоксид углерода
-
криптон
-
гелий
-
неон
-
аргон
-
водород
-
этан
Вы может откачивать кислород или пары воды при соблюдении следующих условий:
Кислород – Если вы используете продувку инертным газом, то Вы можете откачивать смеси, в которых содержание кислорода превышает 20%. В разделе 2.4 приводится описание продувки газом. Без продувки содержание кислорода в смеси должно быть менее 20%.
Пары воды – Вы должны следить, чтобы пары не конденсировались внутри насоса (см. раздел 3.9.3).
Если Вы хотите откачивать газу, не перечисленные выше, то обратитесь за советом к Вашему поставщику. Если Вы этого не сделаете, то вы можете лишиться гарантии на насос. Насосы не предназначены для откачки коррозионных и агрессивных газов.
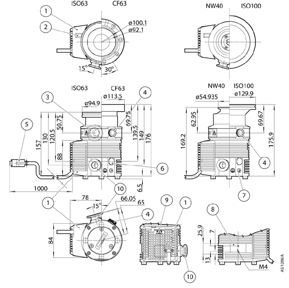
-
встроенный блок управления - Модуль Podule
-
разъем встроенного блока управления
-
промежуточный порт (только для EXT75iDX)
-
клапан напуска с ручным управлением на порту напуска
-
разъем логического интерфейса
-
порт продувки (с заглушкой)
-
разъем заземления
-
поверхность блока охлаждения
-
индикаторы встроенного блока управления
-
форвакуумный порт
Рисунок 1. Размеры EXT75DX (мм)
-
встроенный блок управления - Модуль Podule
-
разъем встроенного блока управления (для вентилятора /клапана TAV)
-
промежуточный порт (только для EXT255iDX)
-
клапан напуска с ручным управлением на порту напуска
-
разъем логического интерфейса
-
порт продувки (с заглушкой)
-
разъем заземления
-
поверхность блока охлаждения
-
индикаторы встроенного блока управления
-
форвакуумный порт
Рисунок 2. Размеры EXT255DX (мм)
-
Напуск газа и данные для управления напуском
Хотя для напуска может использоваться атмосферный воздух, его высокая влажность может значительно увеличить время последующей откачки. Для уменьшения времени откачки Вы можете использовать для напуска сухие чистые газы. См. раздел 3.8, где описан процесс напуска и раздел 4.1.3, где приводятся параметры опции напуска.
| Газ | Сухой воздух, азот, аргон или другой инертный газ |
| Максимальная точка росы при атмосферном давлении | -22 °С |
| Максимальный размер частиц | 1мкм |
| Максимальная концентрация масла | 0,1 частей на миллион |
| Рекомендуемое время для достижения скорости вращения в 50% от полной | >15 с |
| Максимальная допустимая скорость возрастания давления | См. рис. 2 |
Таблица 4. Характеристики газа напуска и управления напуска
Па Мбар
Рисунок 3. Максимально допустимое повышение давления во время напуска
(зависимость давления от времени)
(при условии, что насос работает с полной скоростью вращения)
2.4 Характеристики газа, используемого для продувки
| Газ | Сухой воздух, азот, аргон или другой инертный газ |
| Максимальная точка росы при атмосферном давлении | -22 °С |
| Максимальный размер частиц | 1мкм |
| Максимальная концентрация масла | 0,1 частей на миллион |
| Допустимый поток напускаемого газа | 20…50 sccm (33…84 Па*л/с) |
| Рекомендуемый поток напускаемого газа | 25 sccm (42 Па*л/с) |
| Максимальное допустимое давление напускаемого газа | 2 бар изб., 3х105 Па |
Таблица 5. Характеристики газа продувки
2.5 Водяное охлаждение
Следующие характеристики водяного охлаждения приведены для воды, характеристики которой соответствуют характеристикам стандартной питьевой воды. Если Вы сомневаетесь в качестве воды, то проверьте ее качество.
| Качество | Механически и оптически чистая, |
| Уровень рН | 6,0…8,0 |
| Максимальная концентрация карбоната кальция | 75 частей на миллион |
| Максимальная концентрация хлоридов | 100 частей на миллион |
| Максимальная концентрация кислорода | 4 частей на миллион |
| Минимальный поток охлаждающей воды при 15°С | 15 л/ч |
| Температура воды | См. табл. 3 |
| Максимальное давление воды | 5 атм. изб., 6х105 Па |
| Материалы, контактирующие с водой | Никель, покрытый латунью |
Таблица 6. Характеристики охлаждающей воды
2.6 Материалы, контактирующие с вакуумом
Следующие материалы и типы компонентов подвергаются воздействию откачиваемых газов:
алюминиевые сплавы, нержавеющая сталь, фторэластомерные и нитриловые уплотнения, углеводородные смазочные материалы, войлок, редкоземельные магниты, нитрид кремния и фенол-альдегидный полимер, резина, армированная углеводородным волокном, антипирен полипропилен, полиамид, хлорвинил.
-
Электрические характеристики
Насос DX может управляться или с контроллером турбомолекулярных насосов и измерительных приборов TIC производства ВОС Edwards или Вашей системой.
Если Вы хотите использовать Вашу систему управления, размер источника питания, который Вы должны использовать, будет зависеть от Вашего технологического процесса. ограничение мощности определяет, как быстро, Вы можете достичь разгона и нужный источник питания. если вы используете порт последовательного соединения или контроллер TIC, то можно выбрать установки мощности насоса DX. В табл. 7 приведены минимальные и максимальные установки мощности для насоса DX и необходимые входные токи. Если технологический процесс требует быстрого запуска насоса, то время разгона должно быть меньше, а источник и ток больше (до максимальных установок в таблице 7).
Если нет возможности установить мощность, вы должны использовать мощность и токи согласно начальным заводским установкам ВОС Edwards (табл. 7). Для насоса EXT75DX необходим источник питания, выдающий 4 А.
Если вы хотите использовать насос DX с контроллером TIC, то может быть несколько вариантов. По всем вопросам обращайтесь к представителям ВОСЕ.
-
Разъем логического интерфейса
Насос DX оборудован кабелем с 15-ходовым разъемом логического интерфейса на одном конце (см. рис. 1, 2, поз. 11 и 3). Разъем логического интерфейса может устанавливаться прямо в контроллер турбомолекулярных насосов и измерительных приборов TIC производства ВОСЕ. Вы должны использовать подходящий разъем для подключения насоса DX к вашему управляющему оборудованию. Типы разъемов представлены в табл. 7, а описание электрических соединений разъема логического интерфейса - в табл. 8.














