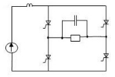
В какой из приведенных схем расчетная величина индуктивности фильтра L будет наименьшей при заданном коэффициенте пульсации на нагрузке?
Что хотите найти?
Учебные материалы
Готовые домашние, курсовые, лабораторные работы, решённые задачи, рефераты, НИРы, ВКРы, шпаргалки, рабочие тетради, книги и многое другое!
Ответы на вопросы
Поможет при прохождении тестов, контрольных и экзаменов - быстрый поиск вопросов с мгновенным получением ответа!
Услуги
Не получается сделать самому? Нужна помощь или просто консультация? У нас Вы сразу написано сколько будет стоить помощь!
Преподаватели
Хотите узнать о своём преподавателе? Здесь студенты ставят оценки педагогам и пишут о них отзывы!
Лекции
Бесплатный справочник в виде лекций, собранный из учебных материалов за разные годы!
Статьи
Мы пишем множество интересных статей, который помогут студенту в совершенно разных ситуациях!
ВУЗы
Хотите знать всё о своём ВУЗе с точки зрения студентов этого заведения? У нас есть и такое!
Мы разделили поиски, так как искать всё одновременно просто нереально 😬



zzyxel









































































































































