Какую форму имеет напряжение на нагрузке, в схеме? - Ответ на вопрос по ПЭ №36561
-42%
Вопрос
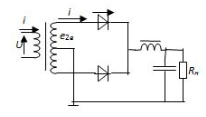
Какую форму имеет напряжение на нагрузке, в схеме?
Ответ

Хочешь зарабатывать на СтудИзбе больше 10к рублей в месяц? Научу бесплатно!
Начать зарабатывать
Начать зарабатывать



zzyxel























