Ответ на вопрос №36613: Какой вид имеет кривая напряжения между анодом и катодом, в схеме? Какой вид имеет кривая напряжения между анодом и катодом, в схеме? - Ответ на вопрос №36613Какой вид имеет кривая напряжения между анодом и катодом, в схеме? - Ответ на вопрос №36613
2024-03-072024-03-07СтудИзба
Какой вид имеет кривая напряжения между анодом и катодом, в схеме? - Ответ на вопрос №36613
-37%
Вопрос
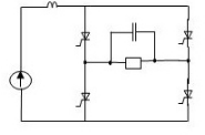
Какой вид имеет кривая напряжения между анодом и катодом, в схеме?
Ответ

Хочешь зарабатывать на СтудИзбе больше 10к рублей в месяц? Научу бесплатно!
Начать зарабатывать
Начать зарабатывать



zzyxel


















