Ответ на вопрос №36566: Какое утверждение является правильным? При замыкании ключа К среднее значение напряжения на нагрузке: увеличится уменьшится не изменится Какое утверждение является правильным? При замыкании ключа К среднее - Ответ на вопрос №36566Какое утверждение является правильным? При замыкании ключа К среднее - Ответ на вопрос №36566
2024-03-072024-03-07СтудИзба
Какое утверждение является правильным? При замыкании ключа К среднее - Ответ на вопрос №36566
-11%
Вопрос
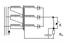
Какое утверждение является правильным?При замыкании ключа К среднее значение напряжения на нагрузке:

- увеличится
- уменьшится
- не изменится
Ответ

Хочешь зарабатывать на СтудИзбе больше 10к рублей в месяц? Научу бесплатно!
Начать зарабатывать
Начать зарабатывать
zzyxel





















