Ответ на вопрос №36560: Какое утверждение является правильным? При напряжении на вторичной обмотке трансформатора E2 =10 В в схеме, напряжение на нагрузке: UH=10 В UH =17 В UH =23,4 В Какое утверждение является правильным? При напряжении на вторичной - Ответ на вопрос №36560Какое утверждение является правильным? При напряжении на вторичной - Ответ на вопрос №36560
2024-03-072024-03-07СтудИзба
Какое утверждение является правильным? При напряжении на вторичной - Ответ на вопрос №36560
-32%
Вопрос
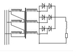
Какое утверждение является правильным?При напряжении на вторичной обмотке трансформатора E2 =10 В в схеме, напряжение на нагрузке:

- UH=10 В
- UH =17 В
- UH =23,4 В
Ответ

Хочешь зарабатывать на СтудИзбе больше 10к рублей в месяц? Научу бесплатно!
Начать зарабатывать
Начать зарабатывать
zzyxel


















