Ответ на вопрос №36569: Какую форму имеет ток, протекающий через вторичную обмотку трансформатора в схеме? Какую форму имеет ток, протекающий через вторичную обмотку - Ответ на вопрос №36569Какую форму имеет ток, протекающий через вторичную обмотку - Ответ на вопрос №36569
2024-03-072024-03-07СтудИзба
Какую форму имеет ток, протекающий через вторичную обмотку - Ответ на вопрос №36569
-11%
Вопрос
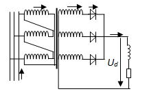
Какую форму имеет ток, протекающий через вторичную обмотку трансформатора в схеме?
Ответ

Хочешь зарабатывать на СтудИзбе больше 10к рублей в месяц? Научу бесплатно!
Начать зарабатывать
Начать зарабатывать



zzyxel






















