Ответ на вопрос №36592: Какой вид имеет ток, показанный на рис.2б, рис.2в, рис.2г, протекающий через источник питания Ed в схеме рис.1? рис.2в рис.2г рис.2б Какой вид имеет ток, показанный на рис.2б, рис.2в, рис.2г, - Ответ на вопрос №36592Какой вид имеет ток, показанный на рис.2б, рис.2в, рис.2г, - Ответ на вопрос №36592
2024-03-072024-03-07СтудИзба
Какой вид имеет ток, показанный на рис.2б, рис.2в, рис.2г, - Ответ на вопрос №36592
-11%
Вопрос
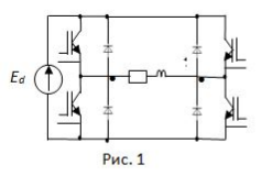
Какой вид имеет ток, показанный на рис.2б, рис.2в, рис.2г, протекающий через источник питания Ed в схеме рис.1?

- рис.2в
- рис.2г
- рис.2б
Ответ

Хочешь зарабатывать на СтудИзбе больше 10к рублей в месяц? Научу бесплатно!
Начать зарабатывать
Начать зарабатывать