Ответ на вопрос №36591: Какой вид имеет ток, показанный на рис.2б, рис.2в, рис.2г, протекающий через диод в схеме рис.1? рис.2в рис.2г рис.2б Какой вид имеет ток, показанный на рис.2б, рис.2в, рис.2г, - Ответ на вопрос №36591Какой вид имеет ток, показанный на рис.2б, рис.2в, рис.2г, - Ответ на вопрос №36591
2024-03-072024-03-07СтудИзба
Какой вид имеет ток, показанный на рис.2б, рис.2в, рис.2г, - Ответ на вопрос №36591
-5%
Вопрос
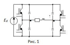
Какой вид имеет ток, показанный на рис.2б, рис.2в, рис.2г,протекающий через диод в схеме рис.1?


- рис.2в
- рис.2г
- рис.2б
Ответ

Хочешь зарабатывать на СтудИзбе больше 10к рублей в месяц? Научу бесплатно!
Начать зарабатывать
Начать зарабатывать