Ответ на вопрос №36626: Как влияет увеличение индуктивности в цепи источника питания на величину тока нагрузки в схеме? ток нагрузки увеличивается ток нагрузки уменьшается ток нагрузки практически остается неизменным Как влияет увеличение индуктивности в цепи источника питания на - Ответ на вопрос №36626Как влияет увеличение индуктивности в цепи источника питания на - Ответ на вопрос №36626
2024-03-072024-03-07СтудИзба
Как влияет увеличение индуктивности в цепи источника питания на - Ответ на вопрос №36626
-11%
Вопрос
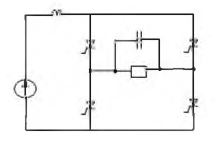
Как влияет увеличение индуктивности в цепи источника питания на величину тока нагрузки в схеме?
- ток нагрузки увеличивается
- ток нагрузки уменьшается
- ток нагрузки практически остается неизменным
Ответ

Хочешь зарабатывать на СтудИзбе больше 10к рублей в месяц? Научу бесплатно!
Начать зарабатывать
Начать зарабатывать
zzyxel

















