Uchebnoe_posobie_dlya_vypolenia_DZ_po_TK M_Misha_15_04_2014 (1) (769664), страница 9
Текст из файла (страница 9)
Проведем более подробный анализ способов литья в песчаные и оболочковые формы
| Показатель | Литье в песчаные формы | Литье в оболочковые формы | ||||
| +/- | Сумм. | Целесообразность | +/- | Сумм. | ||
| Материал отливки | ВЧ 60 | + | 6 | ВЧ 60 | + | 5 |
| Максимальная масса отливок, кг | 200 000 | + | 150 | + | ||
| Максимальный размер | Неогранич. | + | 1500 | + | ||
| Толщина стенок, мм Min Max | 3.0 Неогранич. | + | 2,0 12 | - | ||
| Класс точности отливок | 9-13 | - | 6-11 | - | ||
| Шероховатость поверхности Ra, мкм | 80…20 | - | 40…10 | + | ||
| Минимальный припуск на механическую обработку (на сторону), мм. | 0.3…6.0 | + | 0.4…2 | + | ||
| Относительная себестоимость 1 т отливок, отн. ед. | 1.0 | + | 1.5…2.0 | - | ||
| Экономичная оправданная серийность, шт./год | Неогранич | + | 200…10000 | + | ||
На основе уточненного анализа технологичности выбираем способ литье в песчаные формы.
3.Разработка чертежа элементов литейной формы
Уточнение чертежа детали.
Так как на чертеже детали не указана точность ее изготовления, то точность заготовок назначаем исходя из способа изготовления отливки.
Литье в песчаные формы обеспечивает изготовление отливок, которые соответствуют 7..13-му классу точности. В условиях массового производства литьем в песчаные формы можно обеспечить 7 класс точности.
Выбор расположения модели и отливки в литейной форме
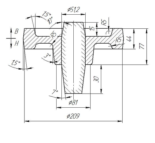
Так как заготовка – симметричное тело вращения высотой 73 мм и наибольшим диаметром 205 мм, то модель следует расположить горизонтально.
Расчет припуска на механическую обработку
Уточняем класс точности и ряд припуска на механическую обработку: 4-ый класс точности, первый ряд допуска.
Выбираем допуски линейных размеров для выбранного класса точности. В качестве номинального размера принимаем наибольший габаритный размер отливки, равный 205 мм.
| Обрабатываемая поверхность | Допуск размера, мм | Припуск на механическую обработку (на сторону), мм |
| D 54 | 0.125 | 1.4 |
| D 205 | 0.32 | 2.0 |
Выбор величины формовочных уклонов.
Высота формообразующей поверхности (т.п. 7), перпендикулярной плоскости разъема равна:
В соответствии с высотой наружной формообразующей высоты h=20 мм, β = 3º, h=40 мм, β = 1.5º.
Расчет закруглений между пересекающимися поверхностями.
Радиус скругления между конусами:
R=1/3*(25+48)/2=6.08 мм, т.е. принимаем R=5 мм
Радиус скругления между цилиндром и конусом
R=1/5*(54+48)/2=5.1 мм, т.е. принимаем R=5 мм
Остальные радиусы скругления 5 мм.
Выбор припуска на усадку
При литье в разовые формы (песчаные и оболочковые) припуск на усадку можно принять равной величине свободной литейной усадке сплава Epsл. Для чугуна величина свободной литейной усадки Epsл =1%. По полученным чертежам элементов литейных форм можно изготавливать литейно-модельную оснастку (металлические модельные плиты).
Подсчет коэффициентов КВГ, КВТ, КИМ
Mдетали= 9.1кг
Мотливки = 1,1Мдетали = 10.01 кг.
КВГ = 0,75 – принимаем для ВЧ60
Миспользованного в отливке металла= Мотливки/ КВГ= 10.01 / 0,75=13.34 кг
КВТ = Мдетали/М отливки = 9.1/10.01 = 0,91
КИМ = КВГ*КВТ = 0,75*0,91 = 0,683
Рис. 3.5. Эскиз отливки ступицы.
4. Анализ технологичности конструкции отливки
| N | Признаки технологичности | Способ изготовления | ||
| Л | ОР | |||
| 1 | Хорошие литейные свойства | - | ||
| Распол. отлив. в форме | 2 | Расположение отливки в одной полуформе | - | |
| 3 | Плоский разъем формы | + | ||
| 4 | Минимальное количество разъемов формы | + | ||
| Требов. к наружн. поверх. Отливки | 5 | Отсутствие выступающих частей, мешающих извлечению модели (отливки) из формы | + | |
| 6 | Наличие конструктивных уклонов совпадающих с литейными | +/- | ||
| 7 | Отсутствие больших углублений на наружных поверхностях отливки | + | ||
| Требов. к внутр. поверх. Отливки | 8 | Минимальное количество стержней, применяемых при сборке формы. | + | |
| 9 | Удобство простановки и надежность крепления стержней в форме | + | ||
| 10 | Удобство вывода газов из стержней и удаление стержней из отливки | + | ||
| Треб. к констр. стенки отливки | 11 | Обеспечение минимально допустимой толщины стенок | + | |
| 12 | Отсутствие местных скоплений металла | + | ||
| 13 | Наличие оптимальных размеров скруглений между пересекающимися и сопрягаемыми стенками отливки | + | ||
| 14 | Отсутствие тонких горизонтальных поверхностей большой протяженности | + | ||
| 15 | Максимальный выход годного металла | 0.75 | ||
| Треб. к отливке подверг механ. обра- ботке | 16 | Хорошая обрабатываемость резанием | Kv=1+/- | Kv= 1.7 + |
| 17 | Максимальная весовая точность отливки (mдет/mотл) | 0.91 | 0.31 | |
| 18 | Расположение обрабатываемых поверхностей на одном уровне | + | + | |
| 19 | Возможность механической обработки отливки за один установ на станке | - | - | |
| 20 | Минимальная шероховатость отливки | - | - | |
| 21 | Минимальная длина обрабатываемых поверхностей отливки | + | - | |
| 22 | Минимальная величина дефектного слоя на поверхности заготовки | - | + | |
| 23 | Низкий уровень внутренних напряжений в заготовке | + | + | |
| 24 | Равномерная высокая жесткость конструкции | + | + | |
| 25 | Возможность контроля качества | + | + | |
| 26 | Максимальный коэффициент использования металла | 0.683 | 0.31 | |
5. Вывод
Сравнивая коэффициент использования материала для двух различных способов получения одной и той же детали, приходим к выводу, что литье в песчаную форму, является экономически и технологически более целесообразным в условиях массового производства. Т.к. его КИМ=0.683 (кроме того, часть материала ушедшая в прибыль подвергается переплавке и вновь используется в производственном процессе), а КИМ детали, полученной механической обработкой гораздо меньше, 0.31. Кроме того, хочется заметить, что для данной задачи, в условиях низкой ответственности и механической нагруженности детали литая структура является более приемлемой.
Глава 4. Проектирование и изготовление сварной заготовки
Конструкция, форма, размеры или марка материала некоторых деталей машин не всегда позволяют изготовить их только одним технологическим методом, например, литьем, штамповкой или с использованием продукции прокатного производства. В этом случае целесообразно применять комплексную технологию, включающую два и более метода получения заготовки (например, литье и сварка или штамповка и сварка).
Обычно 70 – 80% сварных соединений при производстве машиностроительной продукции получают с использованием способов сварки плавлением. В связи с этим рассмотрим технологический процесс проектирования заготовки на примере сварки плавлением соединяемых элементов.
4.1. Последовательность проектирования сварных заготовок
















