Uchebnoe_posobie_dlya_vypolenia_DZ_po_TK M_Misha_15_04_2014 (1) (769664), страница 12
Текст из файла (страница 12)
4.2.4. Выбор формы и размеров свариваемых элементов
Сварные изделия, как правило, изготавливают из профилей, а также литых, кованых и штампованных элементов. При выборе размеров и формы свариваемых элементов необходимо учитывать следующее:
- поперечное сечение, длина и количество сварных швов должны быть минимальными, что обеспечивает снижение тепловложения при сварке;
- предпочтение следует отдавать прямолинейным и непрерывным швам;
- при выборе формы и расположения свариваемых элементов следует учитывать, что стыковые соединения являются наиболее прочными;
- форма и взаимное расположение соединяемых элементов должны обеспечивать удобство доступа сварочного инструмента в зону сварки;
- необходимо избегать скопления и пересечения сварных швов в одном узле;
- в зоне сварки не должно быть ступенчатых переходов по толщине (в противном случае возможно разрушение конструкции в результате концентрации напряжений)
- желательно обеспечивать симметричное расположение швов относительно центра тяжести сварного соединения;
- сварные швы не должны располагаться в местах последующей механической обработки.
- размеры сварных заготовок должны соответствовать возможностям их обработки в термических печах и на металлорежущих станках.
Указанным рекомендациям соответствуют элементы простой геометрической формы: прямолинейные, цилиндрические, конические и полусферические с прямыми, кольцевыми, стыковыми и тавровыми соединениями между ними. При выборе заготовок для изготовления сварного изделия следует отдавать предпочтение профилям и их сочетаниям. При этом необходимо стремиться к минимальному количеству типоразмеров и толщин свариваемых элементов.
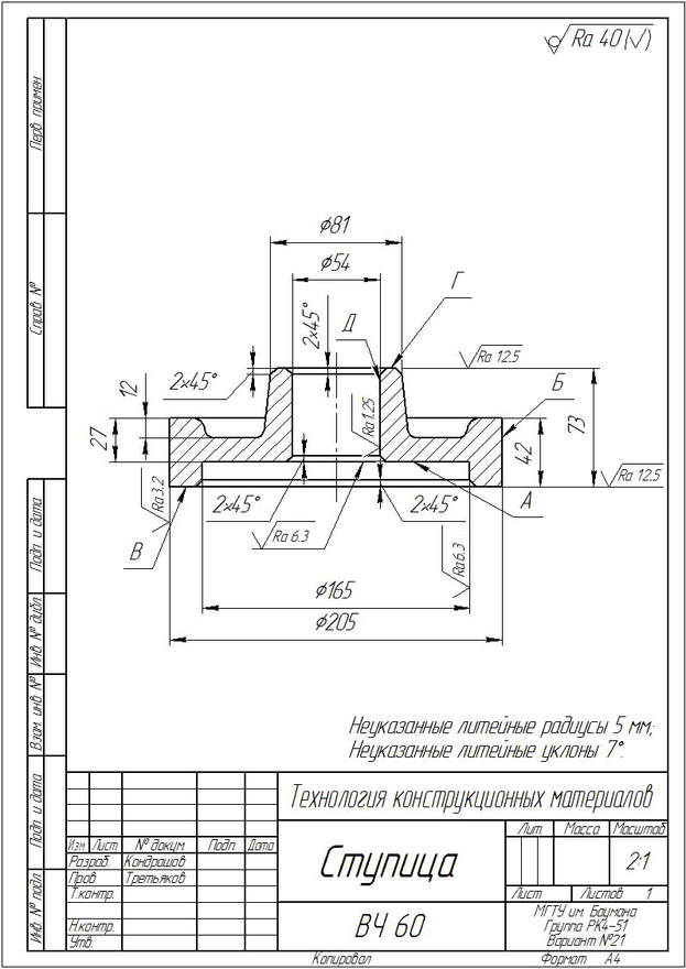
4.3 Пример решения технологической задачи по изготовлению сварной заготовки ступицы
1. Выбор марки материала элементов сварной заготовки
Анализ исходных данных и эскиза проектируемой детали (рис.1)
показал, что для сварной заготовки целесообразно использовать поковку и профиль в виде толстостенной трубы, изготовленных из низкоуглеродистой стали. Поскольку технологический процесс изготовления заготовки предполагает применение сварки плавлением, объемной штамповки и обработки резанием, то целесообразно использовать сталь 20, обладающую оптимальным сочетанием комплекса свойств: механических и технологических (хорошей свариваемостью, деформируемостью и обрабатываемость режущим инструментом).
2. Выбор вида (способа) сварки плавлением
Выбор вида (способа) сварки осуществляют на основе конструкторско-технологических признаков проектируемой детали и данных, приведенных в табл.4.1 и Приложении 1. На основе анализа установлено, что автоматическая дуговая сварка в атмосфере СО2 плавящимся электродом является рациональным способом соединения центральной части ступицы (фланца) с кольцом.
3. Выбор типа сварного соединения и вида швов
Тип сварного соединения определяется с учетом формы и взаимного расположения свариваемых элементов. Вид сварного шва выбирается в зависимости от типа соединения.
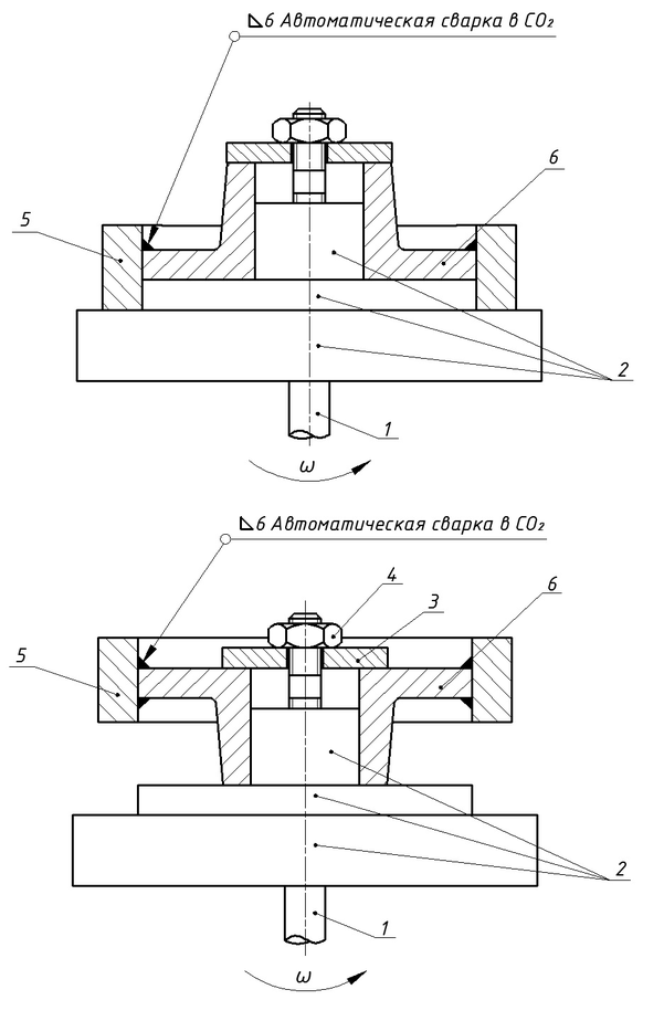
В соответствии с данными, приведенными в табл.4.2 и 4.3, для проектируемой заготовки ступицы целесообразно применить тавровое соединение без разделки кромок. Вид сварного шва – угловой с нормальным профилем.
4. Выбор пространственного положения при сварке
При сварке плавлением оптимальным для формирования сварного шва является нижнее пространственное положение.
Кроме того, при выборе расположения сварного соединения следует учитывать, что условия формирования стыковых и угловых швов в нижнем пространственном положении отличаются.
Формирование стыкового шва происходит в благоприятных условиях. Формирование углового шва - в более сложных. Наилучшие результаты при сварке угловых швов обеспечиваются при сварке наклонным электродом и сварке в симметричную «лодочку». Принимаем - пространственное положение при сварке нижнее с наклоном электрода.
При сварке угловых швов без разделки кромок прочность сварного соединения обеспечивается назначением размера катета углового сварного
шва в зависимости от толщины свариваемых элементов.
Размер катет угловых швов определяем по табл. 4.4.
Таблица 4.4
Размера катета углового сварного шва
| Толщина свариваемых элементов S,мм | Рекомендуемый размер катета шва К, мм |
| 3≤S<4 4≤S<5 5≤S<7 7≤S<11 11≤S<22 22≤S<40 S≥40 | 3 4 5 6 8 9 10 |
Если толщина свариваемых элементов неодинакова, то катет выбирают по наименьшей толщине. В нашем случае толщина трубы (см.рис.4.1) S1 = 20мм, а толщина привариваемого к ней фланца S =15мм. Значение размера катета принимаем исходя из толщины фланца15мм. Из рис.4.1 видно, что фланец приварен к трубе двумя угловыми швами, поэтому катет шва без разделки кромок определяем исходя из толщины 7,5мм. В данном примере он определяется по табл.4.4 - К=6мм.
Рис.4.1. Поперечное сечение таврового соединения без разделки кромок и зазора, выполненного двусторонним швом наклонным электродом
4. Определение массы наплавленных швов
Массу наплавленного металла угловых швов таврового соединения (Приложение 2) определяем как:
Мш= 2×F1 × Lш ×ρ,
где : F1 – площадь поперечного сечения шва, F1=0,5х0,62=0,18 см2;
Lш - длина углового шва сварного соединения кольца с фланцем диаметром D=16,5см, Lш =πхD,=3,14х16,5=51,81 см (рис.1);
ρ – плотность стали, 7,8 г/см3.
Тогда:
Мш= 2х0,18×51,81х7,8=145,48г.
4. Выбор формы и размеров свариваемых элементов
Сварная заготовка ступицы образуется в результате соединения фланца и кольца. Фланец изготовляется горячей объемной штамповкой открытом штампе по аналогии с технологическим процессом изготовления штампованной поковки ступицы, рассмотренной в главе 2. Эскиз поковки фланца приведен на рис. 4.2.
Рис. 4.2. Эскиз поковки фланца
Второй элемент сварной заготовки изготавливается механической обработкой резанием толстостенной трубы размером 219×28 мм (ГОСТ 8732 - 78), эскиз которого приведен на рис.4.3.
Рис. 4.3. Эскиз кольца
Перед началом сборочно – сварочных мероприятий поковку подвергают обработке резанием – растачивают отверстие до диаметра 50 мм (поверхность Д) и наружную цилиндрическую поверхность диаметром 165 мм (рис.1).
Для обеспечения требуемых размеров и формы конструкции
сборку и сварку элементов осуществляют в приспособлении (рис. 4.4). Эскиз сварной заготовки ступицы приведен на рис. 4.5.
Рис. 4.4. Эскиз заготовки в сборочно – сварочном приспособлении
Рис. 4.5. Эскиз сварной заготовки ступицы
5. Анализ технологичности сварной заготовки
При сварке под технологичностью понимают выбор способов сварки, позволяющих получать качественные сварные соединения с минимальными затратами труда, средств, материалов и времени их изготовления.
Технологичные сварные заготовки должны отвечать основным требованиям, приведенным в табл.4.5.
Анализ технологичности сварной заготовки Таблица 4.5
| № | Признаки технологичности | Способ изготовления | |
| Сварка | ОР | ||
| 1 | Исходная заготовка в виде сортового проката | + | |
| 2 | Хорошая свариваемость материала заготовки | + | |
| 3 | Максимальная весовая точность заготовки (mд / mз). | 0.532 - | |
| 4 | Низкий уровень напряжений в заготовке. | - | |
| 5 | Унификация размеров и форм обрабатываемых элементов заготовки для сокращения номенклатуры используемого инструмента. | + | |
| 6 | Геометрическая форма и соотношение размеров заготовки, обеспечивающие возможность использования высокопроизводительной сварки. | + | |
| 7 | Обеспечение фиксации взаимного расположения свариваемых заготовок | + | |
| 8 | Симметричное расположение швов относительно центра тяжести сварного соединения | + | |
| 9 | Непрерывные сварные швы | + | |
| 10 | Отсутствие пересечения сварных швов | + | |
| 11 | Отдаленность обработанных поверхностей от зон сварки | - | |
| 12 | Применение прямолинейных и кольцевых швов | + | |
| 13 | Геометрическая форма обрабатываемых поверхностей, обеспечивающая равномерную и безударную работу режущего инструмента. | + | |
| 14 | Четкое разделение поверхностей заготовки, обрабатываемых на различных технологических операциях, разным инструментом и с различной степенью точности. | + | |
| 15 | Расположение обрабатываемых поверхностей на одном уровне | + | + |
| 16 | Возможность механической обработки поковки и трубы за один установ на станке | - | - |
| 17 | Минимальная шероховатость | - | - |
| 18 | Минимальная длина обрабатываемых поверхностей отливки | + | - |
| 19 | Минимальная величина дефектного слоя на поверхности заготовки | - | + |
| 20 | Низкий уровень внутренних напряжений в заготовке | + | + |
| 21 | Равномерная высокая жесткость конструкции | + | + |
| 22 | Возможность контроля качества | + | + |
| 23 | Максимальный коэффициент использования металла | 0.532 | 0.31 |
5. Вывод
Анализ технологичности сварной заготовки показал, что коэффициент использования материала при изготовлении этого вида заготовки ниже, чем при получении отливки и поковки проектируемой детали. Кроме того, в процессе механической обработки резанием на поверхности А срезается один из кольцевых швов, в результате чего существенно снижается прочность сварного соединения.
Глава 5. Выбор оптимального метода изготовления заготовки проектируемой детали
Анализ вариантов изготовления заготовок проектируемой детали показал, что минимальный объем механической обработки резанием требуется при изготовлении изделия из отливки, эскиз которой приведен на рис. 3.5.
Последовательность механической обработки отливки на токарно-винторезном станке.
Установ 1.
-
Установить заготовку в трехкулачковый самоцентрирующий патрон по поверхности «Б».
-
Подрезать торцовую поверхность «В». Инструмент: токарный проходной отогнутый резец.
-
Расточить отверстие 165 мм на глубину 15 мм. Инструмент: токарный проходной упорный резец.
-
Расточить отверстие 54 мм поверхность «Д». Инструмент: токарный расточной резец для обработки сквозных отверстий.
-
Снять фаску в отверстие 165 мм. Инструмент: токарный проходной отогнутый резец.
-
Снять фаску в отверстии 54 мм. Инструмент: токарный проходной отогнутый резец.
Установ 2.
-
Установить заготовку в трехкулачковый самоцентрирующий патрон по поверхности 165 мм.
-
Подрезать торцовую поверхность «Г», выдержав размер 73 мм. Инструмент: токарный проходной отогнутый резец.
-
Подрезать торцовую поверхность «Е» выдержав размер 42 мм. Инструмент: токарный проходной отогнутый резец.
-
Обточить наружную цилиндрическую поверхность «Б» до 205 мм. Инструмент: токарный проходной отогнутый резец.
-
Снять фаску на наружной поверхности 81 мм. Инструмент: токарный проходной отогнутый резец.
12 Снять фаску на внутренней поверхности 54 мм. Инструмент: токарный проходной отогнутый резец.
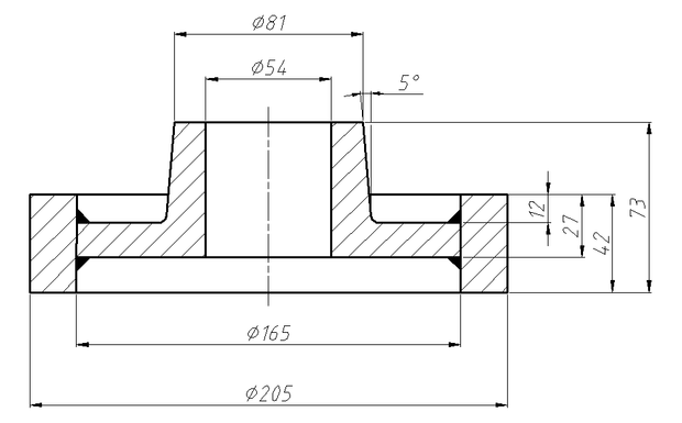
Чертеж технологичной детали (ступицы) приведен на рис. 5.1.
Рис.5.1.Чертеж технологичной детали.
ПРИЛОЖЕНИЕ 1
Требования к технологичности конструкции отливки.
Для создания технологичной литой детали конструктор должен учесть многие факторы в том числе технологические свойства применяемого сплава, способа литья и вид механической обработки.
ПРИЛОЖЕНИЕ 2
Основные виды способы луговой сварки
-
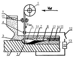
Ручная дуговая сварка плавящимся покрытым электродом (РДС)
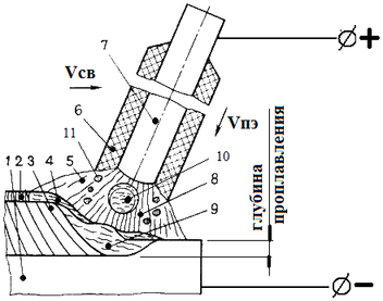
| Ручная дуговая сварка плавящимся покрытым электродом - дуговая сварка плавящимся электродом, выполняемая вручную с использованием покрытого электрода. Плавящийся электрод для дуговой сварки - металлический электрод, включаемый в цепь сварочного тока для подвода его к сварочной дуге, расплавляющийся при сварке и служащий присадочным металлом. Покрытый электрод - плавящийся электрод для дуговой сварки, имеющий на поверхности покрытие, адгезионно связанное с металлом электрода. Покрытие электрода - смесь веществ, нанесенная на электрод для усиления ионизации, защиты от вредного воздействия среды, металлургической обработки сварочной ванны. |
| Схема ручной дуговой сварки плавящимся покрытым электродом (РДС) При РДС источником теплоты является электрическая (сварочная) дуга 8. Для образования и поддержания электрической дуги к электроду и свариваемому изделию от источника питания подводится переменный или постоянный сварочный ток (процесс сварки на постоянном токе стабильнее, чем на переменном). Зажигание сварочной дуги производится вручную в результате касания электрода поверхности свариваемых элементов. В процессе сварки дуга 8 горит между торцом металлического стержня 7 электрода и основным металлом 1. Под действием теплоты дуги металлический стержень электрода плавится и расплавленный металл 10 каплями стекает в сварочную ванну 9. Вместе со стержнем плавится покрытие электрода 6, образуя газовую защитную атмосферу 5 вокруг дуги. Капли расплавленного защитно-легирующего покрытия 11 формируют жидкую шлаковую ванну 4 на поверхности расплавленного металла. По мере расходования электрод вручную подается в зону сварки со скоростью Vпэ (скорость подачи электрода), равной средней скорости его плавления, что обеспечивает постоянство средней длины дугового промежутка (длины дуги) Lд*. Газовая защитная атмосфера и жидкая шлаковая ванна изолируют зону сварки от окружающего воздуха. При перемещении вручную дуги со скоростью сварки Vсв сварочная ванна затвердевает и формируется сварной шов 3. В состав сварного шва входят как электродный (металл электрода), так и основной металл. Затвердевший жидкий шлак образует твердую шлаковую корку 2 на поверхности сварного шва, которая защищает остывающий твердый металл от влияния окружающей среды. Для обеспечения стабильности процесса сварка осуществляется на постоянном токе. Для увеличения глубины проплавления (увеличения производительности сварки) применяется обратная полярность («+» - на электроде; «- » - на изделии). Для предотвращения образования дефектов сварка выполняется при определенной длине дуги. *Длина дуги Lд – расстояние от торца металлического стержня электрода до поверхности сварочной ванны. |
Преимущества, недостатки, область применения.
| Преимущества. | Недостатки. |
| 1. Возможность выполнения прямолинейных и криволинейных швов в любых пространственных положениях. 2. Возможность выполнения швов в труднодоступных местах, а также при монтажных работах и сборке конструкций сложной формы. 3. Простота, дешевизна и транспортабельность оборудования. 5. Возможность сварки самых различных сталей благодаря широкому выбору выпускаемых марок электродов. 6. Возможность визуального контроля за формированием сварного шва. | 1. Влияние на качество сварки субъективного фактора. 2. Сварка коротких швов из-за ограниченной длины электрода. 3. Для предотвращения образования шлаковых включений в многопроходных швах необходимо очищать от шлака ранее сваренный шов перед укладкой последующего. 4. Низкая производительность из-за невозможности применения больших сварочных токов и затрат времени на смену электрода. 5. Вредные условия процесса сварки
|
| Область применения. В промышленности – единичное производство (опытное, ремонтное), в строительстве – монтажное производство. | |
-
Автоматическая дуговая сварка под флюсом проволочным электродом (электродной проволокой)
| Автоматическая дуговая сварка - дуговая сварка, при которой возбуждение дуги, подача плавящегося электрода или присадочного металла и относительное перемещение дуги и изделия осуществляются механизмами без непосредственного участия человека, в том числе и по заданной программе. Дуговая сварка под флюсом - дуговая сварка плавящимся электродом, при которой используются один или несколько проволочных электродов, а так же гранулированный флюс, который подается и плавится, полностью закрывая дугу. Электродная проволока - сварочная проволока для использования в качестве плавящегося электрода. Сварочный флюс - материал, используемый при сварке для химической очистки соединяемых поверхностей и улучшении качества шва. Флюс для дуговой сварки - сварочный флюс, защищающий дугу и сварочную ванну от вредного воздействия окружающей среды и осуществляющий металлургическую обработку ванны. Дуговая сварка под флюсом проволочным электродом - дуговая сварка под флюсом, при которой используют только один проволочный электрод. Дуговая сварка под флюсом может быть автоматической и механизированной. Механизированная дуговая сварка - дуговая сварка, при которой подача плавящегося электрода или присадочного металла, или относительное перемещение дуги и изделия выполняются с помощью механизмов. |
| Схема дуговой сварки под флюсом проволочным электродом. |
| При дуговой сварке под флюсом проволочным электродом источником теплоты является сварочная дуга 1. Для сварки используют непокрытую электродную проволоку и флюс, который защищает дугу, сварочную ванну и сварной шов от влияния атмосферы. Сварочная дуга 1 горит между свариваемыми заготовками 2 (основной металл) и концом электродной проволоки 3 (электродный металл). Сварочный ток к проволоке подводится через скользящий токоподвод 4 по электрической цепи 11 от источника переменного (~) или постоянного (–) тока 13 при замыкании контактора 12. Зона сварки закрыта высыпающимся из бункера 9 мелкозернистым флюсом 14, образующим на поверхности свариваемого металла слой толщиной 30…80 мм и шириной 40…100 мм. Под влиянием теплоты дуги электродная проволока плавится и по мере расплавления подаётся в зону сварки из кассеты 5 роликами 10 подающего механизма с постоянной скоростью Vпп . Кроме того, дуга расплавляет основной металл и часть флюса, находящегося в зоне дуги. В области горения дуги образуется полость 6, изолированная от окружающей среды. Капли расплавленной электродной проволоки, расплавленный основной металл и расплавленный флюс (жидкий шлак) смешиваются и образуют сварочную ванну 8. Расплавленный флюс 7 вследствие значительно меньшей плотности всплывает на поверхность расплавленного металла и покрывает его плотным слоем. Электродная проволока вместе с дугой перемещается в направлении сварки (Vсв). Капли плавящейся электродной проволоки и жидкий металл сварочной ванны под силовым воздействием дуги отталкиваются в сторону, противоположную движению дуги. По мере удаления дуги металл сварочной ванны начинает охлаждаться, а затем затвердевает, образуя сварной шов 15. Затвердевший шлак образует на поверхности шва шлаковую корку 16. После прекращения сварки и охлаждения металла шлаковая корка удаляется с поверхности шва. Нерасплавленный в процессе сварки избыточный флюс убирается и используется в дальнейшем при последующей сварке. |
Преимущества, недостатки, область применения.
| Преимущества. | Недостатки. |
| 1. Возможность использования больших сварочных токов (от 500 до 1500 А). Отсутствие покрытия позволяет приблизить токоподвод к торцу проволоки (на расстояние 40 – 60 мм от торца электродной проволоки), устраняя тем самым перегрев электрода даже при больших значениях сварочного тока. 2. Возрастание производительность процесса сварки в 10 – 15 раз. Высокая производительность достигается: использованием больших сварочных токов и, как следствие, увеличением коэффициента наплавки до 20…25 г/(А·ч); непрерывностью процесса сварки; более полным использованием теплоты дуги для сварки (до 95%). 3. Увеличение глубины проплавления в связи с повышением тепловой мощности и давления дуги вследствие использования больших сварочных токов. 4. Существенное снижение потерь на угар и разбрызгивание (потери не более 3%) в результате флюсовой защиты сварочной ванны. 5. Повышение качества сварных швов в результате применения флюса, обеспечивающего: защиту дуги и сварочной ванны от вредного воздействия окружающей среды; очищение металла шва от загрязнений; раскисление, легирование и рафинирование металла сварочной ванны; благоприятное формирование сварного шва. 6. Возможность механизации процесса сварки. 7. Не требуется защитных приспособлений от светового излучения дуги, т.к. дуга горит под слоем флюса. 8. Не требуется высокая квалификация сварщика. | 1. Значительный нагрев изделия в процессе сварки и, как следствие, большие сварочные деформации и напряжения. 2. Сварка только в нижнем положении (без специальных приспособлений максимальный наклон изделия до 15°) из-за повышенной текучести расплавленных металла и флюса. 3. Неэкономичность использования при сварке коротких швов протяженностью менее 250 мм. 4. Для предотвращения образования шлаковых включений в многопроходных швах необходимо очищать от шлака ранее сваренный шов перед укладкой последующего. 5. Невозможность непосредственного наблюдения за формированием сварного шва. |
| Область применения. Тяжелое транспортное, нефте-химико-энергетическое машиностроение. В строительстве монтажная сварка при возведении мостов, листовая сварка резервуаров, листовая сварка в судостроении. Тип производства–массовое. | |
3. Сварка в среде защитных газов
При сварке плавлением в защитных газах источником теплоты является сварочная дуга. В качестве защитных газов используются чистые инертные газы(Ar – аргон; He – гелий) или их смеси (смесь Ar + He), активные газы (N2 – азот; CO2 – углекислый газ) и смеси инертных и активных газов.
3.1. Дуговая сварка в защитном газе плавящимся электродом
| Дуговая сварка в защитном газе плавящимся электродом - дуговая сварка плавящимся электродом, при которой используют электродную проволоку, а дугу и сварочную ванну защищают от атмосферы газом, подаваемым снаружи. Дуговая сварка в защитном газе плавящимся электродом может быть автоматической и механизированной |
| Автоматическая дуговая сварка в защитном газе плавящимся электродом |
|
Схема автоматической дуговой сварки в защитном газе плавящимся электродом При дуговой сварке в защитном газе плавящимся электродом источником теплоты является сварочная дуга 1, горящая между плавящимся электродом (сварочной проволокой) 2 и изделием 3. В зону сварки через сопло* 4 подаётся защитный газ 5(ЗГ), защищающий металл сварочной ванны 6, капли электродного металла и нагретый участок сварного шва 7 от воздействия активных газов атмосферы. Теплотой дуги расплавляются кромки свариваемого изделия и электродная (сварочная) проволока. Расплавленный металл сварочной ванны 6, кристаллизуясь, образует сварной шов 7, на поверхности которого находится тонкий слой шлака 8. Дуговую сварку в защитных газах плавящимся электродом ведут на постоянном токе обратной полярности, т.к. при переменном токе из-за сильного охлаждения столба дуги защитным газом, дуга может прерываться. Напряжение на сварочную проволоку подается через скользящий токоподвод 9. По мере плавления сварочная проволока поступает в зону сварки с постоянной скоростью Vпп, что обеспечивается механизмом подачи сварочной проволоки. В качестве электродного металла применяют сварочную проволоку близкую по химическому составу к основному металлу. Выбор защитного газа определяется его инертностью к свариваемому металлу, либо активностью, способствующей рафинации металла сварочной ванны. Для сварки цветных металлов и сплавов на их основе применяют инертные одноатомные газы (аргон, гелий и их смеси). Для сварки меди и кобальта можно применить азот. Для сварки углеродистых и низколегированных сталей применяют углекислый газ. Но углекислый газ диссоциирует в дуге при высоких температурах, образуя оксид углерода СО и кислород О2. Кислород вступает в химическую реакцию с металлом, что способствует выгоранию легирующих компонентов и компонентов – раскислителей (кремния, марганца). В связи с этим сварочную проволоку следует выбрать с повышенным содержанием этих элементов. В ряде случаев целесообразно применять смесь инертных и активных газов, чтобы повысить устойчивость дуги, улучшить формирование шва, воздействовать на его геометрические параметры, уменьшить разбрызгивание. * Сопло горелки для дуговой сварки- сопло для подвода и направления газа с целью защиты сварочной ванны и электрода от воздействия воздуха. |
| Механизированная дуговая сварка в защитном газе плавящимся электродом |
|
Схема механизированной дуговой сварки плавящимся электродом в защитном газе Механизированная сварка в защитном газе — процесс сварки, при котором электродная проволока 4 подается с постоянной скоростью Vпп (скорость подачи проволоки) в зону сварки и одновременно в эту же зону через сменное сопло 2 поступает защитный газ (ЗГ). ЗГ обеспечивает защиту 10 расплавленного или нагретого электродного и основного металлов от вредного воздействия окружающего воздуха. Подача сварочной проволоки и защитного газа в зону сварки обеспечивается при нажатии кнопки 12, находящейся на газовой горелке 1. При касании сварочной проволоки 4 с поверхностьтю свариваемых элементов 8 происходит зажигание сварочной дуги 5. Перемещение горелки относительно свариваемого изделия выполняется вручную. При сварке плавящимся электродом источником теплоты является электрическая (сварочная) дуга 5. Для образования и поддержания электрической дуги к свариваемому изделию и сварочной проволоке через токоподвод 3 от источника питания подводится переменный или постоянный сварочный ток (процесс сварки на постоянном токе стабильнее, чем на переменном). В процессе сварки дуга 5 горит между торцом сварочной проволоки 4 и основным металлом 8. Под действием теплоты дуги сварочная проволока плавится и расплавленный металл каплями 9 стекает в сварочную ванну 7. По мере расходования сварочная проволока подается в зону сварки с помощью подающего механизма 11 со скоростью, равной средней скорости ее плавления, что обеспечивает постоянство средней длины дугового промежутка (длины дуги) Lд*. При перемещении вручную дуги со скоростью сварки Vсв сварочная ванна затвердевает и формируется сварной шов 6. В состав сварного шва входят как электродный (металл сварочной проволоки), так и основной металл. Защитный газ 10 изолирует зону сварки от окружающего воздуха. Для обеспечения стабильности процесса сварка осуществляется на постоянном токе обратной полярности («+» - на электроде; «- » - на изделии) с фиксированным вылетом электрода l эл. Для предотвращения образования дефектов сварка выполняется при определенной длине дуги. * Длина дуги Lд – расстояние от торца электродной проволоки до поверхности сварочной ваны |
Преимущества, недостатки, область применения.
| Преимущества. | Недостатки. |
| 1. Повышенная производительность (по сравнению с дуговой сваркой покрытыми электродами). 2. Надежная защита зоны сварки от влияния атмосферы.. 3. Минимальная чувствительность к образованию оксидов. 4. Отсутствие шлаковой корки и, следовательно, исключение операции очистки от шлака ранее сваренного шва перед укладкой последующего при сварке многопроходных швов. 5. Практическое исключение в сварном шве неметаллических включений (т.к. защита только газовая). 6.Возможность сварки во всех пространственных положениях. 7. Возможность визуального контроля формирования шва. | 1. Чувствительность к сквозняку, ветру, которые могут выдувать защитные газы из зоны сварки 2. Большие потери электродного металла на угар и разбрызгивание (на угар элементов 5-7%, при разбрызгивании от 10 до 30%). 3. Мощное излучение дуги. 4. Ограничение по сварочному току (сварка возможна только на постоянном токе). 5. Дороговизна инертных газов, т.е. высокая стоимость сварки. 7. Требуется хорошая вентиляция. 8. Сварка в CO2 возможна в основном для углеродистых и низколегированных сталей. |
| Область применения. Практически все отрасли машиностроения; в строительстве на монтаже крупногабаритных конструкций; автоматическая сварка неповоротных стыков трубопроводов большого диаметра. | |
3.2. Дуговая сварка в защитном газе неплавящимся вольфрамовым (W) электродом
| Дуговая сварка в защитном газе неплавящимся вольфрамовым (W) электродом Неплавящийся электрод для дуговой сварки - деталь из электропроводного материала, включаемая в цепь сварочного тока для подвода его к сварочной дуге и не расплавляющаяся при сварке. Дуговая сварка в защитном газе неплавящимся электродом может быть автоматической, механизированной и ручной. | |
| а | б |
| Схема дуговой сварки в защитном газе неплавящимся вольфрамовым (W) электродом а – без присадки (может быть ручной и автоматической); б – с присадочной проволокой (с присадкой) (может быть ручной, механизированной и автоматической). Vсв – скорость сварки; Vпп – скорость подачи присадочной проволоки | |
| При дуговой сварке в защитном газе неплавящимся электродом (рис.а) источником теплоты является сварочная дуга 1, горящая между неплавящимся электродом 2 и изделием 3. В зону сварки через сопло 4 подаётся защитный газ 5 (ЗГ), защищающий металл сварочной ванны 6 и нагретый участок сварного шва 7 от воздействия активных газов атмосферы. Теплотой дуги расплавляются кромки свариваемого изделия. Расплавленный металл сварочной ванны, кристаллизуясь, образует сварной шов 7 на поверхности которого находится тонкий слой шлака 8. В состав шва входит только основной металл. Ток от источника питания к электроду подается с помощью токоподвода 9. Сварка может выполняться как на переменном, так и на постоянном токе. Неплавящийся электрод изготавливается из тугоплавкого материала - вольфрама. В качестве защитного газа при сварке вольфрамовым электродом применяются только инертные газы или их смеси - аргон, гелий, смесь аргона и гелия. Активный газ СО2 применять нельзя, т.к. образующийся при диссоциации СО2 в области высоких температур кислород окисляет вольфрамовый электрод, что приводит к его выгоранию. При сварке металла большой толщины для обеспечения проплавления основного металла и получения требуемых геометрических параметров сварного шва, сварку ведут по зазору или с разделкой кромок с добавлением присадочного (чаще всего в виде проволоки) металла (рис б). При сварке с присадкой в состав сварного шва входит основной металл и металл присадочной проволоки. | |
Преимущества, недостатки, область применения.
| Преимущества. | Недостатки. |
| 1. Высокая устойчивость дуги независимо от рода и полярности тока; 2. Возможно получение металла шва с долей участия основного металла от 0 ( с присадкой) до 100% (без присадки). 3. Изменяя скорость подачи, угол наклона и марку присадочной проволоки можно регулировать геометрические параметры сварного шва и химический состав металла шва. 4.Возможность сварки во всех пространственных положениях. 5. Возможность визуального контроля за формированием сварного шва. 6. Отсутствие шлаковой корки и, следовательно, исключение операции очистки от шлака ранее сваренного шва перед укладкой последующего при сварке многопроходных швов. 7. Практическое исключение в сварном шве неметаллических включений (т.к. защита только газовая). | 1. Низкая эффективность использования электрической энергии (коэффициент полезного действия от 0,40 до 0,55). 2. Необходимость в устройствах, обеспечивающих начальное возбуждение дуги. 3. Высокая скорость охлаждения сварного соединения (охлаждение изделия защитным газом). 4. Дороговизна инертных газов, т.е. высокая стоимость сварки. |
| Область применения. Практически все отрасли машиностроения; строительство (монтаж); сварка корневых швов трубопроводов малого диаметра. Тип производства – серийное, массовое. | |
ПРИЛОЖЕНИЕ 3
ОПРЕДЕЛЕНИЕ ПЛОЩАДИ НАПЛАВКИ
| Стыковые сварные соединения | |
|
Поперечное сечение стыкового соединения с разделкой кромок с зазором, выполненного односторонним швом на весу. S – толщина свариваемых элементов, мм; b – зазор между свариваемыми элементами, мм; b изменяется в пределах от 1,0 до 3 мм С - притупление кромок. С обычно составляет 2 мм. g– выпуклость шва, мм e – ширина шва, мм; h – глубина проплавления, мм; β – угол скоса кромок, 0 β изменяется в пределах от 300 до 100. α - угол разделки кромок, 0. α= 2 β. | Fн = F1 + F2 + F3, мм2; F1 = (S – C)2 × tg β, мм2; F2 = µн × e × g, мм2; F3 = b × h, мм2; Fн = (S – C)2 × tg β + µн × e × g + b × h, мм2; Fн – площадь наплавленного металла, мм2 ; µн – коэффициент полноты валика. µн ≈ 0,73. |
|
Поперечное сечение стыкового соединения без разделки кромок без зазора, выполненного односторонним швом на неостающейся медной подкладке (кольце). | Fн = F2, мм2; Fн = µн × e × g, мм2; µн ≈ 0,73; е = 1,3×S; g = 0,15×S; Рп – усилие прижима неостающейся медной подкладки (кольца). |
|
Поперечное сечение стыкового соединения с разделкой кромок без зазора, выполненного односторонним швом на неостающейся медной подкладке (кольце). | Fн = F1 + F2, мм2; F1 = (S-С)2 ×tg β, мм2; F2 = µн × e × g, мм2; Fн = (S-С)2 ×tg β + µн × e × g, мм2; С = 3 мм; β = 300; µн ≈ 0,73; е = 1,3×S, мм; g = 0,15×S, мм; Рп – усилие прижима неостающейся медной подкладки (кольца). |
|
Поперечное сечение таврового соединения без разделки кромок без зазора, выполненного односторонним швом наклонным электродом или в симметричную «лодочку». | Fн = F1, мм2; Fн = 1/2×К2 , мм2 |
|
Поперечное сечение таврового соединения без разделки кромок без зазора, выполненного двусторонним швом наклонным электродом или в симметричную «лодочку». | Fн = F1, мм2; Fн = К2 , мм2 |
|
Поперечное сечение таврового соединения с разделкой кромок без зазора, выполненного односторонним швом наклонным электродом или в симметричную «лодочку». | Fн = F1 + F2, мм2; F1 = 1/2×{С×[2×dп + (S - С)] + (S - С)2}, мм2; F2 = 2× dп× (S - С), мм2; Fн = 1/2×{С×[2×dп + (S - С)] + (S - С)2} + 2× dп× (S - С), мм2; С = 3 мм; β = 450; dп – диаметр сварочной проволоки, мм; е = {С2 + [2×dп + (S - С)]2}1/2, мм; Рп – усилие прижима неостающейся медной подкладки (кольца). |
|
Поперечное сечение таврового соединения с разделкой кромок без зазора, выполненного двусторонним швом наклонным электродом или в симметричную «лодочку». | Fн = F1 + F2, мм2; F1 = {С×[2×dп + (S/2 - С)] + (S - С)2}, мм2; F2 = 4× dп× (S/2 - С), мм2; Fн = {С×[2×dп + (S/2 - С)] + (S/2 - С)2} + 4×dп× (S/2 - С), мм2; С = 3 мм; β = 450; dп – диаметр сварочной проволоки, мм; е = {С2 + [2×dп + (S/2 - С)]2}1/2, мм; |
|
Поперечное сечение углового соединения без разделки кромок без зазора, выполненного односторонним швом на неостающейся медной подкладке (кольце). | Fн = F2, мм2; Fн = µн × e × g, мм2; µн ≈ 0,73; е = 1,3×S; g = 0,15×S; Рп – усилие прижима неостающейся медной подкладки (кольца). |
|
Поперечное сечение углового соединения с разделкой кромок без зазора, выполненного односторонним швом на неостающейся медной подкладке (кольце). | Fн = F1 + F2, мм2; F1 = (S-С)2 ×tg β, мм2; F2 = µн × e × g, мм2; Fн = (S-С)2 ×tg β + µн × e × g, мм2; С = 3 мм; β = 300; µн ≈ 0,73; е = 1,3×S, мм; g = 0,15×S, мм; Рп – усилие прижима неостающейся медной подкладки (кольца). |
ПРИЛОЖЕНИЕ 4
ВАРИАНТЫ ДОМАШНЕГО ЗАДАНИЯ ПО ДИСЦИПЛИНЕ
«ТЕХНОЛОГИЯ КОНСТРУКЦИОННЫХ МАТЕРИАЛОВ»
Список литературы
-
Базаров Б.М. «Основы технологии машиностроения», М., Машиностроение, 2005 г.;
-
Даниленко Н.Б., Зубков Н.Н. «Выбор режимов резанья», М., МГТУ им. Н.Э.Баумана, 2005 г.;
-
Шачиева И.Б., Барсукова Т.М., Яковлев А.И. «Механическая обработка поверхностей заготовок», М., МГТУ им. Н.Э.Баумана, 2000 г.;
-
Технология изготовления отливок: Учебное пособие / А.Ф. Вязов, Е.А. Соколов, С.И. Лутковский и др.; Под ред. А.Ф. Вязова. – 2-е изд., испр. И доп. - М.: Изд-во МГТУ им. Н.Э. Баумана, 2004 г.
-
Основы технологии получения поковок: Учебное пособие / С.А. Евсюков, С.И. Лутковский, В.К. Стратьев, Ю.Х. Хациев; Под ред. С.А. Евсюкова. – М.: Изд-во МГТУ им. Н.Э. Баумана, 2005 г.
-
Технология конструкторских материалов. Курс лекций: учеб. пособие / А.Ф.Третьяков. – М.: Изд-во МГТУ им. Н.Э.Баумана, 2010.
-
Электронный марочник сталей http://www.splav.kharkov.com/main.php
-
Легчилин А.И., Мальцев В.П., Якушин Б.Ф. Обоснование выбора способа получения заготовок: Метод. указания по курсу ТКМ / Под ред. Б.Ф.Якушина. – М.: Изд-во МВТУ, 1989.
-
Кременский И.Г., Легчилин А.И., Стратьев В.К. Детали из штампованных поковок. Сборник задач по курсу «ТКМ» Ч.2 / М.: Изд-во МГТУ им. Н.Э. Баумана, 2003.
-
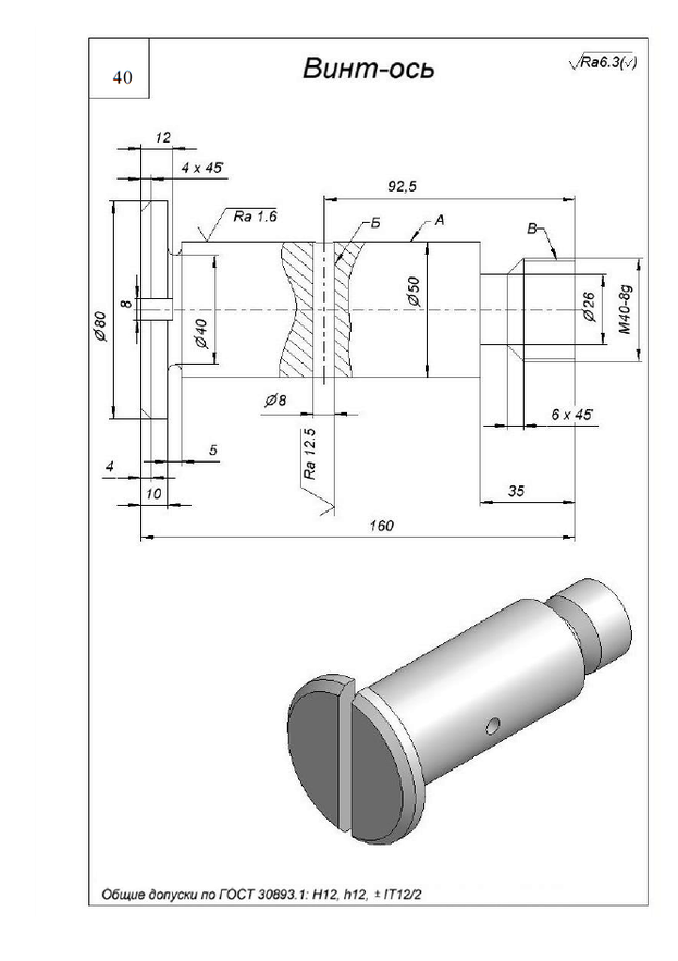
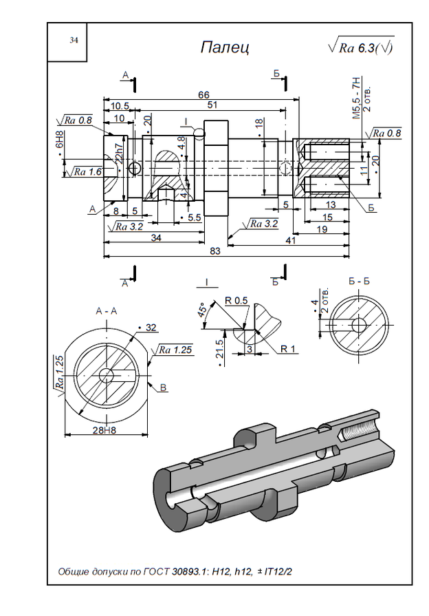
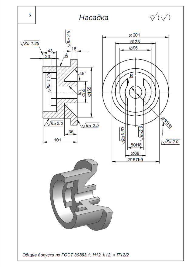
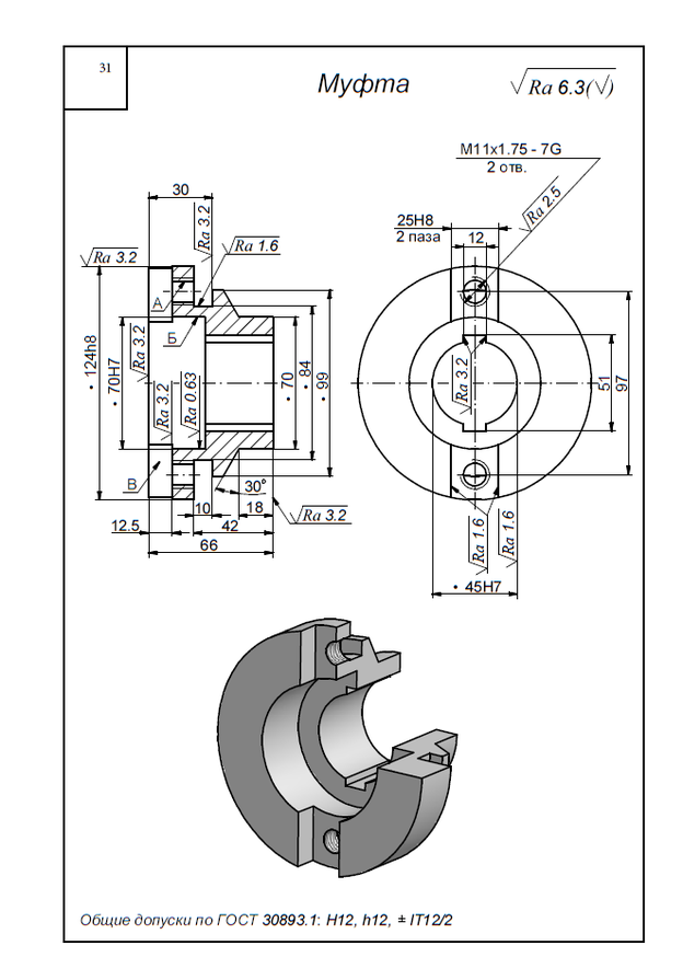
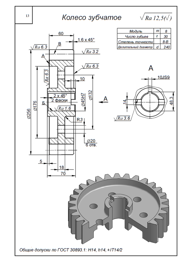
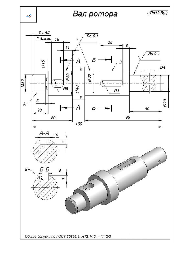
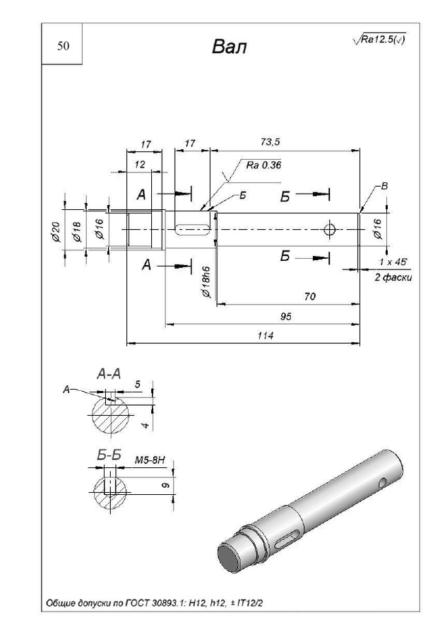
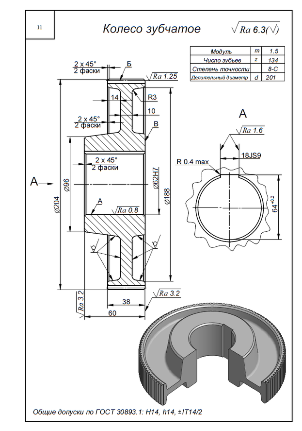
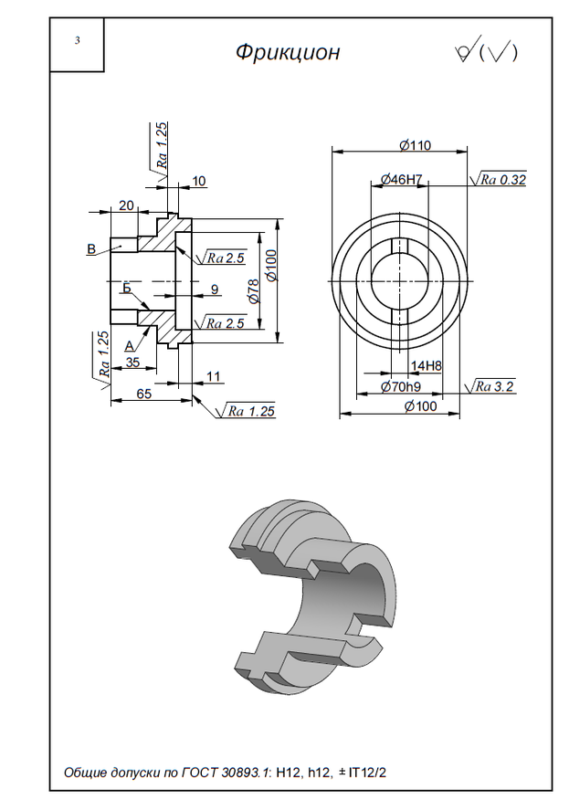
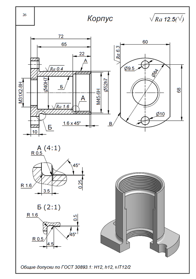
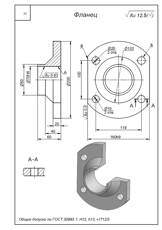
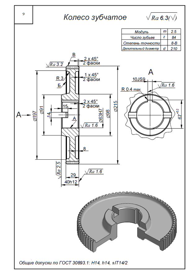
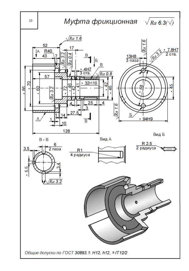
Ярославцев В.М., Алешин В.Ф., Ярославцева Н.А. «Сборник чертежей деталей машин к выполнению домашнего задания» / М.: Изд-во МГТУ им. Н.Э. Баумана, 2010.
17
4>5>7>11>22>40>
















