Uchebnoe_posobie_dlya_vypolenia_DZ_po_TK M_Misha_15_04_2014 (1) (769664), страница 3
Текст из файла (страница 3)
М: 2; 2,5; 3; 4; 5; 6; 8; 10; 12; 16; 20; 24; 30; 36; 42; 48; 56; 64; 68.
Модули зубчатых колес
1,0 … 3,0 с шагом 0,25; 3,5…6,0 с шагом 0,5.
Ширина дисковых трехсторонних фрез, мм
8; 9; 10; 12; 14; 16; 18; 20; …
Ширина дисковых прорезных фрез, мм
2,0; 2,5; 3,0; 3,5; 4,0; 4,5; 5,0; 5,5; 6,0.
Диаметры концевых фрез, мм
2; 4; 6; 8; 10; 12 14; 16; 18; 20; 22; 25; 28; 30; 32; 36.
Таблица 1.3
Точность обработки и качество поверхности
Рис 1.6. Размеры канавок для выхода шлифовального круга
После проведенного анализа, необходимо изобразить чертеж детали и объяснить, почему внесенные изменения улучшают технологичность.
ПРИМЕР
-
Анализ исходных данных детали, приведенной на рис. 1
-
Тип детали: тело вращения с соотношением
, что соответствует жесткой конструкции. Деталь включает поверхности: торцовые наружные цилиндрические, отверстия, фаски. -
Материал – сталь 25, низкоуглеродистая имеет хорошую обрабатываемость резанием.
-
Условия эксплуатации: агрессивная коррозионная среда, небольшие статические нагрузки.
-
Степень ответственности: неответственная деталь.
Поверхность А – торцовая, шероховатость Ra не более 6,3 мкм;
Поверхность Б – цилиндрическая наружная, шероховатость Ra не более 3,2мкм;
Поверхность В – торцовая, шероховатость Ra не более 6,3 мкм;
Поверхность Г – торцовая, шероховатость Ra не более 6, 3 мкм;
Поверхность Д – отверстие цилиндрическое, шероховатость Ra
не более 12,5мкм.
-
Выбор вида механической обработки резанием.
Поверхность А – растачивание черновое (Ra 10…3, 2 мкм,
квалитет ISO 11…8);
Поверхность Б – точение чистовое (Ra 6,3 …0,4 мкм, квалитет ISO 10…8); Поверхность В – точение получистовое (Ra 20…1,6; квалитет ISO 13…11); Поверхность Г - точение получистовое (Ra 20…1,6; квалитет ISO 13…11); Поверхность Д – растачивание чистовое (Ra 3,2…0,4;
квалитет ISO 10…8).
Выбор заготовки: заготовка сортовой прока, профиль круглого сечения; диаметр заготовки 210 мм; длина
= 80 мм. ГОСТ 2590-88.
-
Условия технической реализации обработки поверхностей.
Поверхности В и Г.
-
Вид обработки – точение получистовое (подрезание торцов заготовки)
-
Оборудование – токарно-винторезный станок, т.к. производство единичное, габариты детали средние.
-
Режущий инструмент – токарный проходной отогнутый резец; этим резцом можно осуществлять снятие фасок. Это уменьшит количество используемых режущих инструментов.
-
Способ установки заготовки – в трехкулачковом самоцентрирующем патроне, т.к. конструкция детали жесткая.
-
Способ установки инструмента – в четырехпозиционном поворотном резцедержателе.
Схемы точения (рис. 2 и 9)
Поверхность А.
-
Вид обработки – растачивание черновое.
-
Оборудование – токарно-винторезный станок;
-
Режущий инструмент – токарный проходной упорный резец;
-
Способ установки заготовки – в трехкулачковом самоцентрирующем патроне.
-
Способ установки инструмента – в четырехпозиционном поворотном резцедержателе.
Схема обработки (рис. 10)
Поверхность Д
-
Вид обработки растачивание чистовое
-
Оборудование – токарное винторезный станок;
-
Режущий инструмент – токарный расточной резец для обработки сквозных отверстий;
-
Способ установки заготовки в трехкулачковом самоцентрирующем патроне;
-
Способ установки инструмента – четырехпозиционный поворотный резцедержатель; Перед чистовым растачиванием выполняют сверление, рассверливание, черновое растачивание;
Схема обработки (рис. 11)
Поверхность Б.
-
Вид обработки – точение чистовое.
-
Оборудование – токарно-винторезный станок;
-
Режущий инструмент – токарный проходной упорный резец;
-
Способ установки заготовки в трехкулачковом самоцентрирующем патроне;
-
Способ установки инструмента – в четырехпозиционном поворотном резцедержателе;
Перед чистовой обработкой выполняем предварительное точение.
Схема обработки (рис. 13).
.
4. Условия технической реализации обработки поверхностей
Поверхности В и Г.
-
Вид обработки – чистовое точение (подрезание торцов заготовки).
-
Оборудование – токарно-винторезный станок, т.к. производство единичное
-
Режущий инструмент - подрезной торцовый резец.
-
Установить заготовку в 3-х кулачковом самоцентрирующем патроне, т.к. конструкция жёсткая.
Поверхность Д.
-
Вид обработки - растачивание.
-
Оборудование - токарно-винторезный станок, т.к. производство единичное.
-
Режущий инструмент – токарный расточной проходной резец для обработки сквозных отверстий.
-
Установить заготовку в 3-х кулачковом самоцентрирующем патроне, т.к. конструкция жёсткая.
-
Перед растачиванием проводят операцию сверления и рассверливания.
-
Вид обработки - чистовое точение (Обтачивание наружной цилиндрической поверхности).
-
Оборудование - токарно-винторезный станок, т.к. производство единичное.
-
Режущий инструмент – токарный расточной Проходной упорный резец для обработки наружной цилиндрической поверхности.
-
Установить заготовку в 3-х кулачковом самоцентрирующем патроне, т.к. конструкция жёсткая.
Поверхность А.
-
Вид обработки – чистовое точение.
-
Оборудование – токарно-винторезный станок, т.к. производство единичное
-
Режущий инструмент - резец прорезной.
-
Установить заготовку в 3-х кулачковом самоцентрирующем патроне, т.к. конструкция жёсткая.
-
Перед чистовой обработкой выполняется предварительное точение.
-
Оценка технологичности конструкции детали
Учитывая типовые правила проектирования деталей машин, а также условия обработки поверхностей проектируемой детали, предлагаются следующие рекомендации по улучшению технологичности конструкции:
-
Для изготовления детали целесообразно использовать сталь 25, которая имеет высокий коэффициент относительной обрабатываемости (K=1.7);
-
Для облегчения сборки необходимо предусмотреть фаски на концах цилиндрических поверхностей.
6.Последовательность механической обработки заготовки из сортового проката круглого поперечного сечения
на токарно-винторезном станке
Установ 1.
-
Установить заготовку в трехкулачковом самоцентрирующем патроне по поверхности «Б»;
-
Подрезать торцовую поверхность «Г». Инструмент: токарный проходной отогнутый резец (рис. 2).
-
Сверлить, рассверлить отверстие «Д» до 53 мм (рис.3).
-
Обточить наружную цилиндрическую поверхность до 81мм и подрезать торцовую поверхность «Е» (рис. 4). Инструмент: токарный проходной упорный резец.
-
Точить торцовую канавку на поверхности «Е» на глубину 12 мм. Инструмент: токарный прорезной резец. (рис. 5)
-
Расточить отверстие 165 мм на глубину 15 мм (рис.6). Инструмент: токарный проходной упорный резец.
-
Снять фаску в отверстии 165 мм. Инструмент: токарный проходной отогнутый резец.
Установ 2.
-
Установить заготовку в трехкулачковом самоцентрирующем патроне по поверхности 81 мм.
-
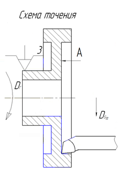
Подрезать торцовую поверхность «В», выдержав размер 73 мм. Инструмент: токарный проходной отогнутый резец (рис.9)
-
Расточить отверстие «А» 165 мм на глубину 15 мм. Инструмент: токарный проходной упорный резец. (рис. 10)
-
Расточить отверстие «Д» до 54 мм. Инструмент: токарный расточной резец для обработки сквозных отверстий. (рис. 11)
.
При расчете коэффициента использования материала (КИМ) принимали, что КИМ равен коэффициенту весовой точности (кВТ), определяемый как отношение массы детали (mд) к массе исходной заготовки (mз).
КИМ= mд / mз= 1167000мм3/3760000мм3=0.31
7. Анализ технологичности конструкции детали
| № | Признаки технологичности | Оценка |
| 1 | Хорошая обрабатываемость резанием материала заготовки (максимальная величина коэффициента относительной обрабатываемости) | K = 1.7 (отн. Стали 45 ) + |
| 2 | Максимальная весовая точность заготовки (mд/ mз) | 0.31 - |
| 3 | Низкий уровень напряжений в заготовке | + (отжиг) |
| 4 | Унификация размеров и форм обрабатываемых элементов заготовки для сокращения номенклатуры используемого инструмента | + |
| 5 | Геометрическая форма и соотношение размеров заготовки, обеспечивающие возможность использования высокопроизводительной обработки | + |
| 6 | Обработка заготовок на проход для повышения производительности, получения высокой точности и малой шероховатости обрабатываемых поверхностей | + |
| 7 | Геометрическая форма обрабатываемых поверхностей, обеспечивающая равномерную и безударную работу инструмента | + |
| 8 | Свободный подход и сквозной проход режущего инструмента при обработке поверхностей заготовки | - |
| 9 | Обработка точных, соосных и параллельных отверстий с одного установа | + |
| 10 | Диаметральные размеры валов и отверстий расположены в возрастающей (убывающей) последовательности | + |
| 11 | Четкое разделение поверхностей заготовки, обрабатываемых на различных технологических операциях, разным инструментом и с различной степенью точности | + |
| 12 | Расположение обрабатываемых поверхностей в одной плоскости для обеспечения формоизменения заготовки с одного установа | - |
| 13 | Отсутствие одностороннего давления на осевой инструмент при обработке заготовки | + |
| 14 | Высокая и равномерная жесткость обрабатываемых участков заготовки и снятия фасок | + |
| 15 | Скругления, притупление острых граней на обрабатываемых участках заготовки и снятия фасок | + |
8. Вывод
Анализ технологичности конструкции детали, приведенной на рис.1.8, показал, что изделие обладает низкой технологичностью, так как при изготовлении значительное количество металла удаляется в стружку (КИМ=0.31).
Рис. 1.8. Чертеж детали, технология изготовления которого предполагает механическую обработку профиля резанием.
Глава 2. Изготовление заготовок обработкой давлением
2.1 Выбор вида обработки давлением
Поковка – заготовка детали или деталь, полученная обработкой металлов давлением. Поковки машиностроительных деталей наиболее часто изготавливают ковкой, горячей объемной штамповкой (ГОШ) и холодной объемной штамповкой. (ХОШ)
















