Uchebnoe_posobie_dlya_vypolenia_DZ_po_TK M_Misha_15_04_2014 (1) (769664), страница 2
Текст из файла (страница 2)
Размеры заготовок, получаемых методами литья и обработки давлением, практически не ограничиваются. Нередко определяющим параметром в этом случае являются минимальные размеры (например, минимальная толщина стенок отливки, минимальная масса поковки). Объемной штамповкой и большинством специальных способов литья получают заготовки массой до нескольких десятков килограммов.
Форма и размеры заготовок, получаемых методами порошковой металлургии, ограничены как максимальными, так и минимальными размерами. При этом площадь поперечного сечения изделий, получаемых холодным формированием порошков с последующим спеканием, может быть от 50 мм2 до 6000 мм2, высота - от 2 до 60 мм, а масса заготовок, как правило, не превышает 10 кг.
В процессе конструирования деталей выбор марки материала определяется не только условиями ее функционирования, но и условиями изготовления в реальном производстве. В то же время технологические свойства материала существенно влияют на выбор метода и способа получения заготовок. Так, серый чугун имеет прекрасные литейные свойства, но обладает низкой деформированностью и плохой свариваемостью.
Заготовки из одного и того же материала, полученные методами литья, обработки давлением и сваркой, обладают различными свойствами. Так, литой металл характеризуется большим размером зерен, неоднородностью химического состава и механических свойств по сечению отливки, наличием остаточных напряжений и т.д.
После обработки давлением заготовки имеют мелкозернистую структуру и определенную направленность расположения волокон (неметаллических включений). После холодной обработки давлением возникает наклеп, поэтому холоднокатаный металл прочнее литого в 1,5-3 раза. Пластическая деформация металла приводит к анизотропии свойств: прочность вдоль волокон (неметаллических включений) примерно на 10 - 15 % выше, чем в поперечном направлении.
Сварка приводит к образованию неоднородных структур в сварном шве и в околошовной зоне. Неоднородность зависит от вида и режима сварки. Так, наиболее резкое отличие в свойствах сварного шва возникает при ручной сварке, а электрошлаковая, автоматическая дуговая сварки обеспечивают формирование наиболее качественных однородных швов.
Программа выпуска продукции, т.е. количество изделий, выпускаемых в течение определенного времени (обычно за год), является одним из важнейших факторов, определяющих выбор метода и способа производства заготовок.
В условиях единичного производства и для простых по конфигурации деталей часто заготовками являются профили (сортовой прокат, трубы и т.п.), получаемые в условиях металлургического производства. Стоимость механической обработки заготовок при изготовлении деталей в этом случае высока. Однако такая заготовка может быть достаточно экономичной из-за низкой стоимости проката, почти полного отсутствия подготовительных операций и возможности автоматизации процесса механической обработки.
При крупносерийном и массовом производстве конструкции заготовок следует максимально приближать к конфигурациям деталей. Например, для изготовления ступенчатого вала из стали 20 целесообразно применить поковку, получаемую объемной штамповкой.
Наиболее эффективными технологическими способами изготовления заготовок в крупносерийном и массовом производстве являются специальные виды прокатки (поперечно-винтовая, поперечно-клиновая, прокатка в винтовых калибрах), которые позволяют получить периодические профили. Применение таких заготовок дает возможность повысить коэффициент использования материала и производительность труда.
При конструировании деталей необходимо учитывать возможности предприятия, на котором предполагается их изготовление. Для этого необходимо располагать сведениями о типе и количестве имеющегося оборудования, производственных площадях, возможностях ремонтной базы, вспомогательных служб и т.д.
В соответствии с эскизом детали, полученной на основе расчетов, выбор метода изготовления заготовки осуществляется с учетом рассмотренных факторов, которые целесообразно располагать в порядке убывания их значимости. Анализируя степень влияния рассмотренных выше факторов, выбирают один или несколько методов, обеспечивающих получение заготовок требуемого качества. На предварительном этапе выбора оптимального метода получения заготовки можно воспользоваться так называемой матрицей влияния факторов (табл. 1).
Таблица 1
Матрица влияния факторов
Каждый фактор в ней оценивают с помощью коэффициента удельного веса (0 или 1). Лучшим считают метод, набравший большую сумму коэффициентов. В том случае, когда ни у одного из рассмотренных методов получения заготовки нет явных преимуществ, проектируют несколько наиболее приемлемых вариантов изделия и технологических схем изготовления.
Оптимальный метод изготовления заготовки находят на основе анализа конструктивно-технологических признаков проектируемой детали, технико-экономических показателей способов и программы выпуска деталей. Затем конструируют заготовку с учетом технологии ее изготовления и определяют оптимальный метод изготовления заготовки для проектируемой детали.
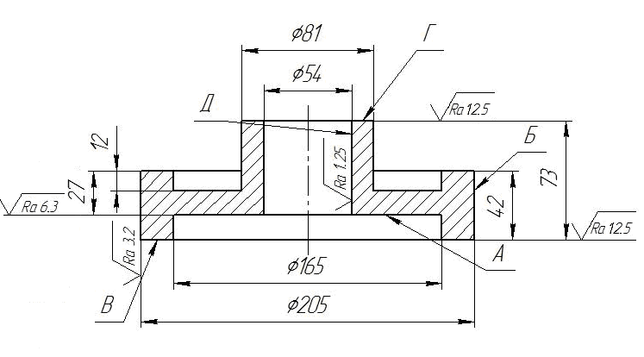
Рассмотрим пример проектирования детали (рис. 1), изготавливаемой различными методами: механическая обработка резанием профилей, получение поковки, отливки, сварной заготовки и их последующей механической обработкой резанием.
Рис 1. Эскиз проектируемой детали (ступица)
Обозначим поверхности, с заданной шероховатостью которые нужно обработать, для упрощения пояснений в тексте.
Глава 1. Проектирование деталей, изготавливаемых механической обработкой резанием профилей.
1.1 Анализ исходных данных детали
Анализ исходных данных и технических требований по чертежу детали.
-
Конфигурация детали;
-
Габаритные размеры детали;
-
Марка материала детали;
-
Тип производства или объем выпуска детали (задаются преподавателем);
-
Характеристика поверхностей (А, Б, В и др.):
-
вид поверхности и ее размеры;
-
параметр шероховатости и его допускаемое значение;
-
квалитет и основное отклонение размера;
-
требования к точности формы и расположения поверхностей.
1.2 Выбор вида механической обработки заготовки резанием
На основе анализа исходных данных выбрать:
-
Виды обработки поверхностей (А, Б, В и др.). Исходя из условий технической реализации, проводится анализ возможных вариантов обработки заданных поверхностей и выбираются виды обработки, которые являются наиболее рациональными для заданных условий;
-
Форму и размеры профиля;
-
Начертить эскиз детали.
-
Условия технической реализации обработки поверхностей
Для выбранных способов обработки поверхностей назначить и обосновать вид оборудования, режущего инструмента. Разработать последовательность обработки каждой из поверхностей, начиная от заготовки, и составить схемы обработки (с учетом конфигурации и размеров детали) только для окончательной обработки каждой поверхности. Выбор инструментов для обработки резанием осуществляется в соответствии с данными, приведенными на рис. 1.1 - 1.7. и табл. 1.1. – 1.3;
1.4 Оценка технологичности конструкции детали
Оценка технологической конструкции проводится с учетом типовых условий и правил, нарушение которых усложняет технологию, повышает себестоимость и процент брака при изготовлении.
Основными требованиями построения технологичных конструкций деталей можно считать
-
Обеспечение размеров детали в соответствии с нормальным рядом чисел диаметров и длин, резьб, модулей в зубчатых колес, шпоночных канавок и др.
-
Наличие свободного входа и выхода режущего инструмента.
-
Замену сложных поверхностей простыми
-
Облегчение сборочных операций
Изобразить эскиз изменённой детали, объяснить, почему внесенные изменения улучшают технологичность детали.
Рис 1.1. Резцы токарные с пластинкой из твердого сплава
1. Проходной прямой.
2. Проходной отогнутый.
3. Проходные упорные.
4. Чистовой широкий.
5. Подрезной отогнутый.
6. Отрезные.
7. Резьбовой для наружной ой метрической резьбы.
8. Расточной для обработки сквозных отверстий.
9. Расточной для обработки глухих отверстий.
10. Резьбовой для внутренней метрической резьбы.
Рис 1.2. Резцы токарные с пластинкой из быстрорежущей стали
-
Проходной прямой.
-
Проходной отогнутый.
-
Проходные упорные.
-
Подрезной торцевой.
-
Расточной для обработки сквозных отверстий.
-
Расточной для обработки глухих отверстий.
-
Прорезной.
-
Отрезной.
-
Фасочный двусторонний.
-
Фасочный односторонний.
Рис 1.3. Способы установки заготовки
1. На центрах с поводковым патроном.
2. На центрах с поводковым патроном и неподвижным люнетом.
3. На центрах с поводковым патроном и подвижным люнетом.
4. В трёхкулачковом самоцентрирующем патроне.
5. В трёхкулачковом самоцентрирующем патроне c задним центром.
6. На цилиндрической оправке.
7. На цанговой оправке.
8. В машинных тисках с плоскими губками.
9. В машинных тисках с призматическими губками.
10. Прижимными планками.
11. На призме.
12. На электромагнитной плите.
1. Цилиндрицеская с винтовым зубом.
2. Дисковая двусторонняя.
3. Дисковая трёхсторонняя.
4. Одноугловая.
5. Торцевая насадная.
6. Концевая с коническим хвостовиком.
7. Шпоночная с цилиндрическим хвостовиком.
Рис 1.4. Схемы обработки заготовок. Фрезы
Рис 1.5. Осевые инструменты для обработки отверстий
1. Спиральное сверло.
2. Зенкер с коническим хвостовиком.
3. Развёртка цилиндрическая.
4. Зенкер конический.
5. Зенкер торцовый.
6. Зенкер цилиндрический.
7. Метчик.
Таблица 1.1
Нормальные линейные размеры, мм
Таблица 1.2
Диаметры сквозных отверстий под крепежные детали, мм
Размеры спиральных сверл, мм
Диаметры 3…32 с шагом 0,1; 32,25 … 50,0 с шагом 0,25; 50,5 … 80,0 с шагом 0,5.
Размеры фасок 30°, 45° и 60°, мм
0,4; 0,6; 1,0; 1,6; 2,5; 4,0; 6,0.
Диаметры метрической резьбы (рекомендуемые), мм
















