8 (728035)
Текст из файла
Лекция 8
Применение операционных усилителей
На этой лекции мы рассмотрим аспекты применения разнообразных усилителей. Но главным образом мы будем рассматривать применение ОУ, так как именно они чаще всего используются в современной электронике. Начнём именно с них.
Обозначаются операционные усилители так же, как и обычные усилители – треугольником, но у ОУ два входа, и один с инверсией:
Обычно слева два входа, которые различаются наличием или отсутствием кружочка, обозначающего инверсию (иногда внутри треугольника вместо кружочка пишут + и – соответственно у неинвертирующего и инвертирующего входов). Справа обычно обозначается выход ОУ. Иногда на схемах больше ничего нет, но на самом деле есть ещё и питание (+Еп и –Еп), оно обычно обозначается сверху и снизу. Кроме того, у современных ОУ есть ещё и баланс нуля, обычно два провода снизу, и провод для подключения коррекции. Ещё может быть контакт для земли, хотя он редко бывает необходим. Обычно это всё, но может быть и что-то ещё. На реальных схемах вместо слов обычно пишут номера контактов. Как мы видим, на этой схеме всего 8 контактов, вместо 12х3=36 у 12 транзисторов, а у всех элементов порядка 50...100. В этом главное преимущество микроэлектроники, так как надёжность (интенсивность отказов) главным образом определяется именно количеством контактов.
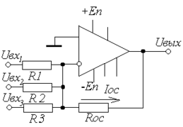
Как же сделать схему усилителя на ОУ? Очевидно, надо подать на неинвертирующий вход сигнал, а с выхода часть сигнала подать на инвертирующий вход. Получится схема:
Так как ОУ обладает большим Кос, можно считать, что глубина
обратной связи большая, и коэффициент усиления этой схемы равен
Но В в данном случае равно падению напряжения на R1, которое
возникает из-за протекания тока по цепи Roc-R1:
Это очень важная формула, она говорит, что Кос не зависит от К0 (когда глубина ООС большая), а зависит только от соотношения величин сопротивлений Rос и R1. Такой усилитель называется неинвертирующим. Если Roc=0 , или выходной сигнал подаётся прямо на вход, то Кос=1. Это – повторитель сигнала. Его суть состоит в согласовании входных и выходных сопротивлений. Это последовательная связь по напряжению, значит, входное сопротивление очень велико, а выходное – очень мало.
Теперь рассмотрим инвертирующий усилитель (см. на рис.). Нам теперь трудно определить коэффициент обратной связи В. Но можно найти другой способ рассуждения. Как мы видели из предыдущей лекции, при ООС Uвх0=Uвх/F . Даже если Uвх велико, например, 10 В, Uвх0 всё равно очень мало. Пусть F=100, тогда это 0,1 В, а если F=1000, то это всего 10 мВ. Ну а при нормальных входных сигналах, которые обычно малы, например, 0,1 В, Uвх0 вообще мало, и равно 1...0,1 мВ. Обычно считают, что это заземление, хотя никакого заземления нет. Говорят, что на инвертирующем входе "псевдоземля" или что это "виртуальная земля".
Причина этого заключается в том, что выходное напряжение не может превышать напряжение питания. Если выходное напряжение должно быть больше, усилитель не работает, так он находится "в зашкале". Напряжение питания обычно 10...30 В, а коэффициент усиления 1000...1000000. Другими словами входное напряжение не должно превышать напряжение 30 мкВ ... 30 мВ. Мы можем это считать псевдоземлёй.
Теперь давайте рассмотрим протекание тока в точке соединения сопротивлений. Слева втекает входной ток Iвх, справа вытекает ток обратной связи Iос, и ещё возможен ток, протекающий к инвертирующему входу ОУ. Но последний очень мал. Дело в том, что входное сопротивление ОУ обычно высокое, а может быть даже очень высокое, а входное напряжение очень мало. Поэтому этот ток измеряется нано- и даже пикоамперами, и мы можем смело им пренебречь (на рис. этот ток перечёркнут).
Итак, есть только два тока: Iвх и Iос. Конечно, они должны быть равны друг другу:
Подставим их значения:
Вспомнив, что Кос=Uвых/Uвх, получим
Итак, мы получили коэффициент усиления с инверсией, что естественно, но на единицу меньше, чем у неинвертирующего усилителя на ОУ. Если Roc=R1, то Кос= -1, то-есть у нас получился инвертор.
Последний результат очень важен. То, что у нас есть псевдоземля, значительно упрощает расчёт коэффициента усиления: мы берём входной сигнал (напряжение входа) и делим его на входное сопротивление. Получаем ток, который равен току выхода. Если умножить его на сопротивление обратной связи, то получим выходное напряжение (с минусом).
Этот подход легко можно использовать при функциональных преобразованиях. Возьмём, например, вместо входного сопротивления диод:
Тогда входной ток определяется уравнением:
Отбрасывая второе слагаемое I0, так как это малая величина по сравнению с первым, и умножая на Roc , получаем:
Первое слагаемое – константа, а второе с точностью до постоянного множителя RocI0 является как раз экспонентой.
Теперь давайте посмотрим, что получится, если диод поставить в другое место, туда, где стоит сопротивление обратной связи:
Теперь выражения для токов будут:
Решив это уравнение относительно Uвых, получим:
То-есть мы получили логарифмирующий усилитель. Можно ли сделать суммирование? Да, это возможно:
З
десь входные токи равны входным напряжениям, делённым на входные сопротивления. Далее эти токи суммируются и приравниваются к выходному току, равному отношению выходного напряжения к сопротивлению обратной связи:
Умножив всё на Roc, получим:
Если все сопротивления одинаковы, формула упрощается:
Есть ещё две интересные схемы с конденсатором вместо входного сопротивления или конденсатором в цепи обратной связи:
Как известно, напряжение на конденсаторе определяется по формуле (для левой схемы):
где Q – заряд конденсатора. Если заряд конденсатора продифференцировать, то получится ток через конденсатор:
Приравнивая это току цепи обратной связи, получим формулу:
Н
а следующих рис. представлены графики
На левом рисунке представлены зависимости от времени входного и выходного сигнала. На правом рис. частотная зависимость для дифференцирующего усилителя.
Легко понять, что на правом рис. (выше) показан интегратор. Для него графики будут обратными:
Здесь слева показан эффект интегрирования входного сигнала. Справа показана частотная характеристика интегратора.
Рассмотренные нами устройства как раз и нужны для создания аналоговой вычислительной машины (АЭВМ). Предположим, нам надо решить уравнение:
, мы можем смоделировать эти действия: нам нужен один дифференцирующий усилитель, один
и
нтегрирующий усилитель, два простых усилителя с точно заданными коэффициентами усиления для моделирования умножения на постоянные коэффициенты, один сумматор. Схема такой АЭВМ представлена ниже:
Необходимо подключить точку "y" к осциллографу и наблюдать изменение сигнала. Такие АЭВМ получили распространение в 50...60 годы прошлого века. Состояли они из нескольких десятков усилителей, которые как раз и назывались "операционными", так как предназначались для операций, к ним прилагались несколько сот пассивных элементов, и всё это коммутировалось таким образом, чтобы собрать схему для решения конкретного уравнения. Точность каждого операционного усилителя лучше, чем 0,1%. Однако общая точность решения дифференциального уравнения не превышает 1...5%. В настоящее время АЭВМ надёжно ушли в прошлое. А ОУ остались!
А теперь давайте рассмотрим некоторые другие применения ОУ. Цифровую технику, где ОУ применяются широко, оставим для второй части электроники. А здесь рассмотрим резонансные усилители, активные фильтры и усилители мощности.
Рассмотрим простейший резонансный усилитель:
Здесь Свх и Свых – обычные разделительные конденсаторы, R1 и R2 – резисторы базовой цепи, Rэ и Сэ – элементы обратной связи по постоянному току (для термостабилизации) и Lконт и Сконт – элементы резонансного контура.
Это обычный каскад с ОЭ, но вместо коллекторного сопротивления стоит резонансный контур, резонансная частота которого рассчитывается по формуле:
а сопротивление на этой частоте равно бесконечности, практически определяется потерями контура. При отступлении от резонансной частоты сопротивление контура резко падает, и, следовательно, падает коэффициент усиления транзистора, см. рис.:
А f определяется формулой:
Характеристики
Тип файла документ
Документы такого типа открываются такими программами, как Microsoft Office Word на компьютерах Windows, Apple Pages на компьютерах Mac, Open Office - бесплатная альтернатива на различных платформах, в том числе Linux. Наиболее простым и современным решением будут Google документы, так как открываются онлайн без скачивания прямо в браузере на любой платформе. Существуют российские качественные аналоги, например от Яндекса.
Будьте внимательны на мобильных устройствах, так как там используются упрощённый функционал даже в официальном приложении от Microsoft, поэтому для просмотра скачивайте PDF-версию. А если нужно редактировать файл, то используйте оригинальный файл.
Файлы такого типа обычно разбиты на страницы, а текст может быть форматированным (жирный, курсив, выбор шрифта, таблицы и т.п.), а также в него можно добавлять изображения. Формат идеально подходит для рефератов, докладов и РПЗ курсовых проектов, которые необходимо распечатать. Кстати перед печатью также сохраняйте файл в PDF, так как принтер может начудить со шрифтами.
















