7 (728034)
Текст из файла
ЛЕКЦИЯ 7
Операционные усилители
Итак, на прошлой лекции мы нашли один интересный способ построения хороших, стабильных усилителей – надо сделать усилитель с большим коэффициентом усиления (хорошо бы около 1 000 000), а затем применить отрицательную обратную связь (ООС). И не важно, что большой коэффициент усиления получается плохим, невоспроизводимым, с неравномерной частотной и фазовой характеристиками и т.д. Величина ООС задаётся пассивными элементами, например резисторами, а они обладают хорошей стабильностью.
Давайте посмотрим, как можно сделать усилитель с хорошим коэффициентом усиления. Пусть это схема с общим эмиттером (ОЭ), использующая п-р-п транзистор.
Здесь мы не ввели никаких лишних деталей, считая, что на входе есть постоянная и переменная составляющие сигнала, и на выходе мы сумеем выделить нужные составляющие сигналов. Поэтому у нас есть только резистор R и напряжение питания Еп. Напишем выражение для Uвых:
Мы написали это выражение в таком виде, чтобы точно увидеть, как оно зависит от температуры. Но при этом мы будем считать, что при изменении температуры одновременно изменяется и входной сигнал, так, чтобы на выходе всё оставалось постоянным. Итак, мы считаем, что Uвых, Еп, R и I0 остаются постоянными (последнее, правда, немного меняется, но гораздо меньше, чем члены в экспоненте). Поэтому можно полагать, что меняются только Uбэ и Т – напряжение база-эмиттер и абсолютная температура. (q и k – мировые константы – заряд одного электрона и постоянная Больцмана.) Продифференцируем по Т и приравняем нулю.
Сокращая лишние члены, получим:
На первый взгляд это может быть всё что угодно – какое-то напряжение, делённое на какую-то температуру.
Но температура эта абсолютная, то-есть в градусах Кельвина, и близка к комнатной. Значит, это примерно 3000К. А напряжение – это примерно контактная разность потенциалов, так как р-п переход эмиттер-база смещён в прямом направлении. Следовательно, всё зависит от материала: для кремния это 0,6 В, а для германия 0,3 В. Поделив контактную разность потенциалов на температуру, получим:
| Материал | dUбэ/dT, мВ/0К |
| Si | 2 |
| Ge | 1 |
Видно, что германий в 2 раза лучше (термостабильнее), чем кремний. Но в современных условиях кремний гораздо технологичнее (дешевле).
Итак, у кремниевых транзисторов приведённый ко входу температурный дрейф составляет всего 2 мВ/0К. Чтобы узнать, что будет на выходе, надо это умножить на перепад температуры и коэффициент усиления. У работающего транзистора перепад температуры вполне может быть 10 0К, а коэффициент усиления у двух- трёхкаскадного усилителя может быть 1000...100000. Получается 20...2000 В. Это очень много.
Конечно, можно использовать полевые транзисторы, у них температурный дрейф граздо меньше. Но есть несколько способов борьбы с температурным дрейфом и в биполярных транзисторах. Например, известный способ разделения сигнала на постоянную и переменную составляющие при помощи разделительных конденсаторов. Кроме того, можно преобразовать сигнал в высокочастотный, а после усиления выпрямить (модуляция-усиление-демодуляция).
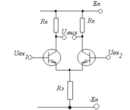
Но наибольшее распространение получил метод дифференциального каскада. Рассмотрим его подробнее.
Н
а рис. представлена схема, состоящая из двух по возможности одинаковых транзисторов, двух коллекторных резисторов, тоже одинаковых, и одного эмиттерного резистора, общего для двух транзисторов. Схема имеет два входа и один разностный выход. Здесь также обычно используется два источника питания.
Обычно +/- Еп одинаковые. И если Uвх близки к нулю, то на эмиттерном сопротивлении падает большое и почти постоянное напряжение, поэтому ток, протекающий через это сопротивление, тоже почти постоянный. Это значит, что мы задали ток эмиттеров. Далее этот ток разделяется на две части, и протекает через два транзистора.
А теперь давайте рассмотрим случай одинаковых входных напряжений – синфазный входной сигнал. Теоретически если на входах синфазный сигнал, то ток, протекающий через транзисторы, будет одинаковый, то-есть разделится пополам. Но этот ток задан резистором и почти не зависит от входного сигнала. Поэтому отклик на синфазный сигнал очень мал, а так как мы на выходе берём разностный сигнал, то он вообще близок к нулю. Это обусловлено тем, что в эмиттере напряжение будет меняться почти также, как и в базах: разность потенциалов между базой и эмиттером меняется гораздо меньше, чем на входах.
Дифференциальный сигнал также одинаков на обоих входах, но противоположен по фазе. Поэтому на эмиттерах напряжение почти не меняется, полный эмиттерный ток тоже, а на базах транзисторов напряжение меняется гораздо сильнее, и это приводит к тому, что токи через транзисторы меняются в разные стороны: на одном транзисторе увеличивается, а на другом – уменьшается, хотя в сумме он остался неизменным. Поэтому сигнал на выходе (на коллекторах) будет сильным, да ещё в два раза больше, так как он получается как разность между двумя коллекторами.
Дело заключается в том, что для синфазного сигнала схема аналогична схеме с ОК: есть сильная ООС благодаря наличию эмиттерного сопротивления; а для дифференциального сигнала – аналогична схеме с ОЭ: напряжение на эмиттерах практически не меняется, поэтому можно считать, что эмиттеры как бы заземлены. Итак, дифференциальный сигнал хорошо усиливается, как в схеме с ОЭ, а синфазный сигнал сильно ослабляется, как в схеме с ОК во-первых, и за счёт вычитания коллекторных сигналов во-вторых.
Если сигналы Uвх1 и Uвх2 произвольные, то можно вычислить синфазную и дифференциальную составляющие по формулам:
и наоборот:
Обычно для хороших дифференциальных каскадов трудно подобрать достаточно близкие по параметрам транзисторы и даже резисторы коллекторов, поэтому на практике уже давно, ещё до возникновения микроэлектроники, стали делать спаренные транзисторы, которые находятся очень близко друг к другу, изготовлены в одном технологическом режиме и имеют почти одинаковую температуру. Такие транзисторы не надо подбирать – они созданы специально похожими, чтобы получать очень низкий коэффициент усиления синфазного сигнала Ксин. А при переходе на микроэлектронику вообще все дифференциальные каскады стали делать интегральным способом. Обычно в этом случае Кдиф = 100...400, а Ксин =0,1...1. Для оценки качества дифференциального каскада вводят коэффициент ослабления синфазного сигнала (КООС):
Это лежит в пределах 400...1000, или в децибеллах 50...60 дБ.
Почему нам так важен синфазный сигнал? Дело в том, что различные дрейфы транзисторов: старение, тепловой дрейф и так далее – это эквивалентно подаче на входы одинаковых сигналов, то-есть синфазному сигналу. Поэтому если синфазнвй сигнал сильно ослаблен, то и тепловой дрейф тоже ослаблен. И мы видим, что коэффициент усиления дифференциального сигнала в 1000 раз сильнее, чем, скажем, тепловой дрейф. Но это значит, что дифференциальный каскад годится для первого каскада усилителя, который будет предназначем для усиления с большим коэффициентом усиления, чтобы потом использовать его для усилителя с ООС. Такие усилители называются операционными (ОУ).
Итак, почти всегда для изготовления ОУ делают первым каскадом дифференциальный. Но у разных ОУ он бывает разным. Часто вместо обычных транзисторов берут сдвоенные, см. рис.
З
десь мы уже применили принятое в микроэлектронике условное обозначение транзисторов: без кружочка, обозначающего, что у транзистора есть свой корпус. В микроэлектронике этого обычно не бывает.
У такого каскада коэффициент усиления сдвоенных транзисторов гораздо больше (1002=10000). Именно из-за большого коэффициента усиления они и используются.
Но можно использовать супер-вета транзисторы – это специально изготовленные транзисторы с очень маленькой базой и большим перепадом концентраций в эмиттерной и базовой области. Коэффициент усиления у них может достигать 5000 и более. К сожалению, эти транзисторы требуют очень точной технологии, и, кроме того, они не выдерживают больших напряжений. Поэтому для защиты от пробоя к ним надо добавлять ещё по одному транзистору. Из-за большой технологической сложности супер-бета транзисторы используются редко.
Иногда входные каскады полезно сделать на основе полевых транзисторов, так как они имеют очень большое входное сопротивление. Чаще используют полевые транзисторы с р-п переходом. Но всё же это тоже слишком большое усложнение технологии.
Поэтому в большинстве ОУ используют одинарные биполярные транзисторы, но принимают меры к тому, чтобы улучшить генератор тока эмиттера, и вместо резистора используют транзистор. Но чаще всего для этой цели используется схема, которая называется "токовое зеркало".
Она изображена на рис.:
З
десь использованы два одинаковых транзистора (лучше изготовленных в одном цикле), и через правый, включённый по схеме диода (коллекторный р-п переход закорочен, и остаётся только эмиттерный р-п переход) пропускается прямой ток. Этот ток определяется формулой:
Этот ток ни от чего не зависит. Он постоянен. Но значит и напряжение в его базе и базе соседнего транзистора одинаково и таково, что обеспечивает протекание точно такого же тока и через соседний транзистор:
Характеристики
Тип файла документ
Документы такого типа открываются такими программами, как Microsoft Office Word на компьютерах Windows, Apple Pages на компьютерах Mac, Open Office - бесплатная альтернатива на различных платформах, в том числе Linux. Наиболее простым и современным решением будут Google документы, так как открываются онлайн без скачивания прямо в браузере на любой платформе. Существуют российские качественные аналоги, например от Яндекса.
Будьте внимательны на мобильных устройствах, так как там используются упрощённый функционал даже в официальном приложении от Microsoft, поэтому для просмотра скачивайте PDF-версию. А если нужно редактировать файл, то используйте оригинальный файл.
Файлы такого типа обычно разбиты на страницы, а текст может быть форматированным (жирный, курсив, выбор шрифта, таблицы и т.п.), а также в него можно добавлять изображения. Формат идеально подходит для рефератов, докладов и РПЗ курсовых проектов, которые необходимо распечатать. Кстати перед печатью также сохраняйте файл в PDF, так как принтер может начудить со шрифтами.
















