7 (728034), страница 2
Текст из файла (страница 2)
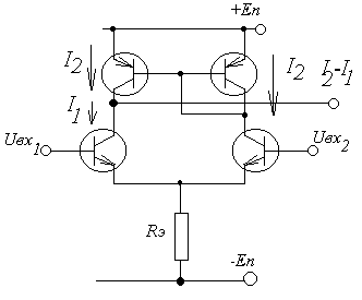
У нас получилось как бы зеркало: ток, который протекает через правый транзистор, протекает и через левый, отражается. Но этот ток не зависит от напряжения на коллекторе левого транзистора. Значит, у нас получился генератор тока. И очень хороший генератор тока, так как у него очень большое выходное сопротивление, равное дифференциальному сопротивлению коллектора, которое, как мы помним, составляет 100 кОм...10 МОм. Если использовать такой хороший генератор тока, получится увеличение КООС до 1 000 000 (120 дБ).
В дифференциальном каскаде мы обсудили почти все проблемы. Осталось обсудить только выход. А он, как мы знаем, должен быть разностным. Это значит, что его нельзя заземлить.
Но если сделать вычитающее устройство? Оказывается, это можно с помощью токового зеркала, см. рис. внизу. Два верхних транзистора имеют тип р-п-р. Поэтому у них эмиттеры с другой стрелкой и подсоединены к положительному питанию, а коллекторы внизу и идут к минусу. Правый транзистор, как у токового зеркала, служит диодом (база-коллектор закорочены). Поэтому он точно пропускает ток, который проходит через правый транзистор дифференциального каскада. И этот же ток проходит через левый транзистор токового зеркала. Но по схеме он соединён с коллектором левого транзистора дифференциального каскада. Получается противоречие: нижний транзистор даёт ток I1, а верхний – ток I2. Это противоречие разрешается тем, что к соединению коллекторов подключён ещё один провод, и разница токов уходит по нему в следующий каскад.
По-сути дела мы заменили коллекторные сопротивления активной нагрузкой. Эта нагрузка имеет очень большое дифференциальное сопротивление, а значит, даёт ещё большее усиление каскада.
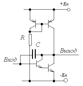
Теперь рассмотрим следующий каскад усиления. Здесь уже не надо бороться с температурным дрейфом, так как сигнал уже большой, и дополнительное напряжение дрефа меньше сигнала. Поэтому можно взять обычный каскад с ОЭ, но для большего коэффициента усиления выполненный на сдвоенном транзисторе. Схема следующего каскада изображена на рис.:
Мы представили здесь полную схему. Основные транзисторы – это сдвоенный транзистор внизу, включённый по схеме ОЭ. На базу этого транзистора подаётся входной сигнал. В коллекторе транзистора стоит активная нагрузка – второй транзистор токового зеркала. Кроме того, здесь изображён конденсатор С, который выполняет коррекцию частотной характеристики; она необходима для предотвращения нестабильности ОУ. Следует отметить, что он не всегда включается в схему, есть ОУ без коррекции. Тогда, в случае возникновения нестабильности надо ставить конденсатор в обратную связь всего ОУ.
Дальнейшее усиление в ОУ невозможно, так как ОУ с тремя каскадами усиления становится слишком неустойчивым. Однако можно сделать усиление мощности за счёт каскада с ОК. Обычно частотная характеристика таких каскадов очень хорошая, поэтому для ОУ она не вносит ничего отрицательного. Схема этого каскада изображена на рис.:
П
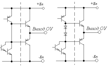
унктирная линия отделяет левую часть – детали второго каскада – от правой части – деталей третьего каскада. Как мы видим, третий каскад очень простой: в нём всего два транзистора, включённых по схеме ОК, но двухтактной. Когда напряжение положительное, открыт верхний транзистор, а нижний выполняет роль очень большого сопротивления, так как он закрыт. И наоборот, при отрицательном напряжении работает (открыт) нижний транзистор, а верхний – закрыт и выполняет роль большого сопротивления. Это двухтактный эмиттерный повторитель.
Сложность возникает, когда напряжение мало отличается от нуля (меньше, чем на контактную разность потенциалов), так как в этом случае оба транзистора практически закрыты. Решением этой проблемы является включение в выходную цепь двух диодов, как указано на рис. справа. Эти диоды включены так, что они всегда открыты, то-есть на прохождение тока в выходной цепи второго каскада они не влияют, но на диодах падает примерно две контактных разности потенциалов, поэтому один выходной сигнал левой схемы разделяется на два для правой схемы, которые отличаются примерно на 2 контактный разности потенциалов, и транзисторы третьего каскада не могут быть одновременно закрыты. Ситуация иллюстрируется на рис.:
Э
тот рис. сделан для левой схемы. Выходной сигнал на контактную разность потенциалов меньше входного (больше входного для отрицательных величин). Для правого рис. выходной сигал точно совпадёт со средней величиной от двух входных сигналов.
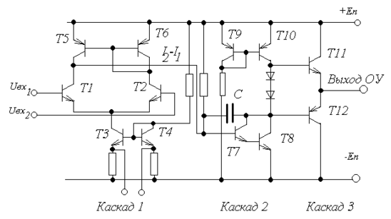
Итак, мы рассмотрели по отдельности работу всех трёх каскадов ОУ. Давайте посмотрим, как выглядит схема всего ОУ. На нижнем рис. представлена полная схема ОУ, как мы её обсуждали выше. Здесь 12 транзисторов и 2 диода. Но каскадов всего 3, да и то третий не усиливает напряжение, а усиливает только ток, или мощность. То-есть по напряжению усиливают только 2 каскада. Давайте посмотрим, куда ушли 12 транзисторов.
Два транзистора (Т1 и Т2) ставятся параллельно, и имеется два параллельных входа, это потому, что мы должны исключить температурный дрейф, а заодно и другие дейфы, например, связанный со старением схемы. Ещё 2 транзистора могут использоваться для увеличения коэффициента усиления, если вместо этих транзисторов поставить сдвоенные. 2 транзистора используются как вспомогательные для генератора тока (токовое зеркало, Т3, Т4). Два транзистора используются в качестве активной нагрузки (Т5,Т6). А на самом деле в первом каскаде может использоваться ещё больше транзисторов, например, для защиты от перегрузки.
Во втором каскаде у нас 4 транзистора: один сдвоенный транзистор (Т7,Т8) и 2 в качестве активной нагрузки (токовое зеркало, Т9,Т10). Кроме того, здесь используются два диода, а в микроэлектронике вместо диодов, как правило, используются транзисторы. Всего получается 6.
Самый простой последний каскад: в нём всего два транзистора Т11 и Т12.
Мы уже говорили, что современные ОУ делаются только по технологии микросхемотехники. А в микросхемотехнике очень просто делать транзисторы, несколько сложнее делать диоды и резисторы, ещё более сложно делать конденсаторы и совсем сложно делать индуктивности. Поэтому число транзисторов совершенно несущественно (правда, несколько сложнее делать комплементарные транзисторы). В современных ОУ число транзисторов достигает 50 шт и более. Но при современных возможностях изготавливать микросхемы со степенью интеграции в 106 - это не проблема.
Теперь давайте рассмотрим основные характеристики ОУ. К ним относятся 4:
| № | Характеристика | Параметр |
| 1 | Большой коэффициент усиления | 1000...1000000 и более |
| 2 | Дифференциальный вход | 1 вход неинвертирующий 2 вход инвертирующий |
| 3 | Большие входные сопротивления | 1 кОм...1 МОм |
| 4 | Малое выходное сопротивление | Меньше 100 Ом |
Большой коэффициент усиления нужен для применеия ООС. Благодаря дифференциальному каскаду, состоящему из 6...10 транзисторов, удаётся устранить температурный и другие типы дрейфов. Коэффициент усиления первого каскада удаётся повысить до 1000 и более.
Дифференциальный вход получился случайно, но он очень удобен для осуществления ООС: можно основной сигнал подавать на неинвертирующий вход, а ООС – на инвертирующий.
Входные сопротивления получаются не очень большими, но они разные для синфазного (большие) и дифференциального (поменьше) сигналов. Очень большие входные сопротивления, если хотя бы на входе стоят полевые транзисторы. Просто большие будут, если дифференциальный какскад сделан на сдвоенных или супер-бета транзисторах.
Малое выходное сопротивление обусловлено применением каскада с ОК, который усиливает ток.
Ещё одна важная характеристика – быстродействие. Оно определяется верхним пределом частотной характеристики, так как нижнего у ОУ нет. Типичная хорошая характеристика изображена на рис.:
Эта характеристика хорошая, потому что участок с наклоном в 450 доходит до единичного усиления (в логарифмическом масштабе 0), и значит этот ОУ никогда не будет самовобуждаться. Иногда более крутой спад начинается раньше.
Кажется, что частотная характеристика определяется уровнем 0,7 (отмечено как fверх). Но ОУ никогда не используются без ООС. И как видно из рис., в этом случае быстродействие будет разным в зависимости от того, какова обратная связь.
Поэтому более важной характеристикой является частота единичного усиления fт. Дело в том, что если мы знаем fт, то легко вычислить предельную частоту по формуле:
Самое время сказать несколько слов о других характеристиках ОУ, главным образом об отрицательных. К ним относятся: напряжение смещения нуля dUсм, температурная чувтвительность напряжения смещения нуля dUсм/dT, ток смещения Iвх, средний входной ток Iвхср, и многое другое. Однако мы не будем загромождать нашу лекцию такими подробностями, отсылая студентов к специальной литературе.
















