5 (728032)
Текст из файла
ЛЕКЦИЯ 5
Полевые транзисторы
К другим устройствам с тремя слоями п- и р-типа относятся полевые транзисторы.
Полевые транзисторы с р-п переходом
Констукция этих транзисторов представлена на рис.:
Как видно, здесь тоже три слоя: п-, р-, и п-типа (может быть и наоборот: р-, п-, и р-тип). Между стоком (на рис. обозначен как С) и истоком (И) прикладывается напряжение, такое, что заряды (в данном случае дырки) вытекают из истока и втекают в сток. Значит, к стоку прикладывается отрицательное напряжение, исток заземляется. Из-за наличия р-п переходов область канала сужается, причём на самом деле даже больше, так как р-п переход толстый, у него есть область объёмного заряда (ООЗ), отмеченная на рис. пунктирной линией. К затвору (З) прикладывается положительное напряжение, так что р-п переходы смещены в обратном направлении, и ООЗ расширяется, а ширина канала сужается. Это приводит к уменьшению тока канала (потока зарядов от истока к стоку) – это регулировка тока, которая и даёт режим усиления.
Это транзистор с каналом р-типа. При обратных типах слоёв получится транзистор с каналом п-типа. У него всё также, только в канале протекают электроны, к стоку прикладывается плюс, а к затвору – минус.
Вернёмся к транзистору с каналом р-типа. Так как на затвор подаётся обратное напряжение, то он плохо пропускает ток (это обратный ток р-п перехода), т.е. входное сопротивление полевого транзистора очень велико. Полевой транзистор управляется напряжением, или полем. В этом он в каком-то смысле похож на радиолампу. Причём так же, как в радиолампе, при увеличении на затворе напряжения (по модулю) проходящий от истока к стоку ток падает. При некотором напряжении Uзи=U0 ООЗ смыкаются, и ток стока равен нулю. Это напряжение называется напряжением отсечки.
Выходная и переходная характеристики представлены на рис.:
К
ак кажется при простом рассмотрении, характеристики ток стока – напряжение сток-исток должны быть прямыми, и лишь наклон их станет тем меньше, чем больше напряжение затвор-исток. Это потому, что при увеличении напряжения на затворе сопротивление канала увеличивается. Однако кривые быстро начинают насыщаться, выходят почти на горизонтальный участок. Объясниется это тем, что напряжение, падающее в канале, меняется от 0 до –Uси , а значит, на р-п переходе падение напряжения разное: в области вблизи истока оно равно Uзи , а в области влизи стока: Uзи + Uси , т.е. больше. Значит, на рис. слева в правой части ООЗ шире, а канал уже. Поэтому понятно, что сопротивление канала с ростом напряжения Uси растёт, а характеристики падают. На правом рис. представлена ситуация с очень большими напряжениями Uси , когда ООЗ верхнего и нижнего р-п перехода соприкасаются. Кажется, что в этом случае ток в канале должен исчезнуть, так как канал прерывается. Но на самом деле всё происходит иначе. Как видно из следующего рис., в ООЗ есть електрические поля, показанные стрелками, и их направление в основном от п- к р-типу. Но там, где ООЗ сливаются, это поле направлено слева направо, т.е. так, чтобы вытаскивать дырки из канала, где он ещё есть, направо, через ООЗ.
В каком-то смысле это очень похоже на случай с биполярными транзисторами: там тоже носители заряда диффундируют к коллектору, а затем очень сильным электрическим полем коллекторного р-п перехода вытаскиваются в коллектор.
В данном случае поле ООЗ гораздо больше, чем поле р-канала. Поэтому после того, как ООЗ сольются, дальнейший рост Uси обеспечивается ростом поля в ООЗ. А левая часть р-канала остаётся неизменной. Но именно она определяет ток через канал. Поэтому ток через полевой транзистор больше не меняется. (Ток немного увеличивается, но в первом приближении можно считать, что он неизменен.)
Это и есть рабочий участок выходной характеристики – ток определяется напряжением на затворе, но не зависит от напряжения на стоке, т.е. может использоваться для усиления напряжения. Обычно на этом участке работают усилители на полевых транзисторах, т.е. используется случай, когда ООЗ перекрываются.
Напряжение, с которого начинается пологий участок, называется напряжением насыщения:
Кроме того:
где Icmax – максимальный ток стока, имеющий место при Uзи =0.
Для определения коэффициента усиления усилителя на основе полевого транзистора важно знать его крутизну (аналогично коэффициенту в биполярных транзисторах):
где smax – максимальная крутизна, имеющая место при Uзи =0. Она определяется как:
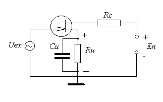
Крутизна измеряется в мA/В, и составляет обычно от 1 до 100. Входное сопротивление – 109...1012 Ом. На схемах полевые транзисторы изображаются так:
Н
еудобство полевых транзисторов заключается в том, что питание цепи затвора (входной) и стока (выходной) разнополярное, т.е. требуются две разных батарейки. Но с помощью конденсатора этого легко избежать, как показано на схеме. Это транзистор с п-каналом, поэтому к стоку приложено положительное напряжение, а к затвору – отрицательное. Оно образуется за счёт смещения, появившегося на сопротивлении истока. По переменному сигналу его величина полностью компенсируется за счёт включения параллельно с сопротивлением ещё и конденсатора.
Обычно полная схема содержит ещё и сопротивления во входной цепи, которые и определяют входное сопротивление схемы. Выходное сопротивление о
пределяется сопротивлением стока Rc и дифференциальным сопротивлением стока транзистора, т.е. наклоном выходной характеристики транзистора.
Коэффициент усиления этой схемы:
и может достигать нескольких сотен.
Это – схема с общим истоком (ОИ). Аналогично биполярным транзисторам, есть схемы и с общим стоком (ОС):
Кажется, что это существенно более простая схема, но практически она такая же, что и ОИ, но нет конденсатора Си . Поэтому влияние отрицательной обратной связи не исключено, и вследствие этого коэффициент усиления по напряжению практически равен 1, но на самом деле несколько меньше. Коэффициент усиления по току больше 1, и выходное сопротивление существенно меньше, чем у схемы с ОИ.
Можно бы построить схему с общим затвором, аналогично схеме с общей базой у биполярных транзисторов. Однако кроме технических сложностей (трудно сделать общий затвор, когда нет тока затвора) нет и такой необходимости, так как входные сопротивления у полевых транзисторов очень велики, и не надо устранять эффект закорачивания выходного сигнала во многокаскадных схемах.
Полевые транзисторы МДП
Полевые транзисторы металл-диэлектрик-полупроводник (МДП), или по другому металл-оксид-полупроводник (МОП) сильно отличаются от последних рассмотренных как по принципу действия, так и по технологии изготовления. Но конечные данные (переходные и выходные характеристики) у них очень похожи на кривые последних графиков.
Рассмотрим, например, полупроводник (кремний, германий) р-типа электропроводности. Будем считать, что на него нанесён тонкий слой диэлектрика (чаще других выращивается оксид кремния на кремнии). Толщина диэлектрика должна быть очень малой. Если в технологии полупроводников используются защитные слои оксида толщиной от 1 до 2...3 мкм, то мы будем считать, что толщина диэлектрика лежит в пределах 0,1...0,3 мкм.
А сверху на диэлектрике нанесён слой металла. Между металлом и полупроводником приложено электрическое поле.
В случае тонкого диэлектрика электрическое поле легко проникает в полупроводник. Что внесёт это поле в полупроводник, легко понять из исследования зонных диаграмм:
Н
а рис. изображены три зависимости энергии электрона от координаты. Слева представлен случай, когда к металлу (обозначен буквой М) приложено отрицательное по отношению к полупроводнику напряжение. Оно притягивает к поверхности полупроводника дырки, а электроны отталкивает. Иными словами, зонная диаграмма изгибается вверх, и при установлении равновесия дырок у поверхности станет ещё больше, чем было в исходном полупроводнике.
На среднем рисунке изображена диаграмма в случае, когда к металлу относительно полупроводника приложено положительное напряжение, зоны изогнуты вниз. Дырок у поверхности стало меньше, чем в глубине, а электронов – больше. Но пока дырок у поверхности больше, чем электронов.
На правом рис. ситуация кардинально изменилась: напряжение снова положительное, но уже достаточно большое, чтобы электронов у поверхности стало больше, чем дырок. Полупроводник разделился на две области: в глубине это по-прежнему р-тип, а вблизи поверхности – п-тип (произошла инверсия типа электропроводности).
Теперь рассмотрим конструкцию, изображённую на рис. слева. Это полупроводник (например кремний) р-типа, в котором сделаны две области п-типа. Сверху кроме защитного слоя диоксида кремния нанесён ещё тонкий слой диоксида кремния между п-областями. Если теперь подать напряжение между стоком и истоком, то ничего не произойдёт: ток не появится, так как при любом знаке напряжения хоть один из р-п переходов смещён в обратном направлении (это как в биполярном транзисторе при очень толстой базе – два р-п перехода отдельно).
А теперь давайте подадим положительное напряжение на затвор относительно подложки (справа). Если это напряжение больше некоторого, так называемого порогового (Uп ), то дырки оттолкнутся от поверхности вглубь полупроводника, а электроны притянутся к поверхности, и их станет больше, чем дырок – вблизи поверхности появится наведённый (индуцированный) слой п-типа. Этот слой соединит две исходные области п-типа, и между стоком и истоком появится ток. Говорят, что образовался канал п-типа.
Конечно, можно взять структуру с р-п-р областями. Все рассуждения для неё будут те же, но на затвор надо подавать отрицательное напряжение, и канал будет р-типа. Далее мы рассматриваем только п-канальный МДП транзистор.
Очевидно, эта структура имеет 4 контакта. Иногда их все используют. Однако чаще исток соединяют с подложкой, и остаётся только три контакта. Для простоты мы рассмотрим только этот случай.
На рис. представлены переходная и выходная характеристики полевого транзистора МДП со встроенным п-каналом. Видно, что в этом случае все потенциалы положительны. Переходная характеристика ведёт себя как часть параболы. Зависимость
тока стока от напряжения сток-исток представлена на правом рис. Эти кривые очень похожи на выходные характеристики полевого транзистора с р-п переходом, но только здесь знак тока стока и напряжения на стоке совпадают.
Характеристики
Тип файла документ
Документы такого типа открываются такими программами, как Microsoft Office Word на компьютерах Windows, Apple Pages на компьютерах Mac, Open Office - бесплатная альтернатива на различных платформах, в том числе Linux. Наиболее простым и современным решением будут Google документы, так как открываются онлайн без скачивания прямо в браузере на любой платформе. Существуют российские качественные аналоги, например от Яндекса.
Будьте внимательны на мобильных устройствах, так как там используются упрощённый функционал даже в официальном приложении от Microsoft, поэтому для просмотра скачивайте PDF-версию. А если нужно редактировать файл, то используйте оригинальный файл.
Файлы такого типа обычно разбиты на страницы, а текст может быть форматированным (жирный, курсив, выбор шрифта, таблицы и т.п.), а также в него можно добавлять изображения. Формат идеально подходит для рефератов, докладов и РПЗ курсовых проектов, которые необходимо распечатать. Кстати перед печатью также сохраняйте файл в PDF, так как принтер может начудить со шрифтами.
















