8 (728035), страница 2
Текст из файла (страница 2)
где Qэкв – добротность контура для эквивалентной схемы.
Конечно, колебательный контур и сам по себе может осуществлять электрические колебания с частотой fp , но не бесконечно долго. Только транзистор способен усиливать эти колебания. При этом коэффициент усиления может быть большим (достигать 1000), шум в таком каскаде минимален, так как полоса частот очень узкая, температурный дрейф исключён.
ОУ в резонансных усилителях не используются. В микроэлектронике делают специальные усилители, к которым можно подключить внешние L и C, или только L. Такие усилители, а также просто транзисторные каскады используются на частотах свыше 10 кГц, так как для более низких частот требуются большие конденсаторы и индуктивности, и это не удобно.
Теперь рассмотрим фильтры. Типичные частотные характеристики представлены на рис.:
З
десь ФНЧ – фильтр нижних частот, пропускает частоты ниже некоторой; ФВЧ – фильтр верхних частот, пропускает частоты выше некоторой; ПЗФ – полосно-заграждающий фильтр, не пропускает частоты в некоторой полосе; ППФ – полосно-пропускающий фильтр.
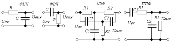
Ниже представлены примеры реализации этих фильтров:
Первые две схемы – это просто RC цепочки. Эквивалентное сопротивление конденсатора с ростом частоты падает. Поэтому левая схема замыкает все частоты больше чем 1/2RC, а вторая наоборот пропускает все частоты меньше чем 1/(2RC).
Эти схемы могут быть и другими. Самое простое усложнение – это применить 2 таких ячейки, 3 и так далее. В основном это приводит к более крутому спаду или росту, и небольшому изменению предельных частот. Но увеличиваются потери из-за неидеальностей элементов. Больше 3 ячеек обычно не используется.
На следующем рис. (ПЗФ) показана схема двойного Т-образного моста. Чаще всего используют условие: R1=R2=2R3 и C1=C2=C3/2. При этом на частоте квазирезонанса fp = 1/(2R1C1) выходное напряжение очень мало. Максимальное значение Q=4. Существенно повысить добротность можно, применив вместо резисторов катушки индуктивностей.
Далее изображён ППФ – это мост Вина. Если R1=R2 и C1=C2, то резонансная частота определяется по приведенной выше формуле для предыдущей схемы, а максимальное Uвых=Uвх/3. Мост Вина применяется широко, но есть более хорошие схемы.В частности, если резисторы заменить на индуктивности, получается гораздо более узкополосный фильтр с лучшей добротностью.
Активные фильтры имеют улучшенные характеристики, так как в них для усиления используется ОУ. Например, на следующем рис. представлена схема с Т-образным мостом и ОУ, включённым по неинвертирующей схеме:
















