63414 (633983), страница 8
Текст из файла (страница 8)
Монтажную плату вместе с фоторезистором размешают в пластмассовом корпусе подходящих размеров. В стенке корпуса против фоторезистора сверлят отверстие. Устройство ставят на подоконнике таким образом, чтобы через отверстие в корпусе на фоторезистор падал рассеянный дневной свет и не попадали прямые солнечные лучи или свет от искусственных источников освещения. Для соединения с блоком питания и дозатором на корпусе можно установить разъемы любой конструкции.
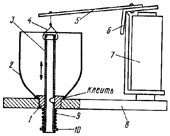
Возможная конструкция дозатора, устанавливаемого на аквариуме, показана на рис.2. С целью упрощения, функцию электромагнита в нем выполняет несколько переделанное электромагнитное реле РЭН-18 (паспорт РХ4.564.706), которое срабатывает при напряжении 6 В и обеспечивает достаточное усилие для работы дозатора.
Сам дозатор состоит из конусообразного бункера 2 из тонкого металла (можно использовать корпус от аэрозольного препарата), приклеенного к цилиндрическому основанию 1 толщиной 5...7 мм и диаметром 15...20 мм. В основании - сквозное отверстие диаметром 5...7 мм, в котором свободно перемещаете тонкостенная трубка 3 с дозирующим отверстием в стенке. Снизу на трубку надета пружина 9, зафиксированная шайбой 10 и развальцованным (или оплавленным - для пластмассовой трубки) концом. Верхний конец трубки стальной проволочной тягой 4 соединен с рычагом 5, скрепленным с якорем 6 реле 7. Все контактные группы реле удаляют. Бункер и реле жестко скреплены с основанием 8 дозатора.
Сухой корм насыпают в бункер. В это время дозирующее отверстие в трубке, диаметр которого равен длине хода трубки, под действием якоря реле должен перекрываться основанием бункера. При срабатывании реле его якорь через рычаг 5 и тягу 4 смещает трубку вверх, дозирующее отверстие в трубке открывается и через него корм попадает в аквариум.
Налаживают автомат в таком порядке. Движок резистора R2 устанавливаютв верхнее (по схеме) положение и размещают устройство на выбранном месте. В утренние часы, при небольшом освещении, медленно увеличивая сопротивление этого резистора, добиваются срабатывания дозатора. Далее в бункер засыпают корм и, периодически затеняя фоторезистор, подстроечным резистором R6 регулируют длительность работы дозатора.
Работу устройства в автомагическом режиме контролируют в течение двухтрех нацель и провопят дополнительные необходимые регулировки.
Рис. 2
Источник: Радио №5, 1993 г., стр.33
Автор: И.НЕЧАЕВ, г. Курск
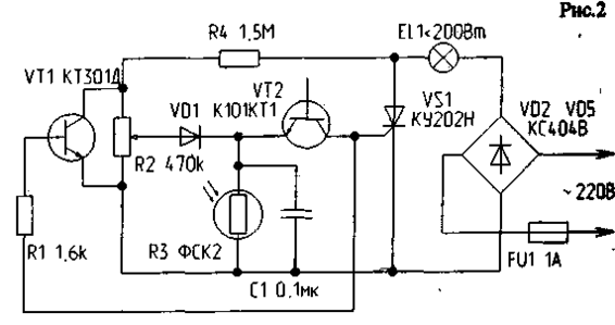
АВТОМАТИЧЕСКИЙ РЕГУЛЯТОР ОСВЕЩЕННОСТИ
Регуляторы (рис. 1,2) позволяют выполнять две функции: автоматически поддерживать заданный уровень освещенности вне зависимости от изменения уровня внешней освещенности и плавно регулировать задаваемый уровень освещенности. Отмеченные свойства регуляторов позволяют использовать их для поддержания постоянной освещенности коридорных площадок, при фотопечати, задании теплового (светового) режима в установках производственного и бытового назначения (инкубаторах, аквариумах, теплицах, термо- и фотостатах и т.п. устройствах).
Светоизлучающий элемент (лампа накаливания) мощностью до 200 Вт может быть включен в цепь нагрузки тиристора по постоянному току (рис.1, 2) либо по переменному - в разрыв сетевого провода.
Управление работой тиристора осуществляется от релаксационного RC-генератора, выполненного на лавинном транзисторе VT2 (К101КТ1). В начальный момент времени заряд конденсатора С1 осуществляется от положительного полупериода напряжения, снимаемого с анода тиристора VS1 через резистор R2 и транзистор VT1 (рис. 1) или резисторы R2 и R4 и диод VD1 (рис. 2). Параллельно конденсатору С1 подключено сернистокалиевое фотосопротивление типа ФСК-2, сопротивление которого в темноте превышает 3 МОм. Таким образом, если фоторезистор находится в затемненной зоне (при отсутствии оптической связи между светоизлучателем EL1 и фоторезистором R3), последний почти не шунтирует конденсатор С 1. Когда напряжение на обкладках конденсатора превышает 8 В, происходит лавинный пробой транзистора VT2 и разряд конденсатора на управляющий электрод тиристора VS 1. Тиристор на текущий полупериод напряжения сети открывается и на лампу накаливания подается напряжение сети. Для каждого последующего полупериода сетевого напряжения процесс повторяется. На лампе выделяется до 95% подводимой мощности, что характерно для всех типов тиристорных и симисторных регуляторов. Если освещенность фотосопротивления повышать, его сопротивление понижается до 200 и менее кОм. Поскольку фотосопротивление подключено параллельно накопительному конденсатору С1 генератора, его шунтирование приводит к снижению скорости заряда конденсатора и отсрочке момента включения тиристора. В итоге лампа накаливания в каждый полупериод начинает включаться с задержкой, пропорциональной уровню освещенности в точке нахождения фоторезистора. Соответственно суммарная освещенность стабилизирована на определенном (заданном) уровне. Потенциометр R1, включенный в эмиттерную цепь транзистора VT1 (рис. 1) или R2, подключенный параллельно участку коллектор-эмиттер транзистора VT1 (рис. 2), предназначены для задания максимального уровня освещенности и позволяют плавно регулировать указанный уровень.
При необходимости устройство может быть преобразовано в терморегулятор, работающий по подобному принципу. При монтаже устройства следует располагать фоторезистор таким обрзом, чтобы свет от лампы накаливания напрямую не попадал на рабочую площадку фоторезистора, т.к. в противном случае возможно возникновение генерации вспышек света, частота которых явление (оптической обратной связи) может быть использовано для генерации импульсов света, определения расстояния между отражающим покрытием и излучателем/приемником света, в различных радиоэлектронных устройствах.
Источник: РЛ 5/95
Автор: М. ШУСТОВ, г.Томск
Выключатель света на ИК лучах
Достоинство дистанционного управления на ИК лучах (далее просто ДУ) все уже испытали на собственном опыте. ДУ вторглось в нашу повседневную жизнь и в достаточной мере экономит наше время. Но на данный момент, к сожалению, не на все электроприборы устанавливают ДУ. Это относиться и к выключателям света. Нашей промышленностью, правда, на данный момент выпускается такой выключатель, но стоит он не маленькие деньги, да и найти его очень и очень сложно. В этой статье предлагается довольно простая схема такого выключателя. В отличие от промышленной, которая включает в себя одну БИСку, она в основном собрана на дискретных элементах, что, конечно, увеличивает габариты, но зато в случаи необходимости легко подвергается ремонту. Но если гнаться за габаритами, то в этом случаи можно использовать планарные детали. Эта схема также обладает и встроенным передатчиком (в промышленных его нет), что избавляет вас от надобности всё время носить с собой пульт или искать его. Достаточно поднести к выключателю руку на расстоянии до десяти сантиметров как он сработает. Ещё одно преимущество заключается в том, что к ДУ подходят любые пульты от любой импортной или отечественной радиотехники.
Передатчик.
На рис.1 приведена схема излучателя коротких импульсов [1]. Что позволяет уменьшить потребляемый передатчиком ток от источника питания, а значит продлить срок службы на одной батарее питания. На элементах DD1.1, DD1.2 собран генератор импульсов, следующих с частотой 30...35 Гц. Короткие, длительностью 13...15 мкс, импульсы формирует дифференцирующая цепь C2R3. Элементы DD1.4-DD1.6 и нормально закрытый транзистор VT1 образуют импульсный усилитель с ИК диодом VD1 на нагрузке.
Зависимость основных параметров такого генератора от напряжения питания Uпит показаны в таблице.
| Uпит, В | 4.5 | 5 | 6 | 7 | 8 | 9 |
Здесь: Iимп - амплитуда тока в ИК диоде, Iпот - ток, потребляемый генератором от источника питания (при указанном на схеме номиналом резисторов R5 и R6).
Передатчиком может служить также любой пуль дистанционного управления от отечественной или импортной техники (телевизора, видеомагнитофона, музыкального центра).
Печатная плата приведена на рис.3. Её предлагается изготовить из двухстороннего фольгированного стеклотекстолита толщиной 1,5 мм. Фольга со стороны деталей (на рисунке не показана) выполняют функцию общего (минусового) провода источника питания. Вокруг отверстий для пропускания выводов деталей в фольге вытравлены участки диаметром по 1,5...2 мм. Выводы деталей, соединённых с общем проводом, припаивают непосредственно к фольге этой стороны платы. Транзистор VT1 крепят к плате винтом М3, без какого либо теплоотвода. Оптическая ось ИК диода VD1 должна быть параллельна плате, и отстоять от неё на 5 мм.
Приёмник (со встроенным передатчиком).
Приемник собран по классической схеме принятой в российской промышленности (в частности в телевизорах Рубин, Темп и т.п.) [1]. Его схема приведена на рисунке 2. Импульсы ИК-излучения попадают на ИК фотодиод VD1 , преобразуются в электрические сигналы и усиливаются транзисторами VT3, VT4 , каторге включены по схеме с общем эмиттером. На транзисторе VT2 собран эмиттерный повторитель, согласующий сопротивление динамической нагрузки фотодиода VD1 и транзистора VT1 с входным сопротивлением усилительного каскада на транзисторе VT3. Диоды VD2,VD3 предохраняют импульсный усилитель на транзисторе VT4 от перегрузок. Все входные усилительные каскады приемника охвачены глубокой обратной связью по току. Это обеспечивает постоянное положение рабочей точки транзисторов независимо от внешнего уровня засветки - своего рода автоматическую регулировку усиления, особенно важную при работе приемника в помещениях с искусственным освещением или на улице при ярком дневном свете, когда уровень посторонних ИК-излучений очень высок.
Далее сигнал проходит через активный фильтр с двойным Т-образным мостом, собранный на транзисторе VT5, резисторах R12-R14 и конденсаторах C7-C9. Транзистор VT5 должен иметь коэффициент передачи тока Н21э=30, в противном случаи фильтр может начать возбуждаться. Фильтр очищает сигнал передатчика от помех сети переменного тока, которые излучаются электрическими лампами. Лампы создают модулированный поток излучения с частотой 100 Гц и не только видимой части спектра, но и в ИК области. Отфильтрованный сигнал кодовой посылки формируется на транзисторе VT6. В результате на его коллекторе получаются короткие импульсы (если поступали с внешнего передатчика) или пропорциональные с частотой 30...35 Гц (если поступали от встроенного передатчика).
Импульсы, поступающие с приёмника, поступают на буферный элемент DD1.1, а с него на выпрямительную цепочку. Выпрямительная цепочка VD4, R19, C12 работает так: Когда на выходе элемента логический 0, то диод VD4 закрыт и конденсатор С12 разряжен. Как только на выходе элемента возникают импульсы, конденсатор начинает заряжаться, но постепенно (не с первого импульса), а диод препятствует его разрядке. Резистор R19 выбран таким образом, чтобы конденсатор успел зарядиться до напряжения равного логической 1 только с 3...6 импульса поступающего с приёмника. Это ещё одна защита от помех, коротких ИК вспышек (например, от фотовспышки фотоаппарата, разряда молнии и т. п.). Разряд конденсатора происходит через резистор R19 и занимает по времени 1...2 с. Это позволяет предотвратить дробление и произвольное включение, и выключение света. Далее установлен усилитель DD1.2, DD1.3 с ёмкостной обратной связью (C3) для получения на его выходе резких прямоугольных перепадав (при включении и выключении). Эти перепады поступают на вход триггера делителя на 2 собранного на микросхеме DD2. Не инвертный его выход подключён к усилителю на транзисторе VT10, который управляет тиристором VD11, и транзистор VT9. Инвертный же подан на транзистор VT8. Оба эти транзистора (VT8, Vt9) служат для зажигания соответствующего цвета на светодиоде VD6 при включении и выключении света. Он выполняет ещё и функцию "маяка" при выключенном свете. На вход R триггера делителя подключена RC цепочка, которая осуществляет сброс. Он нужен для того, чтобы если отключили напряжения в квартире, то после включения свет случайно не зажёгся.
Встроенный передатчик служит для включения света без пульта дистанционного управления (при поднесение ладони к выключателю). Он собран на элементах DD1.4-DD1.6, R20-R23, C14, VT7, VD5. Встроенный передатчик представляет собой генератор импульсов с частотой следования 30...35 Гц и усилитель в нагрузку каторгой включён ИК светодиод. ИК светодиод устанавливается рядом с ИК фотодиодом и должен быть направлен с ним в одну сторону, и они должны быть разделены светонепроницаемой перегородкой. Резистор R20 подбирается таким образом, чтобы расстояние срабатывания, при подносе ладони, было равно 50...200 мм. Во встроенном передатчике можно использовать ИК диод типа АЛ147А или любой другой. (Я, к примеру, использовал ИК диод от старого дисковода, но при этом резистор R20=68 Ом).
Блок питания собран по классической схеме на КРЕН9Б и выходное напряжение равно 9В. Он включает в себя DA1, C15-C18, VS1, T1. Конденсатор С19 служит для защиты устройства от скачков напряжения в электросети.Нагрузка на схеме показана лампой накаливания.
Печатная плата приёмника (рис.4) выполнена из одностороннего фольгированного стеклотекстолита размером 100Х52 мм и толщиной 1,5 мм. Все детали, за исключением диода VD1, VD5, VD8, устанавливают как обычно, эти же диоды устанавливаются со стороны монтажа. Диодный мост VS1 собран да дискретных выпрямительных диодах часто применяемых в импортной технике. Диодный мост (VD8-VD11) собран на диодах серии КД213 (в схеме указанны иные), диоды при впайки располагаются один над другим (столбиком), этот способ применён в целях экономии места.
Литература:
1. Радио №7 1996г. с.42-44. "ИК датчик в охранной сигнализации".
Автор: Русин Александр Сергеевич, г.Москва 1997г.
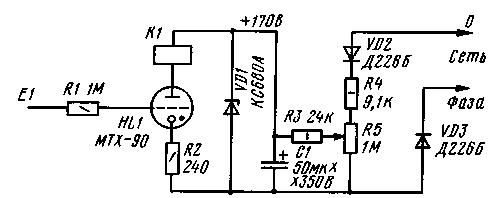
ДВЕРНОЙ СЕНСОРНЫЙ ЗВОНОК
В анодную цепь тиратрона включено реле К1 (РЭС6 паспорт РФО.452.103), группа нормально разомкнутых контактов которого подсоединяется параллельно самоблокирующимся контактам реле музыкального звонка (или через эти контакты питают обычный квартирный звонок). Чтобы исключить ложные срабатывания сенсорного устройства и самопроизвольное зажигание тиратрона, введен параметрический стабилизатор напряжения, выполненный на стабилитроне VD1 и балластном резисторе КЗ. Постоянное питающее напряжение 170 В остается неизменным при колебаниях сетевого напряжения от 180 до 250 В.
















