63414 (633983), страница 10
Текст из файла (страница 10)
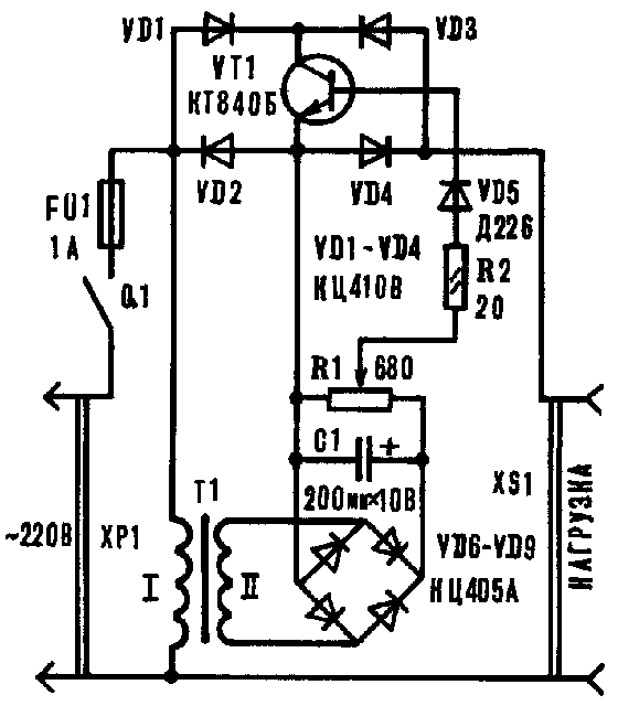
Транзисторный регулятор напряжения содержит минимум радиоэлементов, не вносит помех в электрическую сеть и работает на нагрузку как с активным, так и индуктивным сопротивлением. Его можно использовать для регулировки яркости свечения люстры или настольной лампы, температуры нагрева паяльника или электроплитки, скорости вращения электродвигателя вентилятора или дрели, напряжения на обмотке трансформатора.
Устройство имеет следующие параметры: диапазон регулировки напряжения-от 0 до 218 В; максимальная мощность нагрузки при использовании в регулирующей цепи одного транзистора - не более 100 Вт.
Регулирующий элемент прибора - транзистор VT1 (рис.1). Диодный блок VD1-VD4 в зависимости от фазы сетевого тока направляет его на коллектор или эмиттер VT1. Трансформатор Т1 понижает напряжение 220 В до 5-8 В, которое выпрямляется диодным блоком VD6- VD9 и сглаживается конденсатором С1. Переменный резистор R1 служит для регулировки величины управляющего напряжения, а резистор R2 ограничивает ток базы транзистора. Диод VD5 защищает VT1 от попадания на его базу напряжения отрицательной полярности. Устройство подсоединяется к сети вилкой ХР1. Розетка XS1 служит для подключения нагрузки.
Рис. 1
Рис. 2
Регулятор действует следующим образом. После включения питания тумблером Q1 сетевое напряжение поступает одновременно на диоды VD1, VD2 и первичную обмотку трансформатора Т1. При этом выпрямитель, состоящий из диодного блока VD6- VD9, конденсатора С1 и переменного резистора R1, формирует управляющее напряжение, которое поступает на базу транзистора и открывает его. Если в момент включения регулятора в сети оказалось напряжение отрицательной полярности, ток нагрузки протекает по цепи VD2 - эмиттер-коллектор VT1-VD3. Если полярность сетевого напряжения положительная, ток протекает по цепи VD1 - коллектор-эмиттер VT1-VD4. Значение тока нагрузки зависит от величины управляющего напряжения на базе VT1. Вращая движок R1 и изменяя значение управляющего напряжения, управляют величиной тока коллектора VT1. Этот ток, а следовательно, и ток, протекающий в нагрузке, будет тем больше, чем выше уровень управляющего напряжения, и наоборот. При крайнем правом по схеме положении движка переменного резистора транзистор окажется полностью открыт и "доза" электроэнергии, потребляемая нагрузкой, будет соответствовать номинальной величине. Если движок R1 переместить в крайнее левое положение, VT1 окажется запертым и ток через нагрузку не потечет.
Управляя транзистором, мы фактически регулируем амплитуду переменного напряжения и тока, действующих в нагрузке. Транзистор при этом работает в непрерывном режиме, благодаря чему такой регулятор лишен недостатков, свойственных тиристорным устройствам.
Теперь перейдем к конструкции прибора. Диодные блоки, конденсатор, резистор R2 и диод VD6 устанавливаются на монтажной плате размером 55х35 мм, выполненной из фольгированного гетинакса или текстолита толщиной 1-2 мм (рис.2).
В устройстве можно использовать следующие детали. Транзистор - КТ812А(Б), КТ824А(Б), КТ828А(Б), КТ834А(Б,В), КТ840А(Б), КТ847А или КТ856А. Диодные блоки: VD1- VD4-KЦ410B или КЦ412В. VD6- VD9 - КЦ405 или КЦ407 с любым буквенным индексом; диод VD5 - серии Д7, Д226 или Д237. Переменный резистор - типа СП, СПО, ППБ мощностью не менее 2 Вт, постоянный - ВС, МЛТ, ОМЛТ, С2-23. Оксидный конденсатор - К50-6, К50-16. Сетевой трансформатор - ТВ3-1-6 от ламповых радиоприемников и усилителей, ТС-25, ТС-27 - от телевизора "Юность" или любой другой маломощный с напряжением вторичной обмотки 5-8 В. Предохранитель рассчитан на максимальный ток 1 А. Тумблер - Т3-С или любой другой сетевой. ХР1 - стандартная сетевая вилка, XS1 - розетка.
Все элементы регулятора размещаются в пластмассовом корпусе с габаритами 150х100х80 мм. На верхней панели корпуса устанавливаются тумблер и переменный резистор, снабженный декоративной ручкой. Розетка для подключения нагрузки и гнездо предохранителя крепятся на одной из боковых стенок корпуса. С той же стороны сделано отверстие для сетевого шнура. На дне корпуса установлены транзистор, трансформатор и монтажная плата. Транзистор необходимо снабдить радиатором с площадью рассеяния не менее 200 см2 и толщиной 3-5 мм.
Регулятор не нуждается в налаживании. При правильном монтаже и исправных деталях он начинает работать сразу после включения в сеть.
Теперь несколько рекомендаций тем, кто захочет усовершенствовать устройство. Изменения в основном касаются увеличения выходной мощности регулятора. Так, например, при использовании транзистора КТ856 мощность, потребляемая нагрузкой от сети, может составлять 150 Вт, для КТ834 - 200 Вт, а для КТ847-250 Вт. Если необходимо еще больше увеличить выходную мощность прибора, в качестве регулирующего элемента можно применить несколько параллельно включенных транзисторов, соединив их соответствующие выводы. Вероятно, в этом случае регулятор придется снабдить небольшим вентилятором для более интенсивного воздушного охлаждения полупроводниковых приборов. Кроме того, диодный блок VD1-VD4 потребуется заменить на четыре более мощных диода, рассчитанных на рабочее напряжение не менее 250 В и величину тока в соответствии с потребляемой нагрузкой. Для этой цели подойдут приборы серий Д231-Д234, Д242, Д243, Д245- Д248. Необходимо будет также заменить VD5 на более мощный диод, рассчитанный на ток до 1 А. Также больший ток должен выдерживать предохранитель.
Источник: Моделист-Конструктор №4, 1990 г., стр.21
Автор: В. Янцев
ТАК БОЯТСЯ ЛИ KОМАPЫ УЛЬТРАЗВУКА?
Комары, досаждавшие когда-то лишь сельским жителям да туристам, в последние годы стали всерьез беспокоить и горожан. Размножаясь в сырых подвалах чуть ли не круглогодично - благо, обстановка для этого почти идеальная, - они расселяются затем по квартирам даже многоэтажных домов. Обычные средства борьбы сними -разного рода химические вещества мало помогают.
В последнее время в продаже появились различные ультразвуковые "пищалки", которые, если верить рекламе, способны удерживать комаров на почтительном расстоянии. Но то ли наши комары отличаются, скажем, от сингапурских, то ли частоте излучаемого сигнала не та, то ли еще что, но на вопрос: Ну как, помогает? Испытавшие эту новинку отвечают как-то неопределенно...
Описываемый здесь прибор, принципиальная схема которого изображена на рис.1, позволит каждому составить на этот счет собственное мнение. Задающий генератор собран на инверторах DD1.1 и DD1.2 КМОП-микросхемы К561ЛН2. Остальные элементы этой микросхемы формируют базовые токи транзисторов VT 1 --VT4, попеременно-через транзисторы VT1 и VT4 или через VT2 и VT3,-подключая излучатель ВА1 к источнику питания.
рис.1
Мощные транзисторы работают в ключевом режиме ив специальных теплоот-водах особенно не нуждаются, но в тяжелых температурных условиях они могут и потребоваться.
Диод VD1 - любой германиевый. Возможное размещение элементов на печатной плате показано на рис. 2. Незалуженные участки фольги под транзисторами выполняют роль своего рода теплоотводов. Переменный резистор R3 может быть любого типа, например, СПЗ-4 группы А.
Рис. 2
Динамическая головка ВА1 - высокочастотная мощностью 3-4 Вт со звуковой катушкой сопротивлением не менее 4 Ом, например, 6ГДВ-4. Хотя по паспорту высшая частота излучения таких "пищалок" невелика, опыт показывает, что они способны излучать и колебания ультравысоких частот-до 40... 50 кГц и выше.
Желаемую частоту излучения устанавливают переменным резистором R3. Его можно снабдить заранее проградуиро-ванной по осциллографу шкалой. При указанных на схеме номиналах резисторов R2, R3 и конденсатора С1 генератор перекрывает частотный диапазон 16... 60 кГц. Но это его основная частоте. Поскольку же форма электрического сигнала генератора далека от синусоидальной, в акустическом спектре (при достаточной широкополосности динамической голов-ки) могут появиться и гармоники этого основного тона, что никак не будет недостатком прибора - пугать, так пугать...
Источник питания прибора (напряжением 4,5...6 В) должен быть способен отдавать ток
Комары-раздражающие нас кровососы и распространители ряда заболеваний (малярия, желтая лихорадка и др.) - не единственно возможный объект исследований с помощью описанного здесь прибора. Мокрецы, мошка (их свыше тысячи видав - переносчики сибирской язвы, сапа, туляремии, чумы, проказы), платяная и тополиная моль, тараканы, муж, долгоносики, кожееды и прочая живность, так или иначе вторгающаяся в нашу жизнь, макет также оказаться чувствительной к такому на нее воздействию. Остается проверить... И быть может, начать тем самым новое направление в творчестве радиолюбителей. Направление, в котором эксперименты такого масштаба по силам лишь большой группе людей, владеющих электронной техникой
Источник: РАДИО N 7, 1994 г., с.25-26
Автор: Ю.ВИНОГРАДОВ г. Москва
Конденсатор С1 — типа КПК-М, остальные — типа К50-6. В качестве реле выбрано РЭС-10, паспорт РС4.524.312, можно также применить РЭС-10, поспорт РС4.524.303, либо РЭС-55А, паспорт 0602. Диод VD1 можно исключить, так как он необходим лишь для предохранения схемы от случайного измененения полярности питания.
Настраивается емкостное реле конденсатором С1. Сначала ротор С1 необходимо установить в положение минимальной емкости. при этом сработает реле К1. Затем ротор медленно поворачивают в сторону увеличения емкости до выключения реле К1. Чем меньше емкость подстроенного конденсатора, тем чувствительнее емкостное реле и больше расстояние, на которое датчик способен реагировать на объект. При настройке конденсатора корпус тела и руку с диэлектрической отверткой необходимо держать на возможно большем удалении от платы.
Автор: В.Табунщиков
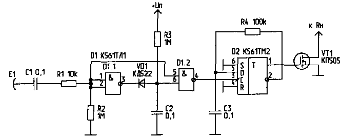
СЕНСОР С ФИКСАЦИЕЙ
В отличие от обычных переключателей. кнопок и тумблеров, сенсоры имеют более высокие показатели механической прочности и надежности. Для того чтобы ими можно было заменить двухпозиционные переключатели. предлагаю простую схему.
Безразлично, как коснуться сенсора Е1 — с помощью кулака или с помощью пальца. Транзистор VT1 может находиться в одном из двух состояний: включено или выключено (в зависимости от своего предыдущего состояния). При этом кулак или палец может нходиться на сенсоре сколь угодно долго — транзистор изменит свое состояние только при последующем касании.
Элементы Dl.1. D1.2 и времязадающая цепь VD1. R3. С2 обеспечивают формирование одиночного короткого импульса из пачки импульсов частоты 50 Гц. возникающих при касании сенсора Е1. Этот короткий импульс, поступая на вход "С" триггера D2, вызывает его переключение.
Поскольку даже этот короткий импульс может состоять из нескольких еще более коротких импульсов, для исключения ложных срабатываний триггера D2 введена помехозащищающая цепь R4,СЗ.
Недостатком данной схемы сенсора является то, что при возникновении сильной электромагнитной помехи, вызванной включением в сеть 220 В мощной электроаппаратуры, может происходить ложное переключение триггера. Чтобы избежать этого, следует ввести блокировочную цепь для входа "R" триггера D2. или предусмотреть задержку подачи пачки импульсов 50 Гц на вход элементов D1.1 и D1.2.
Для увеличения чувствительности сенсора перед элементом D1.1 можно ввести усилитель на базе микросхемы операционного усилителя.
Автор: А.МИХАЛЕВИЧ
Сенсорный выключатель
Простая схема сенсорного выключателя опубликована в английском журнале "Рейдио электроникс констрактор". Основой устройства служит двойной эмиттерный повторитель на транзисторах VT1, VT2. В эмиттер VT2 включено реле К1. При прикосновении к сенсору переменное напряжение, наводимое в теле человека комнатной проводкой, передается через конденсатор С1 на базу составного транзистора, который открывается, и реле срабатывает. Диод VD1 защищает транзистор от выбросов напряжения при размыкании, а конденсатор С2 сглаживает возникающие пульсации. Транзисторы - маломощные кремниевые, например КТ315 с любым буквенным индексом. Диод - кремниевый, например, Д226, Реле - маломощное, на рабочее напряжение 9В.
Рис. 1
Источник: Моделист-Конструктор №4, 1990 г., стр.28















