63414 (633983), страница 11
Текст из файла (страница 11)
Электронный термометр
Если нужно контролировать температуру, скажем, в подвале дома, на чердаке или в любом подсобном помещении, обычный ртутный или спиртовой термометр вряд ли подойдет-не будете же периодически выходить из комнаты, чтобы взглянуть на его шкалу.
Более пригоден в подобных, случаях электронный термометр, позволяющий измерять температуру дистанционно - на расстояниях в сотни метров. Причем в контролируемом помещении будет располагаться лишь миниатюрный термочувствительный датчик, а в комнате на видном месте - стрелочный индикатор, по шкале которого и отсчитывают температуру. Соединительная же линия между датчиком и устройством индикации может быть выполнена либо экранированным проводом либо двухпроводным электрическим шнуром.
Конечно, электронный термометр - не новинка современной электроники. О подобных устройствах неоднократно рассказывалось и в популярной радиолюбительской литературе. Но в большинстве случаев термочувствительным элементом в них работал терморезистор, обладающий нелинейной зависимостью сопротивления от температуры окружающей среды. А это менее удобно, поскольку стрелочный индикатор нужно было снабжать специальной нелинейной шкалой, получаемой во время, градуировки прибора с помощью образцового термометра.
В предлагаемом ниже электронном термометре в качестве термочувствительного элемента применен кремниевый диод, зависимость прямого напряжения (т. е. падения напряжения на диоде при протекании через него прямого тока - от анода к катоду) которого линейна в широком диапазоне изменения температуры окружающей среды. В этом варианте отпадает необходимость в специальной градуировке шкалы стрелочного индикатора.
Принцип действия электронного термометра легко понять, вспомнив известную мостовую схему измерения, образованную четырьмя резисторами, с включенным в одну диагональ стрелочным индикатором и поданным на другую диагональ питающим напряжением. При разбалансе моста, т. е. изменении сопротивления одного из резисторов, через стрелочный индикатор начинает протекать ток, тем больший, чем сильнее разбаланс.
Немного преобразовав измерительный мост и включив вместо двух его резисторов транзисторные каскады (рис. 1), получим "базовую" схему электронного термометра. В цепь базы транзистора VT1 включен делитель напряжения с термочувствительным датчиком -диодом VD1, а в цепь базы, транзистора VT2 - делитель фиксированного напряжения. При нагреве или охлаждении термодатчика напряжение на базе транзистора VT1 будет изменяться (с кремниевым диодом примерно на 2 милливольта на каждый градус изменяющейся температуры относительно исходной). Чем больше изменение падения напряжения на диоде, тем сильнее разбаланс моста, тем больше угол отклонеения стрелки индикатора PA1.
Рис.1
На рис. 2 приведена принципиальная схема, предлагаемого электронного термометра. Он способен измерять температуру от 0 До 100 °С, от 0 до 50 °С или от -50 до +50 °С - все зависит от стрелочного индикатора РА1, используемого в приборе. Так, с показанным на схеме микроамперметром на 100 мкА термометр рассчитан на работу в первом из указанных диапазонов. Если установить индикатор на 50 мкА, можно работать во втором диапазоне. А с индикатором на 50 мкА, но с нулем посередине шкалы,- в третьем. При этом независимо от диапазона остальные, детали термометра остаются неизменными.
Основу термометра составляют каскады на транзисторах VT1 и VT3. Смещение на базе транзистора VT1 задается цепочкой из резисторов R1-R3, причем переменным резистором R2 можно более точно подбирать напряжение смещения, а значит, балансировать измерительный мост и устанавливать стрелку индикатора РА1 на условный нуль отсчета (на нулевое деление шкалы). Напряжение смещения на базе транзистора VT2 определяется цепочкой и" резисторов R10, R3 и диода VD1, подключенного к зажимам ХТ1, ХТ2 и выполняющего роль термочувствительного датчика. При изменений окружающей температуры изменяется напряжение смещения на базе транзистора VT2 и стрелка индикатора отклоняется. По углу отклонения стрелки судят о контролируемой температуре.
Питается электронный термометр стабильным напряжением, которое получается благодаря включению в цепь батареи GB1 параметрического стабилизатора, состоящего из балластного резистора R12 и стабилитрона VD2. Поскольку потребляемый термометром ток значителен (более 15 мА), питание подается кнопкой SB1 только во время измерения.
В простейшем варианте можно подавать напряжение от батареи 3336 или выпрямителя (с выходным стабилизированным напряжением 4.5...6 В) на проводники А и Б (при этом, конечно, детали стабилизатора не нужны).
Датчиком в термометре может работать, кроме указанного на схеме, любой кремниевый диод, например, серий КД102, Д226. При использовании диода серии Д226 для контроля, скажем, температуры нагревания мощного транзистора усилителя, следует удалить вывод катода (чтобы диод можно было прикладывать корпусом к контролируемой поверхности), а вместо него подпаять к боковой поверхности корпуса отрезок монтажного провода в изоляции.
Транзисторы - любые маломощные кремниевые, например, серий КТ306, КТ312, КТ315 с коэффициентом передачи 40...50. Все постоянные резисторы- МЛТ-0,25 или МЛТ-0,125, переменный R2 - СП-1, подстроечный R9 - СП3-1a или СП3-16. Индикатор РА1 - типов М24, М592 или другой с указанным выше током полного отклонения стрелки. Батарея GB1 - "Крона" или две последовательно соединенные 3336.
Налаживание собранного термометра начинают с проверки потребляемого им тока. К зажимам ХТ1 и ХТ2 подключают диод-датчик, а к точкам А и Б-батарею 3336 (через миллиамперметр на 30-50 мА). Стабилитрон VD2 временно отключают. Стрелка миллиамперметра должна показать ток 10...20.. мА, что укажет на исправность прибора.
Рис.2
Затем проверяют действие переменного резистора R2, устанавливая им стрелку индикатора на отметку 20 мкА при нормальной окружающей температуре (20 °С). После этого, зажав в руке датчик, наблюдают ЗА увеличением показаний стрелочного индикатора. Если они, наоборот, падают, изменяют полярность включения микроамперметра.
Следующий этап - калибровка электронного термометра. Диод-датчик опускают в сосуд с водой и снегом или льдом (в воде должен находиться только одни из выводов диода, поэтому на время калибровки диод нужно поместить в изогнутую поливинилхлоридную трубку) - температура такой смеси равна 0 °С. Резистором R2 устанавливают стрелку индикатора точно на нулевую отметку шкалы.
Вынимают датчик из воды и дожидаются, когда показание индикатора увеличатся до первоначального значения. Вновь опускают датчик в воду, но уже кипящую ее температура около 100 °С. Резистором R9 добиваются отклонения стрелки на конечную отметку шкалы.
Далее проверяют калибровку начальной отметки шкалы, опуская датчик в воду со льдом или снегом и корректируя положение движка резистора R2, после чего датчик помещают в кипящую воду и добиваются нужного отклонения стрелки, индикатора подстроечным резистором R9. И так - несколько раз, пока не удастся добиться точных показаний индикатора. В дальнейшем достаточно будет корректировать положение стрелки индикатора переменным резистором R2, помещая датчик в комнату с известной температурой.
Для термометра со шкалой 0…50 °С датчик опускают в стакан с остывающей горячей водой и помещенным в него контрольным термометром в тот момент, когда температура воды достигнет заданной (50 °С).
Если калибровку делают летом, когда нет ни снега ни льда, датчик вместе с контрольным термометром помещают в морозильную камеру холодильника. Конечно, калибровку следует проводить с подключенным к прибору источником GB1, а не с выносной батареей.
Источник: Радио №12, 1990 г., стр. 70
Электронный таймер
Многие владельцы бытовой радиоаппаратуры - радиоприемников, магнитофонов, магнитол - могут расширить функциональные возможности своих аппаратов, оснастив их электронным таймером. Это устройство показывает текущее время и позволяет включать или выключать радиоаппаратуру в заранее установленный момент. Кроме того, оно может служить будильником, поможет записать в отсутствие владельца интересную радиопрограмму, известит своим сигналом о начале нужной телепередачи и т. д. Работает прибор от внутреннего источника питания радиоаппарата (9-12 В). Точность хода таймера стабилизирована кварцевым резонатором и составляет ±1 с в сутки.
Таймер собран на микросхемах повышенной степени интеграции и энергоэкономичности. При отключенной индикации устройство потребляет всего доли микроватта, в ждущем режиме расходуемый им ток не превышает 0,3 мА. Блок индикации, выполненный на миниатюрных светодиодных индикаторах, может быть встроен в любое удобное место радиоаппаратуры.
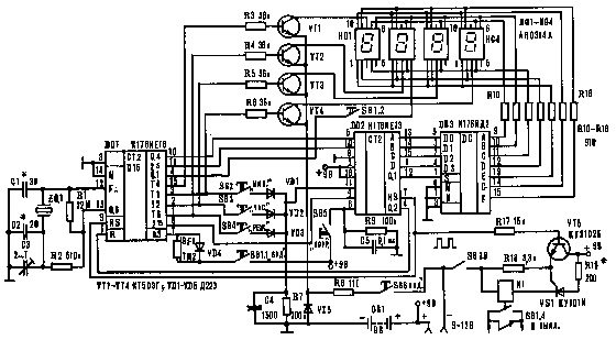
Таймер собран на трех специализированных микросхемах: генератор DD1- К176ИЕ18, счетчик DD2-К176ИЕ13, дешифратор DD3-К176ИД2.
Интегральная микросхема К176ИЕ18 специально разработана для использования в электронных часах. В ее состав входит генератор, рассчитанный на работу с внешним кварцевым резонатором частотой 32 768 Гц, и два делителя частоты с коэффициентами деления 215=32768 и 60. Сопротивление резистора R1 может находиться в пределах 10-33 МОм. Конденсатор С3 служит для точной подстройки частоты. На выходах Т1-Т4 DD1 формируются импульсы с частотой 128 Гц и скважностью 4, сдвинутые между собой на четверть периода. Они необходимы для коммутации разрядов индикатора в часах при динамической индикации. Сигнал с частотой 1 Гц с вывода 4 микросхемы можно использовать для зажигания разделительной точки. В данном устройстве он сигнализирует о работе часов в режиме "будильник-таймер".
МС К176ИЕ18 имеет специальный формирователь звукового сигнала. При подаче на вход HS импульса положительной полярности с одноименного выхода микросхемы DD2 на выводе 7 DD1 появляются пачки отрицательных импульсов с частотой заполнения 2048 Гц и скважностью 2. Длительность пачек - 0,5 с, период заполнения - 1 с. Выход Q3 (вывод 7) выполнен с "открытым" стоком и позволяет подключать излучатели сопротивлением более 50 Ом без эмиттериых повторителей.
Микросхема DD2 содержит счетчики минут и часов, регистр памяти будильника, цепи сравнения и включения звукового сигнала, цепи формирования сигналов цифр в двоичном коде при динамической индикации. При уровне 1 на выходе Т1 DD1, на выходах А-В-С-D DD2 присутствуют сигналы, соответствующие в двоичном коде цифре единиц минут: при таком же уровне на выходе Т2 - сигналы десятков минут и т. д. На выходе Q1 (вывод 12) формируются импульсы для записи сигналов цифр в триггеры памяти микросхемы DD3. С выхода HS (вывод 7 DD2) снимается сигнал будильника, используемый для запуска выходного реле К1, коммутирующего выключатель питания в режиме таймера. Реле включено в катодную цепь триннстора VS1, управляющий вход которого подключен через согласующий повторитель на транзисторе VT5 к выводу 7 DD2. Напряжение питания 9 В на все три микросхемы подается на вывод 16, а с общим проводом соединяют вывод 8.
Рис. 1
принципиальная схема в формате TIFF 1024 x 565, 300 dpi (128k zip) >>
При подаче питания счетчики часов и минут, а также регистр памяти автоматически переводятся в нулевое состояние. Для установки счетчика минут нажимают на кнопку SB2. При этом показания разрядов минут в индикаторе начинают меняться с частотой 2 Гц от 00 до 59 (далее снова 00 и т. д.). В момент перехода от числа 59 к 00 показания счетчика часов увеличатся на единицу. Если нажать на кнопку SB3, то с той же частотой будут изменяться показания разрядов часов (от 00 до 23). При нажатой кнопке SB4 на индикаторе появится время включения сигнала будильника. Если одновременно нажать на кнопки SB2 и SB4, то показания разрядов минут включения будильника станут изменяться, как и при нажатой кнопке SB2, однако в разряде часов переключения не будет. При одновременно нажатых кнопках SB3 и SB4 устанавливают показания разрядов часов будильника, но при переходе из состояния 23 в 00 осуществляется перевод в нулевое значение разрядов минут. Кнопка SB5 служит для коррекции хода часов в процессе эксплуатации. Если нажать на кнопку SB5 и отпустить ее спустя секунду после шестого сигнала поверки времени, то появится нулевое показание разрядов минут. После этого можно установить показание разрядов часов в индикаторе, нажав кнопку SB3. При этом ход минут не будет нарушен. Следует помнить, что при показаниях индикатора в пределах от 00 до 39 состояние счетчика часов при нажатии и отпускании кнопки SB5 не изменяется. В интервале же от 40 до 59 минут после отпускания кнопки SB5 значения разрядов часов увеличатся на 1. Если текущее время и время включения сигнала будильника не совпадают, на выходе HS (вывод 7 DD2) присутствует уровень логического 0. При совпадении показания на выходе HS появляются импульсы положительной полярности с частотой повторения 128 Гц и скважностью 16. Когда их подают на излучатель через эмиттерный повторитель, то раздается сигнал, напоминающий звук механического будильника. Сигнал прекратится, как только текущее время перестанет совпадать с временем включения будильника, то есть через 1 мин. Для согласования микросхем К176ИЕ18 и К176ИЕ13 с индикатором используется дешифратор DD3 и ключи на транзисторах VT1-VT4.
Интегральная микросхема К176ИД2 содержит преобразователь сигналов двоично-десятичного кода в сигналы управления семисегментными индикаторами. Она включает в себя также триггеры, позволяющие запомнить сигналы входного кода. Микросхема имеет четыре индикаторных входа (D0-D3) для подачи сигналов в коде 1-2-4-8 и три управляющих входа М, К, S (6, 7, 1). Вход М определяет полярность выходных сигналов: при 0-на выходе 1 и наоборот. При 0 на входе К разрешена индикация. Вход S управляет работой триггеров памяти: при уровне 1 на нем триггеры превращаются в повторители и изменение сигналов на входах D0-D3 соответственно изменяет выходные сигналы. Если же на входе S присутствует уровень 0, то сигналы, имевшиеся перед этим на входах D0-D3, запоминаются и микросхема на их изменение не реагирует. Ток короткого замыкания на выходах DD3 примерно равен 9 мА при напряжении питания 9 В. Они соединены через токоограничивающие резисторы R10-R16 с выводами семисегментного индикатора АЛС314А или аналогичным. Соответствующие аноды всех четырех разрядов индикатора объединены и соединены с выходами дешифратора, а катоды связаны с выходами Т1-Т4 DD1 через ключи на транзисторах VT1-VT4. При среднем потреблении тока 10 мА индикатор обеспечивает в помещении достаточную яркость свечения. В случае использования таймера на улице в солнечную погоду индикатор необходимо углубить в корпусе прибора и установить красный светофильтр. Желательно при этом уменьшить величины резисторов R8 или R10-R16.
Часы могут работать и от буферной батареи "Корунд". Тогда исключаются сбои в работе часов при смене источника питания и повышается надежность таймера. От батареи GB1 питаются генератор, счетчик и дешифратор. Индикатор и исполнительное реле К1 получают энергию от внутреннего, более мощного источника питания радиоаппаратуры. Потребляемый от батареи GB1 ток не превышает 0,35 мА. Кроме того, она подзаряжается от радиоаппаратуры при включенной индикации (то есть при замкнутом выключателе SB6) через резистор R8 и диод VD5, препятствующий работе индикатора от буферной батареи GB1. Срок ее службы - около года. Если в приборе нет свободного места, батарею GB1, резистор R8 и диод VD5 из схемы исключают. Контакты исполнительного реле К1 включают последовательно с тумблером питания аппарата, в который установлен таймер.
















