147506 (566344), страница 6
Текст из файла (страница 6)
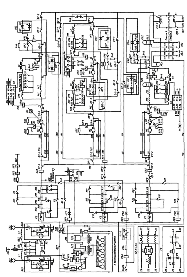
Принципиальные схемы тяговых силовых цепей электровозов выполняют разнесенным способом. Отдельные цепи на схеме располагают горизонтально одна под другой. Силовые цепи различных электровозов отличаются одна от другой, прежде всего числом тяговых двигателей. Кроме того, на построении схемы сказывается наличие или отсутствие рекуперативного либо реостатного торможения, используемый способ перехода с одного соединения двигателей на другое, число ступеней ослабления возбуждения, способы защиты силовых цепей.
Контакты аппаратов на силовых схемах показывают в положении, соответствующем условиям их изображения. Как уже было отмечено, контакты аппаратов, не имеющие отключенного положения, изображают для положения, принятого за исходное (нормальное).
Рис.1. Схема силовых цепей электровоза ВЛ15
Принцип действия схемы рассмотри на примере рекуперативного торможения.
Рекуперативный режим. Перед переходом в режим рекуперации электродвигатели вентиляторов переводят на работу в режиме «Высокая скорость» и включают тиристорные преобразователи U1.2, U 1.3 и U1.4 (см. рис. 1) и реле моторного тока КА2. Затем реверсивно-селективную рукоятку устанавливают в положение, соответствующее соединению тяговых двигателей (П, СП или С). Соединение тяговых двигателей выбирает машинист в зависимости от скорости движения и напряжения в контактной сети. Рабочие зоны действия рекуперативного торможения электровоза следующие: от 100 до 50 км/ч — параллельное соединение тяговых двигателей, от 64 до 33 км/ч — последовательно-параллельное, от 34 до 17,5 км/ч — последовательное.
При нахождении тормозной и главной рукояток контроллера машиниста на нулевой позиции и установке реверсивно-селективиой рукоятки в положение П валы групповых переключателей Q1 и Q2 поворачиваются в положение, соответствующее параллельному соединению двигателей. После перемещения тормозной рукоятки на позицию П валы тормозных переключателей Q5 и Q6 устанавливаются в положение, соответствующее тормозному режиму; при этом включаются контакторы К45, К46, К47, подсоединяющие цепи обмоток возбуждения двигателей к зажимам тиристорных преобразователей Vl-2, Vl-3, V1-4; линейные контакторы К2, К4 и К6, подготавливающие силовые цепи обмоток якорей тяговых двигателей к рекуперативному режиму. При установке тормозной рукоятки на позицию ПТ включаются контакторы КМБ4 (см. рис. 1), запускающие тиристорные преобразователи. При этом начинает расти ток возбуждения и соответственно э. д. с. тяговых двигателей, однако рекуперация начнется лишь в момент, когда э. д. с. двигателей станет больше напряжения в контактной сети.
Это обеспечивается тем, что включение линейных контакторов К1, КЗ, К5 поставлено в зависимость от срабатывания соответственно реле рекуперации KV6, KV5, KV4. После того как они сработают, включаются линейные контакторы К1, КЗ, К5 (рис. 2), и образуются цепи тока рекуперации.
На позиции ПТ происходит предварительное торможение, осуществляется питание задатчика тока и задатчика скорости, ввод цепей электровоза в режим рекуперации с ограничением тока якоря до 100 А.
Переключение обмоток якорей с параллельного соединения на последовательно-параллельное осуществляется контактами группового переключателя Q2 в режиме выбега после исчерпания возможности реализации необходимой тормозной силы на соединении П из-за снижения скорости движения электровоза. Переключение обмоток якорей с последовательно-параллельного на последовательное соединение, когда прекращается реализация тормозной силы, осуществляется также в режиме выбега контактами группового переключателя Q1.
Рис.2. Схема прохождения тока при рекуперации на параллельном соединении тяговых двигателей
Вывод
Исследовали силовые электрические цепи электровозов постоянного тока
Цель работы:
Исследовать электрические цепи управления электровозов постоянного тока
Порядок работы:
-
Назначение
-
Принцип действия
-
Схема
-
Вывод
Назначение
Цепи управления предназначены для управления электрическими аппаратами электровоза (токоприемники, главный выключатель, главный контроллер и т.д.) для регулирования напряжения на тяговых двигателях.
Чтобы лучше понять взаимную связь электрических машин, электрической аппаратуры и другого электрооборудования, реально существующие электрические цепи электровозов представляют в виде схем. Знание электрических схем требуется не только для понимания работы оборудования электровозов, управления электровозов, но и для быстрого обнаружения появляющихся в процессе эксплуатации отдельных неисправностей электрооборудования. Необходимо уметь читать схему, т. е., пользуясь условным ее графическим изображением, проследить путь прохождения тока в электрических цепях локомотива при всех режимах его работы, определить связь и взаимодействие всего электрического оборудования. Для облегчения поиска провода, изображаемые на электрической схеме электровоза в виде линий, пронумерованы по участкам.
Рис.1. Схема цепей управления электровоза ВЛ15
Продолжим рассмотрение схемы рекуперативного торможения со стороны цепей управления.
Рекуперативный режим. Перед переходом на рекуперативное торможение включают тиристорные преобразователи (ТП) и реле моторного тока КА2 обеих секций. При этом главная и тормозная рукоятки должны находиться на нулевой позиции. Затем реверсивно-селективную рукоятку переводят в одно из выбранных положений П, СП или С в зависимости от скорости движения электровоза. При установке реверсивно-селективной рукоятки в положение П по проводам Э564 и Э565 напряжение подается на катушки вентилей групповых переключателей Q1, Q2 и их валы занимают положения соответственно СП-П и П. Контакты Q1 и Q2 замыкают цепь питания от провода Э565 (замыкающий контакт Q1, провод 572, замыкающий контакт Q2, провод 575) катушки реле времени КТ11.
При установке тормозной рукоятки на позицию П от провода 501 через контакт 105-106 тормозного вала, контакт 13-14 реверсивно-селективного вала, провод Э566, контакты QFl, KV24, KV31, КА2, Q10 напряжение подается на катушки вентилей Т тормозных переключателей Q5 и Q6. Их катушки возбуждаются, и валы тормозных переключателей занимают положение, соответствующее рекуперативному режиму. От провода 505 через контакт 15-16 реверсивно-селективного вала, контакт 101-102 тормозного вала, провод Э533, контакты Q5 и Q6 получают питание катушки вентилей контакторов К45, К46, К47, которые подключают обмотки возбуждения тяговых двигателей к тиристорным преобразователям. От провода 604 через контакты Q5, Q6, Q9, Q15 напряжение подается на катушки вентилей линейных контакторов К2, К4, К6. Они включаются, но линейные контакторы К1, КЗ, К5 еще отключены; они включатся после того, как сработает реле рекуперации KV4, KV5, KV6.
При переводе тормозной рукоятки на позицию ПТ провод Э537 через контакт 115-116 контроллера машиниста соединяется с корпусом и от провода 604, через контакт реле SP3, замыкающие контакты контакторов КМ64, КМ71, К47 и К45 напряжение подается на катушки контактора КМ72 и промежуточных реле KV21 и KV22. После включения контактора КМ72 получает питание система управления преобразователями по проводу Э524, преобразователи начинают работать. Контактами реле KV21 и KV22 подготавливаются цепи включения реостатных контакторов. Цепи рекуперации собираются после включения линейных контакторов К1, КЗ и К5. На катушки их вентилей напряжение подается от провода Э566, но они не возбуждаются до тех пор, пока не сработают реле рекуперации KV6, KV5, KV4. Реле KV4, KV5 и KV6 включаются на позиции ПТ, когда суммарная ЭДС тяговых двигателей превысит напряжение контактной сети. Катушки вентилей контакторов К1, КЗ и К5 соединяются с корпусом кузова по цепи: провода 606, 642, 643, замыкающие контакты контакторов К47, К46, К45, провода 608, 607 и 605, контакты реле KV6, KV5, KV4, провод 612, кнопка S17 (проверка САУРТ), провод Э537, контакт 115-116 тормозного вала контроллера, провод 600, корпус.
На соединении П по проводу Э565 через замыкающий контакт Q2, провод 591, контакты контакторов Kl, К5 и КЗ напряжение подается к катушкам реостатных контакторов К22, К23, К17, К18, К12, К13. Цепи этих катушек соединены с корпусом при замкнутых контактах реле KV21 и KV22. При включении контакторов К12, К13, К17, К18 и К22, К23 выводятся соответствующие пусковые резисторы.
На позиции ПТ тормозной рукоятки получает питание электроблокировочный вентиль SP6 по проводу Э534 через контакты тормозного переключателя Q5, контактора К2 и пневматического выключателя управления SP2. Вентиль SP6 отключает тормозные цилиндры секции от воздухораспределителей во избежание заклинивания колесных пар при служебном торможении поезда во время рекуперации. Допускается возможность применения электрического торможения и одновременно приведение в действие вспомогательного крана при давлении в тормозных цилиндрах ниже 130—150 кПа. При более высоком давлении цепи электрического тормоза разбираются пневматическим выключателем управления SP3, контакт которого включен в цепь катушек контактора КМ72, реле KV21 и KV22. После разрыва контактором КМ72 цепи управления преобразователями ток возбуждения тяговых двигателей падает и они переходят в тяговый режим, при токе 100 А отключается реле КА2, которое своим контактом разрывает цепь питания катушек вентилей линейных контакторов.
Для служебного снятия рекуперативного торможения тормозную рукоятку перемещают в сторону нулевой позиции до тех пор, пока ток в цепи тяговых двигателей не достигнет 100 А; при этом срабатывает реле КА2 и своим контактом разрывает цепь питания катушек вентилей линейных контакторов, контактора КМ72, реле KV21 и KV22 Линейные контакторы разрывают цепь тяговых двигателей, а контактор КМ72 - цепь управления преобразователями. При срыве рекуперации размыкается контакт контактора К2, вентиль SP6 теряет питание и открывается доступ воздуху в тормозные цилиндры независимо от положения крана машиниста. Это обеспечивается электроблокировочным вентилем У9, который, возбуждаясь, через размыкающий контакт контактора К2 создает параллельную цепь питания тормозных цилиндров.
При разрядке тормозной магистрали до 290—270 кПа контакт пневматического выключателя SP2 размыкается и отключает катушку вентиля SP6, в результате чего приводится в действие пневматический тормоз и при давлении в тормозных цилиндрах 190—150 кПа цепи электрического торможения разбираются, так как размыкаются контакты реле.
Последующий сбор цепей рекуперативного торможения возможен после установки тормозной рукоятки в позицию 0, на которой происходит включение реле КА2. Во избежание срыва рекуперативного торможения в результате отключения реле КУ4, KV5, KV6 контакты этих реле в цепи линейных контакторов шунтируются замыкающими контактами соответствующих линейных контакторов К5, КЗ и К1.
На соединении СП включаются контакторы КЗ и К5. При этом от провода Э564 по цепи: размыкающий контакт Q2, провод 591, замыкающий контакт линейных контакторов КЗ и К5 напряжение подается к катушкам реостатных контакторов К17, К18 и К12, K13. На соединении С включается линейный контактор К1 и через провода Э582, Э534, контакт Q5, размыкающий контакт группового переключателя Q1, провод 591, замыкающий контакт К1, провод 681 напряжение подается к катушкам реостатных контакторов К22, К23, а от провода 681 через размыкающие контакты Q1 по проводам 639, 680 — соответственно к катушкам реостатных контакторов K12, К13 и К17, К18.
Аналогично действию цепей управления на соединении П протекает работа цепей управления электровоза в режиме рекуперативного торможения на СП или С соединения тяговых электродвигателей.
При установке реверсивно-селективной рукоятки в положение СП прекращается подача напряжения на включающие катушки вентилей групповых переключателей Q2 и их валы занимают положение С-СП, а при установке реверсивно-селективной рукоятки в положение С прекращается подача напряжения на включающие катушки вентилей групповых переключателей Q1 и они занимают положение С.
Вывод















