147506 (566344), страница 7
Текст из файла (страница 7)
Исследовали электрические цепи управления электровозов постоянного тока
Цель работы:
Исследовать силовые электрические цепи электропоезда постоянного тока
Порядок работы:
-
Назначение
-
Принцип действия
-
Схема
-
Вывод
Назначение
Силовые электрические цепи предназначены, посредством специальных электрических аппаратов, для подачи напряжения на тяговые двигатели и другие устройства электропоезда.
После того как поднят токоприемник, включен главный выключатель, подано высокое напряжение и введены в работу вспомогательные машины и устройства, могут быть приведены в действие силовые цепи электропоезда.
Схема электропоезда обеспечивает:
-
Автоматическое электродинамическое торможение до скорости 10-15 км/ч с автоматическим дотормаживанием.
-
Автоматический пуск (разгон) поезда с нулевой до максимальной скорости под контролем блока регулятора ускорения БРУ.
-
Изменение интенсивности разгона и торможения из кабины машиниста.
-
Рекуперативное торможение с независимым возбуждением с максимальной скорости до скорости 45-50 км/ч и автоматический переход на реостатное торможение с независимым возбуждением с максимальной скорости до скорости 45-50 км/ч при повышении напряжения в контактной сети более (3950 ± 50) вольт.
-
Реостатное торможение с самовозбуждением со скорости 45-50 км/ч до скорости 10-15 км/ч.
-
Автоматическое дотормаживание электропневматическим тормозом со скорости 10-15 км/ч до полной остановки.
-
Автоматическое замещение электропневматическим тормозом электродинамического тормоза данной секции.
-
Комбинированное торможение электродинамическим тормозом моторных вагонов и электропневматическим тормозом прицепных вагонов.
-
Сбор схемы автоматического резервного питания от преобразователя соседней секции в случае выхода из строя собственного преобразователя секции.
-
Автоматическое поддерживание микроклимата во всем составе поезда
по информации от датчика-реле температуры (Т419-2М).
Аппараты и устройства защиты электропоезда обеспечивают защиту от:
-
Перенапряжений в контактной сети, для чего в схеме предусмотрены униполярные вилитовые разрядники.
-
Радиопомех, вызванных искрением на токоприемнике, коммутацией тяговых двигателей и аппаратов силовой цепи.
-
Токов короткого замыкания, перегрузки и токов утечек в силовой цепи и цепях вспомогательных машин.
-
Сбора схемы при отсутствии напряжения в контактной сети.
-
Перегрузки в случае боксования, разносного боксования, юза и заклинивания колесных пар.
-
Обратных токов в цепи двигателя преобразователя.
-
Коммутационных перенапряжений.
Режим электрического торможения.
Силовая цепь в режиме электрического торможения обеспечивает: реостатное торможение с независимым возбуждением тяговых двигателей; рекуперативное торможение, реостатное торможение с самовозбуждением тяговых двигателей, совместное действие электропневматических тормозов всех вагонов и реостатного торможения моторных вагонов в конце торможения и до полной остановки; замещение в случае отказа электрического торможения электропневматическим. Кроме того, предусмотрены следующие переходы: с реостатного торможения с независимым возбуждением на рекуперативное, с рекуперативного торможения на реостатное с самовозбуждением, с рекуперативного торможения на реостатное с независимым возбуждением в случае повышения напряжения в контактной сети, с реостатного торможения с независимым возбуждением на реостатное с самовозбуждением.
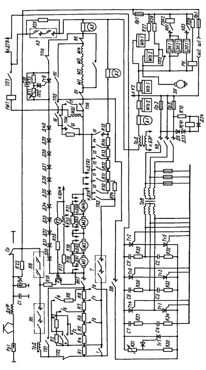
Рис.1. Схема силовых цепей моторного вагона электропоезда ЭР2Т
При установке главной рукоятки контроллера машиниста в 3-е тормозное положение в силовой цепи произойдут следующие переключения: вал силового реостатного контроллера возвратится на 1-ю позицию; вал тормозного переключателя перейдет в положение тормозного режима; включится контактор ОВ (см. рис. 1), подключая обмотки возбуждения тяговых двигателей к тиристорному преобразователю; включится контактор KB, подающий питание в систему САУТ и через трансформатор возбуждения ТрВ на тиристорный преобразователь; включатся контакторы Т и ЛКТ, и система САУТ начнет выдавать управляющие импульсы на тиристоры преобразователя. Цепи начнут работать в режиме реостатного торможения с независимым возбуждением. При этом возрастет ток возбуждения двигателей , а вследствие этого и их ЭДС. Когда напряжение якоря на тяговых двигателях становится близким к напряжению в контактной сети, срабатывает реле включения рекуперации (РВР) электронного блока БЭР и включает линейный контактор ЛК. В этот момент на реостатное торможение с независимым возбуждением накладывается кратковременно рекуперативное торможение. Начать рекуперативное торможение возможно только при напряжении в контактной сети менее 3750 В.
После включения линейного контактора ЛК отключается тормозной контактор Т и остается собранной лишь цепь рекуперативного торможения. Она состоит из цепи тока возбуждения тяговых двигателей и цепи тормозного тока. Когда ток возбуждения достигнет 250 А, в системе автоматического управления сработает реле самовозбуждения РСВ и переведет силовую цепь тормозного режима с независимым возбуждением на реостатное торможение с самовозбуждением. При этом происходит кратковременно рекуперативно-реостатное торможение. После включения тормозного контактора Т отключается линейный контактор ЛК.
В дальнейшем при уменьшении тормозного тока по мере снижения скорости СУРК выдает команду на переключение силового реостатного контроллера. При повороте его вала с 1-й позиции на 2-ю запирается тиристорный преобразователь и отключается контактор ОВ. Контактор 16 реостатного контроллера подключает обмотки возбуждения двигателей к обмоткам якорей с постоянным ослаблением возбуждения до 80%. На этом завершается переход на реостатное торможение с самовозбуждением.
Параллельно обмоткам возбуждения подключена шунтирующая цепь: тормозной контактор Т, резисторы ослабления возбуждения R24, R11, R12, R13, R14, R15, шунт амперметра А2. На 3-й позиции реостатного контроллера контактор KB отключается. В дальнейшем для поддержания тормозной силы реостатный контроллер начинает постепенно выводить ступени пуско-тормозных резисторов под контролем СУРК БЭР до 14-й позиции. В конце реостатного торможения на 11-й позиции реостатного контроллера начинает действовать электропневматическое торможение и совместно с реостатным продолжается до полной остановки. При отключении торможения на высоких скоростях силовая цепь вначале переключается с рекуперативного торможения на реостатное, затем снимается возбуждение тяговых двигателей и после этого с выдержкой времени размыкаются контакты контакторов Т и ЛКТ. Отключение электрического торможения на низких скоростях осуществляется с предварительным снятием ослабления возбуждения тяговых двигателей контактором Ш Такая последовательность переключений уменьшает искрение на коллекторах тяговых двигателей и облегчает условия работы контакторов ЛК, Т и ЛКТ.
Если рукоятка контроллера машиниста установлена в тормозное положение П4, переход на электрическое торможение происходит аналогично рассмотренному. При установке рукоятки контроллера машиниста в тормозное положение П5 электропневматическое торможение начинается на всех вагонах поезда. На моторном вагоне оно накладывается на электрическое, что может привести к юзу. Поэтому в том случае, когда давление в тормозных цилиндрах достигнет уставки автоматического выключателя торможения (АВТ) цепи электрического торможения отключаются.
Вывод
Исследовали силовые электрические цепи электропоезда постоянного тока
Цель работы:
Исследовать электрические цепи управления электропоезда постоянного тока
Порядок работы:
-
Назначение
-
Принцип действия
-
Схема
-
Вывод
Назначение
Цепи управления предназначены для управления электрическими аппаратами локомотива (токоприемники, главный выключатель, главный контроллер и т.д.) для регулирования напряжения на тяговых двигателях.
Чтобы лучше понять взаимную связь электрических машин, электрической аппаратуры и другого электрооборудования, реально существующие электрические цепи представляют в виде схем. Знание электрических схем требуется не только для понимания работы оборудования, управления локомотивом, но и для быстрого обнаружения появляющихся в процессе эксплуатации отдельных неисправностей электрооборудования. Необходимо уметь читать схему, т. е., пользуясь условным ее графическим изображением, проследить путь прохождения тока в электрических цепях локомотива при всех режимах его работы, определить связь и взаимодействие всего электрического оборудования. Для облегчения поиска провода, изображаемые на электрической схеме в виде линий, пронумерованы по участкам.
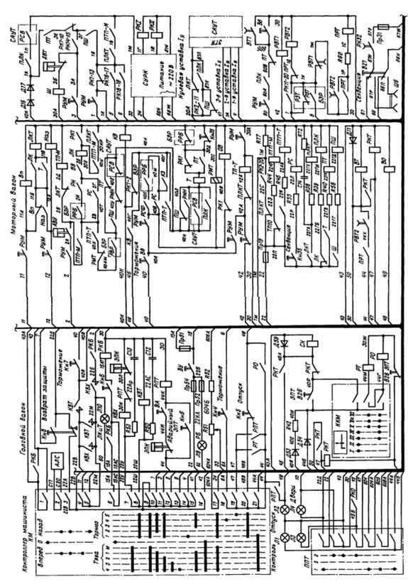
Рис.1. Схема цепей управления электропоезда ЭР2Т
Режимы торможения. Главная рукоятка может быть установлена в следующие тормозные положения:
1-е положение фиксация любой тормозной позиции, например при торможении для ограничения скорости на уклоне;
2-е положение - автоматическое электрическое торможение с пониженным замедлением и дотормаживанием электропневматическим тормозом;
3-е положение - нормальное электрическое торможение и дотормаживание электропневматическим тормозом;
4-е положение - нормальное электрическое торможение совместно с электропневматическим торможением на прицепных вагонах;
5-е положение - нормальное электрическое торможение совместно с электропневматическим торможением на всех вагонах.
При установке главной рукоятки контроллера машиниста сразу в 3-е тормозное положение (нормальное) замыкаются контакты 9 главного вала, в результате чего подается напряжение на провод 22Г. Замыкаются также контакты 8 главного вала, подающие напряжение на катушку контактора времени торможения КВТ по цепи: провод 22Д, контакт кнопки «Возврат защиты», контакт 3 реверсивного вала, провод 22В, контакты 9 главного вала, провод 22Г, контакт 8 главного вала, катушка контактора КВТ, провод 30. Контактор КВТ включается, в результате чего получают питание провода 40Я, 22М и 11 главного вала контроллера машиниста, подающие напряжение на провод 3 и катушку вентиля контактора Ш. Контактор Ш включается и своим контактом в проводах 22П—22Г замыкает цепь питания реле-повторителя ПШ.
Нажав кнопку «Торможение» на пульте управления в головной кабине, подают напряжение по проводу 40 (контакты переключателя «Торможение», провод 40А, контакты РУМ, провод 42А, контакт ПЛКТ) на катушку вентиля тормозного переключателя ТП-Т. Вал этого переключателя устанавливается в тормозное положение, его контакт ТТ11 в проводах 22П—22Я подает напряжение на катушку реле повторителя ПТП-Т. По проводу 40 получают питание катушки контакторов ОВ и КВ. Контактор ОВ подключает обмотки возбуждения двигателей к тиристорному преобразователю, контактор KB подает напряжение на трансформатор возбуждения ТрВ (см. схему силовых цепей электропоезда).
После включения реле-повторитель ПТП-Т замыкает контакт в проводах 40Г—40Н, в результате чего подается напряжение на катушку вентиля контактора Т. Включившись, этот контактор своим контактом в проводах 22П—22ГВ подает напряжение на реле-повторитель ПТ, а оно своим контактом в проводах 11Б—11В - на катушку контактора ЛКТ, замыкающего своим контактом в проводах 22П—22ГА цепь питания реле-повторителя ПЛК.
Включением контакторов OB, KB, T и ЛКТ заканчивается сбор силовой цепи. Мгновенное загорание сигнальной лампы ЛК и Т свидетельствует о том, что реле-повторители ПТ контакторов Т на всех моторных вагонах возбуждены и происходит реостатное торможение с независимым возбуждением.
Размыкание контактов ЛКТ в проводах 20А—87Л ведет к плавному нарастанию тока и напряжения якорей двигателей. Когда ЭДС двигателей станет близкой к напряжению контактной сети, сработает реле включения рекуперации РВР в БЭР и своим контактом в проводах 40Т—40АЖ подаст напряжение на катушку контактора ЛК по цепи: провод 40, контакты переключателя «Торможение», контакты РУМ, РСФ, РРБ, КЗ, ПТПТ, РНМ, ПШ, РВР, РМТ, ПТП-Т, РРБ, БЭР, РН, БВ, катушка контактора ЛК, контактор РК1, провод 30А, контакты РУМ, провод 30. Контактор ЛК, включившись, замыкает цепь питания реле-повторителя ПЛК, а оно своим контактом в проводах 40Н— 40Л отключает контактор Т, который контактом в проводах 22П—22ГВ отключает реле-повторитель ПТ.















