147506 (566344), страница 9
Текст из файла (страница 9)
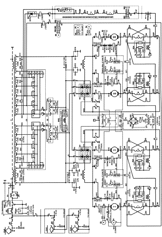
2 - разъединитель высшего напряжения РВН-2, служащий для
отключения неисправного токоприемника;
3 - первичная обмотка тягового трансформатора ОДЦЭ-5000/25Б-02 с выводами А-Х;
4 - главный выключатель типа ВОВ-25А, служащий для автоматического отключения питания первичной обмотки трансформатора 3 от токоприемника;
10 - фильтр типа Ф6, служит для подавления радиопомех, создаваемых работой электрического оборудования электровоза, не пропуская их в контактную сеть; настроен на частоту поездной радиосвязи 2,13 МГц;
ТТ - трансформатор тока типа ТПОФ-25, служит для ввода высокого напряжения в кузов и является датчиком для реле максимального тока;
23 - трансформатор тока ТКЛП-0,66, служит датчиком для токовой обмотки счетчика электроэнергии 103.
Рис.1. Схема силовых цепей электровоза ВЛ80с
Питание первичной обмотки тягового трансформатора соседней секции (с опущенным токоприемником) осуществляется через межсекционный разъединитель 6 типа РВН-2, который служит для непосредственного отключения высоковольтной цепи одной секции электровоза от другой при повреждениях. От атмосферных перенапряжений высоковольтные цепи защищены разрядником РВЭ-25М (5) или ограничителем перенапряжений ОПН-25 (5). От коммутационных перенапряжений высоковольтные цепи защищены нелинейным сопротивлением НС, которое шунтирует разрывные контакты ГВ. От токовых перегрузок и коротких замыканий в первичной обмотке тягового трансформатора служит реле максимального тока РМТ, которое воздействует на отключение ГВ, если ток в первичной обмотке тягового трансформатора достигнет значения 250±25 А.
Работа силовой схемы на 1 позиции ЭКГ
После подъема токоприемника и включения ГВ от контактной сети по первичной обмотке тягового трансформатора начнет протекать переменный ток: через токоприемник 1, через дроссель ДП, через разъединитель токоприемника 2, через контакты ГВ, через фильтр 10, по токоведущему стержню трансформатора тока ТТ, по первичной обмотке тягового трансформатора З(А-Х), через шину трансформатора тока 23, по металлическому кузову электровоза и далее в рельсовую цепь. На другую секцию ток идёт через межсекционный разъединитель 6.
Если напряжение в контактной сети 25 кВ, то на выводах тяговых вторичных обмоток трансформатора будут следующие значения напряжения: на каждой нерегулируемой обмотке с выводами al-xl и а2-х2 — по 638 В; на каждой регулируемой обмотке с выводами 1-01 и 5-02 — по 580 В, из них в каждой секции регулируемой обмотки — по 145 В.
Ha «0» позиции ЭКГ все контакторы ПС (переключателя ступеней, кроме контактора 30) и все контакторы ПО (переключателя обмоток, кроме контакторов 32, 33) отключены и нет замкнутой цепи для протекания тока через ТЭД.
На любой позиции ЭКГ (см. рис. 1) результирующее напряжение, которое подводится к выпрямительным установкам, всегда снимается с вывода нерегулируемой обмотки трансформатора и с вывода средней точки ПРА (переходного реактора), т.е. с выводов а 1-01 и а2-0.
Переход с нулевой позиции ЭКГ на первую происходит через промежуточную позицию «П1», без остановки ЭКГ на этой позиции. При переходе с «0» позиции на «П1» вначале размыкается контактор А, затем замыкается контактор 11 ПС и далее снова замыкается контактор А и размыкается контактор 30 ПС. Таким образом на выводах а 1-01, появляется напряжение для питания ТЭД, а на выводах а2-0 напряжения нет, поэтому для исключения длительной работы электровоза на такой позиции главный контроллер не останавливаясь осуществляет переход с позиции «П1» на первую позицию. При переходе с позиции «П1» на «1» вначале размыкается контактор Г, затем замыкаются контакторы 15 ПС и 36, 37 ПО, после чего вновь замыкается контактор Г. В результате на выводах а2-0 также появляется напряжение для питания ТЭД.
На «1» позиции включены следующие контакторы ЭКГ: А, Б, В, Г (контакторы с дугогашением включены на серединах всех позиций); 11,15 ПС; 32, 33 и 36, 37 ПО (включены до 17 позиции).
В первый полупериод по первичной обмотке тягового трансформатора ток идет от контактного провода к рельсам. В результате чего напряжение во всех вторичных обмотках трансформатора условно направлено слева направо. При этом ТЭД обеих тележек (на каждой секции электровоза) получают питание по двум параллельным цепям по обычной мостовой схеме:
1-я цепь, питание ТЭД1, 2 — от плюсового (в этот полупериод) вывода a1 нерегулируемой обмотки трансформатора, по шине В2, через крайний нож разъединителя 81, через плечо 1 ВУ (выпрямительной установки) 61, по плюсовой шине В303 и далее по двум параллельным цепям ТЭД1 и ТЭД2. (Для примера рассмотрим цепь через ТЭД1: через контакт тормозного переключателя 49 замкнутый в режиме тяги, через нож разъединителя ОД1, через контакт реверсора 63, замкнутый при движении секции вперед, по обмотке возбуждения ТЭД1 (КК1-К1), через замкнутые контакты 63, 49, по якорной обмотке (ЯЯ1-Я1) ТЭД1, по шунту амперметра 89, по катушке (шине) реле перегрузки РП1, через силовые контакты линейного контактора 51). Далее ток двух цепей ТЭД1 и ТЭД2 идет по силовой шине В55, через СР (сглаживающий реактор) 55, через плечо 3 ВУ 61, через средний нож разъединителя 81, по силовой шине В1, через одно плечо 01-Х1 ПРА 25, через контактор с дугогашением А ЭКГ, через замкнутый контактор 11 ПС ЭКГ, по силовой шине В85, по всем четырем секциям регулируемой обмотки трансформатора 1-01 против их ЭДС, по силовой шине В85, через контакторы 32 и 33 ПО ЭКГ, по силовой шине В82 к минусовому (в этот полупериод) выводу xl нерегулируемой обмотки трансформатора. Таким образом, получилась полная замкнутая цепь.
2-я цепь, питание ТЭДЗ, 4—от плюсового (в этот полупериод) вывода х2 нерегулируемой обмотки трансформатора, по шине В89, через контакторы ПО 36, 37 ЭКГ, по силовой шине В86, по всем четырем секциям регулируемой обмотки трансформатора 02-5 против их ЭДС, по силовой шине В88, через контактор ПС 15 ЭКГ, через контактор с дугогашением Г ЭКГ, по силовой шине В4, по одному плечу А-0 ПРА 25, по силовой шине В13, через крайний нож разъединителя 82, через плечо 1 ВУ62, по плюсовой шине В403 и далее по двум параллельным цепям ТЭДЗ и ТЭД4, по силовой шине В56, через СР 56, через плечо 3 ВУ 62, через средний нож разъединителя 82, по силовой шине В10 на минусовой (в этот полупериод) вывод а2 нерегулируемой обмотки трансформатора.
Во второй полупериод ток по первичной обмотке трансформатора идет от рельсов в контактную сеть, а напряжение во всех вторичных обмотках трансформатора условно направлены справо налево. При этом ТЭД обеих тележек на каждой секции получают питание по двум параллельным цепям, по перекрестной схеме. 1-я цепь: питание ТЭД1,2 — от плюсового вывода а2 нерегулируемой обмотки трансформатора, по шине В10, через крайний нож разъединителя 81, через плечо 2 ВУ61, по шине В303, далее по двум параллельным цепям ТЭД1 и ТЭД2, по шине В55, через СР 55, через плечо 4 ВУ 61, через другой крайний нож разъединителя 81, по шине В2, по силовым шинам дифференциальных реле 21 и 22, по шине В13, по одному плечу 0-А ПРА 25, по шине В4, через контактор с дугогашением Г ЭКГ, через контактор 15 ПС ЭКГ, по шине В88, по всем четырем секциям 5-02 регулируемой обмотки трансформатора против их ЭДС, по шине В86, через контакторы 36 и 37 ПО ЭКГ, по шине В89 к минусовому выводу х2 нерегулируемой обмотки трансформатора.
2-я цепь: питание ТЭДЗ,4 — от плюсового вывода x1 нерегулируемой обмотки трансформатора, по шине В82, через контакторы 32 и 33 ПО ЭКГ, по шине В85, по всем четырем секциям регулируемой обмотки трансформатора 01-1 против их ЭДС, по шине В83, через контактор 11 ПС ЭКГ, через контактор с дугогашением А ЭКГ, по шине В5, по одному плечу xl-01 ПРА 25, по шине В1, через крайний нож разъединителя 82, через плечо 2 ВУ 62, по шине В403, далее по двум параллельным цепям ТЭДЗ и ТЭД4, по шине В56, через СР 56, через плечо 4 ВУ 62, через другой крайний нож разъединителя 82, по шине В13, по силовым шинам дифференциальных реле 22 и 21, по шине В2 к минусовому выводу a1 нерегулируемой обмотки трансформатора.
На первой позиции нерегулируемые и регулируемые обмотки включены встречно и замкнуты контакты 11,15 ПС главного контроллера. В результате в цепи протекания токов ТЭД оказываются включенными полуобмотки переходных реакторов 25, которые будут создавать дополнительное сопротивление токам ТЭД, что необходимо для более плавного приведения электровоза в движение на первой позиции.
Вывод:
Исследовали силовые электрические цепи электровоза переменного тока
Цель работы:
Исследовать электрические цепи управления электровоза переменного тока
Порядок работы:
-
Назначение
-
Принцип действия
-
Схема
-
Вывод
Назначение
Цепи управления предназначены для управления электрическими аппаратами локомотива (токоприемники, главный выключатель, главный контроллер и т.д.) для регулирования напряжения на тяговых двигателях.
Чтобы лучше понять взаимную связь электрических машин, электрической аппаратуры и другого электрооборудования, реально существующие электрические цепи представляют в виде схем. Знание электрических схем требуется не только для понимания работы оборудования, управления локомотивом, но и для быстрого обнаружения появляющихся в процессе эксплуатации отдельных неисправностей электрооборудования. Необходимо уметь читать схему, т. е., пользуясь условным ее графическим изображением, проследить путь прохождения тока в электрических цепях локомотива при всех режимах его работы, определить связь и взаимодействие всего электрического оборудования. Для облегчения поиска провода, изображаемые на электрической схеме в виде линий, пронумерованы по участкам.
Цепи управления главными выключателями
Для включения главных выключателей на всех секциях электровоза необходимо, чтобы были обеспечены следующие условия:
- давление воздуха в резервуаре ГВ на каждой секции должно быть не менее 5,6-5,8 кгс/см2 (для включения реле минимального давления РД, которое своим контактом соединяет катушки ГВ 4Удерж. и 4Вкл. с корпусом электровоза) проверяется по показаниям манометра МН2 на резервуаре ГВ каждой секции;
- валы главных контроллеров ЭКГ на всех секциях электровоза должны находиться на «0» позиции, что подтверждается замыканием их блокировочных контактов ГП0 в цепи катушек ГВ 4Удерж. и 4Вкл. (горят зеленые сигнальные лампы «0ХП» на пульте управления ведущей секции);
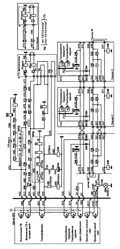
Рис.1. Схема цепей управления главным выключателем
- на каждой секции электровоза должно быть включено реле 248, которое замыкает свои блокировки в цепи катушек ГВ 4Удерж. и 4Вкл.;
- переключатели режимов ПР на каждой секции электровоза должны находиться в положении «Включено», что подтверждается замкнутым состоянием их контактов ПР в цепи катушек ГВ 4Удерж. и 4Вкл.
Цепи управления ГВ так же, как и цепи управления токоприемниками, защищены автоматическим выключателем ВА1 «Токоприемники», который должен находиться во включенном положении на всех секциях электровоза.
Для включения ГВ необходимо на пульте выполнить следующие действия (см. рис. 1):
I. Включить выключатель «Выключение ГВ», при этом от провода Н01 через контакт выключателя по проводу Н88 через контакт главного вала контроллера машиниста КМЭ (61-62) в рабочей кабине (замкнутый во всех положениях кроме «БВ») получает питание провод Э13 на всех секциях.
На каждой секции электровоза от провода Э13 через замыкающую блокировку реле 248 по проводу Н68 через размыкающую блокировку переключателя режимов ПР получает питание провод Н72, от которого питаются следующие три цепи:
- от провода Н72 через резисторы г34 и г35 (по 47 Ом) получают питание катушки дифференциальных реле 21 и 22, при этом сами реле 21 и 22 не включаются;
- от провода Н72 через размыкающую блокировку ГП, замкнутую на серединах всех позиций, по проводу Н89 получает питание катушка реле времени 204. Реле времени 204 включается и размыкающим контактом размыкает цепь на красную сигнальную лампу «ГП», а замыкающим контактом создает цепь на удерживающую катушку ГВ 4Удерж.
- после включения реле времени 204 от провода Н72 катушка 4Удерж. получает питание по цепи:
«+»Н72 -» ГПО -» Н73 -> 204 -» Н74 -> 88 -> Н75 -> 113 -» Н76 -> -» Н76 -> РТВ1 -» Н77 -> РМТ -> 4Удерж. -> РД «-».
Получив питание, удерживающая катушка ГВ создает свой магнитный поток, но никаких изменений в схеме от этого не происходит.
II. Включить на 1-3 с выключатель с самовозвратом «Включение ГВ и возврат реле», при этом от провода Н01 через контакт выключателя получает питание провод Э14.
1. На каждой секции электровоза от провода Э14 включающая катушка ГВ 4Вкл. получит питание по цепи:
«+»Э14 -» 510 -> Н19 -» 248 -> Н85 -» ПР -> Н99 -» ГПО -> Н86 -» -» 207 -> Н87 -> БП -» Н84 -> Р1 -» 4Вкл. -» РД «-».
Получив питание, включающая катушка воздействует на включающий клапан, который пропускает воздух из резервуара ГВ под поршень пневматического привода разъединителя, что приводит к повороту разъединителя ГВ на 30° во включенное положение (остальные 30° разъединитель поворачивается за счет пружины доводящего устройства), при этом блокировочные контакты ГВ (1/2) своими блокировками выполняют следующие действия:
размыкается контакт 4 в цепи сигнальной лампы «ГВ», размыкается контакт Р1 и включающая катушка ГВ 4Вкл. теряет питание, при этом включающий клапан садится на седло и выпускает воздух из пневматического привода разъединителя в атмосферу;















