labnik1 (520479), страница 7
Текст из файла (страница 7)
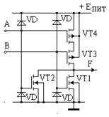
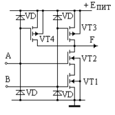
ЛЭ на основе КМОП одинаково хорошо работают как в схеме первого, так и второго вариантов. В качестве источника U 1 используется шина + Eпит .
По принципу работы и построению схема MB на ТТЛ-
-элементах не отличается от MB на КМОП. Однако необходимо учитывать особенности их характеристик (см. "Приложение"). Эти особенности необходимо принимать во внимание при обеспечении квазиустойчивых состояний MB, а также при оценке длительности квазиравновесных стадий. В частности, для обеспечения Uвх = U 0 в схеме, построенной по первому варианту (рис.5.1, а) накладываются ограничения на максимальную величину резисторов R1 и R2, так чтобы I0вх(R1||R2)<1,0 В, а существенное изменение входного тока
| | |
| Рис. 5.4. Осциллограммы переходных процессов в мультивибраторах на ЛЭ ТТЛ: для МВ по схеме рис.5.1, а (а) и для МВ по схеме рис.5.1, б (б) | |
при Uвх =U * может привести к усложнению переходного процесса (рис.5.4, а) при повышенной величине резисторов (R1, R2 1 кОм) и к возникновению повышенной нестабильности длительности гене-рируемых полупериодов колебаний (подробнее см. лаб. раб. № 4).
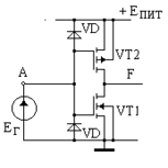
Б Рис.5.5. Схема источника напряжения U 1 для мультивибратора на ТТЛ
Задание
1. Исследовать работу симметричного MB. Тип ЛЭ задается преподавателем. Проанализировать осциллограммы в характерных точках схемы. Оценить период колебаний, сравнить с расчетным.
2. Исследовать несимметричную схему МВ. Снять зависимость периодов колебаний T1 и T2 от величины резисторов R1, R2.
3. В одном из режимов оценить длительность положительных и отрицательных фронтов импульсов на выходах MB.
Библиографический список
-
Гольденберг Л.М. Импульсные устройства. – М.: Радио и связь, 1981. – С. 136 – 140, 147 – 149.
-
Гусев В.Г., Гусев Ю.М. Электроника. – М.: Высш. шк., 1991. – С. 585 – 597.
-
Зельдин Е.А. Импульсные устройства на микросхемах. – М.: Радио и связь, 1991. – С. 80 – 123.
-
Каретников И.А., Соловьев А.К., Чарыков Н.А. Транзисторные ключи: Лабораторные работы № 1 – 5. – М.: Изда-тельство МЭИ, 2004.
ПРИЛОЖЕНИЕ
В целях обеспечения лучшего понимания студентами работы мультивибраторов и триггеров на логических элементах, а также для обеспечения грамотных расчетов в приложении приведены электрические схемы и основные характеристики для наиболее популярных ЛЭ: ТТЛ (К155ЛА3) и КМОП (К561ЛА7 -ЛЕ5, -ЛН1).
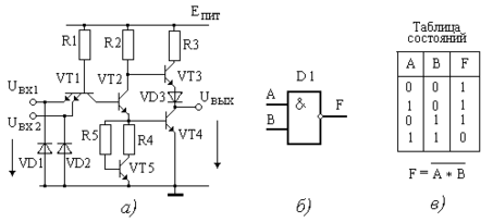
ЛЭ К155ЛА3 выполняет логическую функцию И-НЕ и имеет уси-литель мощности. Его электрическая схема приведена на рис. П.1.
Многоэмиттерный транзистор VT1 обеспечивает логическую функцию "И", транзистор VT2 – функцию "НЕ", транзисторы VT3, VT4 – усилитель мощности. Основные характеристики (входная, передаточная и выходные) приведены на рис. П.2, а, б, в соответ-ственно.
Необходимо обратить внимание, что напряжение питания ЛЭ Eпит =5 В, напряжение U 1вых 3,6 2,4 В (в зависимости от тока нагрузки), напряжение U 0вых 0,2 0,4 В, а напряжение переключения U = 2UБЭ 1,4 В.
Входная характеристика при напряжениях меньше U имеет значительный вытекающий ток (до 1 мА), а при напряжениях больше U – входной ток 0. На входах ЛЭ установлены охранные диоды VD1 и VD2 (рис. П.1), пре-дохраняющие вход от появления значительных отрицательных напряжений.
Электрические схемы, обозначения схем как логических элементов и таблицы состояний для КМОП-элементов приведены в табл. П.1. Для ЛЭ на основе КМОП характерно весьма высокое входное сопротивление: Iвх = Iут 0,1мкА (T=200C) 1 мкА
(T=850C), что определяется токами утечки охранных диодов. Напряжение переключения ЛЭ, как правило, составляет U = Eпит / 2.
Максимально развиваемые выходные токи I 0вых, I 1вых и соответственно напряжения U 0вых, U 1вых определяются моментом выхода на пологие участки выходных ВАХ и зависят от величины напряжения Eпит (конкретные величины приведены на рис. П.3, б).
СОДЕРЖАНИЕ
Лабораторная работа № 1.
ИЗУЧЕНИЕ ТРИГГЕРОВ............................. 3
Лабораторная работа № 2.
ТРИГГЕР ШМИДТА ................................. 12
Лабораторная работа № 3.
ЖДУЩИЙ МУЛЬТИВИБРАТОР.................................17
Лабораторная работа № 4.
МУЛЬТИВИБРАТОР С ОДНИМ ВРЕМЯЗАДАЮЩИМ КОНДЕНСАТОРОМ..................................23
Лабораторная работа № 5.
МУЛЬТИВИБРАТОР С ДВУМЯ ВРЕМЯЗАДАЮЩИМИ
ЦЕПЯМИ ......................................... 30
ПРИЛОЖЕНИЕ .....................................36
Учебное издание
Каретников Игорь Александрович
ТРИГГЕРЫ И МУЛЬТИВИБРАТОРЫ
НА ЛОГИЧЕСКИХ ЭЛЕМЕНТАХ
Лабораторные работы № 1—5
Методическое пособие
по курсу
«Электронные цепи и микросхемотехника »
для студентов, обучающихся по направлению
« Микроэлектроника и твердотельная электроника »
Редактор Н. А. Чарыков
Редактор издательства Г.Ф. Раджабова
Темплан издания МЭИ 2005 (II), метод.
Подписано в печать Печать офсетная
Физ. печ. л.2,5
Тираж 150 Изд. № 72 Заказ
Издательство МЭИ, 111250, Москва, Красноказарменная ул., д.14
















