labnik2 (520480)
Текст из файла
МИНИСТЕРСТВО ОБРАЗОВАНИЯ РОССИЙСКОЙ ФЕДЕРАЦИИ
_____________________________________
МОСКОВСКИЙ ЭНЕРГЕТИЧЕСКИЙ ИНСТИТУТ
(ТЕХНИЧЕСКИЙ УНИВЕРСИТЕТ)
_______________________________________________________________
И. А. КАРЕТНИКОВ, А. К. СОЛОВЬЕВ, Н. А. ЧАРЫКОВ
ТРАНЗИСТОРНЫЕ КЛЮЧИ
Лабораторные работы № 1 – 7
Методическое пособие
по курсу
"Электронные цепи и микросхемотехника"
для студентов, обучающихся по направлению
"Электроника и микроэлектроника"
МОСКВА Издательство МЭИ 2009
УДК
621.396
К 227
УДК 621.396.64.049.77 (076.5)
Утверждено учебным управлением МЭИ
Подготовлено на кафедре полупроводниковой электроники МЭИ
Рецензенты: докт. техн. наук, профессор А.П. Лысенко,
канд. техн. наук, доцент Е.Е. Чаплыгин
Каретников И.А., Соловьев А.К., Чарыков Н.А.
Транзисторные ключи. Лабораторные работы № 1 – 7: Методическое пособие по курсу " Электронные цепи и микросхемотехника" для студентов, обучающихся по направлению "Электроника и микроэлектроника" / Под ред. И.А. Каретникова – М.: Издательство МЭИ, 2009. – 62 с.
Рассмотрена работа ключей, как на биполярных, так и на полевых транзисторах. Изучается их работа на активную, активно-емкостную и активно-индуктивную нагрузки. Изложены способы и методы оценки параметров ключей, как в статическом, так и в динамическом режимах работы. Определенное внимание уделено работе и оценке параметров ключей ( логических элементов) на КМОП -транзисторах.
Пособие предназначено для подготовки бакалавров и дипломированных инженеров по электронике.
Продолжительность лабораторных занятий – 4 часа.
© Московский энергетический институт, 2009
Лабораторная работа № 1
СТАТИЧЕСКИЙ РЕЖИМ РАБОТЫ КЛЮЧА
НА БИПОЛЯРНОМ ТРАНЗИСТОРЕ
Цель работы — изучение статических характеристик и параметров ключа на биполярном транзисторе.
Основой цифровых (логических) интегральных микросхем (ИС) на биполярных транзисторах является ключевой каскад на основе кремниевого n-p-n - транзистора, изображенного на рис. 1.1, а. В логических ИС этот каскад осуществляет логическую операцию инверсии логического сигнала, откуда вытекает другое название этого каскада — инвертор.
Для транзисторного ключа в статическом режиме работы характерны два состояния: либо он закрыт — в цепи коллектора ток практически отсутствует, либо ключ открыт — при этом падение напряжения на транзисторе мало, и в цепи коллектора протекает максимально возможный ток.
Качественный анализ работы схемы можно осуществить, используя семейство статических выходных и входных характеристик транзистора (рис. 1.1, 6, в).
При напряжении генератора EГ<U* ток базы крайне мал (рис. 1.1, в), ток коллектора практически отсутствует, и ключ закрыт, а напряжение на выходе схемы близко к напряжению источника питания ЕК (точка А на рис. 1.1, 6).
При напряжении генератора ЕГ>U* возникает заметный ток базы. U* для кремниевого транзистора составляет 0,6—0,7 В.
Это приводит к появлению тока коллектора. Транзистор переходит в активный режим работы. При увеличении ЕГ ток базы возрастает, возрастает ток коллектора, и рабочая точка перемещается по линии статической нагрузки (точка В, рис. 1.1, б) так, что напряжение на выходе ключа уменьшается.
Увеличение тока базы выше IБН = IКН / приводит к тому, что транзистор переходит в режим насыщения (точка С, рис. 1.1, б). При дальнейшем росте тока базы увеличение тока коллектора не происходит. Он определяется внешним элементом — резистором RК. Выходное напряжение ключа становится минимальным (UКЭН), а ток ключа
IКН = (EК - UКЭН)/RК максимальным. Рассмотренная зависимость UВЫХ(EГ) называется передаточной характеристикой ключа. Она изображена
на рис. 1.2, а.
|
|
| Рис. 1.2 Передаточная характеристика ключа (а), его схема замещения (б) |
Для проведения количественных расчетов биполярный транзистор заменяют моделью, описывающей его электрические свойства. Для этой цели наиболее часто используют модель Эберса—Молла (МЭМ) (схема МЭМ на рис.1.2, б выделена штриховой линией). Токи транзистора в соответствии с МЭМ определяются выражениями
IЭ = I1 - II2; I1 = IЭ0'(exp(UБЭ/ mT) - 1); (1.1)
IК = NI1 – I2; I2 =IК0'(exp(UБК/ mT) - l),
где N, I — нормальный и инверсный коэффициенты передачи тока эмиттера; IЭ0', IК0' — токи насыщения (тепловые токи) эмиттерного и коллекторного переходов; T = KT/q — температурный потенциал; K/q = 8,616710–5 В/К —приведенная постоянная Больцмана; Т — абсолютная температура; (T = 25,8 мВ при T = 300 К), m – коэффициент, учитывающий характер генерационно-рекомбинационных процессов в
p-n – переходе (1 m 2). В состав эквивалентной схемы МЭМ введено омическое сопротивление базы rБ и могут быть введены омические сопротивления (сопротивления растекания) эмиттера rЭS, и коллектора rКS (на схеме не показаны), включенные последовательно в цепь эмиттера и коллектора, соответственно. Коэффициенты N и I связаны с нормальным и инверсным коэффициентами передачи тока базы N и I:
= / ( + l) или = / (1 - ). (1.2)
Таким образом, величины IЭ0', IK0', N, I, (или N, I), rБ (и rЭS, rKS,), m являются параметрами МЭМ. Между параметрами МЭМ выполняется соотношение
N IЭ0' = I IK0'. (1.3)
Типичные значения параметров МЭМ для биполярных кремниевых транзисторов ИС могут лежать в диапазоне: IЭ0' и IK0' от 10-16 до 10-9 А; N от 10 до 100; I от 0,01 до 0,2; rБ от 50 до 500 Ом. Значения ЕК составляют 3,5—10В, а типичные значения тока коллектора в открытом состоянии ключа (IКН) составляют 0,1—10 мА, что намного больше значений IЭ0' и IK0' в рабочем диапазоне температур.
Рассмотрим количественные соотношения, характеризующие входную IБ(EГ) и передаточную UВЫХ(EГ) характеристики ключевого каскада.
Для закрытого состояния транзистора характерно обратное смещение как эмиттерного, так и коллекторного переходов, UБЭ<0 и UБК<0, (если иметь в виду n-p-n - транзистор!). Инжекция неосновных носителей эмиттерным переходом отсутствует, что также практически имеет место в кремниевом транзисторе при UБЭ<U*. Решение уравнения модели Эберса—Молла позволяет определить токи транзистора
I К = I K0 = I K0' (1 - N I),
I Э I K0 I / N, (1.4)
I Б - I K0.
В соответствии с этим упрощенная эквивалентная схема замещения транзистора в закрытом состоянии может быть представлена генератором тока IК0, включенным между коллектором и базой (рис. 1.3, а). Цепь эмиттера можно считать разомкнутой, т. к. I / N <<l.
При работе транзистора в активном режиме, когда UБЭ>0, UБК<0, из (1.1) можно получить
IЭ = IЭ0'(exp(UБЭ/ mT) - 1) + N IЭ0',
IК = N IЭ0'(exp(UБЭ/ mT) - 1) + I K0', (1.5)
IБ = IЭ - IК = (1 - N)IЭ0'(exp(UБЭ/ mT) - 1) - I K0'(1 - I).
Соответственно эквивалентная схема замещения транзистора в активном режиме (рис. 1.3, б) представлена прямо включенным эмиттерным переходом, коллекторная цепь представлена генераторами тока I K0 и NIЭ.
Ток коллектора практически не зависит от напряжения UК, а определяется током эмиттера или связанным с ним током базы.
|
|
| Рис. 1.3. Схемы замещения транзистора при работе: а – в режиме отсечки; б – в активной области; в –, г – в режиме насыщения. |
Ввиду малости вторых членов в (1.5) в дальнейшем ими можно пренебречь.
Уравнения второго закона Кирхгофа для входной и выходной цепи (рис. 1.2, б) определяется как
EГ =IБ (RБ+rБ) +UБЭ = IБRБ + UВХ, (1.6)
EК = UВЫХ + IКRК UВЫХ + N IЭRК = UВЫХ + NIБRК, (1.7)
где UВЫХ = UКЭ.
Уравнение (1.6) позволяет установить связь между напряжением EГ и током IБ, то-есть определяет входную характеристику ключа при работе транзистора в активном режиме. Задавая в (1.7) значения тока коллектора в пределах активного режима работы (I K0< I K< I КН), определяют значение UВЫХ. Затем для выбранного IК определяем ток IБ и UБЭ, и в соответствии с (1.6) вычисляем значение ЕГ. Полученная таким образом зависимость UВЫХ(EГ) описывает часть передаточной характеристики при изменении EГ от ~ U* до значения, соответствующего точке С (рис. 1.2, а).
Для насыщенного состояния транзистора характерно прямое смещение как эмиттерного, так и коллекторного переходов, UБЭ>0, UБК>0. Решение уравнений модели Эберса—Молла в таком случае дает возможность определить падение напряжения на двух встречно включенных p-n-переходах
UКЭ = UБЭ - UБК = mT ln (
(IБ + IКН / (I + 1)) / (IБ – IКН /N)). (1.8)
Напряжение UКЭ составляет 30—70 мВ при типичных значениях коэффициентов усиления по току – N = 50—100, I = 0,5—4, (I = 0,3—0,8), характерных для кремниевых транзисторов ИС, выполненных по планарной технологии. С ростом тока базы UКЭ уменьшается и стремится к величине UКЭ
mT ln (
) .
Ток, проходящий через насыщенный транзистор, создает падение напряжения не только на двух встречно включенных p-n -переходах, но также и на распределенном сопротивлении тела коллектора rКS. Таким образом, полное падение напряжения на насыщенном транзисторе
определяется выражением
UКЭН = UКЭ + IКН rКS. (1.9)
Поэтому напряжение UКЭН зависит от тока коллектора и возрастает с его увеличением.
Эквивалентную схему замещения транзистора в насыщенном состоянии можно представить схемой (рис. 1.3, в). Необходимо, отметить, что для маломощных ключей UКЭН, как правило, меньше U*. Если EК>>U*, UКЭН, то при оценочных расчетах можно считать, что потенциалы коллектора и базы примерно равны нулю и эквивалентная схема замещения насыщенного транзистора упрощается (рис. 1.3, г). Говорят, что транзистор “стягивается в точку”. На передаточной характеристике (рис. 1.2, а) насыщенному состоянию ключа соответствует участок низкого потенциала (UВЫХ 0.1В), практически слабо зависящий от напряжения EГ.
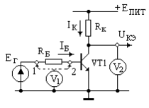
Методические указания по проведению измерений
| Электрическая схема установки для проведения измерений представлена на рис. 1.4. Транзистор, номиналы резисторов RК и RБ, напряжение источника питания EК могут варьироваться и задаются преподавателем. Для измерения напряжений с повышенной точностью используются цифровые вольтметры постоянного тока V1 и V2. Ток базы | |
| Рис. 1.4. Электрическая схема измерительной установки. |
регулируется при изменении величины EГ и вычисляется по падению напряжения на резисторе RБ (точки 1, 2) с помощью вольтметра V1. Одновременно измеряется напряжение на базе транзистора (UВХ). Аналогичные измерения IК и UКЭ осуществляются с помощью
вольтметра V2.
Для определения параметров модели Эберса—Молла (МЭМ) транзистора все измерения проводиятся при работе транзистора в активном режиме.
При определении коэффициента N надо вывести транзистор в активную область характеристик (рекомендуется задать UКЭ 1B, IК< IКН), измерить IК и IБ и вычислить N = IК/IБ. После этого можно вычислить N = = N /(N+1). Определение I (или I) проводится аналогично, но при этом необходимо поменять местами выводы коллектора и эмиттера, т. е. обеспечить инверсное включение транзистора. Для определения параметров МЭМ rБ, IЭ0', m, воспользовавшись эквивалентной схемой транзистора и формулами (1.5), можно записать систему уравнений для трех точек на входной характеристике транзистора
Характеристики
Тип файла документ
Документы такого типа открываются такими программами, как Microsoft Office Word на компьютерах Windows, Apple Pages на компьютерах Mac, Open Office - бесплатная альтернатива на различных платформах, в том числе Linux. Наиболее простым и современным решением будут Google документы, так как открываются онлайн без скачивания прямо в браузере на любой платформе. Существуют российские качественные аналоги, например от Яндекса.
Будьте внимательны на мобильных устройствах, так как там используются упрощённый функционал даже в официальном приложении от Microsoft, поэтому для просмотра скачивайте PDF-версию. А если нужно редактировать файл, то используйте оригинальный файл.
Файлы такого типа обычно разбиты на страницы, а текст может быть форматированным (жирный, курсив, выбор шрифта, таблицы и т.п.), а также в него можно добавлять изображения. Формат идеально подходит для рефератов, докладов и РПЗ курсовых проектов, которые необходимо распечатать. Кстати перед печатью также сохраняйте файл в PDF, так как принтер может начудить со шрифтами.
















