labnik2 (520480), страница 7
Текст из файла (страница 7)
где = L(RН + R SL + RVD).
Получение импульса повышенного напряжения на выходе ключа в момент его закрытия
Получение импульса повышенного напряжения на выходе ключа в момент его закрытия на данном стенде лаб. раб. возможно, если последовательно с диодом VD включить резистор RН1 (рис. 4.3, а).
В этом случае при достижении напряжения UСИ = EПИТ + UД диод VD открывается, и ток индуктивности замыкается через резистор RН1. Ток через резистор RН1 возрастает по мере уменьшения тока стока транзистора (рис. 4.6, в) (помним, что (IRН1 + IС = IL const)). На выходе ключа наблюдается перенапряжение (рис. 4.4, б), рабочая точка передвигается в положение "E" (рис. 4.5). Изменение напряжения UСИ приводит к продолжению перезарядки емкости CСЗ, транзистор находится в активной области характеристик, а следовательно – действует эффект Миллера. Время фронта нарастания перенапряжения связано как с собственным быстродействием транзистора S (его закрыванием), так и перезарядкой емкостей CЗС и CСИ через резисторы RН1 rСИ.
В момент времени, когда IС станет равным нулю (точка "F" рис.4.5), ток резистора RН1 принимает максимальное значение. В дальнейшем этот ток уменьшается с постоянной времени 1 L(RН+ RН1) по мере расходования энергии, накопленной в индуктивности. Выходное напряжение уменьшается, и рабочая точка перемещается в положение "A" за время восстановления tВОССТ 31.
Методические указания по проведению измерений
Переходные процессы в каскаде, работающем в режиме ключа, наблюдаются с использованием осциллографа (типа С1-94). Управление ключом (рис. 4.7) осуществляется с помощью генератора прямоугольных импульсов типа Г5-54 по схеме аналогично использованной в работе №2. Вход осциллографа и входной кабель характеризуются значительной емкостью (40 и 100 Ф, соответственно), так что непосредственное присоединение осциллографа к исследуемой цепи может увеличить емкость в схеме и несколько исказить переходной процесс. В связи с этим желательно использовать кабель с входным делителем напряжения. Это уменьшит емкость, вносимую в схему в процессе измерения. Но в этом случае при чтении показаний осциллографа следует учитывать коэффициент деления напряжения входным делителем. В процессе измерения длительности переходных процессов необходимо использовать внешнюю синхронизацию осциллографа!
Это обеспечивает независимость уровня синхронизации от амплитуды импульсов в схеме ключа и повышает точность отсчета длительности исследуемого процесса. Схема соединений при проведении эксперимента приведена на рис. 4.7, аналогичного рис. 2.5.
Задание
1. Теоретически рассчитать длительность tЗД, t1-0, t 0-1, tЗАКР, tВОССТ используя параметры транзистора и элементов схемы, указанные на стенде и в описании лабораторной работы.
2. Исследовать процесс включения ключа для нескольких значений амплитуды импульса генератора. Построить зависимости tЗД и t1-0 от IГ’, зарисовать характерные осциллограммы.
3. Исследовать процесс включения ключа при введении в схему дополнительных емкостей, для увеличения CЗС, либо CСИ. Сравнить результаты с теоретически ожидаемыми, зарисовать изменения в характерных осциллограммах.
4. Повторить пункты 2 и 3 при изучении процесса выключения ключа.
5. Ввести резистор RН1, наблюдать перенапряжения. Оценить его длительность (tЗАКР) и амплитуду.
БИБЛИОГРАФИЧЕСКИЙ СПИСОК
1. Степаненко И. П. Основы теории транзисторов и транзисторных схем. М.: Энергия, 1977.
2. Гусев В.Г., Гусев В.М. Электроника - М.: Высшая школа, 1982г.
3. Каретников И.А., Соловьев А.К., Чарыков Н.А. Усилительные и логические устройства / Лаб. практикум, - М.: Изд-во МЭИ, 1992г.
4. Гольденберг Л.М. Импульсные устройства. – М.: Энергия, 1973г.
5. Семенов Б. Ю. Силовая электроника для любителей и профессионалов.
–М .: Солон-Р, 2001 г.
Лабораторная работа № 5
ИЗУЧЕНИЕ ТРАНЗИСТОРНО-ТРАНЗИСТОРНЫХ (ТТЛ) ЛОГИЧЕСКИХ СХЕМ
Цель работы – изучение входных, передаточных и выходных характеристик ТТЛ-схем.
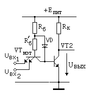
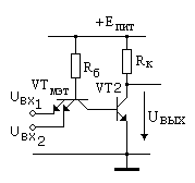
Основой кремниевых транзисторно-транзисторных логических (ТТЛ) интегральных схем (ИС) является ТТЛ-элемент, упрощенная принципиальная электрическая схема которого представлена нa рис. 5.1, а. В свою очередь, основой ТТЛ-элемента является интегральный многоэмиттерный транзистор VT1– (МЭТ), выполняющий логическую функцию «И». Каскад на транзисторе VT2 выполняет функцию ключа-инвертора, так что в целом схема ТТЛ реализует функцию «И-НЕ».
|
|
|
| а) | б) |
| Рис. 5.1. Схемы: а – основного элемента ТТЛ при аI МЭТ <<1, б – при аI МЭТ 1 | |
Рассмотрим работу схемы ТТЛ (рис.5.1, а). Подадим на все входы МЭТ напряжение логической единицы ЕК, кроме одного входа – вх1, на который подадим напряжение логического нуля U 0, что обусловит прямое смещение перехода эмиттер-база транзистора.
Напряжение прямосмещенного р-n-перехода в диапазоне рабочих токов слабо зависит от тока. Далее напряжение такого открытого кремниевого р-n-перехода будем обозначать как U* и считать постоянной величиной, примерно равной 0,7В. Ток входа IВХ10 МЭТ будет вытекающим (Рис.5.2, а) и равным
IВХ10= - (ЕК -UБЭ -U ВХ1) / RБ = - ( ЕК -U*-U 0) / RБ , (5.1)
где обычно для стандартных ТТЛ-схем U 0 = 0,2 - 0,4 В. В таком режиме переходы коллектор-база МЭТ и эмиттер-база VT2 будут смещены прямо, но на каждом из них прямое смещение будет меньше U* , и в цепи коллектор – база МЭТ будет протекать незначительный ток. Поскольку для МЭТ выполняется условие: ток IК10, а ток IЭ>0, то МЭТ находится в насыщении (UКЭ МЭТ 0) и низкий потенциал UВХ = U 0, практически, полностью приложен к переходу база-эмиттер VT2. Поэтому можно считать, что ток базы транзистора VT2 близок к нулю и транзистор VT2 закрыт. Реализуется высокий уровень потенциала (U 1) на выходе ТТЛ (Рис.5.2, б)
UВЫХ = U 1= ЕК –IК0RК ЕК. (5..2)
| Рис.5.2. Входная (а) и передаточная (б) характеристики ТТЛ-элемента |
IВХ11= аI IБ2= аI (ЕК-2UБЭ) RН. (5.3)
Поскольку обычно аI МЭТ <<1, то IВХ11 бывает достаточно малым (линия “а ” рис.5,2, а ).
Если аI 1, то это приводит к существенному увеличению IВХ11 (линия “б ” рис.5,2, а ), и как следствие, – приводит к резкому снижению нагрузочной способности ТТЛ при UВЫХ =U 1. В этом случае необходимо уменьшить аI МЭТ. Это достигается либо обеспечением необходимого профиля примеси в базе МЭТ в процессе диффузии при создании транзистора, либо путем уменьшения прямого смещения UБК МЭТ, и, следовательно, снижения инжекции данного р-n-перехода. В последнем случае в цепь базы МЭТ вводят дополнительное сопротивление RБ и выполняют шунтирование последовательно включенных RБ и p-n-перехода БК МЭТ прямо смещенным диодом VD (рис. 5.1, б). Таким образом, UБК МЭТ = U*– IБ RБ U*, что существенно снижает инжекцию.
Передаточная характеристики схемы ТТЛ представлены на рис. 5.2, б. При UВХ > U* транзистор VT2 из закрытого состояния переходит в активный режим, а затем в насыщение, и на выходе формируется уровень низкого потенциала U 0 = UКЭН .
Выходная характеристика схемы (IВЫХ = f (EГ)) (рис. 5.3, а) подобна характеристике каскада - ключа (см. лаб. раб. №1) и имеет две ветви. При UВХ =U 0 транзистор VT2 закрыт, и наклон характеристики определяется сопротивлением RK.
|
|
|
| а) | б) |
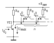
| Рис.5.3. Выходные характеристики ТТЛ-элемента – а); подключение нагружающих схем – б) | |
При UВХ=U 1 транзистор VT2 насыщен и наклон выходной характеристики определяется сопротивлением растекания rкs коллектора VT2. При больших выходных токах транзистор VT2 может выйти из насыщения. В таком случае он является генератором тока и наклон выходной характеристики определяется сопротивлением RК. Данный режим не должен являться рабочим.
Рассмотрим нагрузочную способность схемы. Логический элемент, как правило, нагружен на несколько (п) себе подобных элементов (рис. 5.3, б) . При этом в состоянии UВЫХ=U 1 все подключенные эмиттеры транзисторов МЭТ нагружающих схем – смещены обратно. Ток, ответвляющийся в такую нагрузку, незначителен – нагрузочная способность высокая.
При состоянии UВЫХ=U 0 все подключенные эмиттеры МЭТ транзисторов нагружающих схем – смещены прямо и имеют существенный вытекающий ток. В этом случае нагрузочная способность ТТЛ определяется условием: – транзистор VT2 должен оставаться насыщенным, и в него должны втекать токи всех эмиттерных входов. Максимальное число нагрузочных схем будет определяться условием поддержания .транзистора VT2 в насыщенном состоянии
IБ2 IК2 = (EК – UКЭН)/RК + nIВХ0 , (5.4)
где IБ2= (EК-2U*)/RБ,, (5.5)
IВХ0= (EК - U* - U 0) R Б . (5.6)
















