labnik2 (520480), страница 8
Текст из файла (страница 8)
Пренебрегая U* и U 0 по сравнению с EК и используя (5.4) - (5.6), получим оценочное выражение для нагрузочной способности ТТЛ –элемента
N - RБ,/ RК . . (5.7)
Подключение нагрузок к выходу логического элемента несколько изменяет его передаточную характеристику (на рис. 5.2, б - штриховая линия): - уровень U 1 практически не изменяется, однако. по мере уменьшения выходного напряжения до уровня UВЫХ =0,7-0,9 В на характеристике возникает ступенька, связанная с появлением значительного входного тока нагрузок (эмиттеров). При этом транзистор VT2 оказывается нагруженным на низкое дифференциальное входное сопротивление ЛЭ, определяемое малым сопротивлением прямо-включенных р-п-переходов транзисторов МЭТ. По мере уменьшения выходного напряжения дифференциальное входное сопротивление ТТЛ схемы возрастает. Это вновь ведет к увеличению наклона передаточной характеристики.
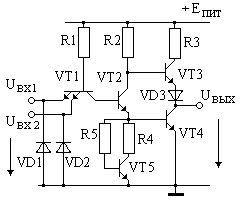
В целях повышения нагрузочной способности, помехоустойчивости и быстродействия ТТЛ используется вариант схемы с усилителем мощности на транзисторах V3 и V4 (рис. 5.4, а).
|
|
|
| а) | б) |
| Рис. 5.4. Электрическая схема ТТЛ с усилителем мощности (а) | |
Если на входе схемы приложено напряжение UВХ =U 0, то транзисторы VT2 и V4 закрыты: Транзистор –V3 открыт, и на выходе формируется уровень высокого потенциала
Uвых= U 1= EК –IБ3R2 –UБЭ3 – UD = EК –2U*. (5.8)
Транзистор V3, работая в качестве эмиттерного повторителя, обеспечивает малое (порядка 2гэ) выходное сопротивление схемы в состоянии Uвых=U 1. Это позволяет уменьшить время заряда емкости нагрузки, что повышает быстродействие ТТЛ .
Если на всех входах МЭТ присутствует напряжение UВХ=U 1, то транзис-торы VT2 и V4 переходят в насыщенное состояние и обеспечивают Uвых= U 0 . При этом, по сравнению с упрощенной схемой, транзистор V4 имеет более глубокое насыщение и может обеспечить большой ток нагрузки, что повышает нагрузочную способность схемы в состоянии UВЫХ=U 0. Транзистор VЗ в данном случае должен быть закрытым. Для его надежного запирания в схему введен диод VD, в результате чего выполняется условие
UБЭ3 = UКБ 4 + UКЭН 2 – UD 0,1В < U*, (5.9)
В схеме возможно состояние, когда V3 и V4 одновременно открыты. Оно реализуется в случае, когда V4 уже насыщен, а VT2 еще не вошел в насыщение. В этом случае UБЭ3 ~ 0,7 В, что и обеспечивает открытое состояние VЗ. При этом возникает значительный сквозной ток через транзисторы VЗ и V4. Для его ограничения используется резистор R4 50 – 300 Ом.
Входная и передаточная и выходные характеристики модифицированных схемы представлены на рис. 5.5 а, б, в соответственно.
В отличие от простой схемы в данном случае (Рис.5.4, а), чтобы перевести транзистор V1 из насыщенного состояния в инверсное, требуется напряжение UВХ = 2U* = UБЭ2 + UБЭ4. При входном напряжении UВХ = U* транзистор VT2 открывается и переходит в область активного режима. При этом V4 еще закрыт, поскольку UБЭ4<0,7В, и формируется участок сравнительно медленного изменения выходного напряжения на передаточной характеристике (рис 5.5, б, сплошная линия). При достижении UВХ = 2U* транзистор V4 открывается и переходит в активную область работы, а затем в насыщение. Формируется круто падающий участок передаточной характеристики.
Наличие участка с медленным спадом выходного напряжения на передаточной характеристике снижает помехоустойчивость схемы. Для повышения помехоустойчивости вместо резистора R3 используется нелинейный элемент, состоящий из резисторов R4, R5 и транзистора V5 (рис. 5.4, б). Это приводит к тому, что только при увеличении UВХ до 2U* транзисторы VT2 и V4 одновременно открываются и переходят в насыщение. Передаточная характеристика для такой модификации показана на рис. 5.5, б штриховой линией. Данная модификация является базовой для микросхем серии К155.
Выходные характеристики модифицированной схемы представлены на рис. 5.5, в. Рабочий участок, соответствующий Uвх= U 0, простирается от 2,4 до 3,6 В и имеет малое дифференциальное сопротивление, определяемое прямо смещенными переходами VЗ и VD. Максимальный рабочий ток достигает 10 мА.
При увеличении выходного тока транзистор V3 входит в насыщение и наклон выходной характеристики определяется величиной R2 R4.
Ветвь выходной характеристики, соответствующая UВХ = U1, определяется насыщенным транзистором V4, и при UВЫХ= 0,4В ток IВЫХ может достигать 30мА.
Для повышения быстродействия в схеме вмecто обычных используются транзисторы Шоттки. Этим исключается введение транзисторов в глубокое насыщение. Такая схема носит название ТТЛШ.
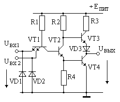
Особенностью ТТЛ-элемента является то, что логическая функция “И” обеспечивается многоэмиттерным транзистором, все эмиттеры которого расположены в одной базовой области (рис. 5.6). Это позволяет существенно экономить площадь, занимаемую логическим элементом на кремниевой пластине. Однако в такой конструкции возникают боковые n-р-n-транзисторные структуры, обусловленные передачей неосновных носителей
|
|
| Рис.11.6. Конструкция многоэмиттерного транзистора |
IЭ1= бок IЭ2 = бок (ЕК - UБЭ) RБ ( 5.10)
Это может существенно снизить нагрузочную способность схемы при UВХ = U1. Для уменьшения эффективности бокового паразитного транзистора стремятся уменьшить бок до малых значений путем увеличения расстояния между эмиттерами (WБОК).
3адание
В ходе домашней подготовки к выполнению работы нужно ознакомиться с принципами работы изучаемых типов схем, с конструкцией и режимами работы многоэмиттерного транзистора, а также транзисторных ключей в усилителях мощности, понять назначение всех элементов схем и их влияние на основные эксплуатационные характеристики ТТЛ.
Для студентов III курса
Контрольные вопросы
-
Поясните каково назначение многоэмиттерного транзистора.
-
Показать, чем определяются особенности входной характеристики
схемы ТТЛ. -
Оьясните, в чем суть работы усилителя мощности, какими факторами определяется нагрузочная способность ТТЛ.
-
Обьясните какими конкретно факторами определяется длительность переднего фронта и заднего фронта при передачей ТТЛ прямоугольного импульса.
В процессе выполнения работы при изучении схемы ТТЛ с усилителем мощности:
1. Исследуйте входную характеристику ТТЛ. Определите входные токи (IВХ 0, IВХ1 = f (Uвх), напряжение UВХ, соответствующее порогу переключения ЛЭ.
2. Исследуйте передаточную и выходные характеристики схемы ТТЛ (не превышать допустимых паспортных данных по току!).
-
Определите допустимый уровень статической помехи UП+ , UП– .
3. Проведите эксперемент по исследованию быстродействия ТТЛ при работе его на емкостную нагрузку (Сн = 1000 пF).
Для студентов IVкурса
Контрольные вопросы
-
Каково назначение МЭТ в схеме ТТЛ? Какой схемой можно заменить МЭТ?
Укажите приемущества и недостатки.
2. Поясните, какими факторами определяется нагрузочная способность схемы простого ТТЛ.
3. Что приводит к уменьшению аI МЭТ , с чем это физически связано?
4. Почему и в каких областях напряжений введение RБ и VD изменит входную характеристику МЭТ?
5. Как, используя технологические и топологические приемы, уменьшить аI МЭТ и а БОК МЭТ?
В процессе выполнения работы при изучении простейшей схемы ТТЛ:
1. Исследуйте входные характеристики схемы ТТЛ (Рис. 11.1,а, б) при включенном и выключенном диоде VD. Обратие внимание на их различия. Определите значение R.Б., аI МЭТ.
2. Исследуйте передаточные характеристики схемы для двух состояний диода VD – (включенном и выключенном). Определите напряжение переключения логических элементов, а также допустимый уровень статической помехи UП+ , UП–. .
3. Исследуйте выходные характеристики логического элемента.
4. Исследуйте боковой транзистор. Определите коэффициент
передачи бок .
Библиографический список
1. Алексенко д. Г., Шагурин И. И. Микросхемотехника. М.: Радио и связь. 1982, 1990..
2. Коледов Л.А. Технология и конструкция микросхем, микропроцессоров и микросборок –- М.: Радио и связь, 1989.
-
Николаев и Филинюк Н.А. Интегральные микросхемы и основы их проектирования – М.:Радио и связь, 1992.
Лабораторная работа № 6
ИЗУЧЕНИЕ ТРАНЗИСТОРНЫХ ЛОГИЧЕСКИХ СХЕМ НА ПЕРЕКЛЮЧАТЕЛЯХ ТОКА С ЭМИТТЕРНОй СВЯЗЬЮ (ЭСЛ)
Цель работы - исследование передаточных, входных и выходных характеристик ЭСЛ-элементов, определение помехоустойчивости, размаха логического сигнала, условии совместимости элементов.
Отличительной. особенностью логических схем на переключателях тока с эмиттерной связью является их высокое быстродействие, обусловленное тем, что транзисторы работают в активном режиме, т. е. их работа в режиме глубокого насыщения и отсечки исключается. Изучаемая схема показана на рис. 6.1.
|
|
| Рис. 6.1. Электрическая схема элемента ЭСЛ |
В ее основе лежит переключатель тока на транзисторах VT1 и VT2, имеющий конфигурацию параллельно–балансного каскада. Резистор RЭ играет роль источника тока. Выходные сигналы снимаются с эмиттерных повторителей на транзисторах V3 и V4, что обеспечивает быструю перезарядку емкости нагрузки.
















