labnik2 (520480), страница 9
Текст из файла (страница 9)
Для обеспечения работы транзистора VT1 и VT2 в активном режиме выбирают два уровня напряжения, один из которых выше фиксированного потенциала UБ0 и является уровнем U 1, а второй ниже величины UБ0 и соответствует U 0. Если на входы А, В и С подано низкое напряжение (U 0), то транзисторы VT1 закрыты, а транзистор VT2 – открыт. Для. транзистора VT1 напряжение на коллекторе приблизительно равно ЕК, и потенциал на левом выходе будет высоким. Если на вход А, или В, или С будет подан высокий потенциал U 1, то один из транзисторов группы VT1 открывается, потенциал коллектора станет низким, и на левом выходе возникнет низкий уровень напряжения. Следовательно, по левому выходу схема выполняет функцию «ИЛИ-НЕ». Состояние транзистора VT2 всегда противоположно состоянию VT1. Если VTl открыт, то VT2 - закрыт, и наоборот. Поэтому по правому выходу схема реализует функцию «ИЛИ». Эмиттерные повторители VT3 и VT4 со сдвигом на величину U* передают потенциалы с коллекторов транзисторов VT1 и VT2 на выход схемы. Транзисторы VT3 и VT4 всегда работают в активном режиме и, обладая низким выходным сопротивлением, обеспечивают быструю перезарядку емкости нагрузки. Это способствует высокому быстродействию схемы.
Рассмотрим передаточную и входную характеристики схемы (рис. 6.2) и выведем основные количественные соотношения, характеризующие ее работу. При анализе будем считать транзисторы идеально одинаковыми, а напряжение между эмиттером и базой открытого транзистора не зависящим от тока эмиттера и равным U* 0,7В. Характеристики схемы можно разделить на четыре участка (от I до IV), на каждом из которых транзисторы VT1 и VT2 находятся в определенном режиме. Из группы входных транзисторов VT1 будем рассматривать лишь один, считая остальные закрытыми (на их входах приложен низкий потенциал).
При низком входном напряжении (UВХ l, участок I ) транзистор VTl закрыт. Его входной ток IВХ 0, а напряжение коллектора UК1=EК-IБ3RКl ЕК. Уровень напряжения на левом выходе (UВЫХ l) при этом соответствует уровню U 1 и равен
U 1 = EК - U*, (6.1).
где U*- падение напряжения на эмиттерном переходе открытого транзистора VT3.
На этом же участке I транзистор VT2 открыт. В его эмиттepной цепи протекает ток
I0= (UБ0 - U*) / RЭ , (6.2)
|
|
| Рис.6.2. Входные и передаточные характеристики ЭСЛ |
а напряжение на его коллекторе равно UК2= EК - I0RК2 2 (током IБ4 пренебрегаем). Напряжение на правом выходе (UВЫХ2) соответствует логическому “0”
UВЫХ2 = EК - I0 RК2 2 - U* = U 0. (6.3)
На участке II с ростом входного напряжения транзистор VT1 открывается, а транзистор VT2 закрывается, благодаря связи через общее эмиттерное сопротивление RЭ. Входной ток IВХ1 растет. Напряжение на левом выходе падает, а на правом – увеличивается.
При UВХl = UБ0 оба транзистора имеют равные токи. При этом их эмиттерные токи равны IЭ1= IЭ2 = I0 / 2. Соответственно, входной ток IBX1=
= (1– ) I0 / 2.. Наклон входной характеристики при UВХl = UБ0 определяется входным сопротивлением схемы, которое нетрудно оценить. Действительно, считая rЭ = Т/IЭ1 = Т/2I0 и полагая rЭ<<RЭ (сопротивлением базы транзистора пренебрежем), получим
rВХ1 = 2 rЭ ( + 1) = 4 Т ( + 1) / I0 . (6.4)
Для типичных значений I0= 10-3 А и ( + 1) = 50 получим :– rВХ1 = 5·103 Ом.
На участке III транзистор VT2 закрыт и напряжение на правом выходе UВЫХ2= U 1 . С ростом UВХl транзистор VT1 продолжает открываться. Однако это открывание медленное, благодаря наличию сильной отрицательной обратной связи, создаваемой сопротивлением Rэ. Входной ток
.
IВХ1= (U ВХ1- U*) /[Rэ ( + 1) (6.5)
линейно нарастает, а выходное напряжение линейно падает:
UВЫХ1 = EК - U* - (U ВХ1- U*) RК1 RЭ . ( 6.6)
На участке IV транзистор VT1 попадает в насыщение. Здесь наблюдается сильный рост входного тока. Выходное напряжение растет так же, как растет входное, поскольку в режиме насыщения на открытых р-n- переходах напряжение изменяется мало. Участок IV при работе схемы не используется.
Рассмотрим условие совместимости ЭСЛ- элементов. Уровни низкого и высокого выходных напряжений не могут быть произвольными: Они должны быть строго равны уровням логических 1 и 0, принятым во всей системе, и должны быть выбраны таким образом, чтобы подача их на вход схемы обеспечивала появление на выходах точно таких же уровней напряжения. Выходное напряжение рассматриваемой схемы является входным напряжением для точно такой же последующей схемы. Очевидно, что условием совместимости является соотношение, при котором транзисторы VT1 и VT2 открыты одинаково, а именно:
UВЫХ СР= UБ0 = 0,5 (U 1 + U 0). (6.7)
В этом случае отклонение выходного напряжения от своего среднего значения будет приводить к открыванию одного из транзисторов и закрыванию другого. Графически это проявляется в том, что прямая, соединяющая точку пересечения выходных характеристик с началом координат, наклонена к осям под углом 450 (рис. 6.2). Графическим путем удобно определить и рабочие точки схемы, выражающие ее состояние. Эти точки можно найти по пересечению передаточных характеристик с вертикальными прямыми UВХ = U 0 и UВХ = U 1. Графическая картина характеристик с найденными рабочими точками позволяет оценить помехоустойчивость схемы.
Определим размах логического сигнала U = U 1 – U 0. В основу положим условие отсутствия насыщения транзистора UКБ 0. Анализ показывает, что прежде всего в насыщение может войти транзистор VT1. При подаче на вход VT1 напряжения UВХ1 = U 1 на левом выходе появится напряжение UВЫХ1 = U 0, а потенциал коллектора VT1 станет равным U 0+ U*. Напряжение на коллекторном р-n- переходе транзистора VT1
UКБ = UК – UБ = (U 0+ U*) - U 1= U*-U . (6.8)
Из условия : UКБ 0 получим
U . U* . (6.9)
Таким образом, во избежание насыщения размах логического сигнала U в схеме не может превосходить величины U*, что составляет 0,6-0,9 В.
В целях сохранения и без того небольшого значения перепада напряжения на практике стремятся к равенству U = U*.
Проведенное рассмотрение условий совместимости и размаха логического сигнала позволяет построить передаточные характеристики (рис. 6.2) с учетом найденных соотношений между напряжениями в схеме. Как следует из рис.6.2, аналитическая связь между основными напряжениями в схеме имеет вид
U 1 = EК - U*, U 0 = EК - 2U*, UБ 0 = EК – 1,5U*, U = U* . (6.10)
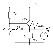
Выходные характеристики (рис. 6.3) представляют собой две ветви, соответствующие низкому UК0 и высокому UК1 напряжению на коллекторе транзистора VT1 или VT2. При напряжении выше напряжения логических 0 и 1 эти ветви сливаются в одну прямую с наклоном, определяемым сопротивлением RЭП,, поскольку транзистор эмиттерного повторителя закрыт. При низком напряжении транзистор открывается и выходной ток уменьшается.
В соответствии с рис. 6.3, а выходной ток
IВЫХ = IR ЭП – IЭ = EГ RЭП – IЭ0 exp ( (UК - EГ) Т ) –1 , (6.11)
где IЭ0 - ток насыщения (тепловой ток) эмиттерного перехода; UК - потенциал коллектора транзистора VT2 (или VTl), поданный на базу транзистора эмиттерного повторителя VT4 (или VT3). UК равно U l, или U 0.
Соотношение (6.11) описывает кривые на рис. 6.3, б. Выходное сопротивление найдем, дифференцируя функцию (6.11),
d IВЫХ /d EГ = 1/ rВЫХ = 1/RЭП + IЭ0 exp ( (UК - EГ) Т ) –1 /Т
1/RЭП + IЭ /Т = 1/RЭП + 1/ rЭ . (6.12)
|
|
|
| а) | б) |
| Рис. 6.3: а – схема входных цепей; б – выходные характеристики ЭСЛ- схемы | |
Таким образом, выходное сопротивление схемы rВЫХ = RЭП rЭ зависит от тока эмиттерного повторителя. Для типичных значений тока IЭ= 1mА получаем rВЫХ Т / IЭ =25 0м, что примерно на два порядка меньше типичных значении входного сопротивления. схемы. В связи с этим логические схемы на переключателях тока имеют высокую нагрузочную способность.
3адание
В ходе домашней подготовки к выполнению работы нужно ознакомиться с принципами работы схемы и особенностями режимов по постоянному току переключателей тока, а также транзисторных ключей в усилителях мощности, понять назначение всех элементов схем и их влияние на основные эксплуатационные характеристики ЭСЛ.
Контрольные вопросы
-
Какую логическую функцию выполняет схема ЭСЛ в положительной логике, в отрицательной логике ?
-
Каково назначение резистора RЭ ?
-
Какой потенциал UБ0 необходим для обеспечения нормальной работы схемы при EК = 5В, какой при этом ожидается размах логического сигнала ?
-
Для указанных в схеме номиналах резисторов, транзисторов, EК начертите ожидаемые входные, передаточные и выходные характеристики данной схемы.
-
Как повлияет увеличение (уменьшение) величины UБ0 на входные, передаточные и выходные характеристики схемы?
-
Какими факторами определяется высокое быстродействие ЭСЛ ?
В процессе выполнения работы
1. Провести измерение входной ВАХ по одному из входов схемы. На остальных входах установить UВХ = 0. (Участок II рис. 6.2 входной ВАХ должен быть измерен особенно детально). Определить rВХ на середине участка II. Определить rВХ на участке III .
2. Провести измерение передаточных характеристик схемы UВЫХ1 = f (U ВХ ) и UВЫХ2 = f (U ВХ ) . Графическим построением найти рабочие точки, размах логического сигнала. Определить помехоустойчивость схемы. По экспериментальным данным проверить соотношения (6.10).
3. Провести измерение выходных ВАХ при UВЫХ = U 1 и UВЫХ = U 0. По результатам эксперимента найти RЭП и rВЫХ при IВЫХ = 0.
Библиографический список
1. Алексенко Д. Г., Шагурин И. И. Микросхемотехника. М.: Радио и связь. 1982, С. 70-81, 1990 С .
2. Коледов Л.А. Технология и конструкция микросхем, микропроцессоров и микросборок –- М.: Радио и связь, 1989.
3. Николаев И.М., Филинюк Н.А. Интегральные микросхемы и основы их проектирования – М.:Радио и связь, 1992.
















