labnik1 (520479), страница 6
Текст из файла (страница 6)
Для исследования схем MB на КМОП используется стенд, аналогичный используемому при исследовании ЖМВ (Лаб. работа № 3). При исследовании MB на ТТЛ используется стенд УМ‑13 с навесными резистивными и емкостными элементами и ЛЭ К155ЛА3.
Задание
1. Собрать схему MB. Тип ЛЭ и конфигурацию схемы задает преподаватель.
2. Проанализировать осциллограммы в характерных точках схемы. Оценить периоды T1 и T2, сравнить с расчетными.
3. Снять зависимость периода колебаний от величины резистора R и емкости C.
4. В одном из режимов оценить длительности положительных и отрицательных фронтов импульсов на выходах MB.
Библиографический список
1. Гусев В.Г., Гусев Ю.М. Электроника. – М.: Высш. шк., 1991. – С. 585 – 592.
2. Гольденберг Л.М. Импульсные устройства. – М.: Радио и связь, 1981.
3. Зельдин Е.А. Импульсные устройства на микросхемах. – М.: Радио и связь, 1991. – С. 80 – 111.
Лабораторная работа № 5
МУЛЬТИВИБРАТОР С ДВУМЯ ВРЕМЯЗАДАЮЩИМИ ЦЕПЯМИ
Цель работы: изучение работы мультивибратора на ЛЭ КМОП и ТТЛ. Организация симметричного и несимметричного режимов работы, изучение переходных процессов в схеме.
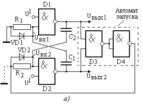
Мультивибратор (MB) собран на двух идентичных ЛЭ-инверторах D1 и D2 (рис. 5.1), охваченных перекрестными обратными связями. Времязадающими цепями являются элементы R1C1 и R2C2. Такая схема позволяет управлять каждым полупериодом колебаний практически независимо от другого. Схема считается симметричным мультивибратором, если R1=R2 и C1=C2, и несимметричным, если эти условия не выполняются. В качестве инверторов используются ЛЭ НЕ, И‑НЕ, ИЛИ‑НЕ. Если используются элементы И‑НЕ, то на входы, оставшиеся свободными после организации перекрестных связей, необходимо подать потенциал U 1. Если используются элементы ИЛИ‑НЕ, то на такие входы необходимо подать потенциал U 0. Кроме того, свободные входы могут быть использованы для управления MB (его включением или выключением). Для надежной работы такие схемы должны иметь автомат запуска (схема, обведенная пунктиром
на рис. 5.1).
| Рис. 5.1. Схемы мультивибраторов на ЛЭ И-НЕ: с "заземленным" времязадающим резистором (а), резистор присоединен к шине U1 (б) | |
Существуют несколько вариантов схем такого мультивибратора [3], однако для начального обучения приняты два, как наиболее простые для понимания: – в первом (рис. 5.1, а) времязадающие резисторы R1 и R2 "заземлены". Во втором (рис.5.1, б) эти резисторы присоединены к потенциалу U 1. В лабораторной работе можно исследовать MB как на ТТЛ-элементах серии K155, так и на КМОП--элементах серии K561.
Рассмотрим работу MB на основе КМОП-элементов по схеме рис.5.1, а. При анализе работы MB условно все процессы можно разделить на медленные и быстрые.
В течение медленного процесса ЛЭ находятся в квази-устойчивом состоянии, например, Uвых1 = U 1, Uвых2 = U 0 либо
Uвых1 = U 0, Uвых2 = U 1, и длительность пребывания их в этом состоянии определяется процессами перезарядки конденсаторов С1 и С2 через соответствующие резисторы.
В течение быстрого процесса в схеме возникает положительная обратная связь и наблюдается скачкообразный переход ЛЭ из одного квазиустойчивого состояния в другое. Период колебаний MB, в основном, определяется медленными процессами.
П
усть ЛЭ D1 (рис. 5.1, а) находится в состоянии Uвых1= U 0, а ЛЭ D2 – в состоянии Uвых2= U 1. Для обеспечения такого состояния необходимо, чтобы на входе ЛЭ D2 существовал низкий потенциал U 0 (вход через резистор R2 присоединен к земле), а на входе ЛЭ D1 – высокий (U 1). Данный высокий потенциал обеспечива-ется протеканием тока через резистор R1 в процессе перезаря-дки конденсатора C1 по цепи: шина +Eпит – выход ЛЭ D2 – С1 – –резистор R1 – шина нулевого потенциала ("земля") в соответ-ствии с эквивалентной схемой замещения (рис. 5.2, а). Уменьшение напряжения на входе ЛЭ D1 происходит по экспоненциальному закону с постоянной времени 1=(R1+rвых 2)C1. Время нахождения ЛЭ D1 в данном квазиустойчивом состоянии определяется достижением напряжения Uвх1=U * (рис. 5.2, б) и равно
,
где перепад напряжения Uл= U 1 – U 0.
Если Uвх1 = Uвх2 = U *, то оба ЛЭ оказываются в области активных характеристик (см. рис.4.2 лаб. раб. № 4), и в схеме возникает глубокая положительная обратная связь, приводящая к скачкообразному процессу и "опрокидыванию" ЛЭ. После чего на выходах ЛЭ D1 и D2 устанавливаются потенциалы Uвых 1= U 1 и Uвых 2= U 0 соответственно. Положительный перепад напряжения с выхода ЛЭ D1 передается через емкость C2 на вход ЛЭ D2 и будет удерживать его в новом квазистатическом состоянии Uвх2= U 1, Uвых 2= U 0. В цепи шина + Eпит – выход ЛЭ D2 – С2 – R2 – шина нулевого потенциала ("земля") возникает ток перезарядки конденсатора C2, определяющий длительность квазиравновесного состояния ЛЭ D2 аналогично рассмотренным выше процессам на примере ЛЭ D1:
По окончании времени T2 в схеме вновь возникает скачкообразное изменение состояния ЛЭ, и все процессы перезарядки конденсаторов C1 и C2 повторяются снова. Полный период колебаний мультивибратора без учета быстрых процессов составляет
T=T1+T2.
Предположим, что rвых<<R1, R2. Поскольку для ЛЭ КМОП
U * Eпит /2, U 0=0, U 1= Eпит, то
Полный набор осциллограмм напряжений в характерных точках MB представлены на рис.5.3, а. Изменение длительности полупериодов колебаний осуществляется путем изменения величины резисторов R1, R2 (скачком либо плавно) или изменением емкости конденсаторов C1, C2 (как правило, скачком). Если T1 = T2, то мультивибратор считается симметричным. Если T1 T2, то мультивибратор – несимметричный.
На выходах ЛЭ формируются импульсы напряжения по форме близкие к прямоугольным. При этом длительность положительного фронта импульса определяется процессом заряда емкости Cэкв ключевым каскадом (см. [4], лаб. раб. № 5). В качестве Cэкв выступают входная и выходная емкости ЛЭ и емкости монтажа Cм, Cвх, Cвых:
Cэкв=Cвх+Cвых+Cм.
Длительность положительного фронта можно оценить по формуле
| Рис.5.3. Осциллограммы напряжений в мультивибраторе на ЛЭ КМОП в схеме рис 5.1, а (а); в схеме рис. 5.1, б (б) | |
где Iс0 – выходной ток ЛЭ-ключа при разряде эквивалентной емкости (см.”Приложение”).
Форма отрицательного фронта импульса более сложная. При уменьшении напряжения Uвых от U 1 до (U *–UD) также происходит разряд Сэкв через ЛЭ- ключ, и скорость изменения напряжения здесь такая же, как и в предыдущем случае. Однако при напряжениях Uвых ниже (U *–UD) длительность процесса существенно возрастает. Это связано с особенностью построения входной цепи ЛЭ. Здесь установлены ограничительные диоды, предохраняющие входную цепь от значительных отрицательных напряжений. В процессе формирования второй части отрицательного фронта данные диоды открываются. Это приводит к перезарядке выходным током ЛЭ-ключа времязадающих конденсаторов C1 и С2. Поскольку
C1,C2>>Cэкв, то соответственно увеличивается и время формирования отрицательного фронта, полная длительность которого составляет
На входах ЛЭ этому процессу соответствуют короткие отрицательные выбросы напряжения (см. рис.5.3).
Схемы обеспечения автоматического запуска МВ показаны на рис.5.1 как отдельные блоки (обведены пунктиром). При вклю-чении напряжения питания, например, в схеме MB (см. рис.5.1, а) возможно возникновение ситуации, когда на входах обоих ЛЭ D1 и D2 могут одновременно оказаться низкие потенциалы. Наиболее вероятно это ожидается в симметричном мультивибраторе. В этом случае колебания в схеме не возникнут. Для обеспечения автоматического запуска МВ используется дополнительная схема, которая для схемы (рис.5.1, а) должна выполнять логическую функцию
. Она содержит элемент совпадения И‑НЕ (D3) и инвертор (D4).Ее работа: в отсутствии колебаний MB на входах ЛЭ D1 и D2 одновременно будут существовать низкие потенциалы. Это приведет к одновременному появлению высоких потенциалов на выходах D1 и D2 и соответственно на входах ЛЭ D3, что вызовет появление высокого потенциала на выходе ЛЭ D4 и соответственно на входе ЛЭ D2. При этом возникает несимметричный режим работы (Uвх D1=0, Uвх D2=1), и в MB возникнут колебания.
При возникновении автоколебаний в MB попеременно на одном из входов схемы совпадений D3 будет присутствовать низкий потенциал, что ведет к постоянному низкому потенциалу на выходе D4. В результате резистор R2 будет "заземлен" через малое выходное сопротивление ЛЭ D4 (на схеме МВ условно показано пунктиром). Схема автоматического запуска практически не влияет на частоту генерируемых колебаний и используется в данных схемах МВ как обязательная составная часть.
Работа мультивибратора, построенного по варианту рис.5.1, б в идейном плане не отличается от работы автогенератора, рассмотренного выше. Читателю предлагается самому, пользуясь приведенными осциллограммами (рис.5.3, б), разобраться в его работе. Необходимо помнить, что времязадающие резисторы в данной схеме присоединены к потенциалу U 1. Соответственно несколько изменилась и схема автоматического запуска.















