labnik1 (520479), страница 4
Текст из файла (страница 4)
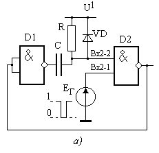
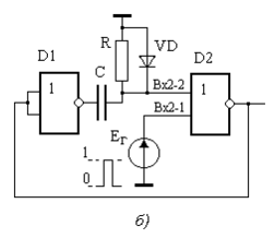
ЖМВ запускается отрицательным перепадом напряжения Eг от U 1 до U 0 (рис.3.1,б), поступающим на вход 1-1 ЛЭ D1, что приводит к изменению напряжения на его выходе от U 0 до U 1. Это изменение передается через емкость C как через короткое замыкание на вход ЛЭ D2 и приводит к изменению напряжения на его выходе
| Рис. 3.1. Схема ждущего мультивибратора (а), осциллограммы переходных процессов в нем (б) и нахождение напряжения U* (в) | |
от U 1 до U 0. Последнее передается на вход 1-2 ЛЭ D1. В некоторый момент времени, когда на входе ЛЭ D2 возникает потенциал U *, оба ЛЭ оказываются в области активных характеристик, и в схеме возникает глубокая положительная обратная связь. Она существенно ускоряет переходной процесс — в схеме возникает скачок токов (напряжений). Его длительность определяется инерционностью ЛЭ и для КМОП составляет 100 – 200 нс. Кстати, длительность переходного процесса определяет минимальную длительность запускающего импульса! По окончании скачка на входе 1-2 ЛЭ D1 оказывается уровень U 0, и он удерживает ЛЭ D1 в состоянии Uвых 1= =U 1. Запускающий импульс становится ненужным, схема себя "заблокировала" — начинается относительно медленный квазиравновесный процесс (рис. 3.1, б) формирования импульса T.
Напряжение Uвх2=U *, когда в схеме возникает положительная обратная связь, легко определяется графически из совместного построения передаточных характеристик ЛЭ D1 и D2 (рис. 3-1, в). При этом необходимо учитывать, что оба ЛЭ находятся в области активных характеристик, а емкость C ведет себя в момент скачка тока как короткозамкнутый элемент. Из анализа рис. 3.1, в следует ожидать, что для ЛЭ КМОП U * Eпит /2.
Длительность квазиравновесного состояния определяет длительность импульса T, генерируемого одновибратором, и связана с процессом перезарядки конденсатора C.
В
| Рис. 3.2. Эквивалентная схема замещения (а) и осциллограмма перезарядки времязадающего конденсатора (б) | |
– резистор – шина нуле-вого потенциала (показано пунктиром на рис.3.1, а). Эквивалентная схема заме-щения для расчета пере-ходного процесса и осциллограмма напряжения на входе ЛЭ D2 представлены на рис.3.2.
В процессе заряда конденсатора C ток через резистор R уменьшается, что ведет к уменьшению напряжения на входе ЛЭ D2. При достижении Uвх2=U * оба ЛЭ D1 и D2 вновь оказываются в активной области характеристик. В схеме опять возникает положительная обратная связь и скачок токов (напряжений). Квазиравновесная стадия завершилась – импульс сформирован (рис 3.1, б). Его длительность составляет
где = C (R+rвых), Uл = U 1– U 0. Для КМОП оценочно принимают U 00, U 1 +Eпит, rвых – выходное сопротивление ЛЭ в области крутых характеристик (см. “Приложение”).
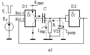
После квазиравновесной следует стадия восстановления, в течение которой в схеме происходит восстановление потенциалов и токов до первоначальных значений. Перезарядка конденсатора C через резистор R (Iраз) существенно увеличивает время восстановления. Для сокращения этой стадии в схему (см. рис.3.1, а) вводят диод VD. В течение квазиравновесной стадии диод закрыт, а на этапе восстановления он открывается и конденсатор C разряжается не через резистор R (показано пунктиром), а через выходную характеристику ЛЭ D1 и диод VD. Это существенно ускоряет процесс восстановления, однако несколько увеличивает длительность заднего фронта импульса напряжения на выходе ЛЭ D1. На рис.3.1, б представлены синхронизированные по времени осциллограммы в характерных точках одновибратора. Видно, что импульс на выходе ЛЭ D2 имеет форму, близкую к прямоугольной, и его полярность соответствует перепаду напряжения от U 1 к U 0. Импульс на выходе ЛЭ D1 положительный, однако имеет искажения как вершины, так и заднего фронта, что связано с падением напряжения на ЛЭ D1 от тока перезаряда конденсатора C.
С максимально допустимым выходным током ЛЭ D1, в частности, связаны ограничения на минимальную величину резистора R:
(см. "Приложение").
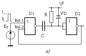
Другой вариант ЖМВ на двух инверторах И‑НЕ и осциллограммы в характерных точках представлены на рис.3.3, а.
В этой схеме для обеспечения устойчивого (ждущего) состояния на оба входа ЛЭ D2 должен поступать высокий потенциал U 1, при этом на входе ЛЭ D1 возникает уровень U 0. Данная схема запускается отрицательным перепадом Eг (от U 1 U 0) по входу 2-1 и позволяет получить на выходе ЛЭ D2 импульс положительной полярности, близкой по форме к прямоугольной. Длительность генерируемого импульса определяется по формуле
В целом работа схемы подобна работе ЖМВ, описанной в предыдущем случае. Для уточнения деталей читателю предлагается самому разобраться в осциллограммах рис.3.3, б.
| . | |
| Рис. 3.3. Вариант схемы ждущего мультивибратора (а) и осциллограммы переходных процессов в характерных точках (б) | |
Варианты схем ЖМВ на ЛЭ ИЛИ‑НЕ (КМОП) представлены на рис.3.4. В отличие от схем на ЛЭ И-НЕ в схемах ЖМВ на элементах ИЛИ‑НЕ устойчивое состояние обеспечивается подачей потенциала U 0 на оба входа ЛЭ , по которому будет осуществляться запуск. Для
| Рис.3.4. Варианты схем ждущих мультивибраторов на ЛЭ ИЛИ-НЕ при обеспечении ждущего режима от источника U 1 (а) и от источника U 0 (б) | |
этого, в частности, в схеме (рис. 3.4, а) на входы ЛЭ D2 подан потенциал U 1, что обеспечивает Uвх1-2= Uвых 1= U 0. Аналогично в схеме (рис. 3.4, б) потенциал U 0 подан на оба входа ЛЭ D2.
Схемы ЖМВ на ЛЭ ИЛИ‑НЕ запускаются импульсами положительной полярности (перепадом напряжения от U 0 до U 1). В идейном плане работа данных одновибраторов не отличается от рассмотренных выше случаев. Читателю рекомендуется самостоятельно разобраться в переходных процессах в этих схемах.
Описание стенда и методики проведения эксперимента
На стенде смонтированы микросхемы серии K561. Четыре независимых элемента 2И‑НЕ обеспечивает схема К561ЛА7, четыре независимых элемента 2ИЛИ‑НЕ — схема К561ЛЕ5. Представлен необходимый набор резисторов R, в том числе два переменных, набор конденсаторов C и диодов VD. Внешний вид стенда представлен на рис.3.5
При сборке заданной преподавателем схемы пользуйтесь внешними соединительными проводниками. К входным цепям ЛЭ присоединяйте в последнюю очередь! Стенд позволяет подключить запускающий генератор (Ген), осциллограф (Осц), а также провести синхронизацию осциллографа (Синхр).
Запуск схемы осуществляется импульсом от генератора импульсов Г5‑54. (До присоединения генератора импульсов к схеме предварительно необходимо убедиться с помощью осциллографа, что амплитуда импульса не превышает 9 В !).
Если для запуска требуется импульс положительной полярности (U 1), то он может быть получен непосредственно от Г5‑54. Если для запуска ЖМВ требуется перепад напряжения от U 1 до U 0, то одновибратор запускается от Г5‑54 через инвертор, в качестве которого используется любой незадействованный ЛЭ И‑НЕ или ИЛИ‑НЕ.
Задание
1. В соответствии с заданием преподавателя собрать одну из схем одновибратора. Обеспечить необходимую схему запуска.
2. Нарисовать ожидаемые осциллограммы в характерных точках схемы. Рассчитать ожидаемую длительность импульса.
3. Включить стенд, наблюдать и зарисовать осциллограммы в характерных точках, сравнить с ожидаемыми. Снять зависимость длительности импульса от величины R и C.
4. Сократить длительность запускающего импульса и добиться срыва запуска ЖМВ. Оценить минимально необходимую длительность запускающего импульса.
Библиографический список
1. Гольденберг Л.М. Импульсные устройства. – М.: Радио и связь, 1981.
2. Зельдин Е.А. Импульсные устройства на микросхемах. – М.: Радио и связь, 1991 (МРБ. Вып. 1161).
3. Гусев В.Г. , Гусев Ю.М. Электроника. – М.: Высш. шк ., 1991.
С. 585–597.
Лабораторная работа № 4
МУЛЬТИВИБРАТОР С ОДНИМ ВРЕМЯЗАДАЮЩИМ КОНДЕНСАТОРОМ
Цель работы: изучение работы мультивибраторов на двух либо на трех инверторах – логических элементах серии КМОП или ТТЛ.
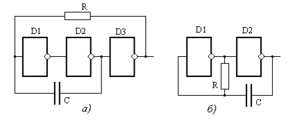
Мультивибратор является релаксационным автогенератором, обычно имеющим два квазиравновесных состояния. В течение квазиравновесной стадии в схеме идет относительно медленный процесс перезарядки конденсаторов, который в конечном итоге приведет к появлению скачка токов (напряжений), и схема переходит в другое квазиустойчивое состояние и т.д. Мультивибратор с одним времязадающим конденсатором наиболее часто строят на основе двух или трех инверторов, для чего у логических элементов (ЛЭ) И‑НЕ или ИЛИ‑НЕ все входы объединяют. Входы, оставшиеся свободными, могут быть использованы для управления автогенератором для включения или выключения его. Наиболее характерные схемы представлены на рис.4.1.
Мультивибраторы (MB) данных конфигураций могут быть построенными как на ЛЭ КМОП-, так и на ЛЭ ТТЛ-серий. Если входные токи в КМОП пренебрежимо малы, то в схемах ТТЛ ими пренебрегать нельзя: это накладывает определенные ограничения и особенности, о чем будет сказано ниже (см."Приложение").















