labnik1 (520479), страница 2
Текст из файла (страница 2)
Рассмотрим RS‑триггеры на основе ЛЭ И‑НЕ (рис. 1.4, а). В этом случае используются ЛЭ на основе ТТЛ, МОП, КМОП.
Предположим, что введение перекрестной обратной связи обеспечивает надежно два устойчивых состояния триггера. Схемотехнически триггер выполнен так же, как и на основе ЛЭ ИЛИ‑НЕ, однако из рассмотрения таблицы состояний (рис.1.2, б) для ЛЭ И-НЕ вытекает, что эффективным управляющим сигналом, приводящим к "опрокидыванию" триггера, является уровень 0, поданный на вход того ЛЭ, у которого на остальных входах присутствуют потенциалы U 1.
| Рис.1.4. RS-триггер на основе ЛЭ И-НЕ (а) и | |
Комбинация сигналов 1 1 на входах триггера сохраняет предыдущее состояние БЯ, а комбинация 0 0 – запрещена. Полная таблица состояний RS-триггера на основе ЛЭ И-НЕ дана в табл.1.3, словарь переходов – в табл.1.4.
| Таблица 1.3 | Таблица 1.4 | |
| Таблица состояний RS-триггера на основе ЛЭ И-НЕ | Словарь переходов RS-триггера на основе ЛЭ И-НЕ | |
Характеристическое уравнение триггера может быть записано в виде
.
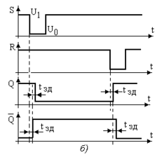
Осциллограммы работы данного триггера даны на рис. 1.4, б.
Тактируемые (синхронные) RS‑триггеры (RST‑триггеры)
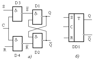
Схема RST-триггера на ЛЭ И-НЕ представлена на рис. 1.5. ЛЭ D1 и D2 образуют асинхронный RS-триггер, ЛЭ DЗ и D4 являются элементами управления, обеспечивая синхронизацию (тактирование) триггера. Присутствие синхронизирующих импульсов – высоких потенциалов на входе C (C = 1) разрешает "прохождение" управ-ляющих сигналов S и R на входы асинхронного RS-триггера D1 – D2.
Таблица 1.5 | ||
| Таблица состояний | ||
| Рис.1.5. RST-триггер на ЛЭ И-НЕ (а) и |
При низком потенциале на входе C потенциалы на выходах DЗ и D4 высокие и не зависят от входных сигналов R и S , что обеспечивает хранение предыдущей информации в БЯ D1–D2. При высоком потенциале на тактовом входе C информация со входов R и S "пройдет" на входы
,
БЯ D1–D2, которая примет состояние в соответствии с этими информационными сигналами. Характеристическое уравнение RST-триггера имеет вид
В табл. 1.5 представлена полная таблица состояний данного триггера, а на рис. 1.5, б – его условное графическое обозначение.
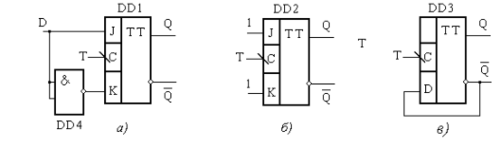
D‑триггер (триггер‑задержка)
На рис. 1.6 представлена схема D -триггера на ЛЭ И‑НЕ. ЛЭ D1 и D2 образуют асинхронный RS-триггер, ЛЭ DЗ и D4 обеспечивают синхронизацию и одновременное управление БЯ по входам
и
от одного информационно-го входа D. При C = 0 триггер сохраняет свое п
C =1 информационный сигнал "проходит" на входы
JK‑триггер
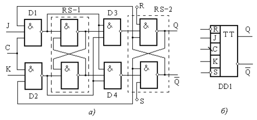
Здесь входы J и K являются информационными, вход C – вход для синхроимпульса. JK‑триггер имеет внутреннюю память о предыдущем состоянии. Один из вариантов схемы JK-триггера
MS - типа представлен на рис. 1.7.
Память выполнена на основе БЯ RS-2. Функционирование схемы: в течение действия тактового импульса (C = 1) ЛЭ D1 и D2 обеспечивают запись информации со входов J и K в БЯ RS-1. В это время БЯ RS–2 сохраняет информацию о предыдущем состоянии. ЛЭ DЗ и D4 предотвращают прохождение информации с выхода БЯ RS-1 на вход БЯ RS-2. По окончании тактового импульса запрещена запись информации в БЯ RS-1 и разрешена перезапись информации из БЯ RS-1 в БЯ RS-2. Таким образом, схема записывает инфор-мацию в течение тактового им-пульса. На выходе JK-триггера MS-типа результат появляется по окончании тактового импульса, и он соответствует информации, записанной в БЯ RS-1 именно в момент окончания тактового импульса. Графически эта особенность т
| Рис. 1.8. Обозначение способа синхронизации триггера: |
Как правило, в JK-триггерах введены входы R и S для предварительной установки значения сигнала на выходе БЯ RS-2 (см. рис.1.7).
Таблица состояний JK-триггера близка к таблице RST-триггера. Однако наличие перекрестных обратных связей с выхода БЯ RS-2 на вход БЯ RS-1 обеспечивает информацию о предыдущем состоянии триггера. В результате – комбинация входных сигналов J = 1, K = 1 стала разрешенной. При данной комбинации входных сигналов и поступлении тактового импульса триггер изменяет свое состояние на противоположное. Характеристическое уравнение JK-триггера может быть записано в виде
На основе JK-триггеров могут быть созданы D-триггеры (рис. 1.9, а) и Т-триггеры (рис. 1.9, б, в).
D-триггер при поступлении синхроимпульса записывает информацию со входа D и хранит ее до прихода следующего синхроимпульса. Его характеристическое уравнение
T‑триггер "опрокидывается" на каждый поступающий импульс C. Характеристическое уравнение T-триггера
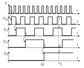
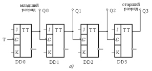
JK-, Т-, D-триггеры могут быть использованы для создания двоичных счетчиков. Схема такого счетчика на JK-триггерах К155 ТВ-1 и характерные осциллограммы представлены на рис. 1.10 а, б.
| Рис.1.10. Асинхронный счетчик импульсов по основанию "2" (а) и | |
Запись числа N производится по входу T в соответствии с соотношением
N = +b3a 3 + b2a 2 + b1a 1 + b0a 0,
где a – основание, по которому производится счет; b – коэффициенты при основаниях (код числа), они могут принимать значения b = 0, 1, 2, …(a–1). Например, для счетчика по основанию "2" коэффициент b может принимать значения b = 0; 1. В таком случае, в момент времени t1 (рис.1.10, б) записано число 11 (в десятичном коде), двоичный код этого числа равен 1011.
Задание
1. Собрать RS или RST‑триггер на ЛЭ ИЛИ‑НЕ или И‑НЕ (по указанию преподавателя).
2. Исследовать таблицу состояний триггера, сравнить с ожидаемой.
3. Запустить триггер от генератора сдвинутых импульсов. Наблюдать управляемость, снять осциллограммы, оценить длительность импульсов и их фронтов на выходах триггера. Оценить минимально допустимый временной интервал между запускающими импульсами по входам S и R..
4. Собрать JK-, D-, T-триггер (по указанию преподавателя). Повторить задание п.2.
5. Собрать 4-разрядный двоичный асинхронный счетчик импульсов на основе JK-, D- или T-триггеров. Обеспечить предварительную запись "0" во все разряды. Осуществить запись заданного числа.
Библиографический список
1. Гольденберг Л.М. Импульсные устройства. – М: Радио и связь, 1981. – С. 89 – 104.
2. Алексенко А.Г., Шагурин И.И. Микросхемотехника. – М: Радио и связь, 1990. – С. 156 – 170.















