labnik1 (520479), страница 5
Текст из файла (страница 5)
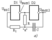
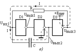
Для упрощения анализа рассмотрим схему MB на трех ЛЭ КМОП (рис. 4.1, а). Для возникновения в схеме MB скачков тока (напряжения) необходимо, чтобы в определенный момент времени оба инвертора D1 и D2 одновременно находились в активной области характеристик и возникала положительная обратная связь. Это достигается путем охвата инверторов D1 и D2 обратной связью с помощью конденсатора C. Резистор R, включенный между входом D1 и выходом DЗ, служит для вывода инверторов в активную область характеристик. Инвертор DЗ служит для переключения уровня напряжения, до которого должен перезарядиться конденсатор C.
У
| |
| Рис.4.2. Нахождение напряжения U* |
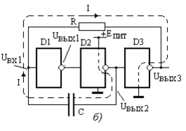
Рассмотрим характерные моменты работы MB (рис. 4.3). Пусть в исходном состоянии потенциал на входе ЛЭ D1 имеет низкое значение Uвх0= – 0,7 В (рис.4.3, в). В этом случае на выходе инвертора D1 формируется высокий потенциал Uвых1= U 1, на выходе инвертора D2 – низкий потенциал Uвых2= U 0, на выходе ЛЭ DЗ – высокий потенциал U 1.
| | |
| Рис. 4.3. Путь тока I в процессе заряда конденсатора C при формировании периодов T1 (а), T2 (б), осциллограммы в характерных точках (в) | |
Емкость C начинает перезаряжаться током I, протекающим через резистор R и выходы ЛЭ D1 и D2 в соответствии со схемой (рис.4.3, а). Нахождение MB в данном квазиравновесном состоянии определяется временем T1, необходимым для достижения напряжения U * на входе ЛЭ D1 в соответствии с переходным процессом (рис. 4.3, в).
При достижении Uвх1=U* в схеме возникает положительная обратная связь, приводящая к скачку – "опрокидыванию" MB. Процесс опрокидывания очень короткий, и его длительность учитывать не будем. Положительный скачок напряжения Uвых2 с выхода ЛЭ D2 через емкость C будет передан на вход ЛЭ D1 и создаст потенциал Uвх11 = Eпит +UD. В результате на выходе D1 формируется уровень низкого потенциала, на выходе D2 - высокого, на выходе DЗ – низкий потенциал. Конденсатор C теперь будет перезаряжаться в соответствии со схемой, показанной на рис. 4.3, б. Этим процессом будет определяться длительность второй квазиравновесной стадии периода колебаний T2:
После этого в схеме вновь наступит скачок и переход в первое квазиравновесное состояние. Таким образом, полный период колебаний MB составляет T=T1+T2. Если R>>rвых2, rвых2 и
U *= Eпит /2, то MB близок к симметричному (T1=T2) и оценочно можно считать
T = 2RC ln2 =1,4RC.
Синхронизированные по времени осциллограммы в характерных точках MB представлены на рис.4.3, в. Необходимо помнить, что входы ЛЭ КМОП защищены охранными диодами VD1, VD2 (см. "Приложение", табл. П.1). Именно поэтому напряжение на входе Вх1 не может быть больше, чем | Eпит +UD|, и меньше, чем –UD. Наличие охранных диодов приводит в момент переключения к появлению значительных токов диодов VD1, VD2, а также тока выхода ЛЭ D2, что связано с процессом заряда емкости C. Это увеличивает длительность переднего и заднего фронта импульса на выходе ЛЭ D2.
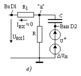
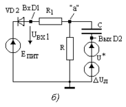
Вариант схемы MB на двух ЛЭ КМОП (см. рис. 4.1, б) по принципу работы не отличается от схемы на трех ЛЭ. Здесь роль переключателя уровня, до которого перезаряжается конденсатор C, выполняет ЛЭ D1. Для исключения значительных токов через охранные диоды в схему MB на двух ЛЭ часто вводят ограничительный резистор R1. На рис.4.4, а представлен вариант такой схемы.
Рассмотрим один полупериод колебаний такого мультивиб-ратора (рис. 4.4, а). Пусть в результате "скачка" на выходе ЛЭ D2 появится перепад напряжения Uвых 2 = + Eпит, который через емкость C как через короткозамкнутый элемент будет приложен к точке "а" (рис.4.4, б). Результирующий потенциал в данной точке составит U *+Uвых 2 = 1,5Eпит, что приведет к открыванию охранного диода VD2 на входе ЛЭ КМОП, и потенциал на входе D1 не превысит (Епит+UD) (см. период T1' на рис.4.4, г).
| | |
| Рис. 4.4. Электрическая схема мультивибратора на двух ЛЭ КМОП(а); схемы замещения времязадающей цепи для стадий T1' (б) и T2'' (в); осциллограммы в характерных точках (г) | |
Начинается квазиравновесная стадия, и в течение времени T1' состояние схемы будет определяться процессом перезарядки конденсатора C по пути C—R1||(R+rвых 1+rвых 2) C—(R1||R) в соответствии с эквивалентной схемой рис. 4.4, б. В процессе перезарядки потенциал точки "а" понижается, и при Uвх1 (Eпит +UD) диод VD2 закрывается. Перезарядка конденсатора будет проис-ходить теперь по пути C— (R+ rвых 1+rвых 2) C—R (рис. 4.4, в) и определять время квазиравновесного состояния T1''.
При уменьшении потенциала на входе D1 до уровня U * в схеме возникает положительная обратная связь, сопровождающаяся “скачком”. Возникает перепад напряжения на выходе ЛЭ D2 от U 1 до U 0, и повторяется процесс, качественно подобный описанному выше, – квазиравновесная стадия T2. Читателю предлагается самому нарисовать эквивалентную схему замещения для расчета периодов T2' и T2''.
В соответствии с осциллограммами рис.4.4, г можно записать
Аналогично:
Полный период колебаний MB составит T = T1'+T1''+T2'+T2''. Величина резистора R1 выбирается обычно в пределах 0,2R <R1<3 R..
На логических элементах ТТЛ также можно построить мультивибраторы по схемам рис.4.1, однако, необходимо учитывать особенности ЛЭ ТТЛ (см."Приложение”):
— напряжение U * для серии K155 составляет 2UБЭ1,4 В при
Eпит =5 В, U 1=3,6 В, а U 0=0,2 В;
-
входная характеристика ТТЛ ЛЭ представлена на рис. П.1, и при Uвх = Uвх 0 существует значительный (до 1 мА) вытекающий ток. Это ограничивает максимальную величину резистора R, включенного последовательно со входом, до величины 1 кОм;
-
при Uвх >U * входной ток мал, и им можно пренебречь;
-
охранный диод на входе ограничивает появление только отрицательных перенапряжений.
| Рис. 4. 5. Осциллограмма переходных процессов в мультивибраторе на ТТЛ на эмиттерном входе ЛЭ D1 (см.рис.4.1) |
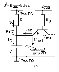
IC = IR + Iвх.
Соответственно длительность периода T1 можно рассчитать, воспользовавшись эквивалентным генератором Еэкв, Rэкв :
| | |
| Рис. 4.6. Эквивалентные схемы входной цепи при расчете | |
При расчете длительности квазиравновесной стадии T2', когда Uвх1>U * (рис.4.6, б) входным током ЛЭ можно пренебречь (Iвх =0). Заряд конденсатора происходит только через резистор R. Соот-ветственно, длительность стадии T2' составляет
Наконец, при 1,4 В< Uвх1<1,7 В существенно изменяется вход-ной ток ТТЛ ЛЭ (стадия T2'' на рис.4.5). Соответственно уменьшается ток заряда и скорость изменения напряжения на конденсаторе C:
IC = IR + Iвх,
Поскольку входная характеристика в этой области существенно нелинейна (рис.П.1), то точный расчет длительности T2'' требует использования численных методов и здесь не проводится. Данный процесс особенно заметен при повышенных значениях резистора R, и может занимать существенную часть периода T2. Это вносит заметную погрешность в определение длительности данной стадии. Малая скорость изменения напряжения при прохождении уровня U* приводит к уменьшению стабильности частоты генерируемых колебаний. Сопоставление длительностей T1 и T2 показывает, что MB на ТТЛ с одним времязадающим конденсатором является несимметричным.
Описание установки















