Раздел 10 (1253008), страница 2
Текст из файла (страница 2)
Рис. 10.12. Измерение параметров осевого инструмента на приборе настройки
а) Установка эталонной оправки.
б) установка измеряемого инструмента.
Рис. 10.13. Совмещение центра перекрестия с вершиной сверла.
10.2.3. Установка и точная ориентация приспособления на столе станка (выравнивание).
Точная ориентация приспособления относительно координатных осей станка (выравнивание) необходима для устранения погрешности базирования приспособления на столе станка.
Рассмотрим процесс ориентации приспособления на фрезерном станке с ЧПУ с горизонтальной компоновкой шпинделя.
Последовательность действий.
-
Установить приспособление на столе станка (рис.10.14. а, б).
На рисунке базирование приспособления осуществляется по центральному базовому отверстию, расположенному в центре зеркала стола и базовому цилиндрическому пальцу на нижней поверхности приспособления (после установки приспособление на столе может иметь разворот вокруг своей оси).
-
Вставить в шпиндель станка прибор для контроля параллельности оси приспособления (рис.10.15.).
-
Выполнить точную ориентацию приспособления в направлении оси X. Для этого на величину разницы в показаниях индикатора в точках 1, 2 (рис.10.16.) сместить приспособление в нужном направлении.
-
Выполнить точную ориентацию приспособления в направлении оси Y. Для этого измерит контрольные точки 3, 4 на приспособлении (рис.10.17.). Если существует разница в показаниях индикатора, необходимо проверит базы и сместить приспособления в нужном направлении.
Использование на станках с ЧПУ специальных измерительных систем, таких как, например, импульсная система TS 220 “ HEIDENHAIN ” (рис.10.18.) позволяет устранить трудоемкое ручное выравнивание приспособления (заготовки). Измерительный щуп системы TS 220 исследует поверхность (либо отверстие) и дает сигнал для ЧПУ на проведение компенсации. Компенсация возможна либо вращением системы координат детали (рис.10.19. а), либо вращением поворотного стола (рис.10.19. б).
а) б)
Рис. 10.14. Установка приспособления на стол фрезерного станка:
а) стол станка.
б) приспособление.
Рис. 10.15. Прибор для контроля параллельности приспособления.
Рис. 10.16. Точки измерения положения приспособления в направлении оси Х.
Рис. 10.17. Точки измерения положения приспособления в направлении оси Y.
Рис. 10.18. Измерительная импульсная система TS220 (фирмы Heidenhain).
а) б)
Рис. 10.19. Автоматическое ”выравнивание“ приспособления (заготовки) при использовании измерительной системы TS220.
а) Компенсация через вращение системы координат детали.
б) Компенсация за счет вращения стола.
10.2.4. Определение на фрезерном станке с ЧПУ положений нулевой точки детали W, исходной точки инструмента E и исходной точки программы Ps.
Последовательность действий при настройке.
Система координат детали W задана программистом на углах детали (рис. 10.20.).
10.2.4.1. Определение положения нуля детали W и исходной точки программы Ps по оси X и Y на станке (рис. 10.21. а, б; рис. 10.22. а, б).
1) Возвратить оси станка в нулевую точку станка М.
2) Вставить инструмент в шпиндель станка.
3) В шаговом режиме переместить инструмент к плоскости Х-оси детали на расстояние не более 25 мм, причем эта плоскость пересекается с углом, используемым в качестве относительного положения.
4) Наложить на плоскость Х-оси детали прокладку.
5) Ручным маховичком переместить инструмент к детали, так чтобы он слегка коснулся прокладки. При смещении прокладки должно ощущаться слабое сопротивление.
6) Определить по системе индикации ЧПУ текущее значение положения шпинделя станка по оси Х.
7) Пересчитать данное значение координаты с учетом радиуса режущей части инструмента и значение толщины прокладки внести в систему ЧПУ в качестве смещения нуля отсчета. Например, если радиус фрезы равен 15 мм, а толщина прокладки 3 мм, то в систему ЧПУ вносится значение Xw = -12.
8) Нажать клавишу обнуления системы отсчета координат на пульте управления станка.
9) Ручным маховичком отвести от детали инструмент минимум на 25 мм.
10) В шаговом режиме переместить инструмент к плоскости Y-оси детали на расстояние максимум 25 мм причем эта плоскость пересекается с углом, используемым в качестве относительного положения.
11) Наложить на плоскость Y-оси детали прокладку.
12) Ручным маховичком переместить инструмент к детали, так чтобы он слегка коснулся прокладки. При смещении прокладки должно ощущаться слабое сопротивление.
13) Отметить в регистре положений станка координату Y-оси.
14) Пересчитать данные значения координаты инструмента с учетом радиуса инструмента и толщины прокладки и внести полученное значение в систему ЧПУ.
14) Нажать клавишу обнуления системы отсчета координат на пульте станка.
16) Ручным маховичком отвести от детали инструмент в исходную точку программы Ps по координатам Xps Yps, заданным в РТК.
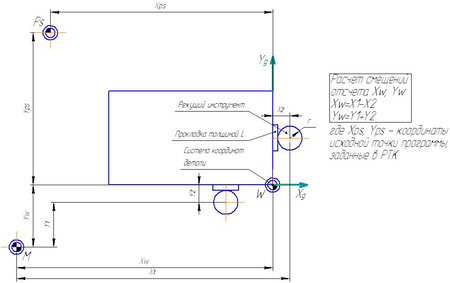
Согласно представленным рисункам:
Xps – координата X исходной точки программы Ps, заданная программистом в РТК и используемая при подготовке УП.
Yps – координата Y исходной точки программы Ps, заданная программистом в РТК и используемая при подготовке УП.
r – радиус режущего инструмента, используемый при настройке.
L - толщина мерной пластины, используемой при настройке.
X2,Y2 – настроечное перемещение.
X1 – вычисляемое перемещение по координате X, на которое необходимо переместить рабочий орган станка, чтобы найти исходную точку программы.
Y1 – вычисляемое перемещение по координате Y, на которое необходимо переместить рабочий орган станка, чтобы найти исходную точку программы.
Рис. 10.20. Расположение нуля детали на углу детали.
а)
б)
Рис. 10.21. Вычисление величины смещений рабочих органов станка при определении нуля детали W и исходной точки программы Ps:
а) Ноль детали W задан на переднем левом угле детали.
б) Ноль детали W задан на переднем правом угле детали.
а)
б)
Рис. 10.22. Вычисление величины смещений рабочих органов станка при определении нуля детали W и исходной точки программы Ps:
а) Ноль детали W задан на заднем левом угле детали.
б) Ноль детали W задан на заднем правом угле детали.
10.2.4.2. Определение положения нуля детали W и исходной точки программы Ps по оси Z на станке (рис. 10.23.).
Последовательность действий при определения положения по координате Z поводим аналогично пункту 10.2.4.1.
Систему координат детали можно базировать относительно системы координат станка различным образом, при этом можно ориентировать направление осей вдоль или против осей станка, и варьировать контакт инструмента и заготовки через мерные пластины по разным сторонам (см. рис. 10.21, рис. 10.22, рис 10.23.). Существует вариант базирования заготовки на столе с помощью стола спутника. В таком случае часто бывает удобно осуществлять определение положения нуля детали W и исходной точки программы Ps по базовым поверхностям приспособления, а не заготовки (рис10.24.). Определение положения нуля детали производится с помощью центроискателя (рис10.25.).
Рис. 10.23. Определение положения системы.
Рис. 10.24. Определение центра приспособления в котором находится ноль детали.
Рис. 10.25. Центроискатель.
10.2.5. Определение на токарном станке с ЧПУ положений нулевой точки детали W, исходной точки инструмента E и исходной точки программы Ps.
-
Выход рабочих органов в исходную точку R станка .
Когда УЧПУ выключено, оси могут быть перемещены вручную или случайно. В таких ситуациях, УЧПУ не может отследить реальное положение осей. Именно поэтому по включению питания должна быть выполнена операция “Выход в исходное”. Исходная точка станка R устанавливается изготовителем (рис 10.26 а). После выхода в исходную точку точно известны координаты X и Z исходной точки инструмента Е (10.26 б).
-
Обточить плоскости торца на 1 мм.
С заготовки снимается слой материала, толщину срезаемого слоя выбирают, таким образом, чтоб заготовку подогнать в линейный размер детали, в данном случае при обработке детали торсион необходимо снять 1 мм т.к. заготовка имеет длину 60мм, а деталь 59мм. Кроме того, при обработке торца детали получается база, от которой ведется измерение длины детали (рис 10.26 в).
-
Измерить длину заготовки.
Инструмент после обработки торца отводится так, чтобы координата Z не менялась, т.е. револьверная головка отводится либо вверх либо вниз так, чтобы смещение револьверной головки было только по оси X. Далее измеряется длина заготовки и, если она равна 59мм, то устанавливается инструмент обратно. Если заготовка оказалась длиннее того размера, который нужен, то необходимо еще раз проточить торец заготовки и снова измерить длину заготовку (рис 10.26 в).
-
Задать в систему ЧПУ координаты Z.
После измерения заготовки координате Z присваивается новое значение, равное нулю. Это происходит следующим способом. После обработки торца детали, действительные значения положения револьверной головки X=-30 Z=70 (рис. 10.26 г). Удаляется значение Z=70 и присваивается координате Z новое значение, Z=0, тем самым переносится ноль станка М в новое положение (рис.10.27 а).
-
Обточить цилиндрические поверхности заготовки.
С цилиндрической поверхности заготовки снимаем слой материала, причем слой может быть абсолютно любой, здесь под выражением “абсолютно любой” слой имеется в виду то, что нам при обработки детали не надо вписываться в какой либо диаметральный размер детали, так как мы это делали в 3 пункте. Дело в том что обработка цилиндрической поверхности делается только с одной целью задать новые координаты оси X. Но в качестве нашего примера , обработки детали торсион, заготовки имеет диаметр 35мм с цилиндрической поверхности снимают 1мм, следовательно получается новый диаметр заготовки 33 мм (см рис 6).
-
Измерить диаметры заготовки.
Инструмент после обработки диаметра отводится так, чтобы координата X не менялась, т.е. револьверную головку отводим вправо, так чтобы смещение револьверной головки было только по оси Z. Далее измеряем диаметр заготовки (см. рис 7).
-
Задать в системе ЧПУ координаты X.
После измерения диаметра заготовки (диаметр равен 33 мм) мы подводим инструмент к торцу детали, причем так, чтоб координата X не менялась, а координата Z была рана нулю (см. рис. 8).
Фактически, после того как мы подвели инструмент в соответствии с рис 8. Координаты револьверной головки равны Z=0, X=16,5+L. Где 16.5-это размер равный половине диаметра обработанного торца, т.е. 33/2=16.5, а L вылет по оси X, который нам не известен (см. рис. 9).
Далее для того чтобы координате X присвоить новое значение нужно, чтоб вершина резца находилась в нуле детали Oд для этого нужно револьверную головку опустить по оси X на 16.5мм (см. рис. 10).















