основной текст (1235302), страница 5
Текст из файла (страница 5)
Для того чтобы разобрать форсунку необходимо установить ее в Д49.181.119спч (приспособление для установки наконечника) штуцером 15 вверх. Затем отвернуть штуцер 15, гайку 13, щелевой фильтр, регулировочный винт 11 и колпак 4 и снять форсунку с приспособления. Вынуть из нее тарелку 10, пружину 8, штангу 6, снять сопловой наконечник 1 и корпус распылителя 2 с иглой 3.
Очистка, осмотр и сборка
Очистка деталей, осмотр и сборка форсунки производится в следующей последовательности:
а) удалить нагар с колпака и соплового наконечника, приспособлением 40Д.181.32спч (патрончик с проволочкой) и прочистить распыливающие отверстия в сопловом наконечнике;
б) промыть распылитель и сопловой наконечник в чистом бензине, а затем в чистом дизельном топливе. Все остальные детали форсунки промыть в топливе, применяемом на дизеле, осмотреть и устранить неисправности. Детали бракуются, если имеют трещины любого размера и расположения;
в) форсунку собирать с тем комплектом деталей, которые стояли до разборки. Торцовые поверхности корпуса форсунки, корпуса распылителя и соплового наконечника при необходимости притереть на плите с помощью доводочной пасты. Притертые поверхности должны иметь шероховатость не более Ra = 0.04 мкм.
Установить на корпус форсунки резиновое кольцо 5, распылитель, сопловой наконечник и завернуть колпак 4 рукой до выхода лыски соплового наконечника из колпака, при этом лыска соплового наконечника должна располагаться перпендикулярно большой оси фланца корпуса форсунки и находиться слева, если смотреть на форсунку со стороны маркировки при положении щелевого фильтра сверху;
г) установить форсунку в приспособление Д49.181.119спч (приспособление для установки наконечника).
Лыску соплового наконечника расположить против плоскости подвижного сухаря и в таком положении зафиксировать сопловой наконечник распылителя поворотом эксцентрика.
Завернуть предварительно колпак ключом длиной не более 200 мм или моментом 70 Н.м 10 Н.м (7 кгс.м 1 кгс.м) до полного прилегания всех торцов, затем довернуть колпак на пять – шесть делений относительно отметки на корпусе форсунки (рисунок 2.4);
1 – ключ; 2 – форсунка; 3 – приспособление Д49.181.119спч
Рисунок 2.4 - Затяжка колпака форсунки в приспособлении
д) смазать маслом головку щелевого фильтра. Установить щелевой фильтр и закрепить его моментом 230 Н·м + 20 Н·м (23 кгс·м + 2 кгс·м);
е) установить на место штангу 6 (рисунок 2.3), пружину 8, тарелку 10 и завернуть регулировочный винт 11;
ж) убедиться в правильности установки соплового наконечника. Лыска соплового наконечника должна быть перпендикулярна плоскости, проходящей по большой оси фланца корпуса форсунки, и находиться слева, если смотреть на форсунку со стороны маркировки при положении щелевого фильтра сверху.
Регулирование
Регулирование проводится путем установки форсунки в приспособление 30Д.181.61спч-01 (приспособление для проверки форсунок). Отрегулировать винтом 11 затяжку пружины на давление начала впрыскивания 31,4 МПа + 0,98 МПа (320 кгс/см2 + 10 кгс/см2) и завернуть гайку. Далее следует проверить качество распыливания топлива.
Соединить трубкой Д49.181.58спч (трубка для опрессовки полости) штуцер 15 с нажимным штуцером приспособления и создать давление 0,5 МПа (5,0 кгс/см2). Течь топлива между гайками и корпусом, корпусом и колпаком, сопловым наконечником и колпаком не допускается. Сопловой наконечник распылителя закрыть колпачком.
Установка на дизель
Снять колпачок закрытия соплового наконечника, проверить состояние уплотнительного кольца 9 и установить форсунку в крышку. Гайки крепления форсунки закрепить моментом 100 Н.м 20 Н.м (10 кгс.м 2 кгс.м).
Снять заглушки со щелевого фильтра и со штуцера отвода топлива и подсоединить к ним топливопровод высокого давления и трубы отвода просочившегося топлива.
Диагностика форсунок
Под системой технического диагностирования понимается совокупность средств технического диагностирования и, при необходимости, исполнителей, состояние и прогнозирование ресурса безотказной работы объекта и выдача рекомендаций для устранения неисправностей.
По связи с объектом контроля системы диагностирования разделяются на следующие:
а) встроенные, в которых средства диагностирования постоянно связаны с объектом контроля;
б) приставные, когда средства контроля периодически подключаются к объекту;
в) специальные, которые не имеют непосредственной связи с объектом.
В зависимости от того, как подается управляющее воздействие на объект контроля, система диагностирования разделяется на:
а) функциональные, в которых состояние объекта контролируется в рабочем режиме. При этом никакие воздействия на объект со стороны средств диагностирования не подаются. Эти системы решают как задачи проверки, так и задачи поиска неисправностей;
б) тестовые, в которых состояние объекта проверяется тогда, когда объект не функционирует. Этот вид диагностирования предусматривает подачу тестовых воздействий на объект от средств диагностирования.
По назначению различают системы диагностирования для:
- проверки неисправности;
- проверки работоспособности;
- проверки функционирования;
- поиска дефектов.
Функциональное или тестовое воздействие, подаваемое на объект, а так же совокупность признаков или параметров, образующих ответную реакцию объекта, составляют одну элементарную проверку состояния объекта диагностирования. Состав и порядок проведения таких элементарных проверок и правила анализа их результатов определяются алгоритмом технического диагностирования.
Поскольку в условиях эксплуатации получить большое количество информации крайне затруднительно, то основной задачей технической диагностики является распознавание состояния технической системы в условиях ограниченной информации.
2.4 Втулка цилиндра
Втулка цилиндра предназначена для образования совместно с крышкой цилиндра и поршнем, камеры сгорания рабочей смеси (рисунок 2.5).
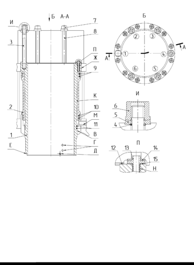
Втулка цилиндра крепится к крышке цилиндра шпильками. Стык между крышкой и втулкой цилиндра уплотнен стальной омедненной прокладкой 12. В блоке втулка фиксируется верхним опорным поясом Ж и нижним опорным поясом В. На втулку цилиндра 1 напрессована стальная рубашка 2. Между втулкой и рубашкой образована полость К для прохода охлаждающей жидкости. Полость уплотнена резиновыми кольцами 9, 10 и 11.
В отверстия верхнего торца втулки цилиндров запрессованы втулки 13.
Бурты втулок уплотнены снизу прокладками 15, а сверху резиновыми прокладками 14.
Охлаждающая жидкость по отверстию М в блоке цилиндров поступает в полость К и через втулки 13 перетекает в крышку цилиндра.
В нижней части втулки имеются два отверстия Г для крепления приспособления, удерживающего поршень во втулке цилиндра при подъеме и опускании цилиндрового комплекта. Отверстие Д в нижнем бурте втулки предназначено для установки монтажного болта, который удерживает рубашку, в случае сползания ее со втулки при транспортировании.
На нижнем бурте втулки имеется скос Е. При установке втулки в блок скос Е должен находиться со стороны впуска. Шпилька 3, установленная над скосом Е, имеет центровочный бурт, колпачковую гайку 6 и резиновое кольцо 4 для уплотнения шпильки в крышке цилиндра.
Съемка, разборка узла
Крышка цилиндра, втулка цилиндра, поршень с шатуном устанавливаются на дизель и снимаются с дизеля комплектно (в сборе), поэтому в практике эксплуатации и обслуживания дизелей утверждается термин «комплект».
Выемка комплекта с прицепным шатуном
Выемку из дизеля комплекта с прицепным шатуном производится в следующей последовательности:
а) слить охлаждающую жидкость и топливо из дизеля;
б) разобрать и снять трубопроводы, препятствующие выемке снимаемого комплекта;
в) открепить и снять индикаторный кран, форсунку и топливный насос;
г) открепить и снять крышку;
д) снять штанги;
е) открепить патрубок от лотка, закрытие от крышки цилиндра, снять рычаги и закрытие совместно с патрубками;
ж) открепить выпускной коллектор у снимаемого комплекта, у соседних комплектов ослабить затяжку болтов, крепящих выпускной коллектор.
Примечание – Цифры, написанные в кружках, приведены для указания порядка затяжки гаек
1 – втулка цилиндра; 2 – рубашка; 3, 8 – шпильки; 4 – кольцо резиновое; 5 – шайба;
6, 7 – гайки; 9,10, 11 – кольца уплотнительные; 12, 14, 15 – прокладки;
13 – втулка перетока охлаждающей жидкости в крышку; В – пояс опорный нижний;
Г – отверстия для крепления приспособления; Д – отверстие для монтажного болта;
Е – скос; Ж – пояс опорный верхний; К – полость;
М – отверстие в блоке цилиндров для подвода охлаждающей жидкости; Н - поверхность.
Рисунок 2.5- Втулка цилиндра
Разборка комплекта
Разборку комплекта производить в следующей последовательности:
а) вывернуть монтажный болт из нижнего пояса втулки цилиндра, снять приспособление, удерживающее поршень с шатуном во втулке цилиндра и вынуть поршень с шатуном из втулки цилиндра;
б) щипцами снять кольца, стопорящие поршневой палец в поршне, вынуть поршневой палец и отделить шатун от поршня;
в) у вынутого из дизеля цилиндрового комплекта с главным шатуном, снять палец прицепного шатуна;
г) ключом отвернуть гайки крепления втулки к крышке и отделить втулку от крышки. Снять прокладку уплотнения газового стыка.
Возможные неисправности и их устранение
Втулки цилиндров заменяются, если имеют диаметр в районе остановки первого компрессионного кольца более 260,4 мм и на остальной части более 260,2 мм, трещины, подплавление металла на рабочей поверхности, задиры и глубокие риски по всей длине хода поршня, коррозионно-кавитационные повреждения глубиной более 6 мм на наружной поверхности, риски шириной более 1,5 мм и глубиной более 0,5 мм на зеркале. Пятна коррозии, отдельные риски глубиной до 0,5 мм на втулках зачищаются и заполировываются, не выводя их на всю глубину.
Дефект – трещина
Метод цветной дефектоскопии основан на проникновении смачивающей жидкости в поверхностные трещины и поры под воздействием капилярных сил. Сила проникновения жидкостей в отверстия и щели зависят от диаметра отверстия или расстояния между стенками щели. Чем меньше эти размеры, тем лучше проникает в них жидкость.
Дефект - износ рабочей поверхности гильзы цилиндра
Износ гильзы, является следствием попадания в цилиндры пыли и песка через засоренные фильтры, применения не соответствующих для данного дизеля масла и топлива, некачественных поршневых колец и нарушения температурного и нагрузочного режимов работы дизеля. Особенно вредно быстрое нагружение слабо прогретого дизеля.
Находим величину износа гильзы. За действительный износ гильзы цилиндра принимаем разность между наибольшим диаметре в одном из поясов и ее номинальном диаметре. Диаметр гильзы измеряется индикаторным нутрометром в двух плоскостях и поясах по высоте.
Технологический процесс плазменного напыления.
Восстановление цилиндровой втулки дизеля плазменным напылением предназначено для упрочнения, восстановления рабочей поверхности гильзы.
Внедренный технологический процесс предназначен для восстановления размеров посадочных поверхностей деталей, испытывающих контактные нагрузки, для возможности дальнейшей их эксплуатации.
Технология восстановления и упрочнения рабочей поверхности цилиндровой втулки.
Нанесение покрытий производится на стандартном оборудовании – установке плазменного напыления УПУ – 3Д, в комплект которой входит плазматрон, порошковый питатель, шкаф и пульт управления.
Подготовка поверхности заключается в следующем: очистка поверхности, удаление слоя поврежденного металла точением или грубой шлифовкой; создание шероховатости путем обработки поверхности кварцевым песком, корундом, карбидом кремния или металлической крошкой марки ДЧК №1,0 или №1,5. Сжатый воздух, используемый для обработки, должен быть очищен от влаги и масла. Перерыв между обработкой и напылением не превышает двух часов. При нанесении покрытий толщиной свыше 1,0 мм возможно использовать нарезание «рваной» резьбы с параметрами: шаг-0,2-0,3 мм, глубина-0,20-0,35 мм. Поверхность, не подлежащая напылению должна быть защищена специальным экраном из медного листа или защитной пастой.
Перед нанесением металла поверхность следует обезжирить растворителем. Напыляемую поверхность подогревают до температуры 150-180 градусов плазменной струей без подачи порошка для удаления адсорбированной влаги. Включают подачу порошка и напыляют слой толщиной 0,1-0,15 мм и затем - основной слой. В качестве металла используют порошки, обладающие износостойкостью, коррозионной стойкостью и жаропрочностью. К ним относятся ПН85Ю15, ПН70Ю30, ПР-Н80Х13С2Р и др.















