основной текст (1235302), страница 9
Текст из файла (страница 9)
Съемка и установка цилиндровых крышек и цилиндровых комплектов с дизеля осуществляются при помощи специальных приспособлений. Для предотвращения сползания рубашки со втулки цилиндра при транспортировке цилиндрового комплекта к месту ремонта вкручивают монтажный болт в резьбовое отверстие на нижнем бурте втулки. Разборку и сборку цилиндровых комплектов производят на стендах с кантователем.
Подъем дизель-генератора, выемка охладителя наддувочного воздуха производится чалочными приспособлениями, демонтаж привода распределительного вала, антивибратора и других узлов – при помощи рым-болтов и других приспособлений, разработанных заводом-изготовителем.
Выемка и постановка дизель-генератора и других крупных агрегатов производится в присутствии мастера.
По окончании ремонтных работ на тепловозе убирается грязная ветошь и другие отходы производства, а поверхности дизеля, других агрегатов и кузова обтирается.
Запрещается вскрывать и устранять неисправности электрических приборов и аппаратов, находящихся под напряжением. Для смены предохранителей, в электрических цепях которых нет автоматических выключателей, использовать предназначенные для этих целей специальные рукоятки. Установку и присоединение проводников к зажимам автоматических выключателей, электрических аппаратов и машин, их осмотр, а также замену вышедших из строя предохранителей производят при обесточенных электрических цепях. Предохранители используют только с калиброванными вставками и патронами, окрашенными в установленные цвета.
Запрещается производить устранение неисправностей топливной, масляной систем, гидросистемы при работающем дизеле. Указанные работы необходимо производить с использованием перчаток и защитных очков.
При выполнении каких-либо работ с фрикционной муфтой локомотивная бригада перекрывает воздухопровод ее привода.
Локомотивной бригаде запрещается подниматься на крышу локомотива на электрифицированных участках пути, не предназначенных для осмотра и технического обслуживания крышевого оборудования МВПС.
При наружном осмотре секций холодильника локомотивная бригада убеждается, что привод жалюзи секций холодильника поставлен на защелку. Запрещается открывать монтажные люки шахты холодильника при работающем вентиляторе.
Не допускать попадания смазочных материалов, топлива и воды на пол машинного помещения.
При экипировке локомотивов запрещается: производить заправку топливных баков при работающих дизелях; перелезать через ограждения экипировочных позиций; применять в качестве средств подмащивания ящики, бочки и другие случайные предметы; по окончании экипировки топливом и смазочными материалами оставлять заправочный шланг; производить экипировку топливом и смазочными материалами во время грозы; оставлять открытыми люки резервуаров, сливные колодцы и лотки; сливать отработанное масло, топливо, а также воду на путь и в смотровые канавы; хранить обтирочные материалы вместе с маслом и топливом; использовать искрообразующий инструмент; курить и применять открытый огонь в местах подачи нефтепродуктов.
Требования безопасности в аварийных ситуациях
При эксплуатации локомотива возможны следующие аварийные ситуации:
- возгорание, приводящее к пожару или взрыву;
- сход с рельс;
- обрыв контактного провода;
- повреждение оборудования при коротких замыканиях в электрических цепях.
При возникновении в пути следования аварийной ситуации, угрожающей безопасности движения поездов или безопасности людей, работающих на путях и подвижном составе, машинист принимает меры к экстренной остановке, сообщает о случившемся дежурному ближайшей станции, поездному диспетчеру и определяет с ними порядок дальнейших действий.
Если произошел несчастный случай, немедленно принимаются меры по устранению воздействия на пострадавшего травмирующего фактора с соблюдением мер личной безопасности, сообщается о случившемся своему руководителю, оказывается первая помощь.
В пути следования запрещается соединять межвагонные высоковольтные соединения в случае их разрыва.
Во всех случаях поражения электрическим током, получения механических травм, ожогов, отравлений, обморожений, солнечных и тепловых ударов пострадавший срочно доставляется в ближайшее лечебно-профилактическое учреждение.
При обнаружении очага возгорания машинист оценивает сложившуюся ситуацию, принимает меры к остановке и закреплению поезда на участке по возможности горизонтальном и благоприятном для подъезда пожарного транспорта, далее действует в соответствии с требованиями отраслевых нормативных документов в области пожарной безопасности на подвижном составе. Запрещается останавливать поезд на искусственных сооружениях и под ними, а также в других местах, препятствующих эвакуации пассажиров и организации тушения пожара.
В соответствии с требованиями приказа Министерства здравоохранения и социального развития Российской Федерации от 04.05.2012 г. № 477н «Об утверждении перечня состояний, при которых оказывается первая помощь, и перечня мероприятий по оказанию первой помощи» первая помощь оказывается пострадавшему при наличии у него следующих состояний: отсутствие сознания; остановка дыхания и кровообращения; наружные кровотечения; инородные тела верхних дыхательных путей; травмы различных областей тела; ожоги, эффекты воздействия высоких температур, теплового излучения; обморожение и другие эффекты воздействия низких температур; отравления.
Мероприятия по оценке обстановки и обеспечению безопасных условий для оказания первой помощи: определение угрожающих факторов для собственной жизни и здоровья, для жизни и здоровья пострадавшего (есть ли загазованность, угроза взрыва, возгорания, обрушения здания, поражения электрическим током, движущимися механизмами и пр.); устранение угрожающих факторов для жизни и здоровья (при условии обеспечения собственной безопасности); прекращение действия повреждающих факторов на пострадавшего; оценка количества пострадавших; извлечение пострадавшего из транспортного средства или других труднодоступных мест; перемещение пострадавшего (осуществляется только в тех случаях, если оказание помощи на месте происшествия невозможно). После осуществления вышеуказанных мероприятий немедленно вызывают скорую медицинскую помощь или другую специальную службу, сотрудники которой оказывают первую помощь в соответствии с федеральным законом или со специальным правилом.
Мероприятия по определению признаков жизни и восстановлению проходимости дыхательных путей у пострадавшего: определить наличие сознания у пострадавшего (отвечает на вопросы или нет); запрокинуть голову пострадавшего с подъемом подбородка; выдвинуть нижнюю челюсть (открыть пострадавшему рот); определить наличие дыхания с помощью слуха, зрения и осязания; определить наличие кровообращения путем проверки пульса на магистральных артериях. При оценке состояния пострадавшего обращают внимание на состояние видимых кожных покровов и слизистых (покраснение, бледность, синюшность, желтушность, наличие ран, ожоговых пузырей и др.), а также на позу (естественная или неестественная).
Требования безопасности после окончания работы
После окончания работы тепловоз, прибывший в депо, необходимо затормозить ручным тормозом, остановить дизель-генератор, обесточить все электрические цепи, выключить рубильник аккумуляторной батареи, запереть тепловоз и сдать ключи в установленном порядке.
Вывод: при соблюдении правил охраны труда и техники безопасности локомотивными бригадами при обслуживании дизелей тепловоза снизится производственный травматизм, а производительность труда повысится.
Расчет величины тока, проходящего через тело человека, при различных сопротивлениях изоляции
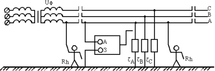
Расчет величины тока, проходящего через тело человека, производится следующим образом. Схема измерения сопротивления изоляции сети изображена на рисунке 3.1.
Рисунок 3.1 - Схема измерения сопротивления изоляции сети мегаомметром
Рассчитать величину тока, проходящего через тело человека при однополюсном прикосновении к сети
Исходные данные:
- напряжение Uф = 220 В;
- сопротивление фазы “А” rА = 5 кОм;
- сопротивление фазы “В” rВ = 80 кОм;
- сопротивление фазы “С” rс = 100 кОм;
- сопротивление тела человека Rh = 1 кОм.
Оценить опасность прикосновения человека к сети, если отпускающее значение тока Ih = 6 мА.
Величину тока Ih А, определяем по формуле
Полученное значение тока I h = 5 мА < 6 мА является ощутимым.
4 ЭКОНОМИЧЕСКАЯ ЭФФЕКТИВНОСТЬ ВНЕДРЕНИЯ РАЦИОНАЛЬНОЙ ОРГАНИЗАЦИИ РАБОТ С ЦЕЛЬЮ СОКРАЩЕНИЯ ОТКАЗОВ ЦИЛИНДРО-ПОРШНЕВОЙ ГРУППЫ
Анализ эффективности мероприятий производится по большому кругу показателей: стоимостных, натуральных, эксплуатационных и технических. При анализе экономической эффективности капитальных вложений в мероприятия следует помнить, что они дают эффект не сразу, а спустя некоторое время, включающее срок осуществления мероприятия, время основания мероприятий, время основания проектной мощности объекта и достижения расчетных показателей себестоимости, производительности труда и т.д.
Важным требованием к расчету экономической эффективности применяемых решений является сопоставимость сравниваемых вариантов по качественным параметрам техники, фактору времени, по социальным факторам производства, включая влияние на окружающую среду.
При этом необходимо применять одинаковый расчетный срок и выполнять расчеты с одинаковой точностью, а также проводить расчеты на равный объем в год, либо на единицу продукции.
Эффективность есть отношение эффекта технического, эксплуатационного или экономического к затратам, обслуживающим его получение. Существует два типа эффективности технико-эксплуатационная и обобщающая экономическая (абсолютная, относительная, сравнительная).
Технико-эксплуатационная эффективность характеризуется отношением технического и эксплуатационного эффекта в виде улучшения технического параметра или количественного показателя к трудовым или стоимостным затратам.
Далее произведем расчет экономического эффекта от внедрения оборудования.
Себестоимость продукции является одним из важных показателей работы предприятия железнодорожного транспорта. Себестоимость выпускаемой продукции показывает, во что обходится ее производство и реализация данному предприятию. Управление затратами требует не только целенаправленного планирования и регулирования затрат на основе применения, а так же дифференцированных технически и экономически обоснованных норм расходов, но и анализа, контроля их выполнения, а также постоянного обновления нормативной базы расчета затрат. Эксплуатационные расходы железных дорог состоят из следующих элементов затрат: затраты на оплату труда, отчисления на социальные нужды, расходы на материалы и прочие материальные затраты, топливо, энергию, амортизацию основных фондов отчисления в ремонтный фонд, прочие затраты. Группировка расходов по элементам затрат осуществляется как при составлении плана, так и при учете фактических затрат.
Рассмотрим самую значительную из статей затрат-материальные затраты. Их доля в общих затратах составляет 60-90% и поэтому на них необходимо обратить особое внимание.
В затратах на «Материалы» учитывают стоимость покупных материалов, используемых а процессе производства продукции (работ, услуг), на содержание и ремонт оборудования, постоянных устройств, оборудования, зданий и сооружений, а также стоимость запасных частей для ремонта оборудования и других машин, износ спецодежды и малоценных предметов и др.
На предприятии давно решается вопрос о приобретении и установки заточного станка для обработки зенковок. Наиболее подходящим является универсальный станок, для всех видов работ MF2719.
Станок применяется для заточки плоских и профильных ножей, фрез по передней поверхности, дисковых пил с напайками из твердого сплава, концевых фрез и сверел.















