Архитектурно-строительный раздел (1232455), страница 7
Текст из файла (страница 7)
Минераловатные плиты выпускаются толщиной от 50 мм до 200 мм с шагом 10 мм. Толщина утепления назначается исходя из возможности применения выпускаемых плит, таким образом, чтобы толщина была не менее требуемой, и при этом использовалось наименьшее количество слоев. Принимаем толщину слоя утеплителя 100 мм.
Рассчитываем фактическое значение приведенного сопротивления теплопередаче полов первого этажа:
(м2·°С)/Вт
– требование удовлетворяется.
1.2.3.3 Теплотехнический расчет покрытия здания
Покрытия здания выполнен из трехслойных сэндвич-панелей толщиной 0,15м. При реконструкции необходимо привести расчет на сопротивление теплопередаче наружных ограждающих конструкций в соответствие с современными требованиями по теплозащите. Производится определение необходимой толщины утеплителя. Условие расчета выполняется по формуле (1.5).
Нормируемое значение сопротивления теплопередаче кровельных сэндвич-панелей определяем по формуле (1.7):
(м2·°С)/Вт,
где a = 0,00025; b = 1,5 [2, табл. 3].
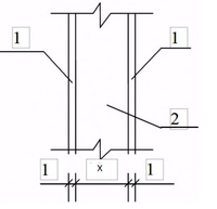
Ограждающая конструкция в проекте состоит из следующих слоев:
-
R1=δ/λ термическое сопротивление первого слоя ограждающей конструкции: оцинкованный лист, δ=0,001 м толщина слоя, λ=58 Вт/(м ×°С) коэффициент теплопроводности.
-
R2=x/λ термическое сопротивление второго слоя ограждающей конструкции: утеплителя изоруф, δ=х м толщина слоя, λ=0,043 Вт/(м ×°С) коэффициент теплопроводности.
-
R3=δ/λ термическое сопротивление третьего слоя ограждающей конструкции: оцинкованный лист, δ=0,001 м толщина слоя, λ=58 Вт/(м ×°С) коэффициент теплопроводности.
Рисунок 1.35 Фрагмент кровельной панели: 1-оцинкованный лист; 2-утеплитель; 3- оцинкованный лист
Подбор необходимой толщины слоя утеплителя по формуле (1.11):
,
Для конструкции кровли из трёхслойных сэндвич-панелей
.
,
где αв = 8,7 Вт/(м2
° С) [2, табл. 4]; αн = 23 Вт/(м2
° С) [2, табл. 6].
м.
Плиты изоруфа выпускаются толщиной от 20 мм до 150 мм (20, 30, 40, 50, 60, 70, 80, 90, 100, 120, 150 мм). Толщина утепления назначается исходя из возможности применения выпускаемых плит, таким образом, чтобы толщина была не менее требуемой, и при этом использовалось наименьшее количество слоев. Принимаем толщину слоя утеплителя 150 мм.
Рассчитываем фактическое значение приведенного сопротивления теплопередаче кровли:
(м2·°С)/Вт
– требование удовлетворяется.
ДП 270102.65.01.02.ПЗ-107
Лист
Дата
Подп.
№ док.
Лист
Кол.уч.
Изм.
Взам. инв. №
Подп. и дата
Инв. № подл.
Подп. и дата
Инв. № подл.
Взам. инв. №
















