расчетно-конструктивный (1232465)
Текст из файла
2. Расчетно-конструктивный раздел
2.1 Назначение размеров поперечной рамы
Полная высота четвертого этажа от отметки пола до нижнего пояса фермы по проекту 6,84 метра. Устанавливаем величину верхней и нижней частей колонны:
Нв = 1360 мм и Нн = 3420 мм в соответствии [12].
Принимаем высоту колонн:
| Н= Нв+ Нн =4780 мм. | (2.1) |
| Нr =Нн+hпб+hкр=3420+1000+120=4540мм, | (2.2) |
2.1.1 Размеры рамы по горизонтали
Привязку примем
В качестве стержня колонны предварительно примем двутавр широкополочный 20Ш1 с высотой сечения h =300 мм> 1/25H, (1/25) 4780 = 192 мм.
| L1 = B1 +(h-a) +75 мм = 230 +192 - 250 + 75 = 496 мм, | (2.3) |
Принимаем L1 = 500 мм:
| Lcr = L - 2L1 = 6000 - 2 · 500 = 5000 мм. | (2.4) |
2.2 Статический расчет мостового крана
2.2.1 Расчетная схема
Конструктивную схему рамы необходимо привести к расчетной. Для этого определим дополнительные геометрические характеристики:
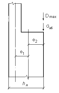
Эксцентриситет смещения осей верхней и нижней частей колонны:
эксцентриситет приложения крановой нагрузки (оси подкрановой балки и подкрановой ветви колонны совпадают):
Рисунок 2.2 Схема к определению эксцентриситетов
2.2.2 Сбор нагрузок на поперечную раму
2.2.2.1 Постоянные нагрузки
Собственный вес колонны определяется по формуле:
где вес колонны, приходящийся на 1 м2 прилежащей площади qk=0,65 кПа[13, табл.1],
2.2.2.2 Нагрузки от мостового крана
При расчете рам вертикальная составляющая крановой нагрузки считается квазистатической.
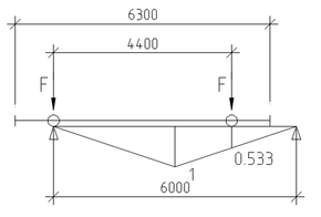
1.Вертикальное давление крана: крановая нагрузка 15 т; грузоподъемность крана Q = 150 Кн; расстояние между упорами крана B = 6300 мм; расстояние между внутренними колесами крана вдоль подкрановой балки Acr = 4,4 м; максимальная нагрузка от одного колеса крана Fmax = 155 Кн; собственный вес тележки mт = 70 Кн; собственный вес крана с тележкой mk = 220 Кн; количество колес на одной стороне крана
= 2.
Максимальное давление крана и величина Fmax соответствуют ситуации, когда тележка крана максимально приближена к подкрановой балке, и при этом поднимается максимальный груз.
Рисунок 2.3 Размещение кранов грузоподъемностью 15 т в пределах подкрановых балок
где
Максимальное давление вычисляется по формуле:
где = 0,85 – коэффициент сочетаний для нагрузок от двух кранов режимов работы 1К-6К; f = 1,1 – коэффициент надежности по нагрузке для крановых нагрузок; yi = 1,533 – сумма ординат линий влияния.
Давление на противоположной стороне моста крана:
Силы Dmax и Dmin действуют с эксцентриситетом e=hн/2=0,75 м относительно центра тяжести сечения колонны и создают изгибающие моменты:
| Мmax= Dmах·е = 222,17·0,75 = 166,63 кНм; | (2.11) |
| Мmin= Dmin·е = 43·0,75 = 32,25 кНм. | (2.12) |
где = 0,05 – коэффициент перехода от вертикальных нагрузок к горизонтальным для тележки с гибким подвесом груза (на тросах).
Тормозная нагрузка вычисляется по формуле:
| T= * f*Tmax *yi = 0,85·1,1·5,5·1,533=7,88 кН. | (2.14) |
Тормозная нагрузка на правую колонну прикладывается в противоположную сторону относительно тормозной нагрузки на левую колонну.
2.2.3 Составление расчетных сочетаний усилий в колонне
Расчет на отдельные нагрузки производится в программе Structure CAD 7.31 по комплексу программ SCAD Group, расчетные сочетания усилий в колонне представлены в таблице 2.1.
Таблица 2.1 Расчетные сочетания усилий в колонне
| Расчетные сочетания усилий, т, м | ||||||||||||
| Номер эл-та | УНГ | Номер сечен. | КРТ | CT | КС | Тип | Усилия и напряжения | Номера загружений | ||||
| N | My | Qz | Mz | Qy | ||||||||
| 1 | 1 | 2 | 1 | A | 23,128693 | 19,19917 | 0,11 | 0, | 0, | 5 | ||
| 2 | 2 | К | B | 25,11233 | 22,26123 | 0,295 | 0, | 0, | 1 2 5 | |||
| 1 | 2 | 2 | 1 | A | 20,128693 | 17,19162 | 0,11 | 0, | 0, | 5 | ||
| 2 | 2 | К | B | 25,11233 | 22,26123 | 3,0692 | 0, | 0, | 1 2 5 | |||
| 1 | 3 | 2 | 1 | A | 152,05121 | 33,61245 | 3,0692 | 0, | 0, | 5 | ||
| 2 | 2 | К | B | 25,11233 | 22,26123 | 0,295 | 0, | 0, | 1 2 5 | |||
| 2 | 1 | 2 | 1 | A | -19,58693 | -17,96137 | 0,11 | 0, | 0, | 5 | ||
| 2 | 2 | К | B | -24,9633 | -21,99178 | 0,295 | 0, | 0, | 1 2 5 | |||
| 2 | 2 | 2 | 1 | A | -15,61754 | -11,96137 | 0,11 | 0, | 0, | 5 | ||
| 2 | 2 | К | B | -24,9633 | -21,95216 | 1,4121 | 0, | 0, | 1 2 5 | |||
| 2 | 3 | 2 | 1 | A | -174,01615 | -37,87102 | 1,4121 | 0, | 0, | 5 | ||
| 2 | 2 | К | B | -24,9633 | -21,99197 | 1,4121 | 0, | 0, | 1 2 5 | |||
| 3 | 1 | 2 | 1 | A | -7,417929 | 0, | 0,56914 | 0, | 0, | 5 | ||
| 3 | 2 | 2 | 1 | A | -9,563114 | -8,269197 | 0,72146 | 0, | 0, | 5 | ||
| 3 | 3 | 17 | 2 | К | B | -7,417929 | 0, | 0,98123 | 0, | 0, | 1 2 5 | |
| 4 | 1 | 1 | 1 | A | 23,128693 | 19,19917 | 0,11 | 0, | 0, | 5 | ||
| 2 | 2 | К | B | 25,11233 | 22,26123 | 0,295 | 0, | 0, | 1 2 5 | |||
| 4 | 2 | 1 | 1 | A | 20,128693 | 17,19162 | 0,11 | 0, | 0, | 5 | ||
| 2 | 2 | К | B | 25,11233 | 22,26123 | 3,0692 | 0, | 0, | 1 2 5 | |||
| 4 | 3 | 1 | 1 | A | 23,128693 | 19,19917 | 0,11 | 0, | 0, | 5 | ||
| 2 | 2 | К | B | 25,11233 | 22,26123 | 3,0692 | 0, | 0, | 1 2 5 | |||
| 5 | 1 | 1 | 1 | A | -19,58693 | -17,96137 | 0,11 | 0, | 0, | 5 | ||
| 2 | 2 | К | B | -24,9633 | -21,99178 | 0,295 | 0, | 0, | 1 2 5 | |||
| 5 | 2 | 1 | 1 | A | -15,61754 | -11,96137 | 0,11 | 0, | 0, | 5 | ||
| 2 | 2 | К | B | -24,9633 | -21,95216 | 1,4121 | 0, | 0, | 1 2 5 | |||
| 5 | 3 | 1 | 1 | A | -15,64815 | -17,96137 | 0,11 | 0, | 0, | 5 | ||
| 2 | 2 | К | B | -24,9633 | -21,99197 | 1,4121 | 0, | 0, | 1 2 5 | |||
| 6 | 1 | 2 | 1 | A | -7,417929 | 0, | 0,56914 | 0, | 0, | 5 | ||
| 6 | 2 | 2 | 1 | A | -9,563114 | -8,269197 | 0,72146 | 0, | 0, | 5 | ||
| 6 | 3 | 17 | 2 | К | B | -7,417929 | 0, | 0,98123 | 0, | 0, | 1 2 5 | |
где номер загружения: 1-крановая правая; 2-крановая левая; 3-тормозная правая; 4-тормозная левая; 5-собственный вес.
Характеристики
Тип файла документ
Документы такого типа открываются такими программами, как Microsoft Office Word на компьютерах Windows, Apple Pages на компьютерах Mac, Open Office - бесплатная альтернатива на различных платформах, в том числе Linux. Наиболее простым и современным решением будут Google документы, так как открываются онлайн без скачивания прямо в браузере на любой платформе. Существуют российские качественные аналоги, например от Яндекса.
Будьте внимательны на мобильных устройствах, так как там используются упрощённый функционал даже в официальном приложении от Microsoft, поэтому для просмотра скачивайте PDF-версию. А если нужно редактировать файл, то используйте оригинальный файл.
Файлы такого типа обычно разбиты на страницы, а текст может быть форматированным (жирный, курсив, выбор шрифта, таблицы и т.п.), а также в него можно добавлять изображения. Формат идеально подходит для рефератов, докладов и РПЗ курсовых проектов, которые необходимо распечатать. Кстати перед печатью также сохраняйте файл в PDF, так как принтер может начудить со шрифтами.
















