диплом (1231446), страница 7
Текст из файла (страница 7)
В задней стенке выполнен центральный дверной проем для прохода из одной секции тепловоза в другую.
В крыше отделения модуля охлаждения установлены жалюзи 9, через которые происходит выброс воздуха из модуля охлаждения.
3.1.1 Промышленные промывочные системы Karcher
К промышленным промывочным системам Karcher, которые могут применяться для промывки жалюзи тепловоза относятся: HDC60/12 Advanced, HDC60/12H Advanced, HDC90/12 Advanced, HDC90/12H Advanced, HDC120/12 Advanced.
Общий вид системы приведен на рисунке 3.2.
INCLUDEPICTURE "D:\\Заочник\\Диплом СИСТЕМА ОХЛАЖДЕНИЯ ТЕПЛОВОЗА ТГ16М 686844\\media\\image1.png" \* MERGEFORMATINET INCLUDEPICTURE "D:\\Заочник\\Диплом СИСТЕМА ОХЛАЖДЕНИЯ ТЕПЛОВОЗА ТГ16М 686844\\media\\image1.png" \* MERGEFORMATINET INCLUDEPICTURE "D:\\Заочник\\Диплом СИСТЕМА ОХЛАЖДЕНИЯ ТЕПЛОВОЗА ТГ16М 686844\\media\\image1.png" \* MERGEFORMATINET INCLUDEPICTURE "D:\\Заочник\\Диплом СИСТЕМА ОХЛАЖДЕНИЯ ТЕПЛОВОЗА ТГ16М 686844\\media\\image1.png" \* MERGEFORMATINET INCLUDEPICTURE "D:\\Заочник\\Диплом СИСТЕМА ОХЛАЖДЕНИЯ ТЕПЛОВОЗА ТГ16М 686844\\media\\image1.png" \* MERGEFORMATINET INCLUDEPICTURE "D:\\Заочник\\Диплом СИСТЕМА ОХЛАЖДЕНИЯ ТЕПЛОВОЗА ТГ16М 686844\\media\\image1.png" \* MERGEFORMATINET INCLUDEPICTURE "D:\\Заочник\\Диплом СИСТЕМА ОХЛАЖДЕНИЯ ТЕПЛОВОЗА ТГ16М 686844\\media\\image1.png" \* MERGEFORMATINET INCLUDEPICTURE "C:\\Documents and Settings\\Admin\\Рабочий стол\\media\\image1.png" \* MERGEFORMATINET INCLUDEPICTURE "C:\\Documents and Settings\\Admin\\Рабочий стол\\media\\image1.png" \* MERGEFORMATINET INCLUDEPICTURE "C:\\Documents and Settings\\Admin\\Рабочий стол\\media\\image1.png" \* MERGEFORMATINET INCLUDEPICTURE "C:\\Users\\1\\media\\image1.png" \* MERGEFORMATINET
Рисунок 3.2 - Общий вид системы промывки Karcher HDC Advanced
Данная система под высоким давлением подает воду к подсоединенным устройствам чистки. Система стационарно монтируется в сухом помещении. На месте эксплуатации установки температура воздуха не должна превышать 40 °С. Распределение воды под высоким давлением осуществляется через стационарно смонтированную сеть трубопроводов.
В качестве среды высокого давления можно использовать только чистую воду. Загрязнения приводят к преждевременному износу устройства или отложению в нем осадка.
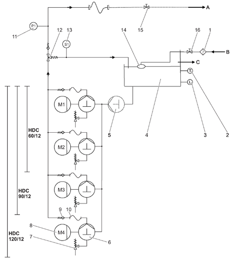
Схема системы приведена на рисунке 3.3.
INCLUDEPICTURE "D:\\Заочник\\Диплом СИСТЕМА ОХЛАЖДЕНИЯ ТЕПЛОВОЗА ТГ16М 686844\\media\\image2.png" \* MERGEFORMATINET INCLUDEPICTURE "D:\\Заочник\\Диплом СИСТЕМА ОХЛАЖДЕНИЯ ТЕПЛОВОЗА ТГ16М 686844\\media\\image2.png" \* MERGEFORMATINET INCLUDEPICTURE "D:\\Заочник\\Диплом СИСТЕМА ОХЛАЖДЕНИЯ ТЕПЛОВОЗА ТГ16М 686844\\media\\image2.png" \* MERGEFORMATINET INCLUDEPICTURE "D:\\Заочник\\Диплом СИСТЕМА ОХЛАЖДЕНИЯ ТЕПЛОВОЗА ТГ16М 686844\\media\\image2.png" \* MERGEFORMATINET INCLUDEPICTURE "D:\\Заочник\\Диплом СИСТЕМА ОХЛАЖДЕНИЯ ТЕПЛОВОЗА ТГ16М 686844\\media\\image2.png" \* MERGEFORMATINET INCLUDEPICTURE "D:\\Заочник\\Диплом СИСТЕМА ОХЛАЖДЕНИЯ ТЕПЛОВОЗА ТГ16М 686844\\media\\image2.png" \* MERGEFORMATINET INCLUDEPICTURE "D:\\Заочник\\Диплом СИСТЕМА ОХЛАЖДЕНИЯ ТЕПЛОВОЗА ТГ16М 686844\\media\\image2.png" \* MERGEFORMATINET INCLUDEPICTURE "C:\\Documents and Settings\\Admin\\Рабочий стол\\media\\image2.png" \* MERGEFORMATINET INCLUDEPICTURE "C:\\Documents and Settings\\Admin\\Рабочий стол\\media\\image2.png" \* MERGEFORMATINET INCLUDEPICTURE "C:\\Documents and Settings\\Admin\\Рабочий стол\\media\\image2.png" \* MERGEFORMATINET INCLUDEPICTURE "C:\\Users\\1\\media\\image2.png" \* MERGEFORMATINET
1 - грязеуловитель (на установке); 2 - датчик температуры; 3 - система предохранения от давления; 4 - поплавковая камера; 5 - насос предварительного давления; 6 - насос; 7 - предохранительный клапан; 8 - электромотор давления; 9 - обратный клапан; 10 - шланг высокого давления; 11 - датчик давления для высокого; 12 - перепускной клапан; 13 - расходомер; 14 - поплавковый клапан; 15 - запорный клапан (на установке);16 - запорный клапан (на установке); А - трубопровод/выход высокого давления; В - подача воды; С – переполнение.
Рисунок 3.3 – Схема системы
Принцип действия системы.
Подача воды.
Вода выходит из бака с поплавком к всасывающей стороне насоса. С помощью поплавкового клапана в баке с поплавком поддерживается постоянный уровень воды. При отказе поплавкового клапана вода выливается через перепускное отверстие. При нарушении водоснабжения выдается сообщение об ошибке системы управления предохранения от отсутствия воды.
Насосы.
Электромотор приводит в действие насос, который подает воду под высоким давлением со стороны нагнетания.
Сторона высокого давления.
Вода под высоким давлением попадает через перепускной клапан и датчик давления к выходу высокого давления и далее поступает в сеть высокого давления потребителя.
Регулирование давления.
Оставшаяся вода возвращается от перепускного клапана к баку с поплавком. Если все потребители отключены, можно полностью переключить перепускной клапан на обратный поток к баку с поплавком. Если давление на выходе, не смотря на использование перепускного клапана, превышает максимальное рабочее давление, то открываются предохранительные клапаны.
Блок управления.
При помощи кнопки деблокировки устройство приводится в готовность к эксплуатации. При понижении давления в системе путем открытия ручного пистолета-распылителя в установленной точке переключения, насосы высокого давления включаются.
Первый насос включается через частотный преобразователь, другие насосы работают прямо от электросети.
Если выключить расходомер на перепускном клапане при работающем насосе высокого давления после закрытия всех ручных пистолетов-распылителей, насосы снова выключаются после задержки, значение которой регулируется.
Если установка готова к работе, а насосы высокого давления не работают то срабатывает таймер который по истечении установленного времени приводит готовность установки к работе в исходное положение.
Защитные приспособления служат для защиты пользователя и не должны выводиться из строя или работать в обход своих функций.
Система предохранения от отсутствия воды, бак с поплавком.
Система предохранения от отсутствия воды предотвращает включение насосов высокого давления при недостатке воды.
Датчик температуры.
Датчик температуры отключает аппарат при достижении слишком высокой температуры воды.
Защитный обмоточный контакт.
Защитный обмоточный контакт в обмотке мотора привода насоса отключает мотор при термической перегрузке.
Предохранительный клапан.
Предохранительный клапан открывается в случае неисправности перепускного клапана.
Предохранительный клапан настроен и опломбирован на заводе. Настройка осуществляется только сервисной службой.
Перепускной клапан с расходомером.
Если закрыть все ручные пистолеты-распылители, откроется перепускной клапан, и вода будет возвращаться в поплавковую камеру. Расходомер отключает насосы высокого давления по истечении выставленного времени задержки.
Вода перетекает назад в бак с поплавком через перепускной клапан.
Датчик высокого давления.
При повторном открытии ручного пистолета-распылителя насосы высокого давления снова прогоняют жидкость через датчик высокого давления.
Конструкция системы приведена на рисунке 3.4.
18
17
1
2
3
INCLUDEPICTURE "D:\\Заочник\\Диплом СИСТЕМА ОХЛАЖДЕНИЯ ТЕПЛОВОЗА ТГ16М 686844\\media\\image4.png" \* MERGEFORMATINET INCLUDEPICTURE "D:\\Заочник\\Диплом СИСТЕМА ОХЛАЖДЕНИЯ ТЕПЛОВОЗА ТГ16М 686844\\media\\image4.png" \* MERGEFORMATINET INCLUDEPICTURE "D:\\Заочник\\Диплом СИСТЕМА ОХЛАЖДЕНИЯ ТЕПЛОВОЗА ТГ16М 686844\\media\\image4.png" \* MERGEFORMATINET INCLUDEPICTURE "D:\\Заочник\\Диплом СИСТЕМА ОХЛАЖДЕНИЯ ТЕПЛОВОЗА ТГ16М 686844\\media\\image4.png" \* MERGEFORMATINET INCLUDEPICTURE "D:\\Заочник\\Диплом СИСТЕМА ОХЛАЖДЕНИЯ ТЕПЛОВОЗА ТГ16М 686844\\media\\image4.png" \* MERGEFORMATINET INCLUDEPICTURE "D:\\Заочник\\Диплом СИСТЕМА ОХЛАЖДЕНИЯ ТЕПЛОВОЗА ТГ16М 686844\\media\\image4.png" \* MERGEFORMATINET INCLUDEPICTURE "D:\\Заочник\\Диплом СИСТЕМА ОХЛАЖДЕНИЯ ТЕПЛОВОЗА ТГ16М 686844\\media\\image4.png" \* MERGEFORMATINET INCLUDEPICTURE "C:\\Documents and Settings\\Admin\\Рабочий стол\\media\\image4.png" \* MERGEFORMATINET INCLUDEPICTURE "C:\\Documents and Settings\\Admin\\Рабочий стол\\media\\image4.png" \* MERGEFORMATINET INCLUDEPICTURE "C:\\Documents and Settings\\Admin\\Рабочий стол\\media\\image4.png" \* MERGEFORMATINET INCLUDEPICTURE "C:\\Users\\1\\media\\image4.png" \* MERGEFORMATINET INCLUDEPICTURE "D:\\Заочник\\Диплом СИСТЕМА ОХЛАЖДЕНИЯ ТЕПЛОВОЗА ТГ16М 686844\\media\\image6.png" \* MERGEFORMATINET INCLUDEPICTURE "D:\\Заочник\\Диплом СИСТЕМА ОХЛАЖДЕНИЯ ТЕПЛОВОЗА ТГ16М 686844\\media\\image6.png" \* MERGEFORMATINET INCLUDEPICTURE "D:\\Заочник\\Диплом СИСТЕМА ОХЛАЖДЕНИЯ ТЕПЛОВОЗА ТГ16М 686844\\media\\image6.png" \* MERGEFORMATINET INCLUDEPICTURE "D:\\Заочник\\Диплом СИСТЕМА ОХЛАЖДЕНИЯ ТЕПЛОВОЗА ТГ16М 686844\\media\\image6.png" \* MERGEFORMATINET INCLUDEPICTURE "D:\\Заочник\\Диплом СИСТЕМА ОХЛАЖДЕНИЯ ТЕПЛОВОЗА ТГ16М 686844\\media\\image6.png" \* MERGEFORMATINET INCLUDEPICTURE "D:\\Заочник\\Диплом СИСТЕМА ОХЛАЖДЕНИЯ ТЕПЛОВОЗА ТГ16М 686844\\media\\image6.png" \* MERGEFORMATINET INCLUDEPICTURE "D:\\Заочник\\Диплом СИСТЕМА ОХЛАЖДЕНИЯ ТЕПЛОВОЗА ТГ16М 686844\\media\\image6.png" \* MERGEFORMATINET INCLUDEPICTURE "C:\\Documents and Settings\\Admin\\Рабочий стол\\media\\image6.png" \* MERGEFORMATINET INCLUDEPICTURE "C:\\Documents and Settings\\Admin\\Рабочий стол\\media\\image6.png" \* MERGEFORMATINET INCLUDEPICTURE "C:\\Documents and Settings\\Admin\\Рабочий стол\\media\\image6.png" \* MERGEFORMATINET INCLUDEPICTURE "C:\\Users\\1\\media\\image6.png" \* MERGEFORMATINET
INCLUDEPICTURE "D:\\Заочник\\Диплом СИСТЕМА ОХЛАЖДЕНИЯ ТЕПЛОВОЗА ТГ16М 686844\\media\\image7.png" \* MERGEFORMATINET INCLUDEPICTURE "D:\\Заочник\\Диплом СИСТЕМА ОХЛАЖДЕНИЯ ТЕПЛОВОЗА ТГ16М 686844\\media\\image7.png" \* MERGEFORMATINET INCLUDEPICTURE "D:\\Заочник\\Диплом СИСТЕМА ОХЛАЖДЕНИЯ ТЕПЛОВОЗА ТГ16М 686844\\media\\image7.png" \* MERGEFORMATINET INCLUDEPICTURE "D:\\Заочник\\Диплом СИСТЕМА ОХЛАЖДЕНИЯ ТЕПЛОВОЗА ТГ16М 686844\\media\\image7.png" \* MERGEFORMATINET INCLUDEPICTURE "D:\\Заочник\\Диплом СИСТЕМА ОХЛАЖДЕНИЯ ТЕПЛОВОЗА ТГ16М 686844\\media\\image7.png" \* MERGEFORMATINET INCLUDEPICTURE "D:\\Заочник\\Диплом СИСТЕМА ОХЛАЖДЕНИЯ ТЕПЛОВОЗА ТГ16М 686844\\media\\image7.png" \* MERGEFORMATINET INCLUDEPICTURE "D:\\Заочник\\Диплом СИСТЕМА ОХЛАЖДЕНИЯ ТЕПЛОВОЗА ТГ16М 686844\\media\\image7.png" \* MERGEFORMATINET INCLUDEPICTURE "C:\\Documents and Settings\\Admin\\Рабочий стол\\media\\image7.png" \* MERGEFORMATINET INCLUDEPICTURE "C:\\Documents and Settings\\Admin\\Рабочий стол\\media\\image7.png" \* MERGEFORMATINET INCLUDEPICTURE "C:\\Documents and Settings\\Admin\\Рабочий стол\\media\\image7.png" \* MERGEFORMATINET INCLUDEPICTURE "C:\\Users\\1\\media\\image7.png" \* MERGEFORMATINET
1 - поплавковая камера; 2 - поплавковый клапан; 3 - подключение водоснабжения; 4 - электромотор; 5 - предохранительный клапан; 6 - ресивер; 7 - винт спуска масла; 8 - указатель уровня масла; 9 - масляный бак; 10 - насос высокого давления; 11 - вентилятор с фильтром; 12 - главный выключатель; 13 - распределительный шкаф; 14 - выпускной фильтр; 15 - передний лист обшивки; 16 - насос предварительного давления; 17 - дисплей; 18 – расходомер.
Рисунок 3.4 – Конструкция системы















